DEHNvenCI

  • Scaricatore combinato spinterometrico con fusibile di protezione integrato con portata di corrente di fulmine
  • Coordinato energeticamente nell'ambito della famiglia di prodotto Red/Line
  • Basso livello di protezione UP ≤ 1,5 kV (compreso fusibile di protezione)
  • Elevatissima affidabilità dell'impianto tramite limitazione della corrente susseguente RADAX-Flow
  • Estinzione di corrente susseguente di rete fino a 100 kAeff
  • Elevata capacità di scarica di corrente di fulmine di 25 kA (10/350 µs)
  • Permette la protezione di utenze finali
  • Indicazione di funzionamento / guasto tramite marcatura verde / rossa nella finestrella

DEHNvenCI 255 (FM)

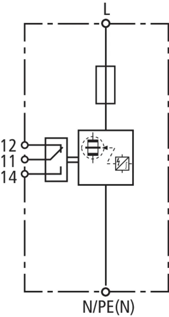
Scaricatore combinato unipolare con fusibile di protezione integrato con portata di corrente di fulmine per l'impiego in sistemi 230 / 400 V; in esecuzione FM con contatto di telesegnalamento a scambio pulito.

2 Products

Part No. 961200 DVCI 1 255

GTIN 4013364145108, Customs tariff No. (EU): 85363090, Gross weight: 477.30 g, PU: 1.00 pz.


Images

Additional information

Scaricatore combinato DEHNvenCI 255
Scaricatore combinato unipolare con fusibile
di protezione integrato nello scaricatore, larghezza 2 unità modulari
SPD di tipo 1 + tipo 2 secondo la norma EN 61643-11
Tecnologia spinterometrica RADAX-Flow
per la limitazione della corrente susseguente
Permette la protezione delle apparecchiature terminali
Indicazione di guasti per SPD fusibile integrato
Tensione massima continuativa: AC 255 V
Livello di protezione: <= 1,5 kV
corrente di fulmine (10/350): 25 kA
Estinzione della corrente susseguente di rete: fino a 100 kAeff.
Coordinamento energetico secondo la norma DIN EN 62305-4
SPD della famiglia Red/Line e direttamente al dispositivo terminale

Fabbricato: DEHN
Tipo: DVCI 1 255
Art.: 961200
o similare.

Certificates

 

Circuit Interruption

The backup fuse is already integrated here. This means: reduced space requirement, lower installation costs, faster wiring, and shorter connecting cables. This concept can be found in the product ranges DEHNvenCI, DEHNbloc Maxi S, DEHNguard ... CI and V(A) NH...

Wave breaker function

In the case of spark-gap-based type 1 arresters, the entire current flows through the type 1 arrester during the discharge process. Like a wave breaker, the incoming energy is greatly broken down, which significantly relieves the downstream SPDs. All type 1 arresters in the Red/Line product range feature the WBF wave breaker function.

Technical data

SPD secondo EN 61643-11 / ... IEC 61643-11 Tipo 1 + Tipo 2 / Classe I + Classe II
Tensione massima continuativa AC (UC ) 255 V (50 / 60 Hz)
Corrente impulsiva di fulmine (10/350 µs) (Iimp ) 25 kA
Livello di protezione (UP ) ≤ 1,5 kV
Protezione max da sovraccorrente lato rete fusibile integrato
Omologazioni KEMA
Dati tecnici aggiuntivi: Utilizzo in impianti di distribuzione con possibili correnti di cortocircuito maggiori di 50 kAeff (controllato da VDE)
– Corrente di cortocircuito possibile max 100 kAeff (220 kApeak)

Product 961200 was added to Notepad.

Product 961200 was added to the cart.

Part No. 961205 DVCI 1 255 FM

GTIN 4013364145115, Customs tariff No. (EU): 85363090, Gross weight: 480.80 g, PU: 1.00 pz.


Images

Additional information

Scaricatore combinato DEHNvenCI 255 FM
Scaricatore combinato unipolare con fusibile
di protezione integrato nello scaricatore, larghezza 2 unità modulari
con contatto di telesegnalamento
SPD di tipo 1 + tipo 2 secondo la norma EN 61643-11
Tecnologia spinterometrica RADAX-Flow
per la limitazione della corrente susseguente
Permette la protezione delle apparecchiature terminali
Indicazione di guasti e segnalazione a distanza per SPD e fusibile integrato
Tensione massima continuativa: AC 255 V
Livello di protezione: <= 1,5 kV
corrente di fulmine (10/350): 25 kA
Estinzione della corrente susseguente di rete: fino a 100 kAeff.
Coordinamento energetico secondo la norma
DIN EN 62305-4
SPD della famiglia Red/Line e direttamente al dispositivo terminale

Fabbricato: DEHN
Tipo: DVCI 1 255 FM
Art.: 961205
o similare.

Certificates

 

Circuit Interruption

The backup fuse is already integrated here. This means: reduced space requirement, lower installation costs, faster wiring, and shorter connecting cables. This concept can be found in the product ranges DEHNvenCI, DEHNbloc Maxi S, DEHNguard ... CI and V(A) NH...

Wave breaker function

In the case of spark-gap-based type 1 arresters, the entire current flows through the type 1 arrester during the discharge process. Like a wave breaker, the incoming energy is greatly broken down, which significantly relieves the downstream SPDs. All type 1 arresters in the Red/Line product range feature the WBF wave breaker function.

Technical data

SPD secondo EN 61643-11 / ... IEC 61643-11 Tipo 1 + Tipo 2 / Classe I + Classe II
Tensione massima continuativa AC (UC ) 255 V (50 / 60 Hz)
Corrente impulsiva di fulmine (10/350 µs) (Iimp ) 25 kA
Livello di protezione (UP ) ≤ 1,5 kV
Protezione max da sovraccorrente lato rete fusibile integrato
Omologazioni KEMA
Contatto FM / forma contatto scambio pulito
Dati tecnici aggiuntivi: Utilizzo in impianti di distribuzione con possibili correnti di cortocircuito maggiori di 50 kAeff (controllato da VDE)
– Corrente di cortocircuito possibile max 100 kAeff (220 kApeak)

Product 961205 was added to Notepad.

Product 961205 was added to the cart.


back to top