DEHNguard SE CI z wbudowanym bezpiecznikiem

  • Bezpiecznik wbudowany w moduł ochronny
  • Do stosowania w przypadku wyższych napięć znamionowych
  • Koordynacja energetyczna z innymi ogranicznikami z serii Red/Line
  • Wysoka zdolność odprowadzania prądów udarowych
  • Wysoka niezawodność dzięki urządzeniu kontrolno-odłączającemu „Thermo Dynamik Control”
  • Łatwa wymiana modułów bez używania narzędzi poprzez zastosowanie rygla blokującego z przyciskiem zwalniającym moduł
  • Odporność na wstrząsy i wibracje zgodnie z normą EN 60068-2

DEHNguard SE CI 440 FM

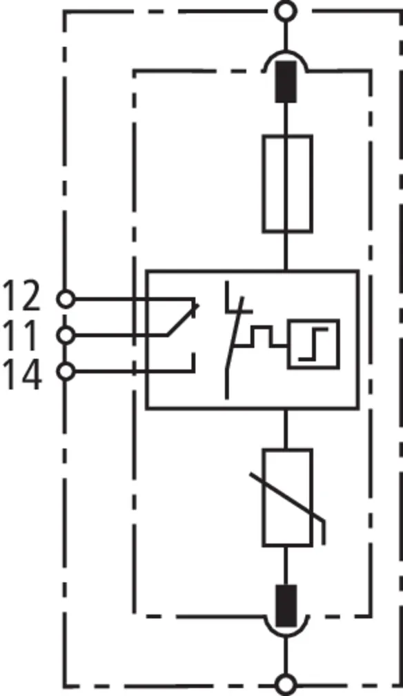
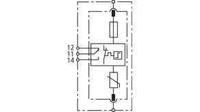
Modułowy jednobiegunowy ogranicznik przepięć składający się z podstawy i wymiennego modułu ochronnego, z wbudowanym bezpiecznikiem i zdalną sygnalizacją stanu (bezpotencjałowy zestyk przełączny).

1 Product

Part No. 952920 DG SE CI 440 FM

GTIN 4013364322622, Customs tariff No. (EU): 85363030, Gross weight: 178.00 g, PU: 1.00 szt.


Images

Additional information

Ogranicznik przepięć DEHNguard SE CI 440 FM
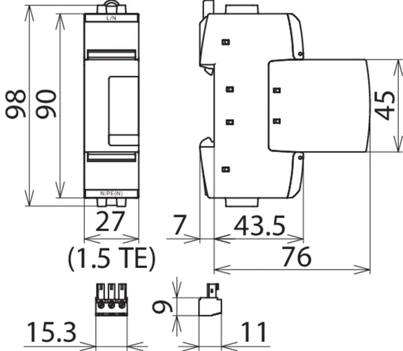
1-biegunowy, modułowy, gotowy do podłączenia ogranicznik przepięć
z wbudowanym bezpiecznikiem dodatkowym, szerokość: 1,5 modułu
z zestykiem zdalnej sygnalizacji
Ogranicznik przepięć typu 2 zgodnie z EN 61643-11
wskaźnik uszkodzenia ograniczników przepięć i wbudowany bezpiecznik
Największe napięcie trwałej pracy: 440 V AC
Napięciowy poziom ochrony: <= 2 kV
Znamionowy prąd wyładowczy: 12,5 kA
Do pracy bez dodatkowego bezpiecznika rezerwowego w instalacjach o
maksymalnym prądzie zwarciowym 25 kArms
Koordynacja energetyczna według DIN EN 62305-4
Ogranicznik przepięć z rodziny Red/Line

Producent: DEHN
Typ: DG SE CI 440 FM
Nr kat.: 952920
lub podobny.

Certificates

 

Circuit Interruption

The backup fuse is already integrated here. This means: reduced space requirement, lower installation costs, faster wiring, and shorter connecting cables. This concept can be found in the product ranges DEHNvenCI, DEHNbloc Maxi S, DEHNguard ... CI and V(A) NH...

Technical data

Ogranicznik przepięć zgodnie z PN-EN 61643-11 typ 2 / klasa II
Największe napięcie trwałej pracy AC (UC ) 440 V (50 / 60 Hz)
Znamionowy prąd wyładowczy (8/20 µs) (In ) 12,5 kA
Napięciowy poziom ochrony (UP ) ≤ 2 kV
Maksymalny bezpiecznik dodatkowy zbędny
Rodzaj zestyku zdalnej sygnalizacji (FM) bezpotencjałowy zestyk przełączny

Product 952920 was added to Notepad.

Product 952920 was added to the cart.


DEHNguard SE CI WE 440 FM

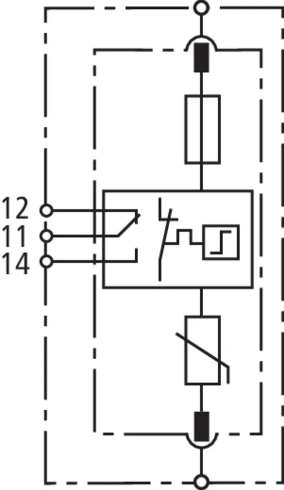
Modułowy jednobiegunowy ogranicznik przepięć z warystorem Umov = 750 V, składający się z podstawy i wymiennego modułu ochronnego, z wbudowanym bezpiecznikiem i zdalną sygnalizacją stanu (bezpotencjałowy zestyk przełączny).

1 Product

Part No. 952923 DG SE CI WE 440 FM

GTIN 4013364322639, Customs tariff No. (EU): 85363030, Gross weight: 184.00 g, PU: 1.00 szt.


Images

Additional information

Ogranicznik przepięć DEHNguard SE CI WE 440 FM
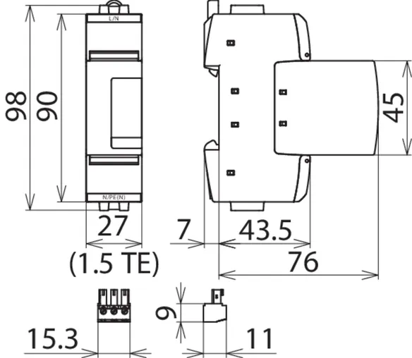
1-biegunowy, modułowy, gotowy do podłączenia ogranicznik przepięć
z wbudowanym bezpiecznikiem dodatkowym, szerokość: 1,5 modułu
z zestykiem zdalnej sygnalizacji
Ogranicznik przepięć typu 2 zgodnie z EN 61643-11
wskaźnik uszkodzenia ograniczników przepięć i wbudowany bezpiecznik
Największe napięcie trwałej pracy: 440 V AC
Znamionowe napięcie warystora: 750 V AC
Napięciowy poziom ochrony: <= 3 kV
Znamionowy prąd wyładowczy: 12,5 kA
Do pracy bez dodatkowego bezpiecznika rezerwowego w instalacjach o
maksymalnym prądzie zwarciowym 25 kArms
Koordynacja energetyczna według DIN EN 62305-4
Ogranicznik przepięć z rodziny Red/Line

Producent: DEHN
Typ: DG SE CI WE 440 FM
Nr kat.: 952923
lub podobny.

Certificates

 

Circuit Interruption

The backup fuse is already integrated here. This means: reduced space requirement, lower installation costs, faster wiring, and shorter connecting cables. This concept can be found in the product ranges DEHNvenCI, DEHNbloc Maxi S, DEHNguard ... CI and V(A) NH...

Technical data

Ogranicznik przepięć zgodnie z PN-EN 61643-11 typ 2 / klasa II
Największe napięcie trwałej pracy AC (UC ) 440 V (50 / 60 Hz)
Znamionowe napięcie warystora AC (Umov ) 750 V
Znamionowy prąd wyładowczy (8/20 µs) (In ) 12,5 kA
Napięciowy poziom ochrony (UP ) ≤ 3 kV
Maksymalny bezpiecznik dodatkowy zbędny
Rodzaj zestyku zdalnej sygnalizacji (FM) bezpotencjałowy zestyk przełączny

Product 952923 was added to Notepad.

Product 952923 was added to the cart.


back to top