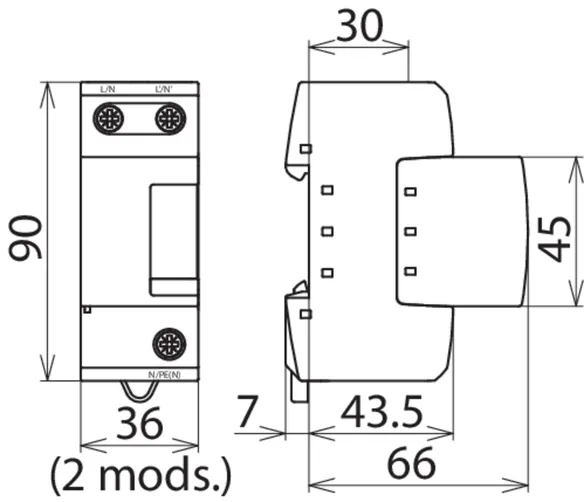
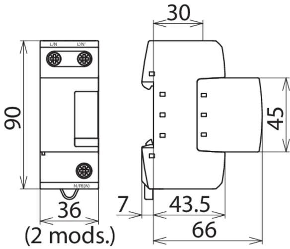
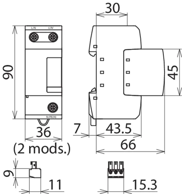
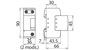
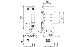
DEHNbloc modular
:quality(98)/www.dehn-international.com/store/f/61870632/HDVORSCHAU/961125a1_16-9.jpg)
:quality(98)/www.dehn-international.com/store/f/61870632/HDVORSCHAU/961125a1_16-9.jpg)
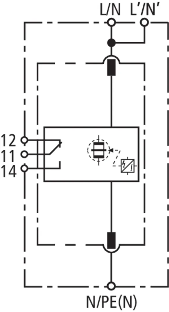
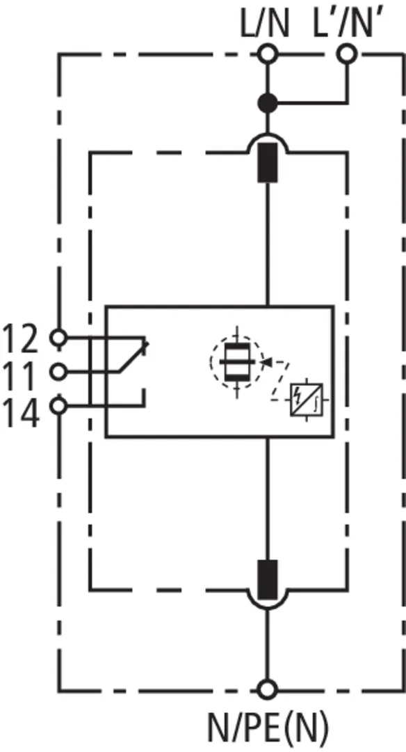
- skoordynowany ogranicznik przepięć na bazie iskiernika składający się z podstawy i wymiennego modułu ochronnego
- najwyższa niezawodność instalacji dzięki technologii ograniczania prądów następczych RADAX Flow
- bezpiecznik 32 A gG nie zadziała do 50 kArms prądu zwarciowego
- zdolność odprowadzania prądów udarowych do 50 kA (10/350 μs)
- bezpośrednia koordynacja z ogranicznikami DEHNguard, nie wymaga żadnej długości przewodów, nie wymaga stosowania dławików
- niski napięciowy poziom ochrony ≤ 2,5 kV
- wskaźnik działania / uszkodzenia w oknie kontrolnym
- łatwa wymiana modułów bez używania narzędzi poprzez zastosowanie rygla blokującego z przyciskiem zwalniającym moduł
Details
:quality(98)/www.dehn-international.com/store/f/61870633/HDVORSCHAU/961125a2_Kat.jpg)
:quality(98)/www.dehn-international.com/store/f/61870633/HDVORSCHAU/961125a2_Kat.jpg)
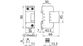
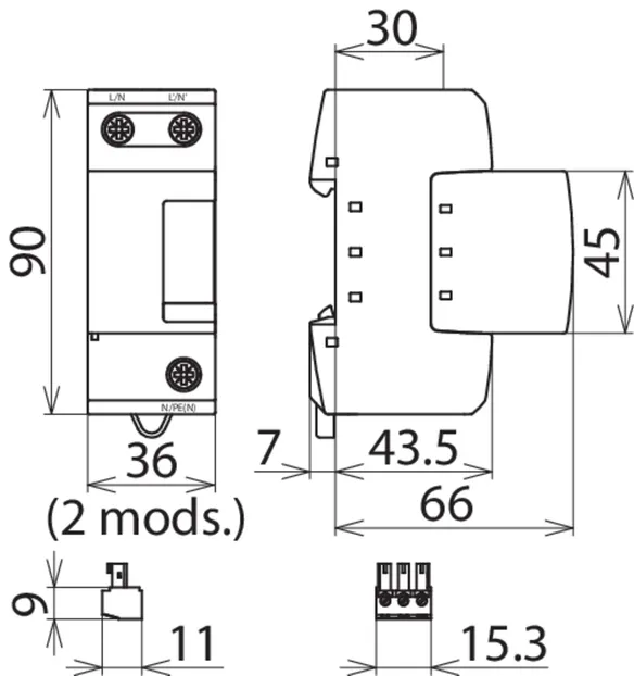
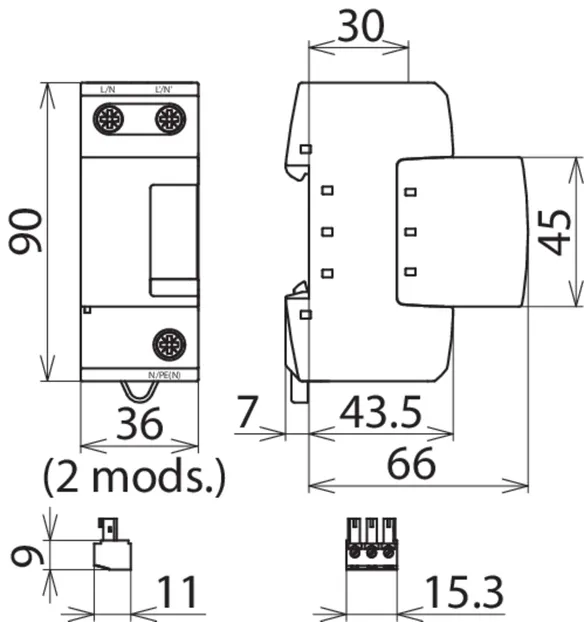
Part No. 961110 DB M 1 150
GTIN 4013364118560, Customs tariff No. (EU): 85363090, Gross weight: 333.40 g, PU: 1.00 szt.
PredecessorTechnical data
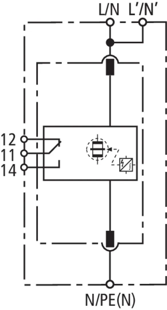
Ogranicznik przepięć zgodnie z PN-EN 61643-11 | typ 1 / klasa I |
Największe napięcie trwałej pracy AC (UC ) | 150 V (50 / 60 Hz) |
Prąd udarowy (10/350 µs) (Iimp ) | 35 kA |
Napięciowy poziom ochrony (UP ) | ≤ 1,5 kV |
Maksymalny bezpiecznik (L) do IK = 35 kArms (ta ≤ 0,2 s) | 500 A gG |
Maksymalny bezpiecznik (L) do IK = 35 kArms (ta ≤ 5 s) | 315 A gG |
Certyfikaty | UL, CSA |
Part No. 961120 DB M 1 255
GTIN 4013364118614, Customs tariff No. (EU): 85363090, Gross weight: 355.80 g, PU: 1.00 szt.
PredecessorTechnical data
Ogranicznik przepięć zgodnie z PN-EN 61643-11 | typ 1 / klasa I |
Największe napięcie trwałej pracy AC (UC ) | 255 V (50 / 60 Hz) |
Prąd udarowy (10/350 µs) (Iimp ) | 50 kA |
Napięciowy poziom ochrony (UP ) | ≤ 2,5 kV |
Maksymalny bezpiecznik (L) do IK = 50 kArms (ta ≤ 0,2 s) | 500 A gG |
Maksymalny bezpiecznik (L) do IK = 50 kArms (ta ≤ 5 s) | 315 A gG |
Certyfikaty | VDE, KEMA, UL |
Part No. 961130 DB M 1 320
GTIN 4013364118638, Customs tariff No. (EU): 85363090, Gross weight: 341.00 g, PU: 1.00 szt.
PredecessorTechnical data
Ogranicznik przepięć zgodnie z PN-EN 61643-11 | typ 1 / klasa I |
Największe napięcie trwałej pracy AC (UC ) | 320 V (50 / 60 Hz) |
Prąd udarowy (10/350 µs) (Iimp ) | 25 kA |
Napięciowy poziom ochrony (UP ) | ≤ 2,5 kV |
Maksymalny bezpiecznik (L) do IK = 50 kArms (ta ≤ 0,2 s) | 315 A gG |
Maksymalny bezpiecznik (L) do IK = 50 kArms (ta ≤ 5 s) | 315 A gG |
Certyfikaty | UL |
Part No. 961115 DB M 1 150 FM
GTIN 4013364118577, Customs tariff No. (EU): 85363090, Gross weight: 337.30 g, PU: 1.00 szt.
PredecessorTechnical data
Ogranicznik przepięć zgodnie z PN-EN 61643-11 | typ 1 / klasa I |
Największe napięcie trwałej pracy AC (UC ) | 150 V (50 / 60 Hz) |
Prąd udarowy (10/350 µs) (Iimp ) | 35 kA |
Napięciowy poziom ochrony (UP ) | ≤ 1,5 kV |
Maksymalny bezpiecznik (L) do IK = 35 kArms (ta ≤ 0,2 s) | 500 A gG |
Maksymalny bezpiecznik (L) do IK = 35 kArms (ta ≤ 5 s) | 315 A gG |
Certyfikaty | UL, CSA |
Part No. 961125 DB M 1 255 FM
GTIN 4013364118621, Customs tariff No. (EU): 85363090, Gross weight: 359.30 g, PU: 1.00 szt.
PredecessorTechnical data
Ogranicznik przepięć zgodnie z PN-EN 61643-11 | typ 1 / klasa I |
Największe napięcie trwałej pracy AC (UC ) | 255 V (50 / 60 Hz) |
Prąd udarowy (10/350 µs) (Iimp ) | 50 kA |
Napięciowy poziom ochrony (UP ) | ≤ 2,5 kV |
Maksymalny bezpiecznik (L) do IK = 50 kArms (ta ≤ 0,2 s) | 500 A gG |
Maksymalny bezpiecznik (L) do IK = 50 kArms (ta ≤ 5 s) | 315 A gG |
Certyfikaty | VDE, KEMA, UL |
Part No. 961135 DB M 1 320 FM
GTIN 4013364118645, Customs tariff No. (EU): 85363090, Gross weight: 346.00 g, PU: 1.00 szt.
PredecessorTechnical data
Ogranicznik przepięć zgodnie z PN-EN 61643-11 | typ 1 / klasa I |
Największe napięcie trwałej pracy AC (UC ) | 320 V (50 / 60 Hz) |
Prąd udarowy (10/350 µs) (Iimp ) | 25 kA |
Napięciowy poziom ochrony (UP ) | ≤ 2,5 kV |
Maksymalny bezpiecznik (L) do IK = 50 kArms (ta ≤ 0,2 s) | 315 A gG |
Maksymalny bezpiecznik (L) do IK = 50 kArms (ta ≤ 5 s) | 315 A gG |
Certyfikaty | UL |