DEHNgap
:quality(98)/www.dehn-international.com/store/f/62260369/HDVORSCHAU/961101a1_16-9.jpg)
:quality(98)/www.dehn-international.com/store/f/62260369/HDVORSCHAU/961101a1_16-9.jpg)
- odprowadzanie prądów udarowych do 100 kA (10/350 µs)
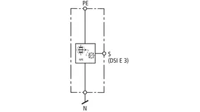
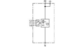
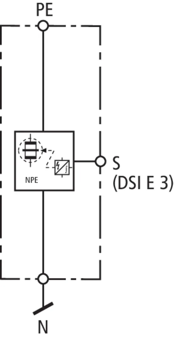
- ogranicznik na całkowity odprowadzany prąd udarowy, specjalnie do stosowania w sieciach TT w układzie połączeń „3+1” i „1+1” zgodnie z normą PN-HD 60364-5-534 pomiędzy przewodem neutralnym N a ochronnym PE
- technologia iskiernikowa
- wskaźnik działania / uszkodzenia w postaci zielonego / czerwonego znacznika w okienku kontrolnym
Details
:quality(98)/www.dehn-international.com/store/f/62260370/HDVORSCHAU/900050a2_Kat.jpg)
:quality(98)/www.dehn-international.com/store/f/62260370/HDVORSCHAU/900050a2_Kat.jpg)
Part No. 961101 DGP M 255
GTIN 4013364118676, Customs tariff No. (EU): 85363030, Gross weight: 331.00 g, PU: 1.00 szt.
PredecessorTechnical data
Ogranicznik przepięć zgodnie z PN-EN 61643-11 | typ 1 / klasa I |
Największe napięcie trwałej pracy AC (UC ) | 255 V (50 / 60 Hz) |
Prąd udarowy (10/350 µs) (Iimp ) | 100 kA |
Napięciowy poziom ochrony (UP ) | ≤ 1,5 kV |
Certyfikaty | VDE, KEMA, UL |
Part No. 961105 DGP M 255 FM
GTIN 4013364118683, Customs tariff No. (EU): 85363030, Gross weight: 336.00 g, PU: 1.00 szt.
PredecessorTechnical data
Ogranicznik przepięć zgodnie z PN-EN 61643-11 | typ 1 / klasa I |
Największe napięcie trwałej pracy AC (UC ) | 255 V (50 / 60 Hz) |
Prąd udarowy (10/350 µs) (Iimp ) | 100 kA |
Napięciowy poziom ochrony (UP ) | ≤ 1,5 kV |
Certyfikaty | VDE, KEMA, UL |
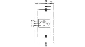
Rodzaj zestyku zdalnej sygnalizacji (FM) | bezpotencjałowy zestyk przełączny |
Part No. 900050 DGPM 1 255 S
GTIN 4013364107496, Customs tariff No. (EU): 85363090, Gross weight: 539.00 g, PU: 1.00 szt.
Technical data
Ogranicznik przepięć zgodnie z PN-EN 61643-11 | typ 1 / klasa I |
Największe napięcie trwałej pracy AC (UC ) | 255 V (50 / 60 Hz) |
Prąd udarowy (10/350 µs) (Iimp ) | 100 kA |
Napięciowy poziom ochrony (UP ) | ≤ 2,5 kV (z uwzględnieniem 80 cm przewodu przyłączeniowego) |
Sygnalizacja stanu | poprzez moduł DSI E 3 |
Part No. 961180 DGPM 1 255
GTIN 4013364157323, Customs tariff No. (EU): 85363090, Gross weight: 460.00 g, PU: 1.00 szt.
Technical data
Ogranicznik przepięć zgodnie z PN-EN 61643-11 | typ 1 + typ 2 / klasa I + klasa II |
Największe napięcie trwałej pracy AC (UC ) | 255 V (50 / 60 Hz) |
Prąd udarowy (10/350 µs) (Iimp ) | 100 kA |
Napięciowy poziom ochrony (UP ) | ≤ 1,5 kV |
Certyfikaty | KEMA |
Part No. 961185 DGPM 1 255 FM
GTIN 4013364157330, Customs tariff No. (EU): 85363090, Gross weight: 460.00 g, PU: 1.00 szt.
Technical data
Ogranicznik przepięć zgodnie z PN-EN 61643-11 | typ 1 + typ 2 / klasa I + klasa II |
Największe napięcie trwałej pracy AC (UC ) | 255 V (50 / 60 Hz) |
Prąd udarowy (10/350 µs) (Iimp ) | 100 kA |
Napięciowy poziom ochrony (UP ) | ≤ 1,5 kV |
Certyfikaty | KEMA |
Rodzaj zestyku zdalnej sygnalizacji (FM) | bezpotencjałowy zestyk przełączny |
Part No. 961160 DGPM 440
GTIN 4013364116290, Customs tariff No. (EU): 85363030, Gross weight: 415.00 g, PU: 1.00 szt.
Technical data
Ogranicznik przepięć zgodnie z PN-EN 61643-11 | typ 1 / klasa I |
Największe napięcie trwałej pracy AC (UC ) | 440 V (50 / 60 Hz) |
Prąd udarowy (10/350 µs) (Iimp ) | 100 kA |
Napięciowy poziom ochrony (UP ) | ≤ 2,5 kV |
Certyfikaty | UL |
Part No. 961165 DGPM 440 FM
GTIN 4013364116306, Customs tariff No. (EU): 85363030, Gross weight: 418.00 g, PU: 1.00 szt.
Technical data
Ogranicznik przepięć zgodnie z PN-EN 61643-11 | typ 1 / klasa I |
Największe napięcie trwałej pracy AC (UC ) | 440 V (50 / 60 Hz) |
Prąd udarowy (10/350 µs) (Iimp ) | 100 kA |
Napięciowy poziom ochrony (UP ) | ≤ 2,5 kV |
Certyfikaty | UL |
Rodzaj zestyku zdalnej sygnalizacji (FM) | bezpotencjałowy zestyk przełączny |
Part No. 961102 DGPH M 255
GTIN 4013364118690, Customs tariff No. (EU): 85363030, Gross weight: 300.00 g, PU: 1.00 szt.
PredecessorTechnical data
Ogranicznik przepięć zgodnie z PN-EN 61643-11 | typ 1 / klasa I |
Największe napięcie trwałej pracy AC (UC ) | 255 V (50 / 60 Hz) |
Prąd udarowy (10/350 µs) (Iimp ) | 100 kA |
Napięciowy poziom ochrony (UP ) | ≤ 4 kV |