DEHNgap C S

  • Specjalnie do stosowania w sieciach TT w układzie połączeń „3+1” i „1+1” zgodnie z normą E DIN VDE 0100-534 pomiędzy przewodem neutralnym N a ochronnym PE
  • Wysoka zdolność odprowadzania prądów udarowych
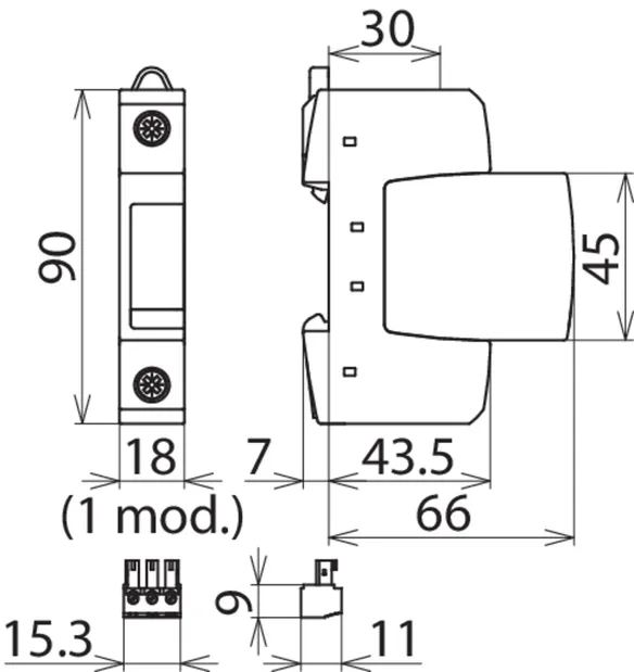
  • Dwuczęściowy, składający się z podstawy i wtykowego iskiernikowego modułu ochronnego
  • Koordynacja energetyczna z innymi ogranicznikami z serii Red/Line
  • Wskaźnik działania / uszkodzenia w postaci zielonego / czerwonego znacznika w okienku kontrolnym
  • Ze zdalną sygnalizacją stanu
  • Łatwa wymiana modułów bez używania narzędzi poprzez zastosowanie rygla blokującego z przyciskiem zwalniającym moduł
  • Odporność na wstrząsy i wibracje zgodnie z normą EN 60068-2

DEHNgap C S (FM)

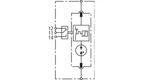
Ogranicznik przepięć N-PE; w wersji FM z bezpotencjałowym zestykiem zdalnej sygnalizacji.

2 Products

Part No. 952030 DGP C S

GTIN 4013364108530, Customs tariff No. (EU): 85363030, Gross weight: 121.00 g, PU: 1.00 szt.

Predecessor

Images

Additional information

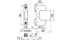
Ogranicznik przepięć N-PE DEHNgap C S
Ogranicznik przepięć N-PE, szerokość: 1 moduł
Wskaźnik uszkodzenia
Ogranicznik przepięć typu 2 zgodnie z EN 61643-11
Podstawa z podłączonym iskiernikowym modułem ochronnym
Znamionowy prąd wyładowczy (8/20): 20 kA
Prąd udarowy pioruna (10/350): 12 kA
Napięciowy poziom ochrony: <= 1,5 kV
Zdolność gaszenia prądu następczego: 100 Arms dla 255 V AC
Koordynacja energetyczna według DIN EN 62305-4
Ogranicznik przepięć z rodziny Red/Line

Producent: DEHN
Typ: DGP C S
Nr kat.: 952030
lub podobny.

Certificates

 

Technical data

Ogranicznik przepięć zgodnie z PN-EN 61643-11 typ 2 / klasa II
Największe napięcie trwałej pracy AC (UC ) 255 V (50 / 60 Hz)
Znamionowy prąd wyładowczy (8/20 µs) (In ) 20 kA
Maksymalny prąd wyładowczy (8/20 µs) (Imax ) 40 kA
Napięciowy poziom ochrony (UP ) ≤ 1,5 kV
Certyfikaty KEMA, VDE, UL

Product 952030 was added to Notepad.

Product 952030 was added to the cart.

Part No. 952035 DGP C S FM

GTIN 4013364108547, Customs tariff No. (EU): 85363030, Gross weight: 125.00 g, PU: 1.00 szt.

Predecessor

Images

Additional information

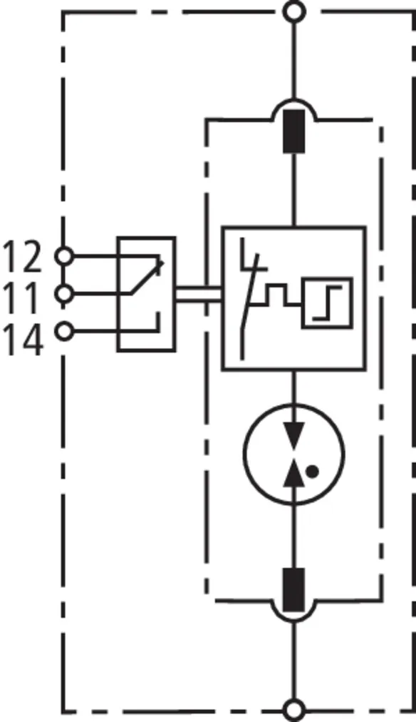
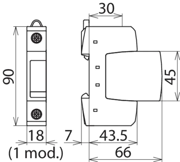
Ogranicznik przepięć N-PE DEHNgap C S FM
Ogranicznik przepięć N-PE
z zestykiem zdalnej sygnalizacji, szerokość 1 moduł
Wskaźnik uszkodzenia
Ogranicznik przepięć typu 2 zgodnie z EN 61643-11
Podstawa z podłączonym iskiernikowym modułem ochronnym
Znamionowy prąd wyładowczy (8/20): 20 kA
Prąd udarowy pioruna (10/350): 12 kA
Napięciowy poziom ochrony: <= 1,5 kV
Zdolność gaszenia prądu następczego: 100 Arms dla 255 V AC
Koordynacja energetyczna według DIN EN 62305-4
Ogranicznik przepięć z rodziny Red/Line

Producent: DEHN
Typ: DGP C S FM
Nr kat.: 952035
lub podobny.

Certificates

 

Technical data

Ogranicznik przepięć zgodnie z PN-EN 61643-11 typ 2 / klasa II
Największe napięcie trwałej pracy AC (UC ) 255 V (50 / 60 Hz)
Znamionowy prąd wyładowczy (8/20 µs) (In ) 20 kA
Maksymalny prąd wyładowczy (8/20 µs) (Imax ) 40 kA
Napięciowy poziom ochrony (UP ) ≤ 1,5 kV
Certyfikaty KEMA, VDE, UL
Rodzaj zestyku zdalnej sygnalizacji (FM) bezpotencjałowy zestyk przełączny

Product 952035 was added to Notepad.

Product 952035 was added to the cart.


back to top