VC 280 2

  • Dwubiegunowa ochrona przepięciowa z układem kontrolnym i odłączającym
  • Kompletny obwód ochrony przepięciowej do urządzeń zasilanych napięciem AC
  • Zwiększone bezpieczeństwo dzięki odpornemu na błędy obwodowi ochronnemu Y
  • Ze zdalną sygnalizacją stanu przez bezpotencjałowy zestyk przełączny (zestyk rozwierny), z funkcją testowania i wskaźnikiem uszkodzenia
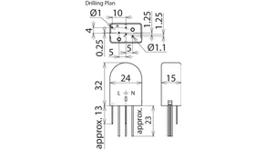
  • Do stosowania na płytkach obwodów drukowanych

VC 280 2

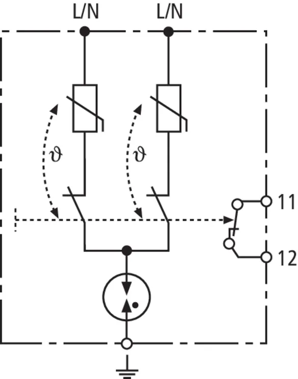
Moduł sieciowy z ochroną przepięciową do montażu w chronionym urządzeniu końcowym z bezpotencjałowym zestykiem rozwiernym.

1 Product

Part No. 900471 VC 280 2

GTIN 4013364067547, Customs tariff No. (EU): 85363010, Gross weight: 27.50 g, PU: 1.00 szt.


Images

Additional information

Moduł sieciowy z ochroną przepięciową VC 280 2
2-biegunowy moduł sieciowy z ochroną przepięciową
do montażu w chronionym urządzeniu końcowym
Ogranicznik przepięć typu 3 zgodnie z EN 61643-11
do lutowania na płytkach obwodów drukowanych
zdalna sygnalizacja stanu przez bezpotencjałowy zestyk przełączny
Największe napięcie trwałej pracy: 280 V AC
Napięciowy poziom ochrony: <= 1,5 kV
Całkowity prąd wyładowczy: 5 kA
Maksymalny bezpiecznik dodatkowy: 16 A gG lub B 16 A
Koordynacja energetyczna według DIN EN 62 305-4
Ogranicznik przepięć z rodziny Red/Line

Producent: DEHN
Typ: VC 280 2
Nr kat.: 900471
lub podobny.

Certificates

 

Technical data

Ogranicznik przepięć zgodnie z PN-EN 61643-11 typ 3 / klasa III
Największe napięcie trwałej pracy AC (UC ) 280 V (50 / 60 Hz)
Znamionowy prąd wyładowczy (8/20 µs) (In ) 3 kA
Całkowity prąd wyładowczy (8/20 µs) [L+N-PE] (Itotal ) 5 kA
Napięciowy poziom ochrony [L-N] / [L/N-PE] (UP ) ≤ 1250 / ≤ 1500 V
Maksymalny bezpiecznik dodatkowy B 16 A
Wskaźnik uszkodzenia zestyk zdalnej sygnalizacji (zestyk rozwierny)

Product 900471 was added to Notepad.

Product 900471 was added to the cart.


back to top