DEHNguard S ... VA

  • Ogranicznik przepięć do uniwersalnego stosowania składający się z podstawy i wymiennego modułu ochronnego
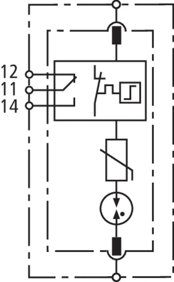
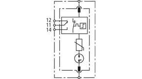
  • Szeregowe połączenie warystora i iskiernika niepowodujące prądów upływu we wtykowym module ochronnym.
  • Wysoka niezawodność dzięki systemowi monitorowania SPD „Thermo Dynamik Control”
  • Koordynacja energetyczna z innymi ogranicznikami z serii Red/Line
  • Łatwa wymiana modułów bez używania narzędzi poprzez zastosowanie rygla blokującego z przyciskiem zwalniającym moduł
  • Małe rozmiary (konstrukcja modułowa) zgodnie z normą DIN 43880
  • Wielofunkcyjne zaciski do przewodów i szyn grzebieniowych
  • Odporność na wstrząsy i wibracje zgodnie z normą EN 60068-2

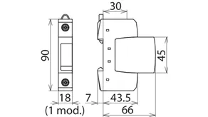
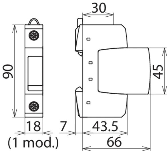
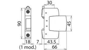
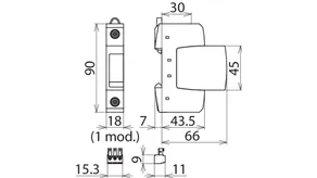
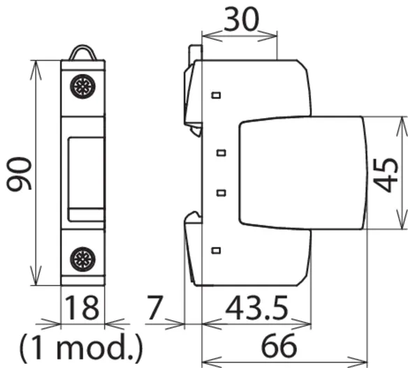
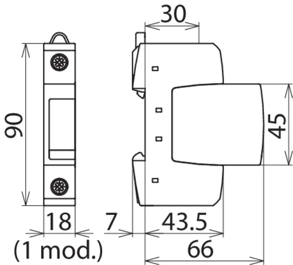
DEHNguard S VA

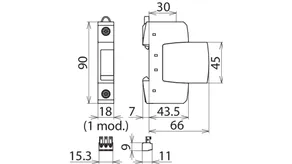
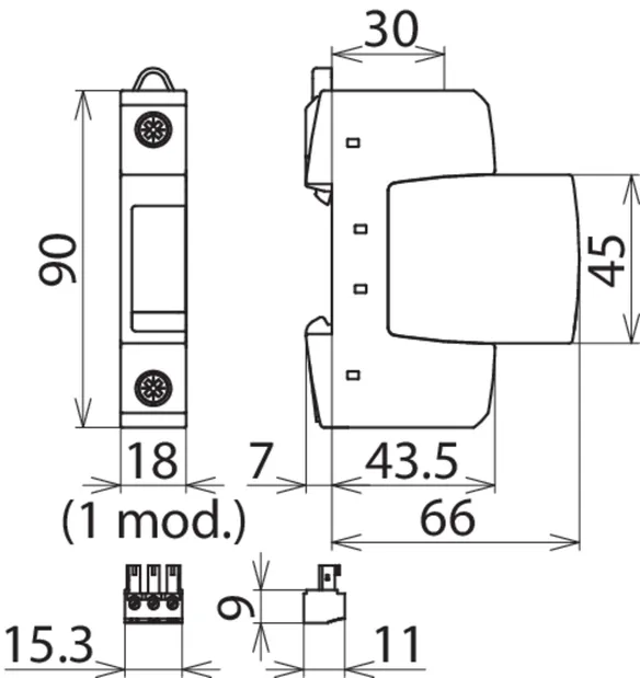
Modułowy jednobiegunowy ogranicznik przepięć z szeregowym połączeniem warystora i iskiernika w wymiennym module ochronnym.

3 Products

Part No. 952080 DG S 75 VA

GTIN 4013364127296, Customs tariff No. (EU): 85363030, Gross weight: 118.00 g, PU: 1.00 szt.

Predecessor

Images

Additional information

Ogranicznik przepięć DEHNguard S 75 VA
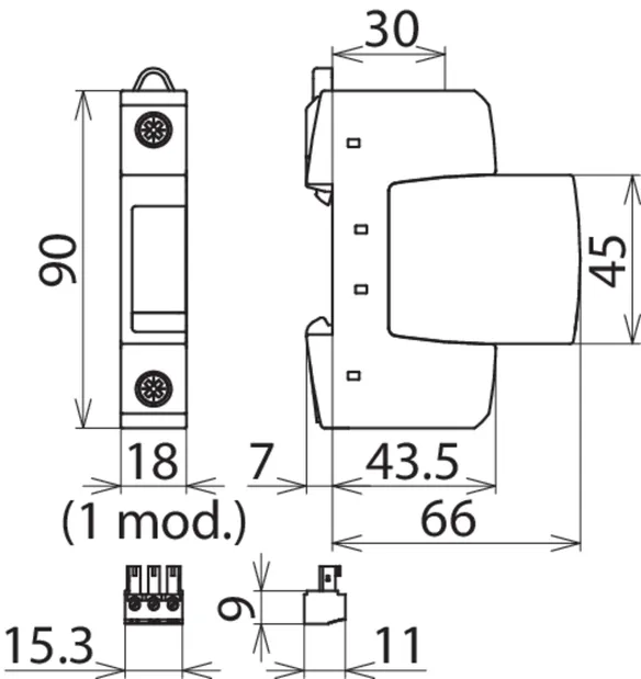
1-biegunowy, modułowy, gotowy do podłączenia ogranicznik przepięć
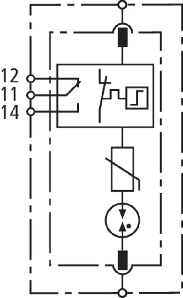
Szerokość: 1 moduł, Wskaźnik uszkodzenia
Ogranicznik przepięć typu 2 zgodnie z EN 61643-11
Szeregowe połączenie warystora i iskiernika bez prądu upływu
Największe napięcie trwałej pracy: 75 V AC / 100 V DC
Napięciowy poziom ochrony: <= 1,1 kV
Znamionowy prąd wyładowczy: 10 kA
Wytrzymałość zwarciowa: 25 kArms
Koordynacja energetyczna według DIN EN 62305-4
Ogranicznik przepięć z rodziny Red/Line

Producent: DEHN
Typ: DG S 75 VA
Nr kat.: 952080
lub podobny.

Certificates

 

Technical data

Ogranicznik przepięć zgodnie z PN-EN 61643-11 typ 2 / klasa II
Największe napięcie trwałej pracy AC (UC ) 75 V (50 / 60 Hz)
Znamionowy prąd wyładowczy (8/20 µs) (In ) 10 kA
Maksymalny prąd wyładowczy (8/20 µs) (Imax ) 20 kA
Napięciowy poziom ochrony (UP ) ≤ 1,1 kV
Maksymalny bezpiecznik dodatkowy 100 A gG

Product 952080 was added to Notepad.

Product 952080 was added to the cart.

Part No. 952082 DG S 275 VA

GTIN 4013364127319, Customs tariff No. (EU): 85363030, Gross weight: 123.40 g, PU: 1.00 szt.

Predecessor

Images

Additional information

Ogranicznik przepięć DEHNguard S 275 VA
1-biegunowy, modułowy, gotowy do podłączenia ogranicznik przepięć
Szerokość: 1 moduł, Wskaźnik uszkodzenia
Ogranicznik przepięć typu 2 zgodnie z EN 61643-11
Szeregowe połączenie warystora i iskiernika bez prądu upływu
Największe napięcie trwałej pracy: 275 V AC / 350 V DC
Napięciowy poziom ochrony: <= 1,5 kV
Znamionowy prąd wyładowczy: 10 kA
Wytrzymałość zwarciowa: 25 kArms
Koordynacja energetyczna według DIN EN 62305-4
Ogranicznik przepięć z rodziny Red/Line

Producent: DEHN
Typ: DG S 275 VA
Nr kat.: 952082
lub podobny.

Certificates

 

Technical data

Ogranicznik przepięć zgodnie z PN-EN 61643-11 typ 2 / klasa II
Największe napięcie trwałej pracy AC (UC ) 275 V (50 / 60 Hz)
Znamionowy prąd wyładowczy (8/20 µs) (In ) 10 kA
Maksymalny prąd wyładowczy (8/20 µs) (Imax ) 20 kA
Napięciowy poziom ochrony (UP ) ≤ 1,5 kV
Maksymalny bezpiecznik dodatkowy 100 A gG

Product 952082 was added to Notepad.

Product 952082 was added to the cart.

Part No. 952084 DG S 385 VA

GTIN 4013364127333, Customs tariff No. (EU): 85363030, Gross weight: 127.70 g, PU: 1.00 szt.


Images

Additional information

Ogranicznik przepięć DEHNguard S 385 VA
1-biegunowy, modułowy, gotowy do podłączenia ogranicznik przepięć
Szerokość: 1 moduł, Wskaźnik uszkodzenia
Ogranicznik przepięć typu 2 zgodnie z EN 61643-11
Szeregowe połączenie warystora i iskiernika bez prądu upływu
Największe napięcie trwałej pracy: 385 V AC / 500 V DC
Napięciowy poziom ochrony: <= 1,75 kV
Znamionowy prąd wyładowczy: 10 kA
Wytrzymałość zwarciowa: 25 kArms
Koordynacja energetyczna według DIN EN 62305-4
Ogranicznik przepięć z rodziny Red/Line

Producent: DEHN
Typ: DG S 385 VA
Nr kat.: 952084
lub podobny.

Certificates

 

Technical data

Ogranicznik przepięć zgodnie z PN-EN 61643-11 typ 2 / klasa II
Największe napięcie trwałej pracy AC (UC ) 385 V (50 / 60 Hz)
Znamionowy prąd wyładowczy (8/20 µs) (In ) 10 kA
Maksymalny prąd wyładowczy (8/20 µs) (Imax ) 20 kA
Napięciowy poziom ochrony (UP ) ≤ 1,75 kV
Maksymalny bezpiecznik dodatkowy 100 A gG

Product 952084 was added to Notepad.

Product 952084 was added to the cart.


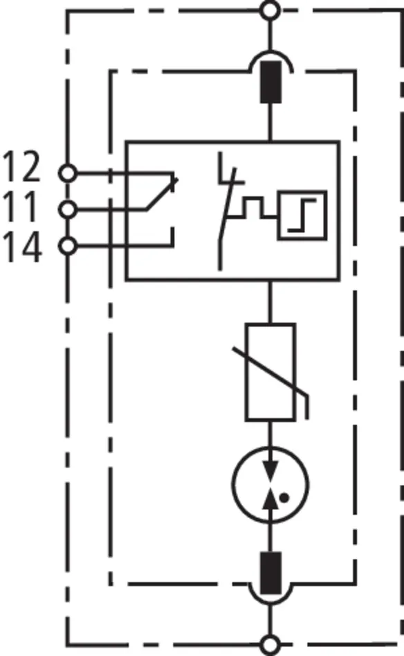
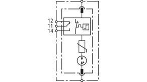
DEHNguard S VA FM

Modułowy jednobiegunowy ogranicznik przepięć z szeregowym połączeniem warystora i iskiernika w wymiennym module ochronnym; ze zdalną sygnalizacją stanu (bezpotencjałowy zestyk przełączny).

3 Products

Part No. 952085 DG S 75 VA FM

GTIN 4013364127302, Customs tariff No. (EU): 85363030, Gross weight: 122.10 g, PU: 1.00 szt.

Predecessor

Images

Additional information

Ogranicznik przepięć DEHNguard S 75 FM
1-biegunowy, modułowy, gotowy do podłączenia ogranicznik przepięć
Szerokość: 1 moduł, Wskaźnik uszkodzenia
z zestykiem zdalnej sygnalizacji
Ogranicznik przepięć typu 2 zgodnie z EN 61643-11
Szeregowe połączenie warystora i iskiernika bez prądu upływu
Największe napięcie trwałej pracy: 75 V AC / 100 V DC
Napięciowy poziom ochrony: <= 1,1 kV
Znamionowy prąd wyładowczy: 10 kA
Wytrzymałość zwarciowa: 25 kArms
Koordynacja energetyczna według DIN EN 62305-4
Ogranicznik przepięć z rodziny Red/Line

Producent: DEHN
Typ: DG S 75 VA FM
Nr kat.: 952085
lub podobny.

Certificates

 

Technical data

Ogranicznik przepięć zgodnie z PN-EN 61643-11 typ 2 / klasa II
Największe napięcie trwałej pracy AC (UC ) 75 V (50 / 60 Hz)
Znamionowy prąd wyładowczy (8/20 µs) (In ) 10 kA
Maksymalny prąd wyładowczy (8/20 µs) (Imax ) 20 kA
Napięciowy poziom ochrony (UP ) ≤ 1,1 kV
Maksymalny bezpiecznik dodatkowy 100 A gG

Product 952085 was added to Notepad.

Product 952085 was added to the cart.

Part No. 952087 DG S 275 VA FM

GTIN 4013364127326, Customs tariff No. (EU): 85363030, Gross weight: 126.70 g, PU: 1.00 szt.

Predecessor

Images

Additional information

Ogranicznik przepięć DEHNguard S275 VA FM
1-biegunowy, modułowy, gotowy do podłączenia ogranicznik przepięć
Szerokość: 1 moduł, Wskaźnik uszkodzenia
z zestykiem zdalnej sygnalizacji
Ogranicznik przepięć typu 2 zgodnie z EN 61643-11
Szeregowe połączenie warystora i iskiernika bez prądu upływu
Największe napięcie trwałej pracy: 275 V AC / 350 V DC
Napięciowy poziom ochrony: <= 1,5 kV
Znamionowy prąd wyładowczy: 10 kA
Wytrzymałość zwarciowa: 25 kArms
Koordynacja energetyczna według DIN EN 62305-4
Ogranicznik przepięć z rodziny Red/Line

Producent: DEHN
Typ: DG S 275 VA FM
Nr kat.: 952087
lub podobny.

Certificates

 

Technical data

Ogranicznik przepięć zgodnie z PN-EN 61643-11 typ 2 / klasa II
Największe napięcie trwałej pracy AC (UC ) 275 V (50 / 60 Hz)
Znamionowy prąd wyładowczy (8/20 µs) (In ) 10 kA
Maksymalny prąd wyładowczy (8/20 µs) (Imax ) 20 kA
Napięciowy poziom ochrony (UP ) ≤ 1,5 kV
Maksymalny bezpiecznik dodatkowy 100 A gG

Product 952087 was added to Notepad.

Product 952087 was added to the cart.

Part No. 952089 DG S 385 VA FM

GTIN 4013364127340, Customs tariff No. (EU): 85363030, Gross weight: 131.70 g, PU: 1.00 szt.


Images

Additional information

Ogranicznik przepięć DEHNguard S 385 VA FM
1-biegunowy, modułowy, gotowy do podłączenia ogranicznik przepięć
Szerokość: 1 moduł, Wskaźnik uszkodzenia
z zestykiem zdalnej sygnalizacji
Ogranicznik przepięć typu 2 zgodnie z EN 61643-11
Szeregowe połączenie warystora i iskiernika bez prądu upływu
Największe napięcie trwałej pracy: 385 V AC / 500 V DC
Napięciowy poziom ochrony: <= 1,75 kV
Znamionowy prąd wyładowczy: 10 kA
Wytrzymałość zwarciowa: 25 kArms
Koordynacja energetyczna według DIN EN 62305-4
Ogranicznik przepięć z rodziny Red/Line

Producent: DEHN
Typ: DG S 385 VA FM
Nr kat.: 952089
lub podobny.

Certificates

 

Technical data

Ogranicznik przepięć zgodnie z PN-EN 61643-11 typ 2 / klasa II
Największe napięcie trwałej pracy AC (UC ) 385 V (50 / 60 Hz)
Znamionowy prąd wyładowczy (8/20 µs) (In ) 10 kA
Maksymalny prąd wyładowczy (8/20 µs) (Imax ) 20 kA
Napięciowy poziom ochrony (UP ) ≤ 1,75 kV
Maksymalny bezpiecznik dodatkowy 100 A gG

Product 952089 was added to Notepad.

Product 952089 was added to the cart.


back to top