DEHNguard YPV SCI ... – kompakt
:quality(98)/www.dehn-international.com/store/f/59218642/HDVORSCHAU/950530a1_16-9.jpg)
:quality(98)/www.dehn-international.com/store/f/59218642/HDVORSCHAU/950530a1_16-9.jpg)
- Gotowa do podłączenia kompletna jednostka do instalacji fotowoltaicznych
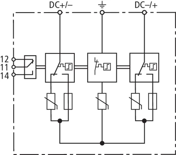
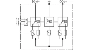
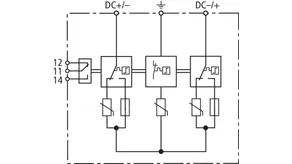
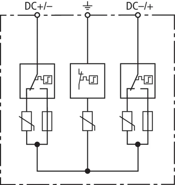
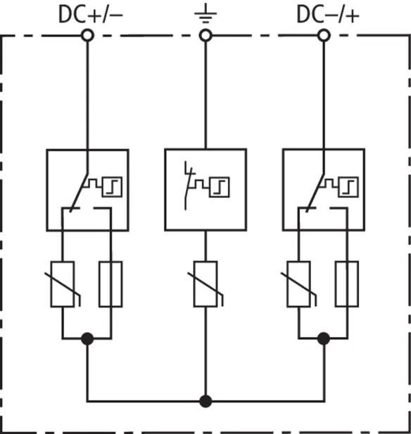
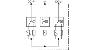
- Kombinowane urządzenie odłączająco-zwierające z niezawodną separacją elektryczną (opatentowany układ SCI)
- Niezawodny, odporny na błędy układ połączeń Y w ogranicznikach DEHNguard YPV SCI … do ochrony ogranicznika przy uszkodzonej izolacji w obwodzie generatora
- Przetestowany zgodnie z EN 61643-31
- Do stosowania w instalacjach fotowoltaicznych zgodnie z normą IEC 60364-7-712
Details
:quality(98)/www.dehn-international.com/store/f/59218643/HDVORSCHAU/952510_Schaltphasen_E.jpg)
:quality(98)/www.dehn-international.com/store/f/59218643/HDVORSCHAU/952510_Schaltphasen_E.jpg)
Part No. 950531 DG YPV SCI 600
GTIN 4013364152953, Customs tariff No. (EU): 85363030, Gross weight: 296.00 g, PU: 1.00 szt.
PredecessorTechnical data
Ogranicznik przepięć według EN 61643-31 / ... IEC 61643-31 | Typ 2 / klasa II |
Maksymalne napięcie PV (UCPV ) | 600 V |
Wytrzymałość zwarciowa (ISCPV ) | 1000 A |
Znamionowy prąd wyładowczy (8/20 µs) [(DC+/DC-) --> PE] (In ) | 12,5 kA |
Maksymalny prąd wyładowczy (8/20 µs) [(DC+/DC-) --> PE] (Imax ) | 25 kA |
Napięciowy poziom ochrony (UP ) | ≤ 2,5 kV |
Certyfikaty | KEMA, UL |
Part No. 950530 DG YPV SCI 1000
GTIN 4013364152960, Customs tariff No. (EU): 85363030, Gross weight: 321.00 g, PU: 1.00 szt.
Technical data
Ogranicznik przepięć według EN 61643-31 / ... IEC 61643-31 | Typ 2 / klasa II |
Maksymalne napięcie PV (UCPV ) | 1000 V |
Wytrzymałość zwarciowa (ISCPV ) | 1000 A |
Znamionowy prąd wyładowczy (8/20 µs) [(DC+/DC-) --> PE] (In ) | 12,5 kA |
Maksymalny prąd wyładowczy (8/20 µs) [(DC+/DC-) --> PE] (Imax ) | 25 kA |
Napięciowy poziom ochrony (UP ) | ≤ 4 kV |
Certyfikaty | KEMA, UL |
Part No. 950536 DG YPV SCI 600 FM
GTIN 4013364154995, Customs tariff No. (EU): 85363030, Gross weight: 306.00 g, PU: 1.00 szt.
PredecessorTechnical data
Ogranicznik przepięć według EN 61643-31 / ... IEC 61643-31 | Typ 2 / klasa II |
Maksymalne napięcie PV (UCPV ) | 600 V |
Wytrzymałość zwarciowa (ISCPV ) | 1000 A |
Znamionowy prąd wyładowczy (8/20 µs) [(DC+/DC-) --> PE] (In ) | 12,5 kA |
Maksymalny prąd wyładowczy (8/20 µs) [(DC+/DC-) --> PE] (Imax ) | 25 kA |
Napięciowy poziom ochrony (UP ) | ≤ 2,5 kV |
Certyfikaty | KEMA, UL |
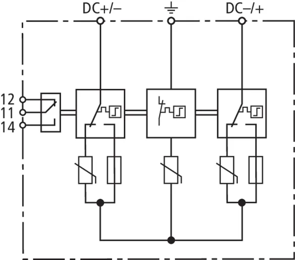
Rodzaj zestyku zdalnej sygnalizacji (FM) | bezpotencjałowy zestyk przełączny |
Part No. 950535 DG YPV SCI 1000 FM
GTIN 4013364154988, Customs tariff No. (EU): 85363030, Gross weight: 331.00 g, PU: 1.00 szt.
Technical data
Ogranicznik przepięć według EN 61643-31 / ... IEC 61643-31 | Typ 2 / klasa II |
Maksymalne napięcie PV (UCPV ) | 1000 V |
Wytrzymałość zwarciowa (ISCPV ) | 1000 A |
Znamionowy prąd wyładowczy (8/20 µs) [(DC+/DC-) --> PE] (In ) | 12,5 kA |
Maksymalny prąd wyładowczy (8/20 µs) [(DC+/DC-) --> PE] (Imax ) | 25 kA |
Napięciowy poziom ochrony (UP ) | ≤ 4 kV |
Certyfikaty | KEMA, UL |
Rodzaj zestyku zdalnej sygnalizacji (FM) | bezpotencjałowy zestyk przełączny |