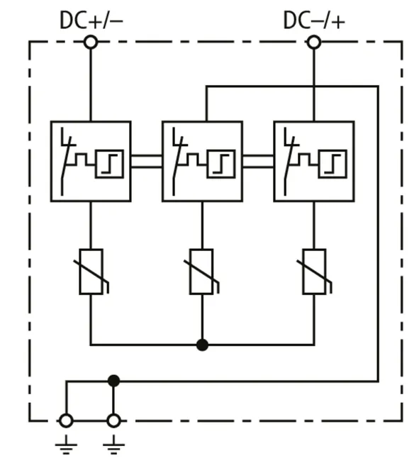
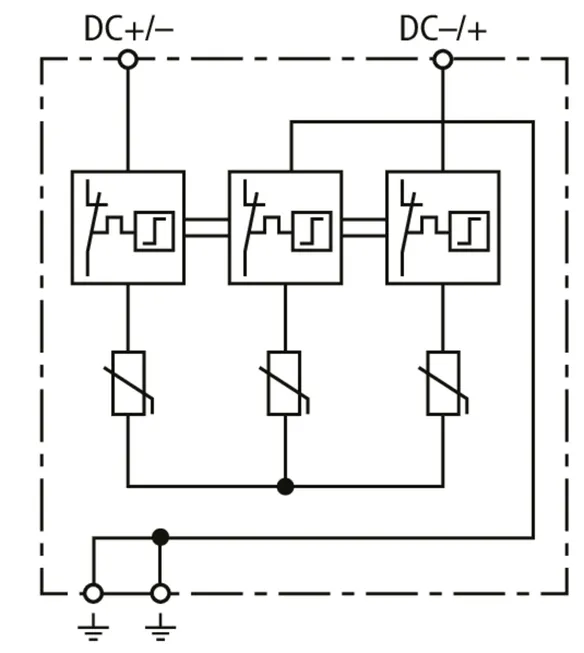
DEHNcombo

  • gotowy do podłączenia kombinowany ogranicznik przepięć typu 1 + typu 2 do obwodu generatora PV
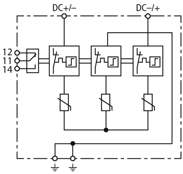
  • niezawodny, odporny na błędy układ połączeń Y do ochrony ogranicznika przy uszkodzonej izolacji w obwodzie generatora
  • identyczne napięcie znamionowe dla wszystkich torów ochronnych, co pozwala na stosowanie również w instalacjach uziemionych
  • kompaktowa, umożliwiająca oszczędność miejsca konstrukcja o szerokości tylko 4 modułów do instalacji do 1500 V DC
  • spełnia wymagania norm IEC 61643-31 / EN 61643-31 / EN 50539-11
  • do stosowania w instalacjach fotowoltaicznych zgodnie z normą IEC 60364-7-712 / DIN VDE 0100-712
  • wskaźnik działania / uszkodzenia w postaci zielonego / czerwonego znacznika w okienku kontrolnym

DEHNcombo YPV ...

Ogranicznik przepięć do instalacji fotowoltaicznych do 1500 V DC.

2 Products

Part No. 900070 DCB YPV 1200

GTIN 6942299504521, Customs tariff No. (EU): 85354000, Gross weight: 639.16 g, PU: 1.00 szt.

Predecessor

Images

Additional information

Kombinowany ogranicznik przepięć DEHNcombo YPV 1200
Wielobiegunowy kombinowany ogranicznik przepięć typu 1 + typu 2
do obwodu generatora PV do 1200 V DC
z 3-stopniowym wyłącznikiem DC, szerokość 4 moduły
Ogranicznik przepięć typu 1 + typu 2 zgodnie z EN 50539-11
Do stosowania w oparciu o zapisy IEC 60364-7-712
Kombinowane urządzenie odłączająco-zwierające
Wskaźnik uszkodzenia
Maksymalne napięcie PV: <= 1200 V DC
Całkowity prąd wyładowczy: 12,5 kA
Napięciowy poziom ochrony: <= 3,8 kV
Wytrzymałość zwarciowa Iscpv: 10 kA

Producent: DEHN
Typ: DCB YPV 1200
Nr kat.: 900070
lub podobny.

Certificates

 

SCI-Technology

The patented SCI technology with active arc extinction allows to actively, quickly and safely extinguish a possible switching arc in case of overload. The PV fuse integrated in the short-circuit path trips immediately after the arc has been extinguished, thus ensuring safe electrical isolation (interruption). Consequently, all PV arresters from DEHN combine surge protection, fire protection and personal protection in a single device

Technical data

Ogranicznik przepięć zgodnie z EN 61643-31 / ... IEC 61643-31 typ 1 + typ 2 / klasa I + klasa II
Największe napięcie PV [DC+ -> DC-] (UCPV ) ≤ 1200 V
Wytrzymałość zwarciowa (ISCPV ) 10 kA
Całkowity prąd udarowy (10/350 µs) [DC+/DC- -> PE] (Itotal ) 12,5 kA
Prąd udarowy (10/350 µs) [DC+ -> PE/DC- -> PE] (Iimp ) 6,25 kA
Napięciowy poziom ochrony [(DC+/DC-) -> PE] (UP ) < 3,8 kV
Certyfikaty KEMA, UL

Product 900070 was added to Notepad.

Product 900070 was added to the cart.

Part No. 900071 DCB YPV 1500

GTIN 6942299504545, Customs tariff No. (EU): 85354000, Gross weight: 636.22 g, PU: 1.00 szt.

Predecessor

Images

Additional information

Kombinowany ogranicznik przepięć DEHNcombo YPV 1500
Wielobiegunowy kombinowany ogranicznik przepięć typu 1 + typu 2
do obwodu generatora PV do 1500 V DC
z 3-stopniowym wyłącznikiem DC, szerokość 4 moduły
Ogranicznik przepięć typu 1 + typu 2 zgodnie z EN 50539-11
Do stosowania w oparciu o zapisy IEC 60364-7-712
Kombinowane urządzenie odłączająco-zwierające
Wskaźnik uszkodzenia
Maksymalne napięcie PV: <= 1500 V DC
Całkowity prąd wyładowczy: 12,5 kA
Napięciowy poziom ochrony: <= 4,5 kV
Wytrzymałość zwarciowa Iscpv: 10 kA

Producent: DEHN
Typ: DCB YPV 1500
Nr kat.: 900071
lub podobny.

Certificates

 

SCI-Technology

The patented SCI technology with active arc extinction allows to actively, quickly and safely extinguish a possible switching arc in case of overload. The PV fuse integrated in the short-circuit path trips immediately after the arc has been extinguished, thus ensuring safe electrical isolation (interruption). Consequently, all PV arresters from DEHN combine surge protection, fire protection and personal protection in a single device

Technical data

Ogranicznik przepięć zgodnie z EN 61643-31 / ... IEC 61643-31 typ 1 + typ 2 / klasa I + klasa II
Największe napięcie PV [DC+ -> DC-] (UCPV ) ≤ 1500 V
Wytrzymałość zwarciowa (ISCPV ) 10 kA
Całkowity prąd udarowy (10/350 µs) [DC+/DC- -> PE] (Itotal ) 12,5 kA
Prąd udarowy (10/350 µs) [DC+ -> PE/DC- -> PE] (Iimp ) 6,25 kA
Napięciowy poziom ochrony [(DC+/DC-) -> PE] (UP ) < 4,5 kV
Certyfikaty KEMA, UL

Product 900071 was added to Notepad.

Product 900071 was added to the cart.


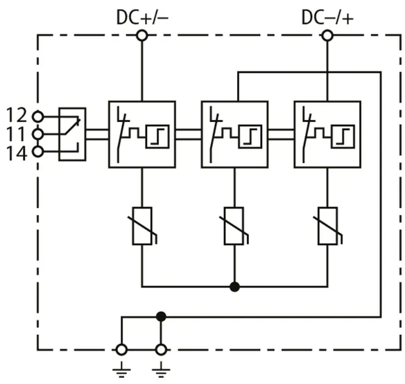
DEHNcombo YPV ... FM

Ogranicznik przepięć do instalacji fotowoltaicznych do 1500 V DC; ze zdalną sygnalizacją stanu (bezpotencjałowy zestyk przełączny).

2 Products

Part No. 900075 DCB YPV 1200 FM

GTIN 6942299504538, Customs tariff No. (EU): 85354000, Gross weight: 587.94 g, PU: 1.00 szt.

Predecessor

Images

Additional information

Kombinowany ogranicznik przepięć DEHNcombo YPV 1200 FM
Wielobiegunowy kombinowany ogranicznik przepięć typu 1 + typu 2
do obwodu generatora PV do 1200 V DC
z 3-stopniowym wyłącznikiem DC, szerokość 4 moduły
Ogranicznik przepięć typu 1 + typu 2 zgodnie z EN 50539-11
Do stosowania w oparciu o zapisy IEC 60364-7-712
Kombinowane urządzenie odłączająco-zwierające
z zestykiem zdalnej sygnalizacji
Wskaźnik uszkodzenia
Maksymalne napięcie PV: <= 1200 V DC
Całkowity prąd wyładowczy: 12,5 kA
Napięciowy poziom ochrony: <= 3,8 kV
Wytrzymałość zwarciowa Iscpv: 10 kA

Producent: DEHN
Typ: DCB YPV 1200 FM
Nr kat.: 900075
lub podobny.

Certificates

 

SCI-Technology

The patented SCI technology with active arc extinction allows to actively, quickly and safely extinguish a possible switching arc in case of overload. The PV fuse integrated in the short-circuit path trips immediately after the arc has been extinguished, thus ensuring safe electrical isolation (interruption). Consequently, all PV arresters from DEHN combine surge protection, fire protection and personal protection in a single device

Technical data

Ogranicznik przepięć zgodnie z EN 61643-31 / ... IEC 61643-31 typ 1 + typ 2 / klasa I + klasa II
Największe napięcie PV [DC+ -> DC-] (UCPV ) ≤ 1200 V
Wytrzymałość zwarciowa (ISCPV ) 10 kA
Całkowity prąd udarowy (10/350 µs) [DC+/DC- -> PE] (Itotal ) 12,5 kA
Prąd udarowy (10/350 µs) [DC+ -> PE/DC- -> PE] (Iimp ) 6,25 kA
Napięciowy poziom ochrony [(DC+/DC-) -> PE] (UP ) < 3,8 kV
Certyfikaty KEMA, UL
Rodzaj zestyku zdalnej sygnalizacji (FM) bezpotencjałowy zestyk przełączny

Product 900075 was added to Notepad.

Product 900075 was added to the cart.

Part No. 900076 DCB YPV 1500 FM

GTIN 6942299504552, Customs tariff No. (EU): 85354000, Gross weight: 638.51 g, PU: 1.00 szt.

Predecessor

Images

Additional information

Kombinowany ogranicznik przepięć DEHNcombo YPV 1500 FM
Wielobiegunowy kombinowany ogranicznik przepięć typu 1 + typu 2
do obwodu generatora PV do 1500 V DC
z 3-stopniowym wyłącznikiem DC, szerokość 4 moduły
Ogranicznik przepięć typu 1 + typu 2 zgodnie z EN 50539-11
Do stosowania w oparciu o zapisy IEC 60364-7-712
Kombinowane urządzenie odłączająco-zwierające
z zestykiem zdalnej sygnalizacji
Wskaźnik uszkodzenia
Maksymalne napięcie PV: <= 1500 V DC
Całkowity prąd wyładowczy: 12,5 kA
Napięciowy poziom ochrony: <= 4,5 kV
Wytrzymałość zwarciowa Iscpv: 10 kA

Producent: DEHN
Typ: DCB YPV 1500 FM
Nr kat.: 900076
lub podobny.

Certificates

 

SCI-Technology

The patented SCI technology with active arc extinction allows to actively, quickly and safely extinguish a possible switching arc in case of overload. The PV fuse integrated in the short-circuit path trips immediately after the arc has been extinguished, thus ensuring safe electrical isolation (interruption). Consequently, all PV arresters from DEHN combine surge protection, fire protection and personal protection in a single device

Technical data

Ogranicznik przepięć zgodnie z EN 61643-31 / ... IEC 61643-31 typ 1 + typ 2 / klasa I + klasa II
Największe napięcie PV [DC+ -> DC-] (UCPV ) ≤ 1500 V
Wytrzymałość zwarciowa (ISCPV ) 10 kA
Całkowity prąd udarowy (10/350 µs) [DC+/DC- -> PE] (Itotal ) 12,5 kA
Prąd udarowy (10/350 µs) [DC+ -> PE/DC- -> PE] (Iimp ) 6,25 kA
Napięciowy poziom ochrony [(DC+/DC-) -> PE] (UP ) < 4,5 kV
Certyfikaty KEMA, UL
Rodzaj zestyku zdalnej sygnalizacji (FM) bezpotencjałowy zestyk przełączny

Product 900076 was added to Notepad.

Product 900076 was added to the cart.


back to top