DEHNvenCI

  • kombinowany ogranicznik przepięć typu 1 na bazie iskierników z wbudowanym bezpiecznikiem
  • koordynacja energetyczna z innymi ogranicznikami z serii Red/Line
  • niski poziom napięciowy ochrony UP ≤ 1,5 kV (z uwzględnieniem bezpiecznika)
  • najwyższa niezawodność instalacji dzięki technologii ograniczania prądów następczych RADAX Flow
  • gaszenie prądów następczych do 100 kArms
  • wysoka zdolność odprowadzania prądów udarowych do 25 kA (10/350 µs)
  • zapewnia ochronę urządzeń końcowych
  • optyczna sygnalizacja stanu w oknie kontrolnym (wskaźnik zielony / czerwony)

DEHNvenCI 255 (FM)

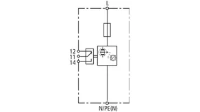
Jednobiegunowy kombinowany ogranicznik przepięć z wbudowanym bezpiecznikiem do sieci o napięciu znamionowym 230/400 V; wersja FM ze zdalną sygnalizacją stanu (bezpotencjałowy zestyk przełączny).

2 Products

Part No. 961200 DVCI 1 255

GTIN 4013364145108, Customs tariff No. (EU): 85363090, Gross weight: 477.30 g, PU: 1.00 szt.


Images

Additional information

Kombinowany ogranicznik przepięć DEHNvenCI 255
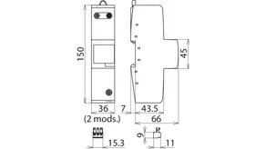
1-biegunowy ogranicznik kombinowany z wbudowanym
bezpiecznikiem, szerokość 2 moduły
Ogranicznik przepięć typu 1 + typu 2 zgodnie z EN 61643-11
Technika iskiernikowa RADAX-Flow
do ograniczenia prądów następczych
Umożliwia ochronę urządzenia końcowego
Wskaźnik uszkodzenia ograniczników przepięć i wbudowany bezpiecznik
Największe napięcie trwałej pracy: 255 V AC
Napięciowy poziom ochrony: <= 1,5 kV
Prąd udarowy pioruna (10/350): 25 kA
Zdolność gaszenia prądu następczego: do 100 kArms.
Koordynacja energetyczna według DIN EN 62305-4
Ogranicznik przepięć z rodziny Red/Line, a także bezpośrednio do urządzenia końcowego

Producent: DEHN
Typ: DVCI 1 255
Nr kat.: 961200
lub podobny.

Certificates

 

Circuit Interruption

The backup fuse is already integrated here. This means: reduced space requirement, lower installation costs, faster wiring, and shorter connecting cables. This concept can be found in the product ranges DEHNvenCI, DEHNbloc Maxi S, DEHNguard ... CI and V(A) NH...

Wave breaker function

In the case of spark-gap-based type 1 arresters, the entire current flows through the type 1 arrester during the discharge process. Like a wave breaker, the incoming energy is greatly broken down, which significantly relieves the downstream SPDs. All type 1 arresters in the Red/Line product range feature the WBF wave breaker function.

Technical data

Ogranicznik przepięć zgodnie z PN-EN 61643-11 typ 1 + typ 2 / klasa I + klasa II
Największe napięcie trwałej pracy AC (UC ) 255 V (50 / 60 Hz)
Prąd udarowy (10/350 µs) (Iimp ) 25 kA
Napięciowy poziom ochrony (UP ) ≤ 1,5 kV
Maksymalny bezpiecznik dodatkowy dodatkowe dobezpieczenie
Certyfikaty KEMA
Rozszerzone dane techniczne: do stosowania w rozdzielnicach o spodziewanym prądzie zwarciowym > 50 kArms (zbadane przez niemieckie stowarzyszenie VDE)
– Maksymalny przewidywany prąd zwarciowy 100 kArms (220 kApeak)

Product 961200 was added to Notepad.

Product 961200 was added to the cart.

Part No. 961205 DVCI 1 255 FM

GTIN 4013364145115, Customs tariff No. (EU): 85363090, Gross weight: 480.80 g, PU: 1.00 szt.


Images

Additional information

Kombinowany ogranicznik przepięć DEHNvenCI 255 FM
1-biegunowy ogranicznik kombinowany z wbudowanym
Bezpiecznik dodatkowy, szerokość 2 moduły
z zestykiem zdalnej sygnalizacji
Ogranicznik przepięć typu 1 + typu 2 zgodnie z EN 61643-11
Technika iskiernikowa RADAX-Flow
do ograniczenia prądów następczych
Umożliwia ochronę urządzenia końcowego
Wskaźnik uszkodzenia i zdalna sygnalizacja stanu ogranicznika przepięć oraz wbudowany bezpiecznik
Największe napięcie trwałej pracy: 255 V AC
Napięciowy poziom ochrony: <= 1,5 kV
Prąd udarowy pioruna (10/350): 25 kA
Zdolność gaszenia prądu następczego: do 100 kArms.
Koordynacja energetyczna według
DIN EN 62305-4
Ogranicznik przepięć z rodziny Red/Line, a także bezpośrednio do urządzenia końcowego

Producent: DEHN
Typ: DVCI 1 255 FM
Nr kat.: 961205
lub podobny.

Certificates

 

Circuit Interruption

The backup fuse is already integrated here. This means: reduced space requirement, lower installation costs, faster wiring, and shorter connecting cables. This concept can be found in the product ranges DEHNvenCI, DEHNbloc Maxi S, DEHNguard ... CI and V(A) NH...

Wave breaker function

In the case of spark-gap-based type 1 arresters, the entire current flows through the type 1 arrester during the discharge process. Like a wave breaker, the incoming energy is greatly broken down, which significantly relieves the downstream SPDs. All type 1 arresters in the Red/Line product range feature the WBF wave breaker function.

Technical data

Ogranicznik przepięć zgodnie z PN-EN 61643-11 typ 1 + typ 2 / klasa I + klasa II
Największe napięcie trwałej pracy AC (UC ) 255 V (50 / 60 Hz)
Prąd udarowy (10/350 µs) (Iimp ) 25 kA
Napięciowy poziom ochrony (UP ) ≤ 1,5 kV
Maksymalny bezpiecznik dodatkowy dodatkowe dobezpieczenie
Certyfikaty KEMA
Rodzaj zestyku zdalnej sygnalizacji (FM) bezpotencjałowy zestyk przełączny
Rozszerzone dane techniczne: do stosowania w rozdzielnicach o spodziewanym prądzie zwarciowym > 50 kArms (zbadane przez niemieckie stowarzyszenie VDE)
– Maksymalny przewidywany prąd zwarciowy 100 kArms (220 kApeak)

Product 961205 was added to Notepad.

Product 961205 was added to the cart.


back to top