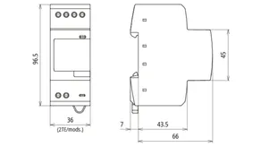
SPD+POP+MCB / POP+MCB / POP

  • kompleksowa ochrona przed przepięciami przejściowymi i przepięciami o częstotliwości sieciowej (SPD+POP)
  • spełnia wymagania normy PN-EN 50550 dla urządzeń zabezpieczających przed przepięciami o częstotliwości sieciowej
  • kompletna, gotowa do podłączenia jednostka, poszczególne urządzenia wchodzące w jej skład nie wymagają okablowania
  • łatwy montaż i modernizacja dzięki niewielkim rozmiarom urządzenia
  • wysoka niezawodność dzięki urządzeniu kontrolno-odłączającemu ”Thermo Dynamic Control”
  • zaoptymalizowana pod kątem zastosowania wytrzymałość udarowa 5 kA (In) / 15 kA (Imax) (8/20 µs) na biegun
  • koordynacja energetyczna z innymi ogranicznikami z serii Red/Line
  • optyczna sygnalizacja stanu w oknie kontrolnym (wskaźnik zielony / czerwony)

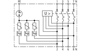
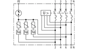
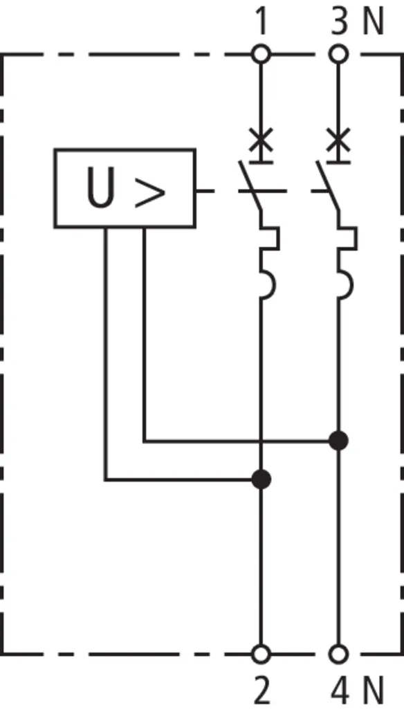
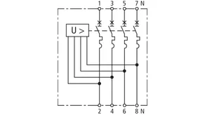
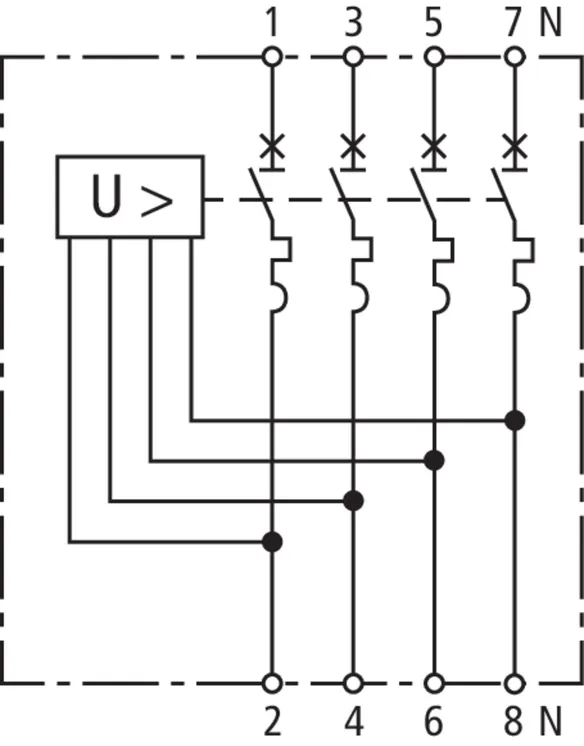
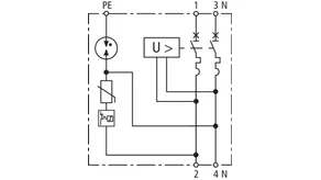
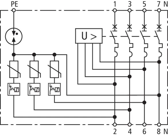
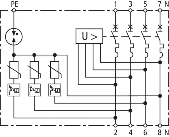
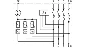
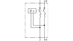
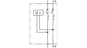
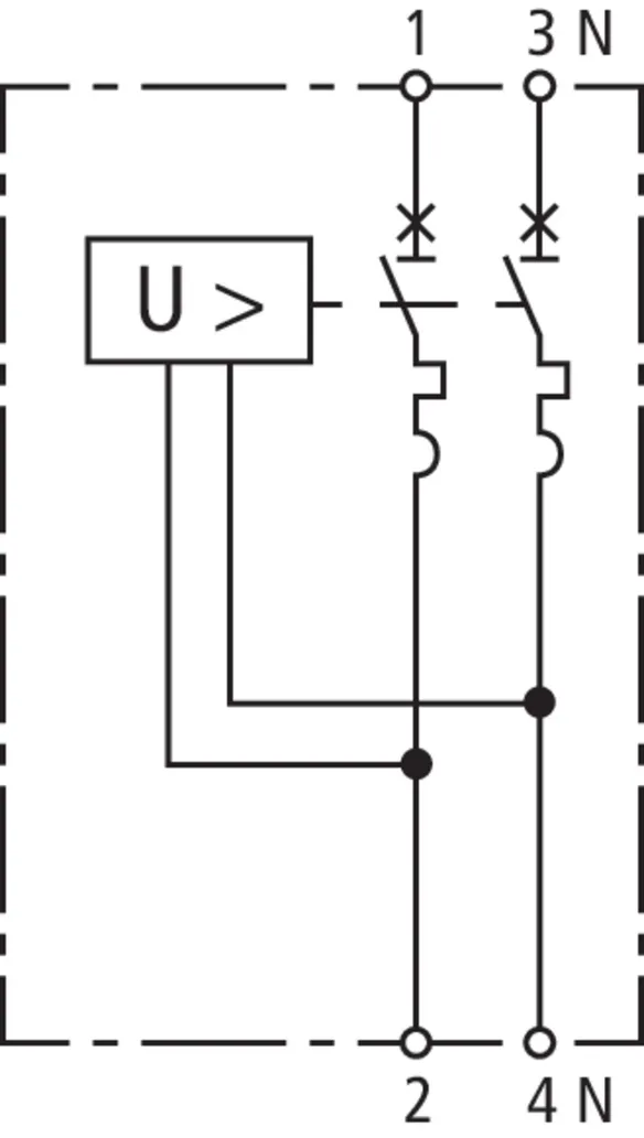
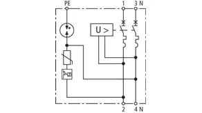
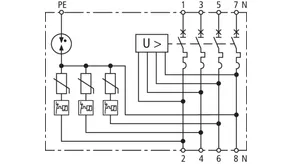
Dwubiegunowy SPD+POP+MCB

3 Products

Part No. 900780 SPD+POP 2 255 C25

GTIN 4013364156203, Customs tariff No. (EU): 85363030, Gross weight: 404.00 g, PU: 1.00 szt.


Images

Additional information

Ogranicznik przepięć SPD+POP 2 255 C25
Kompaktowy ogranicznik przepięć do przepięć przejściowych i
przepięć o częstotliwości sieciowej z wbudowanym
wyłącznikiem nadmiarowo-prądowym
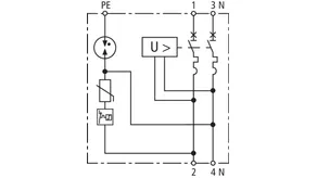
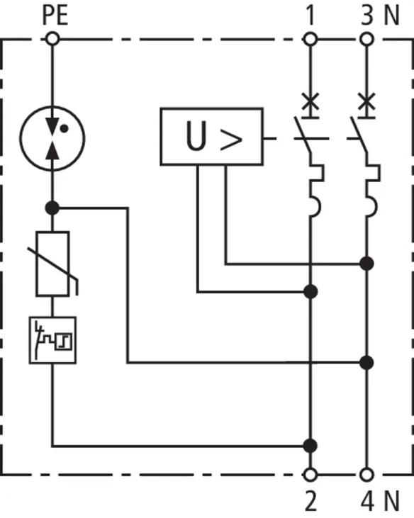
Ogranicznik przepięć typu 2 zgodnie z EN 61643-11, POP zgodnie z EN 50550
Kompleksowa ochrona przed przepięciami przejściowymi i przepięciami o częstotliwości
sieciowej
Kompletna, gotowa do podłączenia jednostka, poszczególne urządzenia wchodzące w jej skład nie wymagają
okablowania
Liczba biegunów 1P + N
Charakterystyka wyzwalania / prąd znamionowy MCB C 25 A
Największe napięcie trwałej pracy: 275 V AC
Napięciowy poziom ochrony: <= 1,5 kV
Znamionowy prąd wyładowczy: 5 kA / 20 kA
Koordynacja energetyczna według
DIN EN 62305-4 (VDE 0185-305-4) z ogranicznikami przepięć typu 1
i typu 3 z rodziny Red/Line
Monitoring SPD: Kontrola termodynamiczna
Wskaźnik działania / uszkodzenia
Urządzenie montowane na szynie zgodnie z DIN 43880, 4 moduły

Producent: DEHN
Typ: SPD+POP 2 255 C25
Nr kat.: 900780
lub podobny.

Certificates

 

Technical data

SPD+POP+MCB
Liczba biegunów 1P + N
Napięcie znamionowe AC (UN ) 230 V
SPD
Znamionowy prąd wyładowczy (8/20 µs) [L-N] (In ) 5 kA
POP
Maksymalne napięcie niewyłączające AC 255 V
Maksymalne napięcie wyłączające AC 415 V
MCB
Charakterystyka wyzwalania C
Prąd znamionowy AC (IL ) 25 A

Product 900780 was added to Notepad.

Product 900780 was added to the cart.

Part No. 900781 SPD+POP 2 255 C32

GTIN 4013364156210, Customs tariff No. (EU): 85363030, Gross weight: 425.00 g, PU: 1.00 szt.


Images

Additional information

Ogranicznik przepięć SPD+POP 2 255 C32
Kompaktowy ogranicznik przepięć do przepięć przejściowych i
przepięć o częstotliwości sieciowej z wbudowanym wyłącznikiem nadmiarowo-prądowym
Ogranicznik przepięć typu 2 zgodnie z EN 61643-11, POP zgodnie z EN 50550
Kompleksowa ochrona przed przepięciami przejściowymi i przepięciami o częstotliwości
sieciowej
Kompletna, gotowa do podłączenia jednostka, poszczególne urządzenia wchodzące w jej skład nie wymagają
okablowania
Liczba biegunów 1P + N
Charakterystyka wyzwalania / prąd znamionowy MCB C 32 A
Największe napięcie trwałej pracy: 275 V AC
Napięciowy poziom ochrony: <= 1,5 kV
Znamionowy prąd wyładowczy: 5 kA / 20 kA
Koordynacja energetyczna według
DIN EN 62305-4 (VDE 0185-305-4) z ogranicznikami przepięć typu 1
i typu 3 z rodziny Red/Line
Monitoring SPD: Kontrola termodynamiczna
Wskaźnik działania / uszkodzenia
Urządzenie montowane na szynie zgodnie z DIN 43880, 4 moduły

Producent: DEHN
Typ: SPD+POP 2 255 C32
Nr kat.: 900781
lub podobny.

Certificates

 

Technical data

SPD+POP+MCB
Liczba biegunów 1P + N
Napięcie znamionowe AC (UN ) 230 V
SPD
Znamionowy prąd wyładowczy (8/20 µs) [L-N] (In ) 5 kA
POP
Maksymalne napięcie niewyłączające AC 255 V
Maksymalne napięcie wyłączające AC 415 V
MCB
Charakterystyka wyzwalania C
Prąd znamionowy AC (IL ) 32 A

Product 900781 was added to Notepad.

Product 900781 was added to the cart.

Part No. 900782 SPD+POP 2 255 C40

GTIN 4013364156227, Customs tariff No. (EU): 85363030, Gross weight: 424.00 g, PU: 1.00 szt.


Images

Additional information

Ogranicznik przepięć SPD+POP 2 255 C40
Kompaktowy ogranicznik przepięć do przepięć przejściowych i
przepięć o częstotliwości sieciowej z wbudowanym
wyłącznikiem nadmiarowo-prądowym
Ogranicznik przepięć typu 2 zgodnie z EN 61643-11, POP zgodnie z EN 50550
Kompleksowa ochrona przed przepięciami przejściowymi i przepięciami o częstotliwości
sieciowej
Kompletna, gotowa do podłączenia jednostka, poszczególne urządzenia wchodzące w jej skład nie wymagają
okablowania
Liczba biegunów 1P + N
Charakterystyka wyzwalania / prąd znamionowy MCB C 40 A
Największe napięcie trwałej pracy: 275 V AC
Napięciowy poziom ochrony: <= 1,5 kV
Znamionowy prąd wyładowczy: 5 kA / 20 kA
Koordynacja energetyczna według
DIN EN 62305-4 (VDE 0185-305-4) z ogranicznikami przepięć typu 1
i typu 3 z rodziny Red/Line
Monitoring SPD: Kontrola termodynamiczna
Wskaźnik działania / uszkodzenia
Urządzenie montowane na szynie zgodnie z DIN 43880, 4 moduły

Producent: DEHN
Typ: SPD+POP 2 255 C40
Nr kat.: 900782
lub podobny.

Certificates

 

Technical data

SPD+POP+MCB
Liczba biegunów 1P + N
Napięcie znamionowe AC (UN ) 230 V
SPD
Znamionowy prąd wyładowczy (8/20 µs) [L-N] (In ) 5 kA
POP
Maksymalne napięcie niewyłączające AC 255 V
Maksymalne napięcie wyłączające AC 415 V
MCB
Charakterystyka wyzwalania C
Prąd znamionowy AC (IL ) 40 A

Product 900782 was added to Notepad.

Product 900782 was added to the cart.


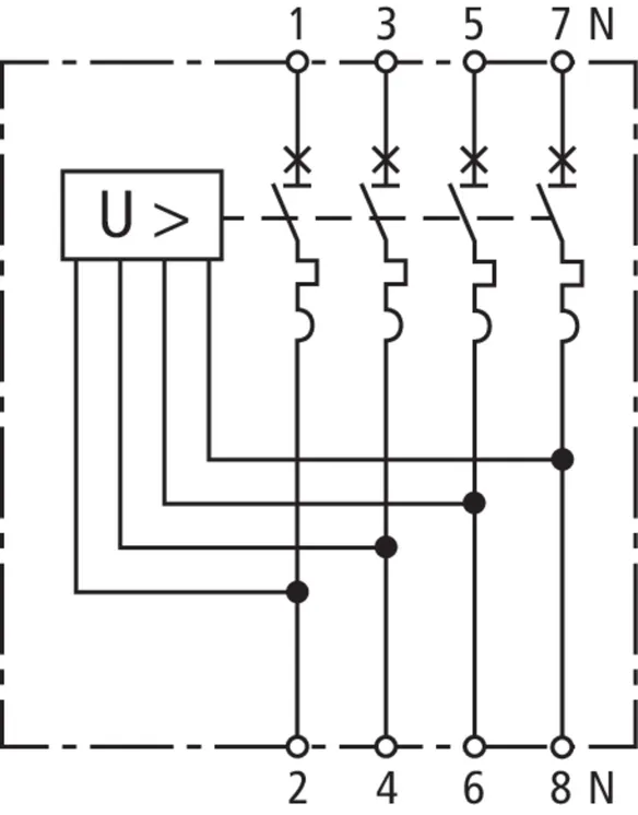
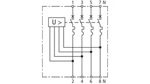
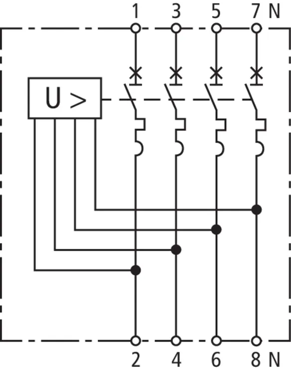
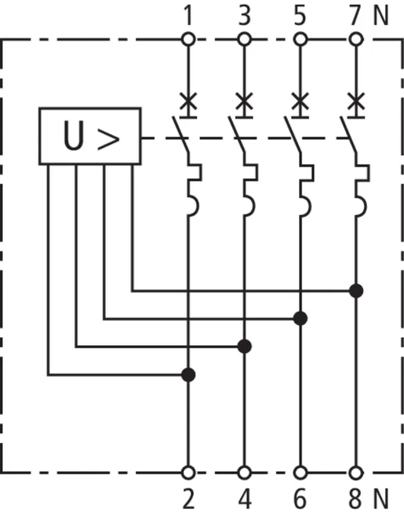
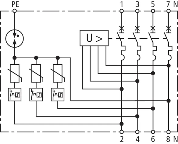
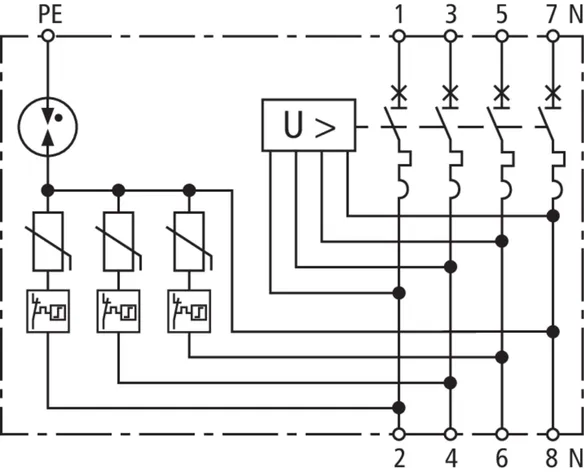
Czterobiegunowy SPD+POP+MCB

4 Products

Part No. 900785 SPD+POP 4 255 C25

GTIN 4013364156234, Customs tariff No. (EU): 85363030, Gross weight: 730.00 g, PU: 1.00 szt.


Images

Additional information

Ogranicznik przepięć SPD+POP 4 255 C25
Kompaktowy ogranicznik przepięć do przepięć przejściowych i
przepięć o częstotliwości sieciowej z wbudowanym
wyłącznikiem nadmiarowo-prądowym
Ogranicznik przepięć typu 2 zgodnie z EN 61643-11, POP zgodnie z EN 50550
Kompleksowa ochrona przed przepięciami przejściowymi i przepięciami o częstotliwości
sieciowej
Kompletna, gotowa do podłączenia jednostka, poszczególne urządzenia wchodzące w jej skład nie wymagają
okablowania
Liczba biegunów 3P + N
Charakterystyka wyzwalania / prąd znamionowy MCB C 25 A
Największe napięcie trwałej pracy: 275 V AC
Napięciowy poziom ochrony: <= 1,5 kV
Znamionowy prąd wyładowczy: 5 kA / 20 kA
Koordynacja energetyczna według
DIN EN 62305-4 (VDE 0185-305-4) z ogranicznikami przepięć typu 1
i typu 3 z rodziny Red/Line
Monitoring SPD: Kontrola termodynamiczna
Wskaźnik działania / uszkodzenia
Urządzenie montowane na szynie zgodnie z DIN 43880, 7 modułów

Producent: DEHN
Typ: SPD+POP 4 255 C25
Nr kat.: 900785
lub podobny.

Certificates

 

Technical data

SPD+POP+MCB
Liczba biegunów 3P + N
Napięcie znamionowe AC (UN ) 230 / 400 V
SPD
Znamionowy prąd wyładowczy (8/20 µs) [L-N] (In ) 5 kA
POP
Maksymalne napięcie niewyłączające AC 255 V
Maksymalne napięcie wyłączające AC 415 V
MCB
Charakterystyka wyzwalania C
Prąd znamionowy AC (IL ) 25 A

Product 900785 was added to Notepad.

Product 900785 was added to the cart.

Part No. 900786 SPD+POP 4 255 C32

GTIN 4013364156241, Customs tariff No. (EU): 85363030, Gross weight: 763.00 g, PU: 1.00 szt.


Images

Additional information

Ogranicznik przepięć SPD+POP 4 255 C32
Kompaktowy ogranicznik przepięć do przepięć przejściowych i
przepięć o częstotliwości sieciowej z wbudowanym
wyłącznikiem nadmiarowo-prądowym
Ogranicznik przepięć typu 2 zgodnie z EN 61643-11, POP zgodnie z EN 50550
Kompleksowa ochrona przed przepięciami przejściowymi i przepięciami o częstotliwości
sieciowej
Kompletna, gotowa do podłączenia jednostka, poszczególne urządzenia wchodzące w jej skład nie wymagają
okablowania
Liczba biegunów 3P + N
Charakterystyka wyzwalania / prąd znamionowy MCB C 32 A
Największe napięcie trwałej pracy: 275 V AC
Napięciowy poziom ochrony: <= 1,5 kV
Znamionowy prąd wyładowczy: 5 kA / 20 kA
Koordynacja energetyczna według
DIN EN 62305-4 (VDE 0185-305-4) z ogranicznikami przepięć typu 1
i typu 3 z rodziny Red/Line
Monitoring SPD: Kontrola termodynamiczna
Wskaźnik działania / uszkodzenia
Urządzenie montowane na szynie zgodnie z DIN 43880, 7 modułów

Producent: DEHN
Typ: SPD+POP 4 255 C32
Nr kat.: 900786
lub podobny.

Certificates

 

Technical data

SPD+POP+MCB
Liczba biegunów 3P + N
Napięcie znamionowe AC (UN ) 230 / 400 V
SPD
Znamionowy prąd wyładowczy (8/20 µs) [L-N] (In ) 5 kA
POP
Maksymalne napięcie niewyłączające AC 255 V
Maksymalne napięcie wyłączające AC 415 V
MCB
Charakterystyka wyzwalania C
Prąd znamionowy AC (IL ) 32 A

Product 900786 was added to Notepad.

Product 900786 was added to the cart.

Part No. 900787 SPD+POP 4 255 C40

GTIN 4013364156258, Customs tariff No. (EU): 85363030, Gross weight: 769.00 g, PU: 1.00 szt.


Images

Additional information

Ogranicznik przepięć SPD+POP 4 255 C40
Kompaktowy ogranicznik przepięć do przepięć przejściowych i
przepięć o częstotliwości sieciowej z wbudowanym
wyłącznikiem nadmiarowo-prądowym
Ogranicznik przepięć typu 2 zgodnie z EN 61643-11, POP zgodnie z EN 50550
Kompleksowa ochrona przed przepięciami przejściowymi i przepięciami o częstotliwości
sieciowej
Kompletna, gotowa do podłączenia jednostka, poszczególne urządzenia wchodzące w jej skład nie wymagają
okablowania
Liczba biegunów 3P + N
Charakterystyka wyzwalania / prąd znamionowy MCB C 40 A
Największe napięcie trwałej pracy: 275 V AC
Napięciowy poziom ochrony: <= 1,5 kV
Znamionowy prąd wyładowczy: 5 kA / 20 kA
Koordynacja energetyczna według
DIN EN 62305-4 (VDE 0185-305-4) z ogranicznikami przepięć typu 1
i typu 3 z rodziny Red/Line
Monitoring SPD: Kontrola termodynamiczna
Wskaźnik działania / uszkodzenia
Urządzenie montowane na szynie zgodnie z DIN 43880, 7 modułów

Producent: DEHN
Typ: SPD+POP 4 255 C40
Nr kat.: 900787
lub podobny.

Certificates

 

Technical data

SPD+POP+MCB
Liczba biegunów 3P + N
Napięcie znamionowe AC (UN ) 230 / 400 V
SPD
Znamionowy prąd wyładowczy (8/20 µs) [L-N] (In ) 5 kA
POP
Maksymalne napięcie niewyłączające AC 255 V
Maksymalne napięcie wyłączające AC 415 V
MCB
Charakterystyka wyzwalania C
Prąd znamionowy AC (IL ) 40 A

Product 900787 was added to Notepad.

Product 900787 was added to the cart.

Part No. 900788 SPD+POP 4 255 C63

GTIN 4013364156265, Customs tariff No. (EU): 85363030, Gross weight: 773.00 g, PU: 1.00 szt.


Images

Additional information

Ogranicznik przepięć SPD+POP 4 255 C63
Kompaktowy ogranicznik przepięć do przepięć przejściowych i
przepięć o częstotliwości sieciowej z wbudowanym
wyłącznikiem nadmiarowo-prądowym
Ogranicznik przepięć typu 2 zgodnie z EN 61643-11, POP zgodnie z EN 50550
Kompleksowa ochrona przed przepięciami przejściowymi i przepięciami o częstotliwości
sieciowej
Kompletna, gotowa do podłączenia jednostka, poszczególne urządzenia wchodzące w jej skład nie wymagają
okablowania
Liczba biegunów 3P + N
Charakterystyka wyzwalania / prąd znamionowy MCB C 63 A
Największe napięcie trwałej pracy: 275 V AC
Napięciowy poziom ochrony: <= 1,5 kV
Znamionowy prąd wyładowczy: 5 kA / 20 kA
Koordynacja energetyczna według
DIN EN 62305-4 (VDE 0185-305-4) z ogranicznikami przepięć typu 1
i typu 3 z rodziny Red/Line
Monitoring SPD: Kontrola termodynamiczna
Wskaźnik działania / uszkodzenia
Urządzenie montowane na szynie zgodnie z DIN 43880, 7 modułów

Producent: DEHN
Typ: SPD+POP 4 255 C63
Nr kat.: 900788
lub podobny.

Certificates

 

Technical data

SPD+POP+MCB
Liczba biegunów 3P + N
Napięcie znamionowe AC (UN ) 230 / 400 V
SPD
Znamionowy prąd wyładowczy (8/20 µs) [L-N] (In ) 5 kA
POP
Maksymalne napięcie niewyłączające AC 255 V
Maksymalne napięcie wyłączające AC 415 V
MCB
Charakterystyka wyzwalania C
Prąd znamionowy AC (IL ) 63 A

Product 900788 was added to Notepad.

Product 900788 was added to the cart.


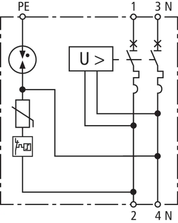
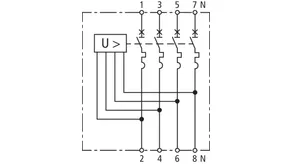
Dwubiegunowy POP+MCB

3 Products

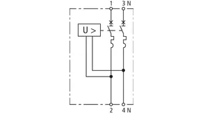
Part No. 900760 POP 2 255 C25

GTIN 4013364156135, Customs tariff No. (EU): 85363030, Gross weight: 297.00 g, PU: 1.00 szt.


Images

Additional information

Urządzenie ochronne POP 2 255 C25
Urządzenie ochronne do przepięć o częstotliwości sieciowej z
wbudowanym wyłącznikiem nadmiarowo-prądowym
POP zgodnie z EN 50550
Kompletna, gotowa do podłączenia jednostka, poszczególne urządzenia wchodzące w jej skład nie wymagają
okablowania
Liczba biegunów 1P + N
Charakterystyka wyzwalania / prąd znamionowy MCB C 25 A
Znamionowa zdolność wyłączania zgodnie z EN 60898 6 kA
Urządzenie montowane na szynie zgodnie z DIN 43880, 3 moduły

Producent: DEHN
Typ: POP 2 255 C25
Nr kat.: 900760
lub podobny.

Certificates

 

Technical data

SPD+POP+MCB
Liczba biegunów 1P + N
Napięcie znamionowe AC (UN ) 230 V
POP
Maksymalne napięcie niewyłączające AC 255 V
Maksymalne napięcie wyłączające AC 415 V
MCB
Charakterystyka wyzwalania C
Prąd znamionowy AC (IL ) 25 A

Product 900760 was added to Notepad.

Product 900760 was added to the cart.

Part No. 900761 POP 2 255 C32

GTIN 4013364156142, Customs tariff No. (EU): 85363030, Gross weight: 317.00 g, PU: 1.00 szt.


Images

Additional information

Urządzenie ochronne POP 2 255 C32
Urządzenie ochronne do przepięć o częstotliwości sieciowej
z wbudowanym wyłącznikiem nadmiarowo-prądowym
POP zgodnie z EN 50550
Kompletna, gotowa do podłączenia jednostka, poszczególne urządzenia wchodzące w jej skład nie wymagają
okablowania
Liczba biegunów 1P + N
Charakterystyka wyzwalania / prąd znamionowy MCB C 32 A
Znamionowa zdolność wyłączania zgodnie z EN 60898 6 kA
Urządzenie montowane na szynie zgodnie z DIN 43880, 3 moduły

Producent: DEHN
Typ: POP 2 255 C32
Nr kat.: 900761
lub podobny.

Certificates

 

Technical data

SPD+POP+MCB
Liczba biegunów 1P + N
Napięcie znamionowe AC (UN ) 230 V
POP
Maksymalne napięcie niewyłączające AC 255 V
Maksymalne napięcie wyłączające AC 415 V
MCB
Charakterystyka wyzwalania C
Prąd znamionowy AC (IL ) 32 A

Product 900761 was added to Notepad.

Product 900761 was added to the cart.

Part No. 900762 POP 2 255 C40

GTIN 4013364156159, Customs tariff No. (EU): 85363030, Gross weight: 317.00 g, PU: 1.00 szt.


Images

Additional information

Urządzenie ochronne POP 2 255 C40
Urządzenie ochronne do przepięć o częstotliwości sieciowej
z wbudowanym wyłącznikiem nadmiarowo-prądowym
POP zgodnie z EN 50550
Kompletna, gotowa do podłączenia jednostka, poszczególne urządzenia wchodzące w jej skład nie wymagają
okablowania
Liczba biegunów 1P + N
Charakterystyka wyzwalania / prąd znamionowy MCB C 40 A
Znamionowa zdolność wyłączania zgodnie z EN 60898 6 kA
Urządzenie montowane na szynie zgodnie z DIN 43880, 3 moduły

Producent: DEHN
Typ: POP 2 255 C40
Nr kat.: 900762
lub podobny.

Certificates

 

Technical data

SPD+POP+MCB
Liczba biegunów 1P + N
Napięcie znamionowe AC (UN ) 230 V
POP
Maksymalne napięcie niewyłączające AC 255 V
Maksymalne napięcie wyłączające AC 415 V
MCB
Charakterystyka wyzwalania C
Prąd znamionowy AC (IL ) 40 A

Product 900762 was added to Notepad.

Product 900762 was added to the cart.


Czterobiegunowy POP+MCB

4 Products

Part No. 900765 POP 4 255 C25

GTIN 4013364156166, Customs tariff No. (EU): 85363030, Gross weight: 547.00 g, PU: 1.00 szt.


Images

Additional information

Urządzenie ochronne POP 4 255 C25
Urządzenie ochronne do przepięć o częstotliwości sieciowej
z wbudowanym wyłącznikiem nadmiarowo-prądowym
POP zgodnie z EN 50550
Kompletna, gotowa do podłączenia jednostka, poszczególne urządzenia wchodzące w jej skład nie wymagają
okablowania
Liczba biegunów 3P + N
Charakterystyka wyzwalania / prąd znamionowy MCB C 25 A
Znamionowa zdolność wyłączania zgodnie z EN 60898 6 kA
Urządzenie montowane na szynie zgodnie z DIN 43880, 5 modułów

Producent: DEHN
Typ: POP 4 255 C25
Nr kat.: 900765
lub podobny.

Certificates

 

Technical data

SPD+POP+MCB
Liczba biegunów 3P + N
Napięcie znamionowe AC (UN ) 230 / 400 V
POP
Maksymalne napięcie niewyłączające AC 255 V
Maksymalne napięcie wyłączające AC 415 V
MCB
Charakterystyka wyzwalania C
Prąd znamionowy AC (IL ) 25 A

Product 900765 was added to Notepad.

Product 900765 was added to the cart.

Part No. 900766 POP 4 255 C32

GTIN 4013364156173, Customs tariff No. (EU): 85363030, Gross weight: 580.00 g, PU: 1.00 szt.


Images

Additional information

Urządzenie ochronne POP 4 255 C32
Urządzenie ochronne do przepięć o częstotliwości sieciowej
z wbudowanym wyłącznikiem nadmiarowo-prądowym
POP zgodnie z EN 50550
Kompletna, gotowa do podłączenia jednostka, poszczególne urządzenia wchodzące w jej skład nie wymagają
okablowania
Liczba biegunów 3P + N
Charakterystyka wyzwalania / prąd znamionowy MCB C 32 A
Znamionowa zdolność wyłączania zgodnie z EN 60898 6 kA
Urządzenie montowane na szynie zgodnie z DIN 43880, 5 modułów

Producent: DEHN
Typ: POP 4 255 C32
Nr kat.: 900766
lub podobny.

Certificates

 

Technical data

SPD+POP+MCB
Liczba biegunów 3P + N
Napięcie znamionowe AC (UN ) 230 / 400 V
POP
Maksymalne napięcie niewyłączające AC 255 V
Maksymalne napięcie wyłączające AC 415 V
MCB
Charakterystyka wyzwalania C
Prąd znamionowy AC (IL ) 32 A

Product 900766 was added to Notepad.

Product 900766 was added to the cart.

Part No. 900767 POP 4 255 C40

GTIN 4013364156180, Customs tariff No. (EU): 85363030, Gross weight: 586.00 g, PU: 1.00 szt.


Images

Additional information

Urządzenie ochronne POP 4 255 C40
Urządzenie ochronne do przepięć o częstotliwości sieciowej
z wbudowanym wyłącznikiem nadmiarowo-prądowym
POP zgodnie z EN 50550
Kompletna, gotowa do podłączenia jednostka, poszczególne urządzenia wchodzące w jej skład nie wymagają
okablowania
Liczba biegunów 3P + N
Charakterystyka wyzwalania / prąd znamionowy MCB C 40 A
Znamionowa zdolność wyłączania zgodnie z EN 60898 6 kA
Urządzenie montowane na szynie zgodnie z DIN 43880, 5 modułów

Producent: DEHN
Typ: POP 4 255 C40
Nr kat.: 900767
lub podobny.

Certificates

 

Technical data

SPD+POP+MCB
Liczba biegunów 3P + N
Napięcie znamionowe AC (UN ) 230 / 400 V
POP
Maksymalne napięcie niewyłączające AC 255 V
Maksymalne napięcie wyłączające AC 415 V
MCB
Charakterystyka wyzwalania C
Prąd znamionowy AC (IL ) 40 A

Product 900767 was added to Notepad.

Product 900767 was added to the cart.

Part No. 900768 POP 4 255 C63

GTIN 4013364156197, Customs tariff No. (EU): 85363030, Gross weight: 591.00 g, PU: 1.00 szt.


Images

Additional information

Urządzenie ochronne POP 4 255 C63
Urządzenie ochronne do przepięć o częstotliwości sieciowej
z wbudowanym wyłącznikiem nadmiarowo-prądowym
POP zgodnie z EN 50550
Kompletna, gotowa do podłączenia jednostka, poszczególne urządzenia wchodzące w jej skład nie wymagają
okablowania
Liczba biegunów 3P + N
Charakterystyka wyzwalania / prąd znamionowy MCB C 63 A
Znamionowa zdolność wyłączania zgodnie z EN 60898 6 kA
Urządzenie montowane na szynie zgodnie z DIN 43880, 5 modułów

Producent: DEHN
Typ: POP 4 255 C63
Nr kat.: 900768
lub podobny.

Certificates

 

Technical data

SPD+POP+MCB
Liczba biegunów 3P + N
Napięcie znamionowe AC (UN ) 230 / 400 V
POP
Maksymalne napięcie niewyłączające AC 255 V
Maksymalne napięcie wyłączające AC 415 V
MCB
Charakterystyka wyzwalania C
Prąd znamionowy AC (IL ) 63 A

Product 900768 was added to Notepad.

Product 900768 was added to the cart.


Czterobiegunowy POP

1 Product

Part No. 900720 DEHNduo POP SA 3P 230

GTIN 4013364477377, Customs tariff No. (EU): 85363030, Gross weight: 175.44 g, PU: 1.00 szt.


Images

Additional information

Urządzenie ochronne POP SA 3P 230
Urządzenie ochronne do
przepięć o częstotliwości sieciowej
do wyzwalania zewnętrznych
wyłączników nadmiarowo-prądowych
POP z normą IEC 63052 kat. 4.1.3S2
Liczba biegunów 3P + N
możliwość ustawienia wyjściowego sygnału przełączającego w zakresie
od 12 V do 230 V
Urządzenie montowane na szynie zgodnie z
DIN 43880, 2 moduły

Producent: DEHN
Typ: DEHNduo POP SA 3P 230
Nr kat.: 900720
lub podobny.

 

Technical data

SPD+POP+MCB
Liczba biegunów 3P + N
Napięcie znamionowe AC (UN ) 230 / 400 V
POP
Maksymalne napięcie niewyłączające AC 255 V
Maksymalne napięcie wyłączające AC 440 V
Czas wyłączania przy 275 V AC 9 s
Czas wyłączania przy 300 V AC 3 s
Czas wyłączania przy 350 V AC 0,5 s
Zdolność wyłączania DCout 50 ms 230 V / 1 A; 48 V / 3 A; 24 V / 5 A; 12 V / 5 A
Obciążenie obwodu: 500 mW

Product 900720 was added to Notepad.

Product 900720 was added to the cart.


back to top