Decoupling device DASD 45

  • DASD: DEHN Advanced Solid state Decoupler
  • Protection against transient, temporary and long-duration overvoltages
  • High discharge capacity
  • Fail-safe failure mode
  • Integrated test socket
  • For outdoor use

DASD 45 LP 100 T

1 Product

Part No. 923402 DASD 45 LP 100 T

GTIN 4013364442269, Customs tariff No. (EU): 85363030, Gross weight: 3.69 kg, PU: 1.00 pc(s)


Images

Additional information

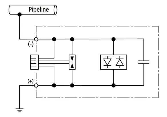
Capacitive decoupling device DASD
Capacitive decoupling device
For protection in case of transient, temporary and long-duration overvoltages
Discharge current transient: (10/350 us): 75 kA
Temporary discharge current (16.7 Hz, 50 Hz, 60 Hz): 3.7 kArms (up to 200 ms)
Long-duration discharge current (16.7 Hz, 50 Hz, 60 Hz): 45 A (permanent)
With integrated test socket
For outdoor use

Brand: DEHN
Type: DASD 45 LP 100 T
Part No.: 923402
or equivalent.

Certificates

 

Technical data

Transient discharge current (10/350 µs) 75 kA
Transient discharge current (8/20 µs) 100 kA
Temporary discharge current (16.7 Hz, 50 Hz, 60 Hz) 5.0 kArms (up to 40 ms)
Temporary discharge current (16.7 Hz, 50 Hz, 60 Hz) 3.7 kArms (up to 200 ms)
Temporary discharge current (16.7 Hz, 50 Hz, 60 Hz) 2.0 kArms (up to 600 ms)
Long-duration discharge current (16.7 Hz, 50 Hz, 60 Hz) 45 Arms
Transient limiting voltage (up to 1 ms) ≤ 1.35 kV
Long-duration limiting voltage (> 600 ms) ≤ 3 V
IECEx approvals IECEx TUR 22.0029X
Ex marking according to EN 60079-0 and EN 60079-7 Ex ec IIC T4 Gc

Product 923402 was added to Notepad.

Product 923402 was added to the cart.


DASD 45 5 LP 1 T

1 Product

Part No. 923406 DASD 45 5 LP 1 T

GTIN 4013364509504, Customs tariff No. (EU): 85363030, Gross weight: 8.00 kg, PU: 1.00 pc(s)


Images

Additional information

DC decoupling device DASD
For protection in case of transient, temporary and long-duration overvoltages
Discharge current transient: (10/350 us): 100 kA
Discharge current transient: (8/20 us): 100 kA
Temporary discharge current (16.7 Hz, 50 Hz, 60 Hz): 5.0 kArms (up to 600 ms)
Long-duration discharge current (16.7 Hz, 50 Hz, 60 Hz): 45 A (permanent)
Max. permissible voltage (d.c.) -2 V / +1 V
With integrated test socket

Brand: DEHN
Type: DASD 45 5 LP 1 T
Part No.: 923406
or equivalent.

Certificates

 

Technical data

Transient discharge current (10/350 µs) 100 kA
Transient discharge current (8/20 µs) 100 kA
Temporary discharge current (50 Hz, 60 Hz) 5 kArms (up to 600 ms)
Long-duration discharge current (50 Hz, 60 Hz) 45 Arms
Transient limiting voltage (up to 1 ms) ≤ 5.2 kV
* This test is carried out to measure any leakage current via capacitor at a temperature of 20 deg C, with an applied DC voltage of 0.5V, and after a stabilzation period of 1hour.

Product 923406 was added to Notepad.

Product 923406 was added to the cart.


DASD 45 5 LP 2 T

1 Product

Part No. 923408 DASD 45 5 LP 2 T

GTIN 4013364520783, Customs tariff No. (EU): 85363030, Gross weight: 8.00 kg, PU: 1.00 pc(s)


Images

Additional information

DC decoupling device DASD
For protection in case of transient, temporary and long-duration overvoltages
Discharge current transient: (10/350 us): 100 kA
Discharge current transient: (8/20 us): 100 kA
Temporary discharge current (16.7 Hz, 50 Hz, 60 Hz): 5.0 kArms (up to 600 ms)
Long-duration discharge current (16.7 Hz, 50 Hz, 60 Hz): 45 A (permanent)
Max. permissible voltage (d.c.) -2 V / +2 V
With integrated test socket

Brand: DEHN
Type: DASD 45 5 LP 2 T
Part No.: 923408
or equivalent.

Certificates

 

Technical data

Transient discharge current (10/350 µs) 100 kA
Transient discharge current (8/20 µs) 100 kA
Temporary discharge current (50 Hz, 60 Hz) 5 kArms (up to 600 ms)
Long-duration discharge current (50 Hz, 60 Hz) 45 Arms
Transient limiting voltage (up to 1 ms) ≤ 5.2 kV
* This test is carried out to measure any leakage current via capacitor at a temperature of 20 deg C, with an applied DC voltage of 0.5V, and after a stabilzation period of 1hour.

Product 923408 was added to Notepad.

Product 923408 was added to the cart.


DASD 45 5 LP 3 T

1 Product

Part No. 923409 DASD 45 5 LP 3 T

GTIN 4013364520790, Customs tariff No. (EU): 85363030, Gross weight: 8.00 kg, PU: 1.00 pc(s)


Images

Additional information

DC decoupling device DASD
For protection in case of transient, temporary and long-duration overvoltages
Discharge current transient: (10/350 us): 100 kA
Discharge current transient: (8/20 us): 100 kA
Temporary discharge current (16.7 Hz, 50 Hz, 60 Hz): 5.0 kArms (up to 600 ms)
Long-duration discharge current (16.7 Hz, 50 Hz, 60 Hz): 45 A (permanent)
Max. permissible voltage (d.c.) -3 V / +1 V
With integrated test socket

Brand: DEHN
Type: DASD 45 5 LP 3 T
Part No.: 923409
or equivalent.

Certificates

 

Technical data

Transient discharge current (10/350 µs) 100 kA
Transient discharge current (8/20 µs) 100 kA
Temporary discharge current (50 Hz, 60 Hz) 5 kArms (up to 600 ms)
Long-duration discharge current (50 Hz, 60 Hz) 45 Arms
Transient limiting voltage (up to 1 ms) ≤ 5.2 kV
* This test is carried out to measure any leakage current via capacitor at a temperature of 20 deg C, with an applied DC voltage of 0.5V, and after a stabilzation period of 1hour.

Product 923409 was added to Notepad.

Product 923409 was added to the cart.


DASD 45 10 2 T

1 Product

Part No. 923410 DASD 45 10 2 T

GTIN 4013364520806, Customs tariff No. (EU): 85363030, Gross weight: 8.00 kg, PU: 1.00 pc(s)


Images

Additional information

DC decoupling device DASD
For protection in case of transient, temporary and long-duration overvoltages
Discharge current transient: (8/20 us): 100 kA
Temporary discharge current (16.7 Hz, 50 Hz, 60 Hz): 10.0 kArms (up to 600 ms)
Long-duration discharge current (16.7 Hz, 50 Hz, 60 Hz): 45 A (permanent)
Max. permissible voltage (d.c.) -2 V / +2 V
With integrated test socket

Brand: DEHN
Type: DASD 45 10 2 T
Part No.: 923410
or equivalent.

Certificates

 

Technical data

Transient discharge current (10/350 µs) 50 kA
Transient discharge current (8/20 µs) 100 kA
Temporary discharge current (50 Hz, 60 Hz) 10 kArms (up to 600 ms)
Long-duration discharge current (50 Hz, 60 Hz) 45 Arms
Transient limiting voltage (up to 1 ms) ≤ 5.2 kV
* This test is carried out to measure any leakage current via capacitor at a temperature of 20 deg C, with an applied DC voltage of 0.5V, and after a stabilzation period of 1hour.

Product 923410 was added to Notepad.

Product 923410 was added to the cart.


DASD 45 10 3 T

1 Product

Part No. 923411 DASD 45 10 3 T

GTIN 4013364520776, Customs tariff No. (EU): 85363030, Gross weight: 5.30 kg, PU: 1.00 pc(s)


Images

Additional information

DC decoupling device DASD
For protection in case of transient, temporary and long-duration overvoltages
Discharge current transient: (8/20 us): 100 kA
Temporary discharge current (16.7 Hz, 50 Hz, 60 Hz): 10.0 kArms (up to 600 ms)
Long-duration discharge current (16.7 Hz, 50 Hz, 60 Hz): 45 A (permanent)
Max. permissible voltage (d.c.) -3 V / +1 V
With integrated test socket

Brand: DEHN
Type: DASD 45 10 3 T
Part No.: 923411
or equivalent.

 

Technical data

Transient discharge current (10/350 µs) 50 kA
Transient discharge current (8/20 µs) 100 kA
Temporary discharge current (50 Hz, 60 Hz) 10.0 kArms (up to 600 ms)
Long-duration discharge current (50 Hz, 60 Hz) 45 Arms
Transient limiting voltage (up to 1 ms) ≤ 5.2 kV
* This test is carried out to measure any leakage current via capacitor at a temperature of 20 deg C, with an applied DC voltage of 0.5V, and after a stabilzation period of 1hour.

Product 923411 was added to Notepad.

Product 923411 was added to the cart.


back to top