DEHNguard ME/SE DC ... (FM)

  • Uniwersalny ogranicznik kombinowany składający się z podstawy i wymiennego modułu ochronnego
  • Urządzenie zaprojektowane specjalnie do stosowania w obwodach stałoprądowych (DC)
  • Wysokowydajne urządzenie przełączające prądu stałego DCD Do ochrony przed pożarami spowodowanymi łukiem elektrycznym DC
  • Możliwość stosowania bez dobezpieczenia w określonych przypadkach
  • Wskaźnik działania / uszkodzenia w postaci zielonego / czerwonego znacznika w okienku kontrolnym
  • Łatwa wymiana modułów bez używania narzędzi poprzez zastosowanie rygla blokującego z przyciskiem zwalniającym moduł

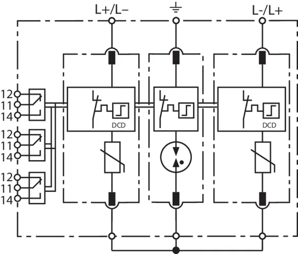
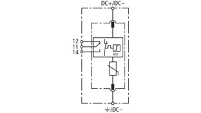
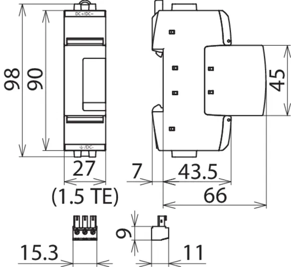
DEHNguard M DC ACI 1250 FM

Modułowy ogranicznik przepięć do zastosowań stałoprądowych; ze zdalną sygnalizacją stanu (bezpotencjałowy zestyk przełączny).

1 Product

Part No. 972150 DG M DC ACI 1250 FM

GTIN 4013364530850, Customs tariff No. (EU): 85354000, Gross weight: 757.40 g, PU: 1.00 szt.


Images

Additional information

Ogranicznik przepięć typu 2, DG M DC ACI 1250 FM
modułowy, gotowy do podłączenia ogranicznik przepięć
do zastosowań stałoprądowych, szerokość 6 modułów
mechaniczny wskaźnik działania / uszkodzenia
Ogranicznik przepięć typu 2 zgodnie z EN / IEC 61643-41
składający się z kombinacji przełącznika i iskiernika
Szczególnie nadaje się do zastosowań w urządzeniach ładujących DC do 1250 V
Największe napięcie trwałej pracy (+ --> -): 1250 V DC
Znamionowy prąd wyładowczy (8/20 µs): 10 kA
ze zdalną sygnalizacją stanu (bezpotencjałowy zestyk przełączny)
Odporność na wibrację i wstrząsy zgodnie z EN60068
Wypełnia IEC 61851-23

Producent: DEHN
Typ: DG M DC ACI 1250 FM
Nr kat.: 972150
lub podobny.

Certificates

 

ACI-Technology

A further development of CI technology, ACI technology consists of a switch/spark gap combination connected in series with a heavyduty varistor. This ensures the simple design and safe operation of the surge protective device. Other features are safe dimensioning, TOV withstand, a connection cross-section of only 6 mm² Cu and zero leakage current. Surge arresters with ACI technology offer maximum safety and system availability.

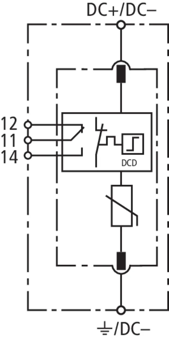
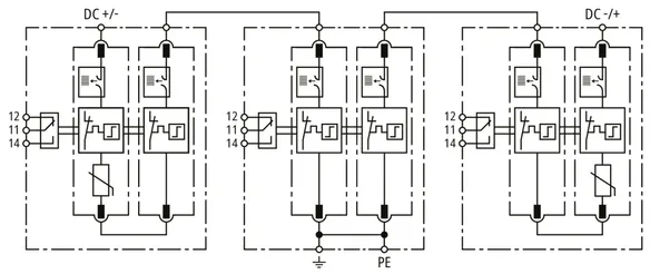
Direct Current-Disconnection

When using surge arresters in d.c. applications, disconnection must be reliably ensured even if there are no zero crossings. The specifically developed DC Disconnection (DCD) technology acts as a wedge similar to a blocking valve and interrupts the direct current. Consequently, the devices of the DEHNguard SE DC series are capable of safely interrupting direct currents, thus preventing fire damage caused by d.c. switching arcs.

Technical data

Klasyfikacja ogranicznika przepięć zgodnie z EN 61643-41 / ... IEC 61643-41 typ 2 / klasa II
Największe napięcie trwałej pracy DC [DC+ --> DC-] (UC ) 1250 V
Największe napięcie trwałej pracy DC [(DC+/DC-) --> PE] (UC ) 625 V
Znamionowy prąd wyładowczy (8/20 µs) (In ) 10 kA
Maks. znamionowy prąd wyładowczy (8/20 µs) (Imaks. ) 20 kA
Napięciowy poziom ochrony [DC+ --> DC-] (UP ) < 5 kV
Napięciowy poziom ochrony [(DC+/DC-) -> PE] (UP ) < 2,5 kV
Maksymalna wytrzymałość zwarciowa (ISCCR ) 5 kA
Rodzaj zestyku zdalnej sygnalizacji (FM) bezpotencjałowy zestyk przełączny

Product 972150 was added to Notepad.

Product 972150 was added to the cart.


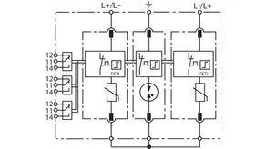
DEHNguard ME DC ... FM

Modułowy kombinowany ogranicznik przepięć do zastosowań stałoprądowych; ze zdalną sygnalizacją stanu (bezpotencjałowy zestyk przełączny).

1 Product

Part No. 972147 DG ME DC Y 1000 FM

GTIN 4013364519817, Customs tariff No. (EU): 85363030, Gross weight: 530.49 g, PU: 1.00 szt.


Images

Additional information

Kombinowany ogranicznik przepięć typu 1+2 DEHNguard ME DC Y 1000 FM
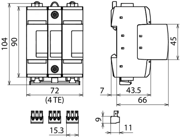
3-biegunowy, modułowy, gotowy do podłączenia kombinowany ogranicznik przepięć
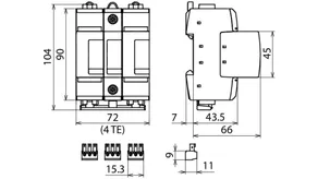
do zastosowań stałoprądowych, szerokość: 4 moduły
mechaniczny wskaźnik działania / uszkodzenia
Ogranicznik przepięć z certyfikatem UL
Typu 1+2, analogowy, zgodnie z PN-EN 61643-11, układ Y
w technologii opartej na niepowodujących prądów upływu warystorach i iskiernikach gazowych
Szczególnie nadają się do zastosowań w obwodach stałoprądowych do 950 V
układu przełączającego prądu stałego DCD
Największe napięcie trwałej pracy: 1000 V DC
Piorunowy prąd udarowy 5 kA (10/350µs)
Znamionowy prąd wyładowczy: 12,5 kA (8/20µs)
ze zdalną sygnalizacją stanu (bezpotencjałowy zestyk przełączny)
Odporność na wibrację i wstrząsy zgodnie z EN60068

Producent: DEHN
Typ: DG ME DC Y 1000 FM
Nr kat.: 972147
lub podobny.

Certificates

 

Direct Current-Disconnection

When using surge arresters in d.c. applications, disconnection must be reliably ensured even if there are no zero crossings. The specifically developed DC Disconnection (DCD) technology acts as a wedge similar to a blocking valve and interrupts the direct current. Consequently, the devices of the DEHNguard SE DC series are capable of safely interrupting direct currents, thus preventing fire damage caused by d.c. switching arcs.

Technical data

Prąd udarowy (10/350 µs) (Iimp ) 5 kA
Znamionowy prąd wyładowczy (8/20 µs) (In ) 12,5 kA
Maks. znamionowy prąd wyładowczy (8/20 µs) (Imaks. ) 20 kA
Napięciowy poziom ochrony [DC+ --> DC-] (UP ) < 3,75 kV
Napięciowy poziom ochrony [(DC+/DC-) -> PE] (UP ) < 2,5 kV
Maksymalna wytrzymałość zwarciowa (ISCCR ) 5 kA
Rodzaj zestyku zdalnej sygnalizacji (FM) bezpotencjałowy zestyk przełączny

Product 972147 was added to Notepad.

Product 972147 was added to the cart.


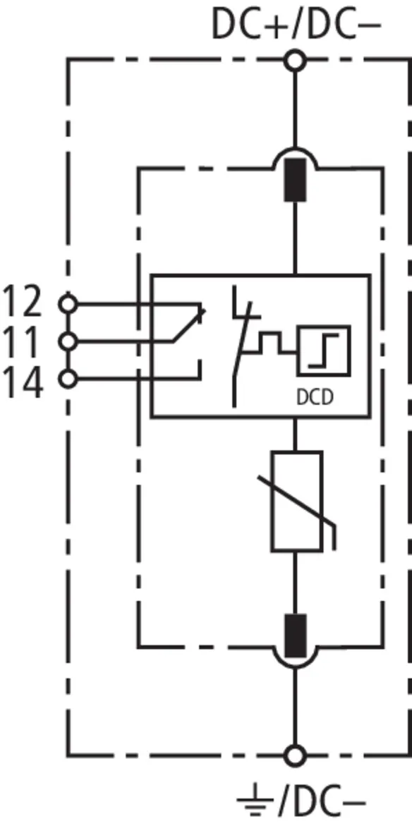
DEHNguard SE DC ...

Jednobiegunowy, modułowy ogranicznik przepięć do zastosowań stałoprądowych

4 Products

Part No. 972110 DG SE DC 60

GTIN 4013364158504, Customs tariff No. (EU): 85363030, Gross weight: 160.00 g, PU: 1.00 szt.


Images

Additional information

Ogranicznik przepięć DEHNguard SE DC 60
1-biegunowy, modułowy, gotowy do podłączenia ogranicznik przepięć
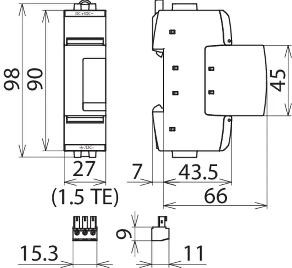
do zastosowań stałoprądowych, szerokość: 1,5 modułu
Wskaźnik uszkodzenia
Ogranicznik przepięć typu 2 zgodnie z EN 61643-11
Wysokowydajna technologia warystorów
Zaprojektowane specjalnie do stosowania w obwodach stałoprądowych (DC)
urządzenie przełączające prądu stałego DCD
Największe napięcie trwałej pracy: 60 V DC
Napięciowy poziom ochrony: <= 0,5 kV
Znamionowy prąd wyładowczy: 12,5 kA
Wytrzymałość zwarciowa przy maksymalnym
bezpieczniku DC: 2000 A
Koordynacja energetyczna według DIN EN 62305-4
Ogranicznik przepięć z rodziny Red/Line

Producent: DEHN
Typ: DG SE DC 60
Nr kat.: 972110
lub podobny.

Certificates

 

Direct Current-Disconnection

When using surge arresters in d.c. applications, disconnection must be reliably ensured even if there are no zero crossings. The specifically developed DC Disconnection (DCD) technology acts as a wedge similar to a blocking valve and interrupts the direct current. Consequently, the devices of the DEHNguard SE DC series are capable of safely interrupting direct currents, thus preventing fire damage caused by d.c. switching arcs.

Technical data

Ogranicznik przepięć zgodnie z PN-EN 61643-11 typ 2 / klasa II
Największe napięcie trwałej pracy DC (UC ) 60 V
Znamionowy prąd wyładowczy (8/20 µs) (In ) 12,5 kA
Napięciowy poziom ochrony (UP ) ≤ 0,5 kV
Wytrzymałość zwarciowa bez bezpiecznika DC (ISCCR ) 300 A
Wytrzymałość zwarciowa przy maksymalnym bezpieczniku DC (ISCCR ) 25 kA
Maksymalny bezpiecznik dodatkowy 35 A gG

Product 972110 was added to Notepad.

Product 972110 was added to the cart.

Part No. 972120 DG SE DC 242

GTIN 4013364158528, Customs tariff No. (EU): 85363030, Gross weight: 170.00 g, PU: 1.00 szt.


Images

Additional information

Ogranicznik przepięć DEHNguard SE DC 242
1-biegunowy, modułowy, gotowy do podłączenia ogranicznik przepięć
do zastosowań stałoprądowych, szerokość: 1,5 modułu
Wskaźnik uszkodzenia
Ogranicznik przepięć typu 2 zgodnie z EN 61643-11
Wysokowydajna technologia warystorów
Zaprojektowane specjalnie do stosowania w obwodach stałoprądowych (DC)
urządzenie przełączające prądu stałego DCD
Największe napięcie trwałej pracy: 242 V DC
Napięciowy poziom ochrony: <= 1,25 kV
Znamionowy prąd wyładowczy: 12,5 kA
Wytrzymałość zwarciowa przy maksymalnym
bezpieczniku DC: 2000 A
Koordynacja energetyczna według
DIN EN 62305-4
Ogranicznik przepięć z rodziny Red/Line

Producent: DEHN
Typ: DG SE DC 242
Nr kat.: 972120
lub podobny.

Certificates

 

Direct Current-Disconnection

When using surge arresters in d.c. applications, disconnection must be reliably ensured even if there are no zero crossings. The specifically developed DC Disconnection (DCD) technology acts as a wedge similar to a blocking valve and interrupts the direct current. Consequently, the devices of the DEHNguard SE DC series are capable of safely interrupting direct currents, thus preventing fire damage caused by d.c. switching arcs.

Technical data

Ogranicznik przepięć zgodnie z PN-EN 61643-11 typ 2 / klasa II
Największe napięcie trwałej pracy DC (UC ) 242 V
Znamionowy prąd wyładowczy (8/20 µs) (In ) 12,5 kA
Napięciowy poziom ochrony (UP ) ≤ 1,25 kV
Wytrzymałość zwarciowa bez bezpiecznika DC (ISCCR ) 300 A
Wytrzymałość zwarciowa przy maksymalnym bezpieczniku DC (ISCCR ) 25 kA
Maksymalny bezpiecznik dodatkowy 35 A gG

Product 972120 was added to Notepad.

Product 972120 was added to the cart.

Part No. 972130 DG SE DC 550

GTIN 4013364158627, Customs tariff No. (EU): 85363030, Gross weight: 184.00 g, PU: 1.00 szt.


Images

Additional information

Ogranicznik przepięć DEHNguard SE DC 550
1-biegunowy, modułowy, gotowy do podłączenia ogranicznik przepięć
do zastosowań stałoprądowych, szerokość: 1,5 modułu
Wskaźnik uszkodzenia
Ogranicznik przepięć typu 2 zgodnie z EN 61643-11
Wysokowydajna technologia warystorów
Zaprojektowane specjalnie do stosowania w obwodach stałoprądowych (DC)
urządzenie przełączające prądu stałego DCD
Największe napięcie trwałej pracy: 550 V DC
Napięciowy poziom ochrony: <= 2,0 kV
Znamionowy prąd wyładowczy: 12,5 kA
Wytrzymałość zwarciowa przy maksymalnym
bezpieczniku DC: 2000 A
Koordynacja energetyczna według DIN EN 62305-4
Ogranicznik przepięć z rodziny Red/Line

Producent: DEHN
Typ: DG SE DC 550
Nr kat.: 972130
lub podobny.

Certificates

 

Direct Current-Disconnection

When using surge arresters in d.c. applications, disconnection must be reliably ensured even if there are no zero crossings. The specifically developed DC Disconnection (DCD) technology acts as a wedge similar to a blocking valve and interrupts the direct current. Consequently, the devices of the DEHNguard SE DC series are capable of safely interrupting direct currents, thus preventing fire damage caused by d.c. switching arcs.

Technical data

Ogranicznik przepięć zgodnie z PN-EN 61643-11 typ 2 / klasa II
Największe napięcie trwałej pracy DC (UC ) 550 V
Znamionowy prąd wyładowczy (8/20 µs) (In ) 12,5 kA
Napięciowy poziom ochrony (UP ) ≤ 2,0 kV
Wytrzymałość zwarciowa bez bezpiecznika DC (ISCCR ) 200 A
Wytrzymałość zwarciowa przy maksymalnym bezpieczniku DC (ISCCR ) 25 kA
Maksymalny bezpiecznik dodatkowy 35 A gG

Product 972130 was added to Notepad.

Product 972130 was added to the cart.

Part No. 972140 DG SE DC 900

GTIN 4013364158641, Customs tariff No. (EU): 85363030, Gross weight: 190.00 g, PU: 1.00 szt.


Images

Additional information

Ogranicznik przepięć DEHNguard SE DC 900
1-biegunowy, modułowy, gotowy do podłączenia ogranicznik przepięć
do zastosowań stałoprądowych, szerokość: 1,5 modułu
Wskaźnik uszkodzenia
Ogranicznik przepięć typu 2 zgodnie z EN 61643-11
Wysokowydajna technologia warystorów
Zaprojektowane specjalnie do stosowania w obwodach stałoprądowych (DC)
urządzenie przełączające prądu stałego DCD
Największe napięcie trwałej pracy: 900 V DC
Napięciowy poziom ochrony: <= 3,0 kV
Znamionowy prąd wyładowczy: 12,5 kA
Wytrzymałość zwarciowa przy maksymalnym
bezpieczniku DC: 2000 A
Koordynacja energetyczna według DIN EN 62305-4
Ogranicznik przepięć z rodziny Red/Line

Producent: DEHN
Typ: DG SE DC 900
Nr kat.: 972140
lub podobny.

Certificates

 

Direct Current-Disconnection

When using surge arresters in d.c. applications, disconnection must be reliably ensured even if there are no zero crossings. The specifically developed DC Disconnection (DCD) technology acts as a wedge similar to a blocking valve and interrupts the direct current. Consequently, the devices of the DEHNguard SE DC series are capable of safely interrupting direct currents, thus preventing fire damage caused by d.c. switching arcs.

Technical data

Ogranicznik przepięć zgodnie z PN-EN 61643-11 typ 2 / klasa II
Największe napięcie trwałej pracy DC (UC ) 900 V
Znamionowy prąd wyładowczy (8/20 µs) (In ) 12,5 kA
Napięciowy poziom ochrony (UP ) ≤ 3,0 kV
Wytrzymałość zwarciowa bez bezpiecznika DC (ISCCR ) 100 A
Wytrzymałość zwarciowa przy maksymalnym bezpieczniku DC (ISCCR ) 25 kA
Maksymalny bezpiecznik dodatkowy 80 A gPV

Product 972140 was added to Notepad.

Product 972140 was added to the cart.


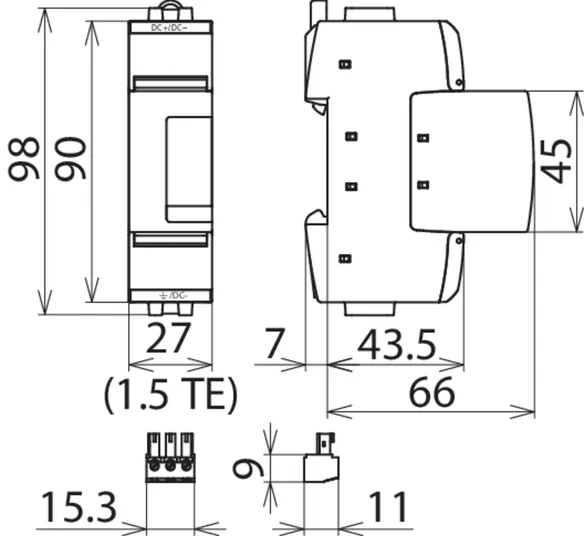
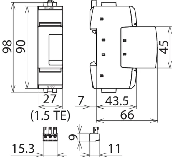
DEHNguard SE DC ... FM

Jednobiegunowy, modułowy ogranicznik przepięć do zastosowań stałoprądowych; ze zdalną sygnalizacją stanu (bezpotencjałowy zestyk przełączny).

4 Products

Part No. 972115 DG SE DC 60 FM

GTIN 4013364158511, Customs tariff No. (EU): 85363030, Gross weight: 164.00 g, PU: 1.00 szt.


Images

Additional information

Ogranicznik przepięć DEHNguard SE DC 60 FM
1-biegunowy, modułowy, gotowy do podłączenia ogranicznik przepięć
do zastosowań stałoprądowych, szerokość: 1,5 modułu
Wskaźnik uszkodzenia
Ogranicznik przepięć typu 2 zgodnie z EN 61643-11
Z zestykiem zdalnej sygnalizacji
Wysokowydajna technologia warystorów
Zaprojektowane specjalnie do stosowania w obwodach stałoprądowych (DC)
urządzenie przełączające prądu stałego DCD
Największe napięcie trwałej pracy: 60 V DC
Napięciowy poziom ochrony: <= 0,5 kV
Znamionowy prąd wyładowczy: 12,5 kA
Wytrzymałość zwarciowa przy maksymalnym
bezpieczniku DC: 2000 A
Koordynacja energetyczna według DIN EN 62305-4
Ogranicznik przepięć z rodziny Red/Line

Producent: DEHN
Typ: DG SE DC 60 FM
Nr kat.: 972115
lub podobny.

Certificates

 

Direct Current-Disconnection

When using surge arresters in d.c. applications, disconnection must be reliably ensured even if there are no zero crossings. The specifically developed DC Disconnection (DCD) technology acts as a wedge similar to a blocking valve and interrupts the direct current. Consequently, the devices of the DEHNguard SE DC series are capable of safely interrupting direct currents, thus preventing fire damage caused by d.c. switching arcs.

Technical data

Ogranicznik przepięć zgodnie z PN-EN 61643-11 typ 2 / klasa II
Największe napięcie trwałej pracy DC (UC ) 60 V
Znamionowy prąd wyładowczy (8/20 µs) (In ) 12,5 kA
Napięciowy poziom ochrony (UP ) ≤ 0,5 kV
Wytrzymałość zwarciowa bez bezpiecznika DC (ISCCR ) 300 A
Wytrzymałość zwarciowa przy maksymalnym bezpieczniku DC (ISCCR ) 25 kA
Maksymalny bezpiecznik dodatkowy 35 A gG
Rodzaj zestyku zdalnej sygnalizacji (FM) bezpotencjałowy zestyk przełączny

Product 972115 was added to Notepad.

Product 972115 was added to the cart.

Part No. 972125 DG SE DC 242 FM

GTIN 4013364158610, Customs tariff No. (EU): 85363030, Gross weight: 174.00 g, PU: 1.00 szt.


Images

Additional information

Ogranicznik przepięć DEHNguard SE DC 242 FM
1-biegunowy, modułowy, gotowy do podłączenia ogranicznik przepięć
do zastosowań stałoprądowych, szerokość: 1,5 modułu
Wskaźnik uszkodzenia
Ogranicznik przepięć typu 2 zgodnie z EN 61643-11
Z zestykiem zdalnej sygnalizacji
Wysokowydajna technologia warystorów
Zaprojektowane specjalnie do stosowania w obwodach stałoprądowych (DC)
urządzenie przełączające prądu stałego DCD
Największe napięcie trwałej pracy: 242 V DC
Napięciowy poziom ochrony: <= 1,25 kV
Znamionowy prąd wyładowczy: 12,5 kA
Wytrzymałość zwarciowa przy maksymalnym
bezpieczniku DC: 2000 A
Koordynacja energetyczna według DIN EN 62305-4
Ogranicznik przepięć z rodziny Red/Line

Producent: DEHN
Typ: DG SE DC 242 FM
Nr kat.: 972125
lub podobny.

Certificates

 

Direct Current-Disconnection

When using surge arresters in d.c. applications, disconnection must be reliably ensured even if there are no zero crossings. The specifically developed DC Disconnection (DCD) technology acts as a wedge similar to a blocking valve and interrupts the direct current. Consequently, the devices of the DEHNguard SE DC series are capable of safely interrupting direct currents, thus preventing fire damage caused by d.c. switching arcs.

Technical data

Ogranicznik przepięć zgodnie z PN-EN 61643-11 typ 2 / klasa II
Największe napięcie trwałej pracy DC (UC ) 242 V
Znamionowy prąd wyładowczy (8/20 µs) (In ) 12,5 kA
Napięciowy poziom ochrony (UP ) ≤ 1,25 kV
Wytrzymałość zwarciowa bez bezpiecznika DC (ISCCR ) 300 A
Wytrzymałość zwarciowa przy maksymalnym bezpieczniku DC (ISCCR ) 25 kA
Maksymalny bezpiecznik dodatkowy 35 A gG
Rodzaj zestyku zdalnej sygnalizacji (FM) bezpotencjałowy zestyk przełączny

Product 972125 was added to Notepad.

Product 972125 was added to the cart.

Part No. 972135 DG SE DC 550 FM

GTIN 4013364158634, Customs tariff No. (EU): 85363030, Gross weight: 189.00 g, PU: 1.00 szt.


Images

Additional information

Ogranicznik przepięć DEHNguard SE DC 550 FM
1-biegunowy, modułowy, gotowy do podłączenia ogranicznik przepięć
do zastosowań stałoprądowych, szerokość: 1,5 modułu
Wskaźnik uszkodzenia
Ogranicznik przepięć typu 2 zgodnie z EN 61643-11
Z zestykiem zdalnej sygnalizacji
Wysokowydajna technologia warystorów
Zaprojektowane specjalnie do stosowania w obwodach stałoprądowych (DC)
urządzenie przełączające prądu stałego DCD
Największe napięcie trwałej pracy: 550 V DC
Napięciowy poziom ochrony: <= 2,0 kV
Znamionowy prąd wyładowczy: 12,5 kA
Wytrzymałość zwarciowa przy maksymalnym
bezpieczniku DC: 2000 A
Koordynacja energetyczna według DIN EN 62305-4
Ogranicznik przepięć z rodziny Red/Line

Producent: DEHN
Typ: DG SE DC 550 FM
Nr kat.: 972135
lub podobny.

Certificates

 

Direct Current-Disconnection

When using surge arresters in d.c. applications, disconnection must be reliably ensured even if there are no zero crossings. The specifically developed DC Disconnection (DCD) technology acts as a wedge similar to a blocking valve and interrupts the direct current. Consequently, the devices of the DEHNguard SE DC series are capable of safely interrupting direct currents, thus preventing fire damage caused by d.c. switching arcs.

Technical data

Ogranicznik przepięć zgodnie z PN-EN 61643-11 typ 2 / klasa II
Największe napięcie trwałej pracy DC (UC ) 550 V
Znamionowy prąd wyładowczy (8/20 µs) (In ) 12,5 kA
Napięciowy poziom ochrony (UP ) ≤ 2,0 kV
Wytrzymałość zwarciowa bez bezpiecznika DC (ISCCR ) 200 A
Wytrzymałość zwarciowa przy maksymalnym bezpieczniku DC (ISCCR ) 25 kA
Maksymalny bezpiecznik dodatkowy 35 A gG
Rodzaj zestyku zdalnej sygnalizacji (FM) bezpotencjałowy zestyk przełączny

Product 972135 was added to Notepad.

Product 972135 was added to the cart.

Part No. 972145 DG SE DC 900 FM

GTIN 4013364158658, Customs tariff No. (EU): 85363030, Gross weight: 194.00 g, PU: 1.00 szt.


Images

Additional information

Ogranicznik przepięć DEHNguard SE DC 900 FM
1-biegunowy, modułowy, gotowy do podłączenia ogranicznik przepięć
do zastosowań stałoprądowych, szerokość: 1,5 modułu
Wskaźnik uszkodzenia
Ogranicznik przepięć typu 2 zgodnie z EN 61643-11
Z zestykiem zdalnej sygnalizacji
Wysokowydajna technologia warystorów
Zaprojektowane specjalnie do stosowania w obwodach stałoprądowych (DC)
urządzenie przełączające prądu stałego DCD
Największe napięcie trwałej pracy: 900 V DC
Napięciowy poziom ochrony: <= 3,0 kV
Znamionowy prąd wyładowczy: 12,5 kA
Wytrzymałość zwarciowa przy maksymalnym
bezpieczniku DC: 2000 A
Koordynacja energetyczna według DIN EN 62305-4
Ogranicznik przepięć z rodziny Red/Line

Producent: DEHN
Typ: DG SE DC 900 FM
Nr kat.: 972145
lub podobny.

Certificates

 

Direct Current-Disconnection

When using surge arresters in d.c. applications, disconnection must be reliably ensured even if there are no zero crossings. The specifically developed DC Disconnection (DCD) technology acts as a wedge similar to a blocking valve and interrupts the direct current. Consequently, the devices of the DEHNguard SE DC series are capable of safely interrupting direct currents, thus preventing fire damage caused by d.c. switching arcs.

Technical data

Ogranicznik przepięć zgodnie z PN-EN 61643-11 typ 2 / klasa II
Największe napięcie trwałej pracy DC (UC ) 900 V
Znamionowy prąd wyładowczy (8/20 µs) (In ) 12,5 kA
Napięciowy poziom ochrony (UP ) ≤ 3,0 kV
Wytrzymałość zwarciowa bez bezpiecznika DC (ISCCR ) 100 A
Wytrzymałość zwarciowa przy maksymalnym bezpieczniku DC (ISCCR ) 25 kA
Maksymalny bezpiecznik dodatkowy 80 A gPV
Rodzaj zestyku zdalnej sygnalizacji (FM) bezpotencjałowy zestyk przełączny

Product 972145 was added to Notepad.

Product 972145 was added to the cart.


back to top