Equipotential bonding bars – telecommunication systems

Earthing busbars made of (V4A) stainless steel – robust and durable solutions for earthing connections in telecommunication systems. Available with 6 or 3 connecting points, they offer maximum flexibility and easy installation thanks to KS connectors and screw-nut fixing.

Approval: as per VG 96953-7

3 connections

1 Product

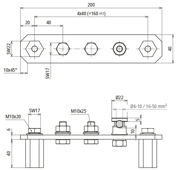
Part No. 472246 PAS 3AP M10 KSM10 V4A

GTIN 4013364459885, Customs tariff No. (EU): 85359000, Gross weight: 768.00 g, PU: 1.00 pc(s)


Images

Additional information

Equipotential bonding bar made from (V4A) stainless steel
For screwing on via hexagonal spacers
1x KS connector, 2x screws and nuts
Number of connections: 3
Connections: 1x KS connector, 2x M10 screw connection
Material: StSt (V4A)
Material No. : 1.4571 / 1.4404 / 1.4401
Dimensions: 200 x 40 x 6 mm
Cross-section: 240 mm2
Short-circuit current (AC 50 Hz / DC): 8.9 kA
Screw: M10 x 25 mm
Clamping range KS connector Rd.: 6-10 mm
Approval: As per VG96953
Military designation: VG96953T07E

Brand: DEHN
Type: PAS 3AP M10 KSM10 V4A
Part No.: 472246
or equivalent.

Certificates

 

Technical data

Number of connections 3
Connections 1x KS connector, 2x M10 screw connection
Material StSt (V4A)
Dimensions (l x w x d1) 200 x 40 x 6 mm
Cross-section 240 mm2
Short-circuit current (AC 50 Hz / DC) (1 s; ≤ 300°C) 8.9 kA
Screw di M10 x 25 mm
Clamping range KS connector Rd. 6-10 mm
Approval As per VG96953

Product 472246 was added to Notepad.

Product 472246 was added to the cart.


6 connections

1 Product

Part No. 472245 PAS 6AP M8 M10 KSM10 V4A

GTIN 4013364449268, Customs tariff No. (EU): 85359000, Gross weight: 1.12 kg, PU: 1.00 pc(s)


Images

Additional information

Equipotential bonding bar made from (V4A) stainless steel
For screwing on via hexagonal spacers
2x KS connectors, 1x 30-mm flat conductor,
2x screws and nuts
Number of connections: 6
Connections: 2x KS connector, 1x lug for 30-mm flat conductor, 2x M10 screw connection
Material: StSt (V4A)
Material No. : 1.4571 / 1.4404 / 1.4401
Dimensions: 320 x 40 x 6 mm
Cross-section: 240 mm2
Short-circuit current (AC 50 Hz / DC): 8.9 kA
Screw: M8 x 30 mm / M10 x 25 mm
Clamping range KS connector Rd.: 6-10 mm
Approval: As per VG96953
Military designation: VG96953T07D

Brand: DEHN
Type: PAS 6AP M8 M10 KSM10 V4A
Part No.: 472245
or equivalent.

Certificates

 

Technical data

Number of connections 6
Connections 2x KS connector, 1x lug for 30-mm flat conductor, 2x M10 screw connection
Material StSt (V4A)
Dimensions (l x w x d1) 320 x 40 x 6 mm
Cross-section 240 mm2
Short-circuit current (AC 50 Hz / DC) (1 s; ≤ 300°C) 8.9 kA
Screw di M8 x 30 mm / M10 x 25 mm
Clamping range KS connector Rd. 6-10 mm
Approval As per VG96953

Product 472245 was added to Notepad.

Product 472245 was added to the cart.


back to top