Klemmedel

Til forbindelse af fladt materiel med konstruktionsdele eller eksempelvis tilslutningsklemmer til stålbjælker (uden bor i fladbånd).

2 Products

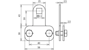
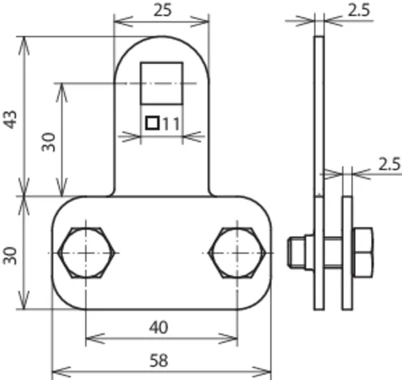
Part No. 380129 KS B11.11 FL30X4 V2A

GTIN 4013364150416, Customs tariff No. (EU): 85359000, Gross weight: 102.00 g, PU: 50.00 Pakkestørrelse


Images

Additional information

Klemmedel til tilslutning af fladt NIRO-materiale
Klemmedel til forbindelse af fladt materiale
med konstruktionsdele eller f.eks. tilslutningsklemmer
til stålbjælker (uden borehul i fladbåndet).
Klemmeområde (flad): Op til 30 x 4 mm
Materiale: Rustfrit
Tilslutningstype: tilslutning, der kan løsnes
Fastgørelse: Firkanthul 11 x 11 mm
Skrue: M8 x 16 mm
Skruemateriale : Rustfrit
Lynstrømsbæreevne (10/350 µs): *)
Standard: DIN EN 62561-1

fabrikat: DEHN
Type: KS B11.11 FL30X4 V2A
artikelnr.: 380129
eller tilsvarende

Certificates

 

Technical data

Klemmeområde (flad) Op til 30 x 4 mm
Materiale Rustfrit
Tilslutningstype tilslutning, der kan løsnes
Fastgørelse Firkanthul 11 x 11 mm
Skrue di M8 x 16 mm
Skruemateriale Rustfrit
Lynstrømsbæreevne (10/350 µs) = *)
Standard DIN EN 62561-1
*) Se den præcise tildeling på testcertifikatet.

Product 380129 was added to Notepad.

Product 380129 was added to the cart.

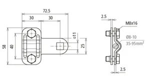
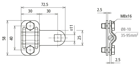
Part No. 380130 KS B11.11 8.10 V2A

GTIN 4013364512481, Customs tariff No. (EU): 85359000, Gross weight: 110.00 g, PU: 50.00 Pakkestørrelse


Images

Additional information

Klemmedel til tilslutning af rundt og fladt materiale NIRO
Klemmedel til tilslutning af
rundt og fladt materiale på
konstruktionsdele eller
f.eks. tilslutningsklemmer til
stålbjælker
(uden borehul i fladbåndet)
Klemmeområde (rund): 8-10 mm
Klemmeområde kabel: 35-95 mm2
Materiale: Rustfrit
Tilslutningstype: tilslutning, der kan løsnes
Fastgørelse: Firkanthul 11 x 11 mm
Skrue: M8 x 16 mm
Skruemateriale : Rustfrit
Lynstrømsbæreevne (10/350 µs): *)
Standard: DIN EN 62561-1

fabrikat: DEHN
Type: KS B11.11 8.10 V2A
artikelnr.: 380130
eller tilsvarende

Certificates

 

Technical data

Klemmeområde (rund) 8-10 mm
Klemmeområde kabel 35-95 mm2
Materiale Rustfrit
Tilslutningstype tilslutning, der kan løsnes
Fastgørelse Firkanthul 11 x 11 mm
Skrue di M8 x 16 mm
Skruemateriale Rustfrit
Lynstrømsbæreevne (10/350 µs) = *)
Standard DIN EN 62561-1
*) Se den præcise tildeling på testcertifikatet.

Product 380130 was added to Notepad.

Product 380130 was added to the cart.


back to top