Stands for air-termination rods D40 and GRP/Al supporting tubes

For erection with concrete bases (weight 17 kg). Adjustable to the roof slope up to max. 10° using a variable fixing on the base holder. The D40 air-termination rods / supporting tubes must be ordered separately.

The stackable concrete bases, the plastic base plates, the base holder set for holding additional concrete bases and the adapter set for D40 air-termination rods are each available separately in the accessories.

Note: Please contact us here at DEHN to find out whether the material of the roof conductor holders and plastic base plates is compatible with the roof elements.

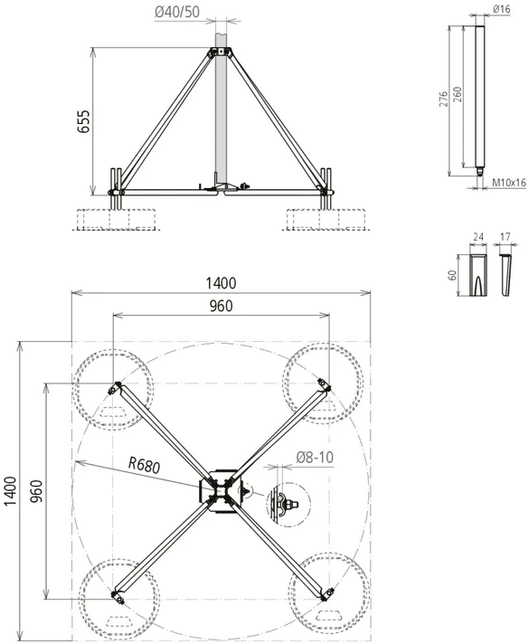
Tripod, small

For air-termination rods D40, DEHNiso Combi supporting tubes with air-termination rod / tip or HVI Conductor installed in / on the supporting tube.
Connection with double clamp for 2x Rd 8–10 mm [lightning-current-carrying capability 100 kA (10/350 µs)].

1 Product

Part No. 107390 DBS KB D50 RA680 V2A

GTIN 4013364478466, Customs tariff No. (EU): 85389099, Gross weight: 7.75 kg, PU: 1.00 pc(s)

Predecessor

Images

Additional information

Tripod, small, StSt (hinged design)
Tripod (hinged design) for supporting tubes
D 50 mm with side outlet or air-termination rod
D 40 mm with reduction accessories
With double clamp for the connection 2x Rd 8–10 mm
For erection with concrete bases (weight 17 kg)
Compensation for the roof slope angle up to max. 10°
Stackable concrete base (part no. 102 010)
Plastic base plate (part no. 102 050)
Base holder set (part no. 107 396)
Reduction accessories (part no. 107 399)
must be ordered separately.
Tripods are dimensioned in
line with Eurocode 1 (DIN EN 1991-1-4 + DIN
EN 1991-1-4/NA).
Material of tripod: StSt
Support: 50 and 40*) mm
Radius: 680 mm
Space required for tripod: 1175 x 1020 mm

Brand: DEHN
Type: DBS KB D50 RA680 V2A
Part No.: 107390
or equivalent.

Certificates

 

Technical data

Material of tripod StSt
Support 50 and 40*) mm
Radius 680 mm
Space required for tripod 1175 x 1020 mm
*) Only with adapter set part no. 107 399.

Product 107390 was added to Notepad.

Product 107390 was added to the cart.


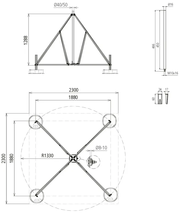
Tripod, large

For air-termination rods D40, DEHNiso Combi supporting tubes with air-termination rod / tip or HVI Conductor installed in / on the supporting tube.
Connection with double clamp for 2x Rd 8–10 mm [lightning-current-carrying capability 100 kA (10/350 µs)].

1 Product

Part No. 107391 DBS KB D50 RA1330 V2A

GTIN 4013364478473, Customs tariff No. (EU): 85389099, Gross weight: 15.60 kg, PU: 1.00 pc(s)

Predecessor

Images

Additional information

Tripod, large, StSt (hinged design)
Tripod (hinged design) for supporting tubes
D 50 mm with side outlet and double clamp for
the connection 2x Rd 8–10 mm, for erection with
concrete base (weight 17 kg) with adjustment to the roof slope to a max. of 10° using
the base holder set.
Stackable concrete base (part no. 102 010)
Plastic base plate (part no. 102 050)
Base holder set (part no. 107 396)
Reduction accessories (part no. 107 399)
must be ordered separately.
Tripods are dimensioned in
line with Eurocode 1 (DIN EN 1991-1-4 + DIN
EN 1991-1-4/NA).
Material of tripod: StSt
Support: 50 and 40*) mm
Radius: 1330 mm
Space required for tripod: 2300 x 1995 mm

Brand: DEHN
Type: DBS KB D50 RA1330 V2A
Part No.: 107391
or equivalent.

 

Technical data

Material of tripod StSt
Support 50 and 40*) mm
Radius 1330 mm
Space required for tripod 2300 x 1995 mm
*) Only with adapter set part no. 107 399.

Product 107391 was added to Notepad.

Product 107391 was added to the cart.


Four-legged stand, small

For air-termination rods D40, D50 and D60, DEHNiso Combi supporting tubes with air-termination rod / tip or HVI Conductor installed in / on the supporting tube.
Connection with double clamp for 2x Rd 8–10 mm [lightning-current-carrying capability 100 kA (10/350 µs)].

1 Product

Part No. 107490 VBS KB D50 RA680 V2A

GTIN 4013364478480, Customs tariff No. (EU): 85389099, Gross weight: 10.38 kg, PU: 1.00 pc(s)


Images

Additional information

Four-legged stand, small, StSt (hinged design)
Four-legged stand (hinged design) for supporting tubes
D 50 mm with side outlet or air-termination rod
D 40 mm with reduction accessories
With double clamp for the connection 2x Rd 8–10 mm
For erection with concrete bases (weight 17 kg)
Compensation for the roof slope angle up to max. 10°
Stackable concrete base (part no. 102 010)
Plastic base plate (part no. 102 050)
Base holder set (part no. 107 396)
Reduction accessories (part no. 107 399)
must be ordered separately.
Four-legged stands are dimensioned in
line with Eurocode 1 (DIN EN 1991-1-4 + DIN
EN 1991-1-4/NA).
Material of tripod: StSt
Support: 50 and 40*) mm
Radius: 680 mm
Space required for tripod: 960 x 960 mm

Brand: DEHN
Type: VBS KB D50 RA680 V2A
Part No.: 107490
or equivalent.

Certificates

 

Technical data

Material of tripod StSt
Support 50 and 40*) mm
Radius 680 mm
Space required for tripod 960 x 960 mm
*) Only with adapter set part no. 107 399.

Product 107490 was added to Notepad.

Product 107490 was added to the cart.


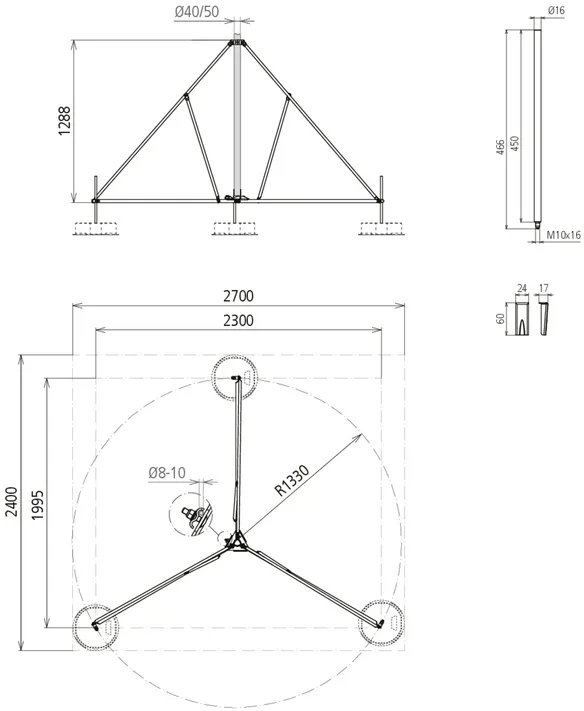
Four-legged stand, large

For air-termination rods D40, D50 and D60, DEHNiso Combi supporting tubes with air-termination rod / tip or HVI Conductor installed in / on the supporting tube.
Connection with double clamp for 2x Rd 8–10 mm [lightning-current-carrying capability 100 kA (10/350 µs)].

1 Product

Part No. 107491 VBS KB D50 RA1330 V2A

GTIN 4013364478497, Customs tariff No. (EU): 85389099, Gross weight: 17.63 kg, PU: 1.00 pc(s)


Images

Additional information

Four-legged stand, large, StSt, (hinged design)
Four-legged stand (hinged design) for supporting tubes
D 50 mm with side outlet or air-termination rod
D 40 mm with reduction accessories
With double clamp for the connection 2x Rd 8–10 mm
For erection with concrete bases (weight 17 kg)
Compensation for the roof slope angle up to max. 10°
Stackable concrete base (part no. 102 010)
Plastic base plate (part no. 102 050)
Base holder set (part no. 107 396)
Reduction accessories (part no. 107 399)
must be ordered separately.
Four-legged stands are dimensioned in
line with Eurocode 1 (DIN EN 1991-1-4 + DIN
EN 1991-1-4/NA).
Material of tripod: StSt
Support: 50 and 40*) mm
Radius: 1330 mm
Space required for tripod: 1880 x 1880 mm

Brand: DEHN
Type: VBS KB D50 RA1330 V2A
Part No.: 107491
or equivalent.

 

Technical data

Material of tripod StSt
Support 50 and 40*) mm
Radius 1330 mm
Space required for tripod 1880 x 1880 mm
*) Only with adapter set part no. 107 399.

Product 107491 was added to Notepad.

Product 107491 was added to the cart.


Hinged design, St/tZn

For air-termination rods Ø40 mm or supporting tubes Ø50 mm, length 3200 mm (e.g. Part No. 105 440 or 105 300) without additional fixing to structural elements.
Connection with double clamp for 2x Rd 8-10 mm [lightning current carrying capability 100 kA (10/350 µs)].

3 Products

Part No. 105200 DBS KB D40.50 RA560 STTZN

GTIN 4013364095908, Customs tariff No. (EU): 85389099, Gross weight: 9.60 kg, PU: 1.00 pc(s)


Images

Additional information

Hinged tripod for air-termination rods, HDG steel
Tripod for DEHNiso Combi
for free erection of the supporting tubes
or D40 air-termination rods
with a length of 3,200 mm
(e.g. Part No. 105 300 or 105 440),
without additional fixing to
structural elements
Adjustable to roof slope up to max. 10°.
The stackable concrete base (Part No. 102 010) and the
plastic base plate (Part No. 102 050) must be ordered
separately.
Material of tripod: St/tZn
Support: Ø40 / 50 mm
Radius: 560 mm
Space required for tripod: 1200 x 1330 mm
Number of concrete bases: 6 / 9 blocks, 17 kg each
Standard: EN 62561-1

Brand: DEHN
Type: DBS KB D40.50 RA560 STTZN
Part No.: 105200
or equivalent.

Certificates

 

Technical data

Material of tripod St/tZn
Support Ø40 / 50 mm
Radius 560 mm
Space required for tripod 1200 x 1330 mm
Standard EN 62561-1

Product 105200 was added to Notepad.

Product 105200 was added to the cart.

Part No. 105351 DBS KB D40.50 RA620 STTZN

GTIN 4013364238916, Customs tariff No. (EU): 85389099, Gross weight: 11.50 kg, PU: 1.00 pc(s)


Images

Additional information

Tripod for HVI Conductors, small, St/tZn
Tripod for HVI Conductors installed inside the supporting tube
Special type for supporting tubes (length of 3200 mm).
In order to keep within the bending radius of the HVI Conductor at the bottom of the tripod,
put 2 concrete bases under and one on top of the brace.
Adjustable to roof inclinations up to max. 10° without additional fixing on structural elements.
The stackable concrete base (Part No. 102 010) and the base plate (Part No. 102 050) have to be ordered separately.
Tripods are dimensioned according to Eurocode 1 (DIN EN 1991-1-4 + DIN EN 1991-1-4/NA).
Material of tripod: St/tZn
Support: 40 / 50 mm
Radius: 620 mm
Space required for tripod: 1300 x 1450 mm
Number of concrete bases: 3-12 blocks, 17 kg each

Brand: DEHN
Type: DBS KB D40.50 RA620 STTZN
Part No.: 105351
or equivalent.

Certificates

 

Technical data

Material of tripod St/tZn
Support 40 / 50 mm
Radius 620 mm
Space required for tripod 1300 x 1450 mm

Product 105351 was added to Notepad.

Product 105351 was added to the cart.

Part No. 105357 DBS KB D40.50 RA220 STTZN

GTIN 4013364527829, Customs tariff No. (EU): 85389099, Gross weight: 8.04 kg, PU: 1.00 pc(s)


Images

Additional information

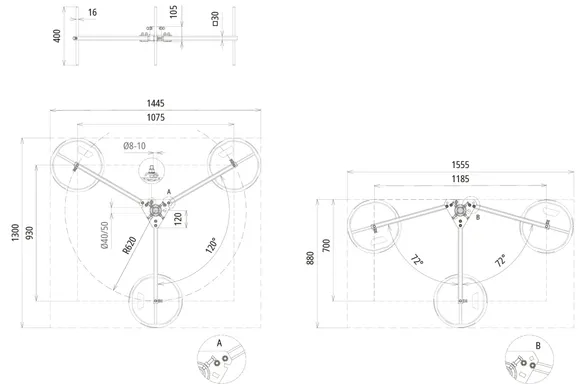
Space-saving tripod, height-adjustable and hinged
for supporting air-termination rods and supporting tubes
Ø40mm and Ø50mm
Compensation for roof pitches of up to 10° possible
holding of up to four concrete bases
per leg possible
Material of tripod: St/tZn
Support: 40 / 50 mm
Radius: 220 mm
Space required for tripod: 668 x 718 mm
Number of concrete bases: 3-12 blocks, 17 kg each
Standard: DIN EN 62561-1

Brand: DEHN
Type: DBS KB D40.50 RA220 STTZN
Part No.: 105357
or equivalent.

 

Technical data

Material of tripod St/tZn
Support 40 / 50 mm
Radius 220 mm
Space required for tripod 668 x 718 mm
Standard DIN EN 62561-1

Product 105357 was added to Notepad.

Product 105357 was added to the cart.


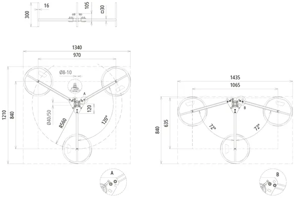
Tripod, small (discontinued)

1 Product

Part No. 105290 DBS KB D40.50 RA590 V2A

GTIN 4013364126046, Customs tariff No. (EU): 85389099, Gross weight: 8.40 kg, PU: 1.00 pc(s)


Images

Additional information

Hinged tripod for air-termination rods, StSt
Tripod for air-termination rods D40 and supporting
tubes GRP/Al
Installed in concrete bases (weight 17 kg)
Adjustable to a roof inclination up to max. 10°
by means of M16 threaded rod
Dimensioned for a wind speed up to 145 km/h
(wind load zone II).
The air-termination rods D40/supporting tubes or
the stackable concrete base (Part No. 102 010) and
the base plate (Part No. 102 050) have to be
ordered separately.
Hinged for air-termination rods D40 up to a height of
5.5 m.
Material of tripod: StSt
Support: Ø40 / 50 mm
Radius: 590 mm
Space required for tripod: 1230 x 1370 mm
Height - Number of concrete bases: 4000 / 4500 mm – 3 blocks 5000 / 5500 mm – 6 blocks

Brand: DEHN
Type: DBS KB D40.50 RA590 V2A
Part No.: 105290
or equivalent.

 

Technical data

Material of tripod StSt
Support Ø40 / 50 mm
Radius 590 mm
Space required for tripod 1230 x 1370 mm

Product 105290 was added to Notepad.

Product 105290 was added to the cart.


Separable design, StSt (discontinued)

For air-termination rods D40, DEHNiso Combi supporting tubes with air-termination rod tip or HVI Conductors installed in / on the supporting tube.

1 Product

Part No. 105291 DBS KB D40.50 RA1100 V2A

GTIN 4013364126053, Customs tariff No. (EU): 85389099, Gross weight: 19.00 kg, PU: 1.00 pc(s)


Images

Additional information

Separable tripod for air-termination rods, StSt
Tripod for air-termination rods D40 and supporting
tubes GRP/Al
For erection with concrete base (weight 17 kg)
Threaded rod M16 for adjustment to the roof
inclination up to max. 10 degrees.
Dimensioned for a wind velocity up to 145 km/h
(wind load zone II).
The air-termination rods D40/supporting tubes or
the stackable concrete base (Part No. 102 010) and
the base plate (Part No. 102 050) have to be
ordered separately.
Separable for air-termination rods D40 up to a height of
8.0 m.
Material of tripod: StSt
Support: Ø40 / 50 mm
Radius: 1155 mm
Space required for tripod: 2050 x 2300 mm
Height - Number of concrete bases: 6000 / 6500 mm – 6 blocks 7000-8000 mm – 9 blocks

Brand: DEHN
Type: DBS KB D40.50 RA1100 V2A
Part No.: 105291
or equivalent.

Certificates

 

Technical data

Material of tripod StSt
Support Ø40 / 50 mm
Radius 1155 mm
Space required for tripod 2050 x 2300 mm

Product 105291 was added to Notepad.

Product 105291 was added to the cart.


back to top