Leitungshalter für HVI Leitung in Ex-Bereichen

Der Betreiber einer explosionsgefährdeten Betriebsstätte ist verpflichtet, diese Anlagen / -teile in die unterschiedlichen explosionsgefährdeten Bereiche einzuteilen. Für diese Anlagen ist der Blitz als potentielle Zündquelle zu beachten. Aufgrund der nationalen Betriebssicherheitsverordnung wird die Erstellung eines Explosionsschutzdokumentes gefordert. Das Explosionsschutzdokument beschreibt die unterschiedlichen explosionsgefährdeten Bereiche.

Das Produkt HVI Leitung ist für den Einsatz in explosionsgefährdeten Bereichen der Ex-Zone 1 (Gase, Dämpfe, Nebel) sowie Ex-Zone 21 (Stäube) geeignet.
Die besonderen Installationsbedingungen stellen sicher, dass ein elektrischer Funke zu benachbarten metallenen Teilen beim Blitzstromdurchgang durch die HVI Leitung verhindert wird.

Details

lorem ipsum
lorem ipsum
Systemzeichnung – Verlegung in Ex-Zonen 1 und 21 an einer Metallfassade.
lorem ipsum

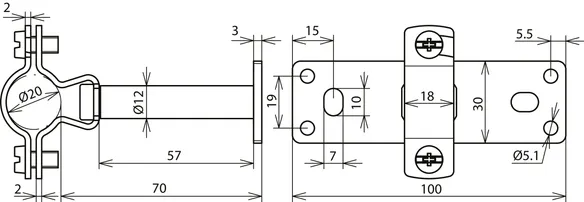
HVI Ex W70 holder

Zur Befestigung auf metallenen Konstruktionsteilen (Fassaden) in den Ex-Zonen 1 und 21.

1 Product

Part No. 275440 LH ZS 20 EX W70 BP V2A

GTIN 4013364146914, Customs tariff No. (EU): 85389099, Gross weight: 164.60 g, PU: 10.00 Stk.

Predecessor

Images

Additional information

Leitungshalter für HVI Leitung in Ex-Bereichen NIRO
Leitungshalter für HVI Leitung in Ex-Bereichen mit Distanzstück
70 mm zur Befestigung auf metallenen Konstruktionsteilen
(Fassaden) in den Ex-Zonen 1 und 21
Leitungshalter Aufnahme Rd: 20 mm
Befestigung: [4x] Ø5,1 / [2x] 7 x 10 mm
Normenbezug: DIN IEC/TS 62561-8 (VDE V 0185-561-8)

Fabrikat: DEHN
Typ: LH ZS 20 EX W70 BP V2A
Art.-Nr.: 275440
oder gleichwertig.

Certificates

 

Technical data

Werkstoff NIRO
Leitungshalter Aufnahme Rd 20 mm
Wandabstand 70 mm
Befestigung [4x] Ø5,1 / [2x] 7 x 10 mm
Normenbezug DIN IEC/TS 62561-8 (VDE V 0185-561-8)

Product 275440 was added to Notepad.

Product 275440 was added to the cart.


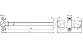
HVI Ex W200 holder

Zur Befestigung auf metallenen Konstruktionsteilen (Fassaden) in den Ex-Zonen 1 und 21.

1 Product

Part No. 275441 LH ZS 20 EX W200 BP V2A

GTIN 4013364146921, Customs tariff No. (EU): 85389099, Gross weight: 255.60 g, PU: 10.00 Stk.


Images

Additional information

Leitungshalter für HVI Leitung in Ex-Bereichen Ex W200 holder NIRO
Leitungshalter für HVI Leitung in Ex-Bereichen mit Distanzstück
200 mm zur Befestigung auf metallenen Konstruktionsteilen (Fassaden)
in den Ex-Zonen 1 und 21
Leitungshalter Aufnahme Rd: 20 mm
Befestigung: [4x] Ø5,1 / [2x] 7 x 10 mm
Normenbezug: DIN IEC/TS 62561-8 (VDE V 0185-561-8)

Fabrikat: DEHN
Typ: LH ZS 20 EX W200 BP V2A
Art.-Nr.: 275441
oder gleichwertig.

Certificates

 

Technical data

Werkstoff NIRO
Leitungshalter Aufnahme Rd 20 mm
Wandabstand 200 mm
Befestigung [4x] Ø5,1 / [2x] 7 x 10 mm
Normenbezug DIN IEC/TS 62561-8 (VDE V 0185-561-8)

Product 275441 was added to Notepad.

Product 275441 was added to the cart.


HVI Ex busbar 500

Für die Verlegung der HVI Leitung mit Leitungshaltern HVI Ex W70 holder (Art.-Nr. 275 440) auf einer nichtleitenden Struktur z. B. Stein, Holz.

1 Product

Part No. 275498 VS EX 500 V2A

GTIN 4013364146945, Customs tariff No. (EU): 85389099, Gross weight: 320.00 g, PU: 10.00 Stk.

Predecessor

Images

Additional information

Leitungshalter für HVI Leitung in Ex-Bereichen Ex busbar 500 NIRO
Verbindungsstrebe für die Verlegung der HVI Leitung
mit Leitungshaltern HVI Ex (Art.-Nr. 275 440, 275 441)
auf einer nichtleitenden Struktur z. B. Stein, Holz
Werkstoff Strebe: NIRO
Befestigung: [4x] Ø5,5 / [2x] 7 x 10 mm
Abmessung: 450 x 30 x 3 mm

Fabrikat: DEHN
Typ: VS EX 500 V2A
Art.-Nr.: 275498
oder gleichwertig.

Certificates

 

Technical data

Werkstoff Strebe NIRO
Befestigung [4x] Ø5,5 / [2x] 7 x 10 mm
Abmessung (l x b x t) 450 x 30 x 3 mm

Product 275498 was added to Notepad.

Product 275498 was added to the cart.


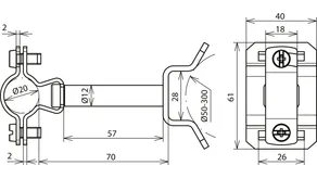
HVI Ex P70 holder

Zur Befestigung an Rohren z. B. mit Bandrohrschelle (Art.-Nr. 106 323) in den Ex-Zonen 1 und 21.

1 Product

Part No. 275444 LH ZS 20 EX P70 SBB V2A

GTIN 4013364244252, Customs tariff No. (EU): 85389099, Gross weight: 173.20 g, PU: 10.00 Stk.


Images

Additional information

Leitungshalter für HVI Leitung in Ex-Bereichen NIRO
Leitungshalter für HVI Leitung in Ex-Bereichen mit Distanzstück
70 mm zur Befestigung an Rohren z.B. mit Bandrohrschelle
(Art.-Nr. 106 323, separat zu bestellen) in den Ex-Zonen 1 und 21
Leitungshalter Aufnahme Rd: 20 mm
Klemmbereich Rohr: 50-300 mm
Normenbezug: DIN IEC/TS 62561-8 (VDE V 0185-561-8)

Fabrikat: DEHN
Typ: LH ZS 20 EX P70 SBB V2A
Art.-Nr.: 275444
oder gleichwertig.

Certificates

 

Technical data

Werkstoff NIRO
Leitungshalter Aufnahme Rd 20 mm
Wandabstand 70 mm
Klemmbereich Rohr 50-300 mm
Normenbezug DIN IEC/TS 62561-8 (VDE V 0185-561-8)

Product 275444 was added to Notepad.

Product 275444 was added to the cart.


HVI Ex P200 holder

Zur Befestigung an Rohren z. B. mit Bandrohrschelle (Art.-Nr. 106 323) in den Ex-Zonen 1 und 21.

1 Product

Part No. 275442 LH ZS 20 EX P200 SBB V2A

GTIN 4013364146938, Customs tariff No. (EU): 85389099, Gross weight: 264.00 g, PU: 10.00 Stk.

Predecessor

Images

Additional information

Leitungshalter für HVI Leitung in Ex-Bereichen Ex P200 holder NIRO
Leitungshalter für HVI Leitung in Ex-Bereichen mit Distanzstück
200 mm zur Befestigung an Rohren z.B. mit Bandrohrschelle
(Art.-Nr. 106 323, separat zu bestellen) in den Ex-Zonen 1 und 21
Leitungshalter Aufnahme Rd: 20 mm
Klemmbereich Rohr: 50-300 mm
Normenbezug: DIN IEC/TS 62561-8 (VDE V 0185-561-8)

Fabrikat: DEHN
Typ: LH ZS 20 EX P200 SBB V2A
Art.-Nr.: 275442
oder gleichwertig.

Certificates

 

Technical data

Werkstoff NIRO
Leitungshalter Aufnahme Rd 20 mm
Wandabstand 200 mm
Klemmbereich Rohr 50-300 mm
Normenbezug DIN IEC/TS 62561-8 (VDE V 0185-561-8)

Product 275442 was added to Notepad.

Product 275442 was added to the cart.


back to top