Zündfunkenfreie Ex-Potentialausgleichsschiene für Ex-Bereiche Zone 1/21, 2/22

Zündfunkenfreie Ex-Potentialausgleichsschiene zur Einbindung von metallischen Leitern und Leitungen in den Blitzschutz-Potentialausgleich nach VDE 0185-305-3 (IEC 62305-3) sowie den Schutz- und Funktionspotentialausgleich nach DIN VDE 0100 Teil 410/540.
  • Einsatz in explosionsgefährdeten Bereichen Ex-Zonen 1/21 und 2/22
  • Einsetzbar bis Explosionsgruppe IIC und Temperaturklasse T4
  • Auf Zündfunkenfreiheit geprüft nach CLC 50703-2 bis 100 kA
  • Blitzstromtragfähigkeitsklasse H
  • Schraubensicherung gegen Selbstlockern nach VDE 0185-305-3 Beiblatt 2
  • Flexibel konfigurierbar zur Realisierung unterschiedlicher Anschlussmöglichkeiten

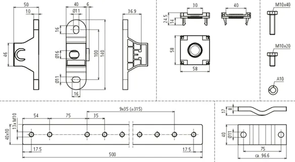
PAS EX 7(11)AP SET

  • Einsatz in explosionsgefährdeten Bereichen Ex-Zonen 1 und 2 (Gase, Dämpfe, Nebel) bis Explosionsgruppe IIC sowie Ex-Zonen 21 und 22 (Stäube)
  • Schraubensicherung gegen Selbstlockern
  • Bei Verwendung des Push-in Adapters ist ein Einsatz nur im Innenbereich zulässig

2 Products

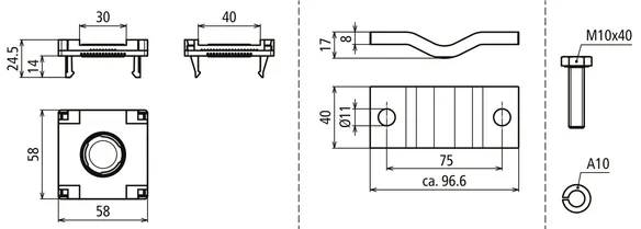
Part No. 472415 PAS EX 7AP SET

GTIN 4013364470590, Customs tariff No. (EU): 85359000, Gross weight: 3.23 kg, PU: 1.00 Stk.


Images

Additional information

Zündfunkenfreie Ex-Potentialausgleichsschiene PAS EX 7AP SET
Einbindung metallischen Leitern und Leitungen
in den Blitzschutz-Potentialausgleich nach
VDE 0185-305-3 (IEC 62305-3) sowie
den Schutz- und Funktionspotentialausgleich
nach DIN VDE 0100 Teil 410/540.
Einsatz Ex-Zonen 1 und 2 (Gase, Dämpfe, Nebel)
und Ex-Zonen 21 und 22 (Stäube)
Explosionsgruppe IIC (Sicherheitsfaktor 1)
nach CLC 50703-2;
Temperaturklasse T4 sowie DIN EN 62561-1
(VDE 0185-561-1)
Blitzstromtragfähigkeitsklasse H (100kA).
Schraubensicherung gegen Selbstlockern
nach VDE 0185-305-3 Beiblatt 2.
Einsatz sowohl im Innenbereich als auch
im Außenbereich zulässig.
Blitzstoßstrom (10/350 µs) NIRO (V4A) 30x3,5mm/40x5mm:
2HExIIC 75 kA (zündfunkenfrei) T4
Blitzstoßstrom (10/350 µs) NIRO (V4A) 30x3,5mm/40x5mm:
H 100 kA
Blitzstoßstrom (10/350 µs) St/tZn 30x3,5mm/40x5mm:
1HExIIC 100 kA (zündfunkenfrei) T4
Max. Kurzschlussstrom (AC 50Hz / DC / 5s) NIRO (V4A) 30x3,5mm/40x5mm:
750 A / T4
Max. Kurzschlussstrom (AC 50Hz / DC / 5s) St/tZn 30x3,5mm/40x5mm:
1500 A / T4
Blitzstoßstrom (10/350 µs) NIRO(V4A) Ø10 mm:
NExIIC 50 kA (zündfunkenfrei) T4
Blitzstoßstrom (10/350 µs) NIRO(V4A) Ø10 mm:
75 kA
Blitzstoßstrom (10/350 µs) St/tZn Ø10 mm:
2HExIIC 75 kA (zündfunkenfrei) T4
Blitzstoßstrom (10/350 µs) St/tZn Ø10 mm:
H 100kA
Max. Kurzschlussstrom (AC 50Hz / DC / 5s) NIRO(V4A) Ø10 mm:
650 A / T4
Max. Kurzschlussstrom (AC 50Hz / DC / 5s) St/tZn Ø10 mm:
1000 A / T4
Blitzstoßstrom (10/350 µs) Cu 16 - 95 mm²:
1HExIIC 100 kA (zündfunkenfrei) T4
Max. Kurzschlussstrom (AC 50Hz / DC / 5s) Cu 16mm²:
750 A / T4
Max. Kurzschlussstrom (AC 50Hz / DC / 5s) Cu 95mm²:
3,1 kA / T4
Nennableitstoßstrom (8/20 µs) pro Ader (In) 4-10mm² Cu:
10 kA (zündfunkenfrei)
Nennableitstoßstrom (8/20 µs) pro Ader (In) 16mm² Cu:
15 kA (zündfunkenfrei)
Blitzstoßstrom (10/350 µs) Cu 4-16 mm² (pro Ader):
3kA (zündfunkenfrei)
Blitzstoßstrom (10/350 µs) Cu 16 mm² (pro Ader):
25kA (pro Ader)
Max. Oberflächentemperatur T4: 135 °C
Um Whiskerbildung im Ex-Bereich zu vermeiden,
wird der Einsatz von verzinnten Presskabelschuhen
mit einer Nickelsperrschicht empfohlen.
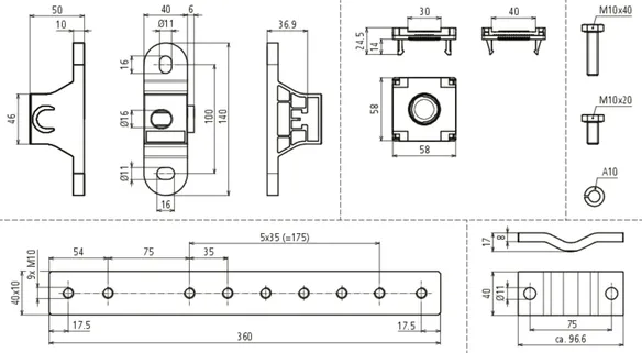
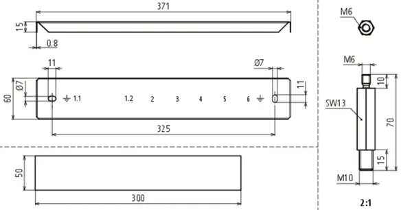
Schiene: 360 x 40 x 10 mm
Abmessung: 382 x 140 x 101 mm
Anschlüsse: 1x Flachleiter 30/40mm oder
Adapter für Rd 10mm,
1x flexible/ starre Leiter 16-95mm²
mittels Kabelschuh
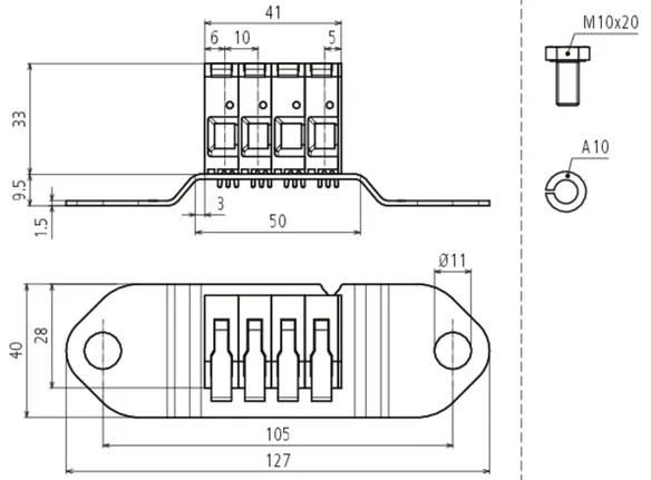
1x Push-in Adapter 4x 4-16mm²
Werkstoff: NIRO, Werkstoff-Nr. : 1.4301 / 1.4303
Isolator/Adaptergehäuse Fl: Polyamid, halogenfrei
blau, UV-stabilisiert
Push-in Adapter: Polyamid
Normenbezug: DIN EN 62561-1 / CLC 50703-2

Fabrikat: DEHN
Typ: PAS EX 7AP SET
Art.-Nr.: 472415
oder gleichwertig.

Certificates

 

Technical data

Anschluss Rd/Fl 1x Flachleiter 30/40 mm oder 1x Rundleiter 10 mm
Anschluss Verbindungsklemme 4x 4-16 mm²
Anschluss Kabelschuh 1x flexible / starre Leiter 16-95 mm²
Abmessung 382 x 140 x 101 mm
Blitzstoßstrom (10/350 µs) NIRO (V4A) 30x3,5 mm / 40x5 mm 2HExIIC 75 kA (zündfunkenfrei) T4
Blitzstoßstrom (10/350 µs) St/tZn 30x3,5 mm / 40x5 mm 1HExIIC 100 kA (zündfunkenfrei) T4
Blitzstoßstrom (10/350 µs) NIRO (V4A) Ø10 mm NExIIC 50 kA (zündfunkenfrei) T4
Blitzstoßstrom (10/350 µs) St/tZn Ø10 mm 2HExIIC 75 kA (zündfunkenfrei) T4
Blitzstoßstrom (10/350 µs) Cu 16-95 mm2 1HExIIC 100 kA (zündfunkenfrei) T4
Blitzstoßstrom (10/350 µs) Cu 4-16 mm² (pro Ader) 3 kA (zündfunkenfrei)
Nennableitstoßstrom (8/20 µs) pro Ader (In) Cu 4-10 mm² 10 kA (zündfunkenfrei)
Nennableitstoßstrom (8/20 µs) pro Ader (In) Cu 16 mm² 15 kA (zündfunkenfrei)
Max. Kurzschlussstrom (AC 50 Hz / DC / 5 s) NIRO (V4A) 30x3,5 mm / 40x5 mm 750 A / T4
Max. Kurzschlussstrom (AC 50 Hz / DC / 5 s) St/tZn 30x3,5 mm / 40x5 mm 1500 A / T4
Max. Kurzschlussstrom (AC 50 Hz / DC / 5s) NIRO (V4A) Ø10 mm 650 A / T4
Max. Kurzschlussstrom (AC 50 Hz / DC / 5s) St/tZn Ø10 mm 1000 A / T4
Normenbezug DIN EN 62561-1 / CLC 50703-2

Product 472415 was added to Notepad.

Product 472415 was added to the cart.

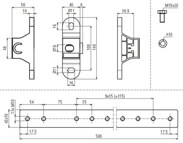
Part No. 472425 PAS EX 11AP SET

GTIN 4013364470606, Customs tariff No. (EU): 85359000, Gross weight: 3.82 kg, PU: 1.00 Stk.


Images

Additional information

Zündfunkenfreie Ex-Potentialausgleichsschiene PAS EX 11AP SET
Einbindung metallischen Leitern und Leitungen
in den Blitzschutz-Potentialausgleich nach
VDE 0185-305-3 (IEC 62305-3) sowie
den Schutz- und Funktionspotentialausgleich
nach DIN VDE 0100 Teil 410/540.
Einsatz Ex-Zonen 1 und 2 (Gase, Dämpfe, Nebel)
und Ex-Zonen 21 und 22 (Stäube)
Explosionsgruppe IIC (Sicherheitsfaktor 1)
nach CLC 50703-2;
Temperaturklasse T4 sowie DIN EN 62561-1
(VDE 0185-561-1)
Blitzstromtragfähigkeitsklasse H (100kA).
Schraubensicherung gegen Selbstlockern
nach VDE 0185-305-3 Beiblatt 2.
Einsatz sowohl im Innenbereich als auch
im Außenbereich zulässig.
Blitzstoßstrom (10/350 µs) NIRO (V4A) 30x3,5mm/40x5mm:
2HExIIC 75 kA (zündfunkenfrei) T4
Blitzstoßstrom (10/350 µs) NIRO (V4A) 30x3,5mm/40x5mm:
H 100 kA
Blitzstoßstrom (10/350 µs) St/tZn 30x3,5mm/40x5mm:
1HExIIC 100 kA (zündfunkenfrei) T4
Max. Kurzschlussstrom (AC 50Hz / DC / 5s) NIRO (V4A) 30x3,5mm/40x5mm:
750 A / T4
Max. Kurzschlussstrom (AC 50Hz / DC / 5s) St/tZn 30x3,5mm/40x5mm:
1500 A / T4
Blitzstoßstrom (10/350 µs) NIRO(V4A) Ø10 mm:
NExIIC 50 kA (zündfunkenfrei) T4
Blitzstoßstrom (10/350 µs) NIRO(V4A) Ø10 mm:
75 kA
Blitzstoßstrom (10/350 µs) St/tZn Ø10 mm:
2HExIIC 75 kA (zündfunkenfrei) T4
Blitzstoßstrom (10/350 µs) St/tZn Ø10 mm:
H 100kA
Max. Kurzschlussstrom (AC 50Hz / DC / 5s) NIRO(V4A) Ø10 mm:
650 A / T4
Max. Kurzschlussstrom (AC 50Hz / DC / 5s) St/tZn Ø10 mm:
1000 A / T4
Blitzstoßstrom (10/350 µs) Cu 16 - 95 mm²:
1HExIIC 100 kA (zündfunkenfrei) T4
Max. Kurzschlussstrom (AC 50Hz / DC / 5s) Cu 16mm²:
750 A / T4
Max. Kurzschlussstrom (AC 50Hz / DC / 5s) Cu 95mm²:
3,1 kA / T4
Nennableitstoßstrom (8/20 µs) pro Ader (In) 4-10mm² Cu:
10 kA (zündfunkenfrei)
Nennableitstoßstrom (8/20 µs) pro Ader (In) 16mm² Cu:
15 kA (zündfunkenfrei)
Blitzstoßstrom (10/350 µs) Cu 4-16 mm² (pro Ader):
3kA (zündfunkenfrei)
Blitzstoßstrom (10/350 µs) Cu 16 mm² (pro Ader):
25kA (pro Ader)
Max. Oberflächentemperatur T4: 135 °C
Um Whiskerbildung im Ex-Bereich zu vermeiden,
wird der Einsatz von verzinnten Presskabelschuhen
mit einer Nickelsperrschicht empfohlen.
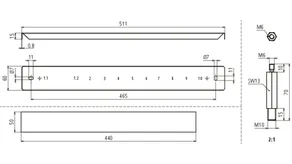
Schiene: 500 x 40 x 10 mm
Abmessung: 522 x 140 x 101 mm
Anschlüsse: 1x Flachleiter 30/40mm
oder Adapter für Rd 10mm,
5x flexible/ starre Leiter 16-95mm²
mittels Kabelschuh
1x Push-in Adapter 4x 4-16mm²
Werkstoff: NIRO,
Werkstoff-Nr. : 1.4301 / 1.4303
Isolator/Adaptergehäuse Fl: Polyamid, halogenfrei
blau, UV-stabilisiert
Push-in Adapter: Polyamid
Normenbezug: DIN EN 62561-1 / CLC 50703-2

Fabrikat: DEHN
Typ: PAS EX 11AP SET
Art.-Nr.: 472425
oder gleichwertig.

Certificates

 

Technical data

Anschluss Rd/Fl 1x Flachleiter 30/40 mm oder 1x Rundleiter 10 mm
Anschluss Verbindungsklemme 4x 4-16 mm²
Anschluss Kabelschuh 5x flexible / starre Leiter 16-95 mm²
Abmessung 522 x 140 x 101 mm
Blitzstoßstrom (10/350 µs) NIRO (V4A) 30x3,5 mm / 40x5 mm 2HExIIC 75 kA (zündfunkenfrei) T4
Blitzstoßstrom (10/350 µs) St/tZn 30x3,5 mm / 40x5 mm 1HExIIC 100 kA (zündfunkenfrei) T4
Blitzstoßstrom (10/350 µs) NIRO (V4A) Ø10 mm NExIIC 50 kA (zündfunkenfrei) T4
Blitzstoßstrom (10/350 µs) St/tZn Ø10 mm 2HExIIC 75 kA (zündfunkenfrei) T4
Blitzstoßstrom (10/350 µs) Cu 16-95 mm2 1HExIIC 100 kA (zündfunkenfrei) T4
Blitzstoßstrom (10/350 µs) Cu 4-16 mm² (pro Ader) 3 kA (zündfunkenfrei)
Nennableitstoßstrom (8/20 µs) pro Ader (In) Cu 4-10 mm² 10 kA (zündfunkenfrei)
Nennableitstoßstrom (8/20 µs) pro Ader (In) Cu 16 mm² 15 kA (zündfunkenfrei)
Max. Kurzschlussstrom (AC 50 Hz / DC / 5 s) NIRO (V4A) 30x3,5 mm / 40x5 mm 750 A / T4
Max. Kurzschlussstrom (AC 50 Hz / DC / 5 s) St/tZn 30x3,5 mm / 40x5 mm 1500 A / T4
Max. Kurzschlussstrom (AC 50 Hz / DC / 5s) NIRO (V4A) Ø10 mm 650 A / T4
Max. Kurzschlussstrom (AC 50 Hz / DC / 5s) St/tZn Ø10 mm 1000 A / T4
Normenbezug DIN EN 62561-1 / CLC 50703-2

Product 472425 was added to Notepad.

Product 472425 was added to the cart.


PAS EX 1+5(9)AP M10 V2A

  • Einsatz in explosionsgefährdeten Bereichen Ex-Zonen 1 und 2 (Gase, Dämpfe, Nebel) bis Explosionsgruppe IIC sowie Ex-Zonen 21 und 22 (Stäube)
  • Schraubensicherung gegen Selbstlockern
  • Einsatz sowohl im Innenbereich als auch im Außenbereich zulässig

2 Products

Part No. 472410 PAS EX 1+5AP M10 V2A

GTIN 4013364470521, Customs tariff No. (EU): 85359000, Gross weight: 1.96 kg, PU: 1.00 Stk.


Images

Additional information

Zündfunkenfreie Ex-Potentialausgleichsschiene PAS EX 1+5AP M10 V2A
Einbindung metallischen Leitern und Leitungen
in den Blitzschutz-Potentialausgleich nach
VDE 0185-305-3 (IEC 62305-3) sowie den
Schutz- und Funktionspotentialausgleich
nach DIN VDE 0100 Teil 410/540.
Einsatz Ex-Zonen 1 und 2
(Gase, Dämpfe, Nebel) und
Ex-Zonen 21 und 22 (Stäube)
Explosionsgruppe IIC (Sicherheitsfaktor 1)
nach CLC 50703-2;
Temperaturklasse T4 sowie DIN EN 62561-1
(VDE 0185-561-1)
Blitzstromtragfähigkeitsklasse H (100kA).
Schraubensicherung gegen Selbstlockern
nach VDE 0185-305-3 Beiblatt 2.
Einsatz sowohl im Innenbereich als auch
im Außenbereich zulässig.
Blitzstoßstrom (10/350 µs) NIRO (V4A) 30x3,5mm/40x5mm:
2HExIIC 75 kA (zündfunkenfrei) T4
Blitzstoßstrom (10/350 µs) NIRO (V4A) 30x3,5mm/40x5mm:
H 100 kA
Blitzstoßstrom (10/350 µs) St/tZn 30x3,5mm/40x5mm:
1HExIIC 100 kA (zündfunkenfrei) T4
Max. Kurzschlussstrom (AC 50Hz / DC / 5s) NIRO (V4A) 30x3,5mm/40x5mm:
750 A / T4
Max. Kurzschlussstrom (AC 50Hz / DC / 5s) St/tZn 30x3,5mm/40x5mm:
1500 A / T4
Blitzstoßstrom (10/350 µs) Cu 16 - 95 mm²:
1HExIIC 100 kA (zündfunkenfrei) T4
Max. Kurzschlussstrom (AC 50Hz / DC / 5s) Cu 16mm²:
750 A / T4
Max. Kurzschlussstrom (AC 50Hz / DC / 5s) Cu 95mm²:
3,1 kA / T4
Max. Oberflächentemperatur T4: 135 °C
Um Whiskerbildung im Ex-Bereich zu vermeiden,
wird der Einsatz von verzinnten Presskabelschuhen
mit einer Nickelsperrschicht empfohlen.
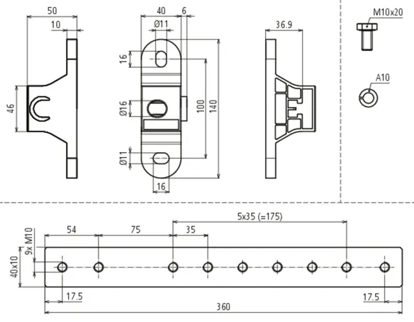
Schiene: 360 x 40 x 10 mm
Abmessung: 382 x 140 x 101 mm
Anschlüsse: 1 Flach (M10 x 40 mm mit Federring)
+ 5 Kabelschuh (M10 x 20 mm mit Federring)
PA-Schiene/Überleger/Schrauben/Federring:
NIRO, Werkstoff-Nr. : 1.4301 / 1.4303
Isolator/Adaptergehäuse Fl:
Polyamid, halogenfrei blau, UV-stabilisiert
Normenbezug: DIN EN 62561-1 / CLC 50703-2

Fabrikat: DEHN
Typ: PAS EX 1+5AP M10 V2A
Art.-Nr.: 472410
oder gleichwertig.

Certificates

 

Technical data

Anschluss Fl 1x Flachleiter 30/40 mm
Anschluss Kabelschuh 5x flexible / starre Leiter 16-95 mm²
Abmessung 382 x 140 x 65 mm
Blitzstoßstrom (10/350 µs) NIRO (V4A) 30x3,5 mm / 40x5 mm 2HExIIC 75 kA (zündfunkenfrei) T4
Blitzstoßstrom (10/350 µs) St/tZn 30x3,5 mm / 40x5 mm 1HExIIC 100 kA (zündfunkenfrei) T4
Blitzstoßstrom (10/350 µs) Cu 16-95 mm2 1HExIIC 100 kA (zündfunkenfrei) T4
Max. Kurzschlussstrom (AC 50 Hz / DC / 5 s) NIRO (V4A) 30x3,5 mm / 40x5 mm 750 A / T4
Max. Kurzschlussstrom (AC 50 Hz / DC / 5 s) St/tZn 30x3,5 mm / 40x5 mm 1500 A / T4
Normenbezug DIN EN 62561-1 / CLC 50703-2
In Bezug auf die Korrosionsbeständigkeit sind die verwendeten Materialien bei den PAS EX (z. B. Cu/galSn, NIRO, Polyamid, Polyurethan-Ester) bezüglich deren Anwendbarkeit in der vorhandenen Umgebungsbedingung zu prüfen.

Product 472410 was added to Notepad.

Product 472410 was added to the cart.

Part No. 472420 PAS EX 1+9AP M10 V2A

GTIN 4013364476059, Customs tariff No. (EU): 85359000, Gross weight: 2.50 kg, PU: 1.00 Stk.


Images

Additional information

Zündfunkenfreie Ex-Potentialausgleichsschiene PAS EX 1+9AP M10 V2A
Einbindung metallischen Leitern und Leitungen
in den Blitzschutz-Potentialausgleich nach
VDE 0185-305-3 (IEC 62305-3) sowie den
Schutz- und Funktionspotentialausgleich
nach DIN VDE 0100 Teil 410/540.
Einsatz Ex-Zonen 1 und 2
(Gase, Dämpfe, Nebel) und
Ex-Zonen 21 und 22 (Stäube)
Explosionsgruppe IIC (Sicherheitsfaktor 1)
nach CLC 50703-2;
Temperaturklasse T4 sowie DIN EN 62561-1
(VDE 0185-561-1)
Blitzstromtragfähigkeitsklasse H (100kA).
Schraubensicherung gegen Selbstlockern
nach VDE 0185-305-3 Beiblatt 2.
Einsatz sowohl im Innenbereich als auch
im Außenbereich zulässig.
Blitzstoßstrom (10/350 µs) NIRO (V4A) 30x3,5mm/40x5mm:
2HExIIC 75 kA (zündfunkenfrei) T4
Blitzstoßstrom (10/350 µs) NIRO (V4A) 30x3,5mm/40x5mm:
H 100 kA
Blitzstoßstrom (10/350 µs) St/tZn 30x3,5mm/40x5mm:
1HExIIC 100 kA (zündfunkenfrei) T4
Max. Kurzschlussstrom (AC 50Hz / DC / 5s) NIRO (V4A) 30x3,5mm/40x5mm:
750 A / T4
Max. Kurzschlussstrom (AC 50Hz / DC / 5s) St/tZn 30x3,5mm/40x5mm:
1500 A / T4
Blitzstoßstrom (10/350 µs) Cu 16 - 95 mm²:
1HExIIC 100 kA (zündfunkenfrei) T4
Max. Kurzschlussstrom (AC 50Hz / DC / 5s) Cu 16mm²:
750 A / T4
Max. Kurzschlussstrom (AC 50Hz / DC / 5s) Cu 95mm²:
3,1 kA / T4
Max. Oberflächentemperatur T4: 135 °C
Um Whiskerbildung im Ex-Bereich zu vermeiden,
wird der Einsatz von verzinnten Presskabelschuhen
mit einer Nickelsperrschicht empfohlen.
Schiene: 500 x 40 x 10 mm
Abmessung: 522 x 140 x 101 mm
Anschlüsse: 1 Flach (M10 x 40 mm mit Federring)
+ 9 Kabelschuh (M10 x 20 mm mit Federring)
PA-Schiene/Überleger/Schrauben/Federring:
NIRO, Werkstoff-Nr. : 1.4301 / 1.4303
Isolator/Adaptergehäuse Fl: Polyamid,
halogenfrei blau, UV-stabilisiert
Normenbezug: DIN EN 62561-1 / CLC 50703-2

Fabrikat: DEHN
Typ: PAS EX 1+9AP M10 V2A
Art.-Nr.: 472420
oder gleichwertig.

Certificates

 

Technical data

Anschluss Fl 1x Flachleiter 30/40 mm
Anschluss Kabelschuh 9x flexible / starre Leiter 16-95 mm²
Abmessung 522 x 140 x 65 mm
Blitzstoßstrom (10/350 µs) NIRO (V4A) 30x3,5 mm / 40x5 mm 2HExIIC 75 kA (zündfunkenfrei) T4
Blitzstoßstrom (10/350 µs) St/tZn 30x3,5 mm / 40x5 mm 1HExIIC 100 kA (zündfunkenfrei) T4
Blitzstoßstrom (10/350 µs) Cu 16-95 mm2 1HExIIC 100 kA (zündfunkenfrei) T4
Max. Kurzschlussstrom (AC 50 Hz / DC / 5 s) NIRO (V4A) 30x3,5 mm / 40x5 mm 750 A / T4
Max. Kurzschlussstrom (AC 50 Hz / DC / 5 s) St/tZn 30x3,5 mm / 40x5 mm 1500 A / T4
Normenbezug DIN EN 62561-1 / CLC 50703-2
In Bezug auf die Korrosionsbeständigkeit sind die verwendeten Materialien bei den PAS EX (z. B. Cu/galSn, NIRO, Polyamid, Polyurethan-Ester) bezüglich deren Anwendbarkeit in der vorhandenen Umgebungsbedingung zu prüfen.

Product 472420 was added to Notepad.

Product 472420 was added to the cart.


PAS EX 7(11)AP M10 V2A

  • Einsatz in explosionsgefährdeten Bereichen Ex-Zonen 1 und 2 (Gase, Dämpfe, Nebel) bis Explosionsgruppe IIC sowie Ex-Zonen 21 und 22 (Stäube)
  • Schraubensicherung gegen Selbstlockern
  • Einsatz sowohl im Innenbereich als auch im Außenbereich zulässig

2 Products

Part No. 472411 PAS EX 7AP M10 V2A

GTIN 4013364470460, Customs tariff No. (EU): 85359000, Gross weight: 1.65 kg, PU: 1.00 Stk.


Images

Additional information

Zündfunkenfreie Ex-Potentialausgleichsschiene PAS EX 7AP M10 V2A
Einbindung metallischen Leitern und Leitungen
in den Blitzschutz-Potentialausgleich nach
VDE 0185-305-3 (IEC 62305-3) sowie
den Schutz- und Funktionspotentialausgleich
nach DIN VDE 0100 Teil 410/540.
Einsatz Ex-Zonen 1 und 2 (Gase, Dämpfe, Nebel)
und Ex-Zonen 21 und 22 (Stäube)
Explosionsgruppe IIC (Sicherheitsfaktor 1)
nach CLC 50703-2;
Temperaturklasse T4 sowie DIN EN 62561-1
(VDE 0185-561-1)
Blitzstromtragfähigkeitsklasse H (100kA).
Schraubensicherung gegen Selbstlockern
nach VDE 0185-305-3 Beiblatt 2.
Einsatz sowohl im Innenbereich als auch
im Außenbereich zulässig.
Blitzstoßstrom (10/350 µs) Cu 16 - 95 mm²:
1HExIIC 100 kA (zündfunkenfrei) T4
Max. Kurzschlussstrom (AC 50Hz / DC / 5s) Cu 16mm²:
750 A / T4
Max. Kurzschlussstrom (AC 50Hz / DC / 5s) Cu 95mm²:
3,1 kA / T4
Max. Oberflächentemperatur T4: 135 °C
Um Whiskerbildung im Ex-Bereich zu vermeiden,
wird der Einsatz von verzinnten Presskabelschuhen
mit einer Nickelsperrschicht empfohlen.
Schiene: 300 x 40 x 10 mm
Abmessung: 382 x 140 x 101 mm
Anschlüsse: 7 Kabelschuh (M10 x 20 mm mit Federring)
PA-Schiene/Schrauben/Federring: NIRO,
Werkstoff-Nr. : 1.4301 / 1.4303
Isolator: Polyamid, halogenfrei blau, UV-stabilisiert
Normenbezug: DIN EN 62561-1 / CLC 50703-2

Fabrikat: DEHN
Typ: PAS EX 7AP M10 V2A
Art.-Nr.: 472411
oder gleichwertig.

Certificates

 

Technical data

Anschluss Kabelschuh 7x flexible / starre Leiter 16-95 mm²
Abmessung 382 x 140 x 50 mm
Blitzstoßstrom (10/350 µs) Cu 16-95 mm2 1HExIIC 100 kA (zündfunkenfrei) T4
Normenbezug DIN EN 62561-1 / CLC 50703-2
In Bezug auf die Korrosionsbeständigkeit sind die verwendeten Materialien bei den PAS EX (z. B. Cu/galSn, NIRO, Polyamid, Polyurethan-Ester) bezüglich deren Anwendbarkeit in der vorhandenen Umgebungsbedingung zu prüfen.

Product 472411 was added to Notepad.

Product 472411 was added to the cart.

Part No. 472421 PAS EX 11AP M10 V2A

GTIN 4013364470477, Customs tariff No. (EU): 85359000, Gross weight: 2.16 kg, PU: 1.00 Stk.


Images

Additional information

Zündfunkenfreie Ex-Potentialausgleichsschiene PAS EX 11AP M10 V2A
Einbindung metallischen Leitern und Leitungen
in den Blitzschutz-Potentialausgleich nach
VDE 0185-305-3 (IEC 62305-3) sowie
den Schutz- und Funktionspotentialausgleich
nach DIN VDE 0100 Teil 410/540.
Einsatz Ex-Zonen 1 und 2 (Gase, Dämpfe, Nebel)
und Ex-Zonen 21 und 22 (Stäube)
Explosionsgruppe IIC (Sicherheitsfaktor 1)
nach CLC 50703-2;
Temperaturklasse T4 sowie DIN EN 62561-1
(VDE 0185-561-1)
Blitzstromtragfähigkeitsklasse H (100kA).
Schraubensicherung gegen Selbstlockern
nach VDE 0185-305-3 Beiblatt 2.
Einsatz sowohl im Innenbereich als auch
im Außenbereich zulässig.
Blitzstoßstrom (10/350 µs) Cu 16 - 95 mm²:
1HExIIC 100 kA (zündfunkenfrei) T4
Max. Kurzschlussstrom (AC 50Hz / DC / 5s) Cu 16mm²:
750 A / T4
Max. Kurzschlussstrom (AC 50Hz / DC / 5s) Cu 95mm²:
3,1 kA / T4
Max. Oberflächentemperatur T4: 135 °C
Um Whiskerbildung im Ex-Bereich zu vermeiden,
wird der Einsatz von verzinnten Presskabelschuhen
mit einer Nickelsperrschicht empfohlen.
Schiene: 500 x 40 x 10 mm
Abmessung: 522 x 140 x 101 mm
Anschlüsse: 11 Kabelschuh (M10 x 20 mm mit Federring)
PA-Schiene/Schrauben/Federring:
NIRO, Werkstoff-Nr. : 1.4301 / 1.4303
Isolator: Polyamid, halogenfrei blau, UV-stabilisiert
Normenbezug: DIN EN 62561-1 / CLC 50703-2

Fabrikat: DEHN
Typ: PAS EX 11AP M10 V2A
Art.-Nr.: 472421
oder gleichwertig.

Certificates

 

Technical data

Anschluss Kabelschuh 11x flexible / starre Leiter 16-95 mm²
Abmessung 522 x 140 x 50 mm
Blitzstoßstrom (10/350 µs) Cu 16-95 mm2 1HExIIC 100 kA (zündfunkenfrei) T4
Normenbezug DIN EN 62561-1 / CLC 50703-2
In Bezug auf die Korrosionsbeständigkeit sind die verwendeten Materialien bei den PAS EX (z. B. Cu/galSn, NIRO, Polyamid, Polyurethan-Ester) bezüglich deren Anwendbarkeit in der vorhandenen Umgebungsbedingung zu prüfen.

Product 472421 was added to Notepad.

Product 472421 was added to the cart.


PAS EX AD 7(11) AP

Abdeckung mit Abstandsbolzen für zündfunkenfreie Ex-Potentialausgleichsschiene PAS EX. Mit Anschlussnummerierung und Bezeichnungsschild.

2 Products

Part No. 472412 PAS EX AD 7 AP

GTIN 4013364470491, Customs tariff No. (EU): 85389099, Gross weight: 576.00 g, PU: 1.00 Stk.


Images

Additional information

Abdeckung mit Abstandsbolzen
und Bezeichnungsschild für
PAS EX 1+5AP M10 V2A und
PAS EX 7AP M10 V2A
Werkstoff: NIRO,
Werkstoff-Nr. : 1.4301 / 1.4303

Fabrikat: DEHN
Typ: PAS EX AD 7 AP
Art.-Nr.: 472412
oder gleichwertig.

 

Technical data

Werkstoff NIRO

Product 472412 was added to Notepad.

Product 472412 was added to the cart.

Part No. 472422 PAS EX AD 11 AP

GTIN 4013364470507, Customs tariff No. (EU): 85389099, Gross weight: 658.00 g, PU: 1.00 Stk.


Images

Additional information

Abdeckung mit Abstandsbolzen
und Bezeichnungsschild für
PAS EX 1+9AP M10 V2A und
PAS EX 11AP M10 V2A
Werkstoff: NIRO,
Werkstoff-Nr. : 1.4301 / 1.4303

Fabrikat: DEHN
Typ: PAS EX AD 11 AP
Art.-Nr.: 472422
oder gleichwertig.

 

Technical data

Werkstoff NIRO

Product 472422 was added to Notepad.

Product 472422 was added to the cart.


PAS EX CC

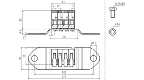
Push-in Adapter für zündfunkenfreie Ex-Potentialausgleichsschiene PAS EX zum einfachen Anschluss von flexiblen Leitungen. Einsatz in explosionsgefährdeten Bereichen Ex-Zonen 1 und 2 (Gase, Dämpfe, Nebel) bis Explosionsgruppe IIC sowie Ex-Zonen 21 und 22 (Stäube). Einsatz nur im Innenbereich zulässig.

1 Product

Part No. 472497 PAS EX CC

GTIN 4013364470484, Customs tariff No. (EU): 85359000, Gross weight: 196.00 g, PU: 1.00 Stk.


Images

Additional information

Push-in Adapter zur Kontaktierung
von flexiblen Leitungen 4x 4-16mm² auf PAS EX...
Einsatz in explosionsgefährdeten Bereichen
Ex-Zonen 1 und 2 (Gase, Dämpfe, Nebel)
sowie Ex-Zonen 21 und 22 (Stäube)
Einsetzbar bis Explosionsgruppe IIC
(Sicherheitsfaktor 1)
Einsetzbar bis Temperaturklasse T4
Schraubensicherung gegen Selbstlockern
nach VDE 0185-305-3 Beiblatt 2
Einsatz im Innenbereich zulässig
Nennableitstoßstrom (8/20 µs) pro Ader (In) Cu 4-10mm²:
10 kA (zündfunkenfrei)
Nennableitstoßstrom (8/20 µs) pro Ader (In) Cu 16mm²:
15 kA (zündfunkenfrei)
Blitzstoßstrom (10/350 µs) Cu 4-16 mm² (pro Ader):
3 kA (zündfunkenfrei)
Blitzstoßstrom (10/350 µs) Cu 16 mm² (pro Ader):
25 kA
Werkstoff: Polyamid

Fabrikat: DEHN
Typ: PAS EX CC
Art.-Nr.: 472497
oder gleichwertig.

Certificates

 

Technical data

Blitzstoßstrom (10/350 µs) Cu 4-16 mm² (pro Ader) 3 kA (zündfunkenfrei)
Nennableitstoßstrom (8/20 µs) pro Ader (In) Cu 4-10 mm² 10 kA (zündfunkenfrei)
Nennableitstoßstrom (8/20 µs) pro Ader (In) Cu 16 mm² 15 kA (zündfunkenfrei)
Hinweis: Zündfunkenfreiheit nur in Verbindung mit PAS EX ... gewährleistet!

Product 472497 was added to Notepad.

Product 472497 was added to the cart.


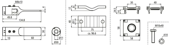
PAS EX R

Adapter für zündfunkenfreie Ex-Potentialausgleichsschiene PAS EX zum Anschluss eines Rundleiters. Einsatz in explosionsgefährdeten Bereichen Ex-Zonen 1 und 2 (Gase, Dämpfe, Nebel) bis Explosionsgruppe IIC sowie Ex-Zonen 21 und 22 (Stäube). Einsatz sowohl im Innenbereich als auch im Außenbereich zulässig.

1 Product

Part No. 472498 PAS EX R

GTIN 4013364476042, Customs tariff No. (EU): 85359000, Gross weight: 790.00 g, PU: 1.00 Stk.


Images

Additional information

Anschlussset Rd 10mm für
PAS EX 11AP M10 V2A
PAS EX 7AP M10 V2A
Einbindung metallischen Leitern und Leitungen
in den Blitzschutz-Potentialausgleich nach
VDE 0185-305-3 (IEC 62305-3)
sowie den Schutz- und Funktionspotentialausgleich
nach DIN VDE 0100 Teil 410/540.
Einsatz Ex-Zonen 1 und 2 (Gase, Dämpfe, Nebel)
und Ex-Zonen 21 und 22 (Stäube)
Explosionsgruppe IIC (Sicherheitsfaktor 1)
nach CLC 50703-2;
Temperaturklasse T4 sowie DIN EN 62561-1
(VDE 0185-561-1)
Blitzstromtragfähigkeitsklasse H (100kA).
Schraubensicherung gegen Selbstlockern
nach VDE 0185-305-3 Beiblatt 2.
Einsatz sowohl im Innenbereich als auch
im Außenbereich zulässig.
Blitzstoßstrom (10/350 µs) NIRO(V4A) Ø10 mm:
NExIIC 50 kA (zündfunkenfrei) T4
Blitzstoßstrom (10/350 µs) NIRO(V4A) Ø10 mm:
75 kA
Blitzstoßstrom (10/350 µs) St/tZn Ø10 mm:
2HExIIC 75 kA (zündfunkenfrei) T4
Blitzstoßstrom (10/350 µs) St/tZn Ø10 mm:
H 100kA
Max. Kurzschlussstrom (AC 50Hz / DC / 5s) NIRO(V4A) Ø10 mm:
650 A / T4
Max. Kurzschlussstrom (AC 50Hz / DC / 5s) St/tZn Ø10 mm:
1000 A / T4
Max. Oberflächentemperatur T4: 135 °C
Adapter Rd/Überleger: NIRO,
Werkstoff-Nr. : 1.4301 / 1.4303
Adaptergehäuse Fl: Polyamid,
halogenfrei blau, UV-stabilisiert

Fabrikat: DEHN
Typ: PAS EX R
Art.-Nr.: 472498
oder gleichwertig.

Certificates

 

Technical data

Blitzstoßstrom (10/350 µs) NIRO (V4A) Ø10 mm NExIIC 50 kA (zündfunkenfrei) T4
Blitzstoßstrom (10/350 µs) St/tZn Ø10 mm 2HExIIC 75 kA (zündfunkenfrei) T4
Max. Kurzschlussstrom (AC 50 Hz / DC / 5s) NIRO (V4A) Ø10 mm 650 A / T4
Max. Kurzschlussstrom (AC 50 Hz / DC / 5s) St/tZn Ø10 mm 1000 A / T4
Hinweis: Zündfunkenfreiheit nur in Verbindung mit PAS EX ... gewährleistet!

Product 472498 was added to Notepad.

Product 472498 was added to the cart.


PAS EX FL

Adapter für zündfunkenfreie Ex-Potentialausgleichsschiene PAS EX zum Anschluss eines Flachleiters. Einsatz in explosionsgefährdeten Bereichen Ex-Zonen 1 und 2 (Gase, Dämpfe, Nebel) bis Explosionsgruppe IIC sowie Ex-Zonen 21 und 22 (Stäube). Einsatz sowohl im Innenbereich als auch im Außenbereich zulässig.

1 Product

Part No. 472499 PAS EX FL

GTIN 4013364470514, Customs tariff No. (EU): 85359000, Gross weight: 408.00 g, PU: 1.00 Stk.


Images

Additional information

Anschlussset FL 30/40mm für
PAS EX 11AP M10 V2A
PAS EX 7AP M10 V2A
Einbindung metallischen Leitern und Leitungen
in den Blitzschutz-Potentialausgleich nach
VDE 0185-305-3 (IEC 62305-3) sowie
den Schutz- und Funktionspotentialausgleich
nach DIN VDE 0100 Teil 410/540.
Einsatz Ex-Zonen 1 und 2 (Gase, Dämpfe, Nebel)
und Ex-Zonen 21 und 22 (Stäube)
Explosionsgruppe IIC (Sicherheitsfaktor 1)
nach CLC 50703-2;
Temperaturklasse T4 sowie DIN EN 62561-1
(VDE 0185-561-1)
Blitzstromtragfähigkeitsklasse H (100kA).
Schraubensicherung gegen Selbstlockern
nach VDE 0185-305-3 Beiblatt 2.
Einsatz sowohl im Innenbereich als auch
im Außenbereich zulässig.
Blitzstoßstrom (10/350 µs) NIRO (V4A) 30x3,5mm/40x5mm:
2HExIIC 75kA (zündfunkenfrei) T4
Blitzstoßstrom (10/350 µs) NIRO (V4A) 30x3,5mm/40x5mm:
H 100 kA
Blitzstoßstrom (10/350 µs) St/tZn 30x3,5mm/40x5mm:
1HExIIC 100 kA (zündfunkenfrei) T4
Max. Kurzschlussstrom (AC 50Hz / DC / 5s) NIRO (V4A) 30x3,5mm/40x5mm:
750 A / T4
Max. Kurzschlussstrom (AC 50Hz / DC / 5s) St/tZn 30x3,5mm/40x5mm:
1500 A / T4
Max. Oberflächentemperatur T4: 135 °C
Werkstoff Überleger: NIRO,
Werkstoff-Nr. : 1.4301 / 1.4303
Adaptergehäuse Fl: Polyamid, halogenfrei
blau, UV-stabilisiert

Fabrikat: DEHN
Typ: PAS EX FL
Art.-Nr.: 472499
oder gleichwertig.

Certificates

 

Technical data

Blitzstoßstrom (10/350 µs) NIRO (V4A) 30x3,5 mm / 40x5 mm 2HExIIC 75kA (zündfunkenfrei) T4
Blitzstoßstrom (10/350 µs) St/tZn 30x3,5 mm / 40x5 mm 1HExIIC 100 kA (zündfunkenfrei) T4
Max. Kurzschlussstrom (AC 50 Hz / DC / 5 s) NIRO (V4A) 30x3,5 mm / 40x5 mm 750 A / T4
Max. Kurzschlussstrom (AC 50 Hz / DC / 5 s) St/tZn 30x3,5 mm / 40x5 mm 1500 A / T4
Hinweis: Zündfunkenfreiheit nur in Verbindung mit PAS EX ... gewährleistet!

Product 472499 was added to Notepad.

Product 472499 was added to the cart.


PAS ... CUGALSSN

Presskabelschuh nach DIN 46235 mit Nickelsperrschicht zur Vermeidung von Whiskerbildung.

6 Products

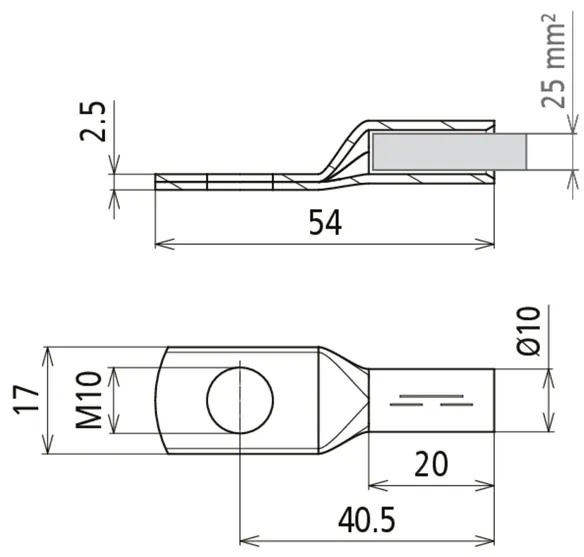
Part No. 472432 PKS 16 10 CUGALNISN

GTIN 4013364470538, Customs tariff No. (EU): 85369010, Gross weight: 16.33 g, PU: 3.00 Stk.


Images

Additional information

Presskabelschuh DIN 46235 16mm² M10
Cu/gal Sn mit Nickelsperrschicht
Um Whiskerbildung im Ex-Bereich
zu vermeiden, empfehlen wir den Einsatz
von verzinnten Presskabelschuhen
mit einer Nickelsperrschicht
Werkstoff: Cu/gal (Ni)Sn
Blitzstoßstrom (10/350 μs) Cugal (Ni)Sn 16 mm² (Re/Rm/Rf) /
NIRO 40x10 mm: 1HEXIIC 100 kA (zündfunkenfrei) T4
Max. Kurzschlussstrom (AC 50 Hz / DC / 5 s) Cugal (Ni)Sn 16
mm² (Re) / NIRO 40x10 mm: 1100 A / T4
Max. Kurzschlussstrom (AC 50 Hz / DC / 5 s) Cugal (Ni)Sn 16
mm² (Rm/Rf) / NIRO 40x10 mm: 750 A / T4
Max. Oberflächentemperatur T4: 135 °C
Bohrung Kabelschuh: M10
Leiterquerschnitt: 16 mm²

Fabrikat: DEHN
Typ: PKS 16 10 CUGALNISN
Art.-Nr.: 472432
oder gleichwertig.

Certificates

 

Technical data

Werkstoff Cu /gal (Ni)Sn
Bohrung Kabelschuh M10
Leiterquerschnitt 16 mm2
Hinweis: Zündfunkenfreiheit nur in Verbindung mit PAS EX ... gewährleistet!

Product 472432 was added to Notepad.

Product 472432 was added to the cart.

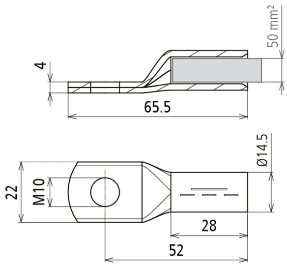
Part No. 472433 PKS 25 10 CUGALNISN

GTIN 4013364470545, Customs tariff No. (EU): 85369010, Gross weight: 19.67 g, PU: 3.00 Stk.


Images

Additional information

Presskabelschuh DIN 46235 25mm² M10
Cu/gal Sn mit Nickelsperrschicht
Um Whiskerbildung im Ex-Bereich
zu vermeiden, empfehlen wir den Einsatz
von verzinnten Presskabelschuhen
mit einer Nickelsperrschicht
Werkstoff: Cu/gal (Ni)Sn
Blitzstoßstrom (10/350 μs) Cugal (Ni)Sn 25 mm² (Rm/Rf) /
NIRO 40x10 mm: 1HEXIIC 100 kA (zündfunkenfrei) T4
Max. Kurzschlussstrom (AC 50 Hz / DC / 5 s) Cugal (Ni)Sn
25 mm² (Rm/Rf) / NIRO 40x10 mm: 1100 A / T4
Max. Oberflächentemperatur T4: 135 °C
Bohrung Kabelschuh: M10
Leiterquerschnitt: 25 mm²

Fabrikat: DEHN
Typ: PKS 25 10 CUGALNISN
Art.-Nr.: 472433
oder gleichwertig.

Certificates

 

Technical data

Werkstoff Cu /gal (Ni)Sn
Bohrung Kabelschuh M10
Leiterquerschnitt 25 mm2
Hinweis: Zündfunkenfreiheit nur in Verbindung mit PAS EX ... gewährleistet!

Product 472433 was added to Notepad.

Product 472433 was added to the cart.

Part No. 472434 PKS 35 10 CUGALNISN

GTIN 4013364470552, Customs tariff No. (EU): 85369010, Gross weight: 34.33 g, PU: 3.00 Stk.


Images

Additional information

Presskabelschuh DIN 46235 35mm² M10
Cu/gal Sn mit Nickelsperrschicht
Um Whiskerbildung im Ex-Bereich
zu vermeiden, empfehlen wir den Einsatz
von verzinnten Presskabelschuhen
mit einer Nickelsperrschicht
Werkstoff: Cu/gal (Ni)Sn
Blitzstoßstrom (10/350 μs) Cugal (Ni)Sn 35 mm² (Rm/Rf) /
NIRO 40x10 mm: 1HEXIIC 100 kA (zündfunkenfrei) T4
Max. Kurzschlussstrom (AC 50 Hz / DC / 5 s) Cugal (Ni)Sn
35 mm² (Rm/Rf) / NIRO 40x10 mm: 1100 A / T4
Max. Oberflächentemperatur T4: 135 °C
Bohrung Kabelschuh: M10
Leiterquerschnitt: 35 mm²

Fabrikat: DEHN
Typ: PKS 35 10 CUGALNISN
Art.-Nr.: 472434
oder gleichwertig.

Certificates

 

Technical data

Werkstoff Cu /gal (Ni)Sn
Bohrung Kabelschuh M10
Leiterquerschnitt 35 mm2
Hinweis: Zündfunkenfreiheit nur in Verbindung mit PAS EX ... gewährleistet!

Product 472434 was added to Notepad.

Product 472434 was added to the cart.

Part No. 472435 PKS 50 10 CUGALNISN

GTIN 4013364470569, Customs tariff No. (EU): 85369010, Gross weight: 51.67 g, PU: 3.00 Stk.


Images

Additional information

Presskabelschuh DIN 46235 50mm² M10
Cu/gal Sn mit Nickelsperrschicht
Um Whiskerbildung im Ex-Bereich
zu vermeiden, empfehlen wir den Einsatz
von verzinnten Presskabelschuhen
mit einer Nickelsperrschicht
Werkstoff: Cu/gal (Ni)Sn
Blitzstoßstrom (10/350 μs) Cugal (Ni)Sn 50 mm² (Rm/Rf) /
NIRO 40x10 mm: 1HEXIIC 100 kA (zündfunkenfrei) T4
Max. Kurzschlussstrom (AC 50 Hz / DC / 5 s) Cugal (Ni)Sn
50 mm² (Rm/Rf) / NIRO 40x10 mm: 1100 A / T4
Max. Oberflächentemperatur T4: 135 °C
Bohrung Kabelschuh: M10
Leiterquerschnitt: 50 mm²

Fabrikat: DEHN
Typ: PKS 50 10 CUGALNISN
Art.-Nr.: 472435
oder gleichwertig.

Certificates

 

Technical data

Werkstoff Cu /gal (Ni)Sn
Bohrung Kabelschuh M10
Leiterquerschnitt 50 mm2
Hinweis: Zündfunkenfreiheit nur in Verbindung mit PAS EX ... gewährleistet!

Product 472435 was added to Notepad.

Product 472435 was added to the cart.

Part No. 472436 PKS 70 10 CUGALNISN

GTIN 4013364470576, Customs tariff No. (EU): 85369010, Gross weight: 68.00 g, PU: 3.00 Stk.


Images

Additional information

Presskabelschuh DIN 46235 70mm² M10
Cu/gal Sn mit Nickelsperrschicht
Um Whiskerbildung im Ex-Bereich
zu vermeiden, empfehlen wir den Einsatz
von verzinnten Presskabelschuhen
mit einer Nickelsperrschicht
Werkstoff: Cu/gal (Ni)Sn
Blitzstoßstrom (10/350 μs) Cugal (Ni)Sn 70 mm² (Rm/Rf) /
NIRO 40x10 mm: 1HEXIIC 100 kA (zündfunkenfrei) T4
Max. Kurzschlussstrom (AC 50 Hz / DC / 5 s) Cugal (Ni)Sn
70 mm² (Rm/Rf) / NIRO 40x10 mm: 1100 A / T4
Max. Oberflächentemperatur T4: 135 °C
Bohrung Kabelschuh: M10
Leiterquerschnitt: 70 mm²

Fabrikat: DEHN
Typ: PKS 70 10 CUGALNISN
Art.-Nr.: 472436
oder gleichwertig.

Certificates

 

Technical data

Werkstoff Cu /gal (Ni)Sn
Bohrung Kabelschuh M10
Leiterquerschnitt 70 mm2
Hinweis: Zündfunkenfreiheit nur in Verbindung mit PAS EX ... gewährleistet!

Product 472436 was added to Notepad.

Product 472436 was added to the cart.

Part No. 472437 PKS 95 10 CUGALNISN

GTIN 4013364470583, Customs tariff No. (EU): 85369010, Gross weight: 98.00 g, PU: 3.00 Stk.


Images

Additional information

Presskabelschuh DIN 46235 95mm² M10
Cu/gal Sn mit Nickelsperrschicht
Um Whiskerbildung im Ex-Bereich
zu vermeiden, empfehlen wir den Einsatz
von verzinnten Presskabelschuhen
mit einer Nickelsperrschicht
Werkstoff: Cu/gal (Ni)Sn
Blitzstoßstrom (10/350 μs) Cugal (Ni)Sn 95 mm² (Rm/Rf) /
NIRO 40x10 mm: 1HEXIIC 100 kA (zündfunkenfrei) T4
Max. Kurzschlussstrom (AC 50 Hz / DC / 5 s) Cugal (Ni)Sn
95 mm² (Rm/Rf) / NIRO 40x10 mm: 1100 A / T4
Max. Oberflächentemperatur T4: 135 °C
Bohrung Kabelschuh: M10
Leiterquerschnitt: 95 mm²

Fabrikat: DEHN
Typ: PKS 95 10 CUGALNISN
Art.-Nr.: 472437
oder gleichwertig.

Certificates

 

Technical data

Werkstoff Cu /gal (Ni)Sn
Bohrung Kabelschuh M10
Leiterquerschnitt 95 mm2
Hinweis: Zündfunkenfreiheit nur in Verbindung mit PAS EX ... gewährleistet!

Product 472437 was added to Notepad.

Product 472437 was added to the cart.


back to top