Teleskopierbare Fangstangen

Zur Befestigung z. B. an Wänden oder sonstigen Konstruktionen

Die Fangstangen sind nach Eurocode 1 (DIN EN 1991-1-4 + DIN EN 1991-1-4/NA) dimensioniert.

Die Befestigung z. B. an einer Wand erfolgt mit der Art.-Nr. 105 342 und an Rohren mit der Art.-Nr. 105 354.

Die maximale freie Länge bezieht sich auf die Spitze der Fangstange bis zum oberen Halter (Befestigungspunkt).
Aus Stabilitätsgründen sollte der mittlere Halter (3 Befestigungen) möglichst unmittelbar unterhalb des oberen Halters montiert werden. Der Abstand darf nicht mehr als 15 cm betragen. Der untere Halter (Befestigungspunkt) ist im Bereich von ≤ 15 cm am Ende der Fangstange zu installieren.

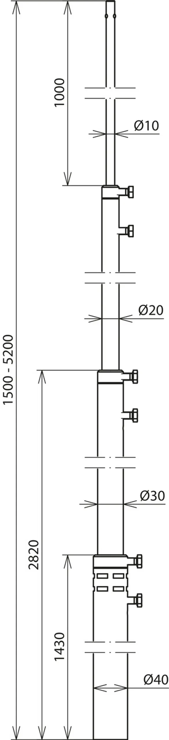
Höhe 1,5-5,2 m

1 Product

Part No. 105185 FS T D40 1500 5200 AL

GTIN 4013364481411, Customs tariff No. (EU): 85389099, Gross weight: 4.40 kg, PU: 1.00 Stk.


Images

Additional information

Teleskopierbare Fangstange aus Aluminium
Durchmesser von 10 mm bis 40 mm
Ausziehbar von 1,5 m bis 5,2 m
Bestehend aus 4 Segmenten
Max. freie Längen der Fangstange 3,7m bis 4,2m
bei der Befestigung z.B. an Mauern oder
sonstigen Konstruktionen. Die Fangstangen sind nach
Eurocode 1 (DIN EN 1991-1-4 + DIN EN 1991-1-4/NA)
für eine max. Böenwindgeschwindigkeit von
149 km/h bis 190 km/h dimensioniert
je nach ausgezogener Fangspitze
Für die Befestigung z.B. an einer Wand mit der
Art.-Nr. 105 342 und an Rohren mit der Art.-Nr. 105 354
Gesamtlänge: 5200 mm
Max. freie Länge mit Fangstange: 4200 mm
Einspannlänge: 500 mm und 1000 mm
Max. Böenwindgeschwindigkeit (Fangspitze Ø10 mm L 0 mm): 190 km/h
Max. Böenwindgeschwindigkeit (Fangspitze Ø10 mm L 500 mm): 173 km/h
Max. Böenwindgeschwindigkeit (Fangspitze Ø10 mm L 1000 mm): 149 km/h
Anzahl der Befestigungen: 2
Werkstoff Fangstange: Al

Fabrikat: DEHN
Typ: FS T D40 1500 5200 AL
Art.-Nr.: 105185
oder gleichwertig.

 

Technical data

Gesamtlänge 5200 mm
Fangspitze (Ø Länge) 10-1000 mm
Fangmast (Ø Länge) 40/30/20-4200 mm
Transportlänge 1650 mm
Mastteile 4
Mastfuß Ø 40 mm
Max. freie Länge mit Fangstange 4200 mm
Einspannlänge 500 mm und 1000 mm
Max. Böenwindgeschwindigkeit (Fangspitze Ø10 mm L 0 mm) 190 km/h
Max. Böenwindgeschwindigkeit (Fangspitze Ø10 mm L 500 mm) 173 km/h
Max. Böenwindgeschwindigkeit (Fangspitze Ø10 mm L 1000 mm) 149 km/h
Anzahl der Befestigungen 2
Werkstoff Fangstange Al
Normenbezug DIN EN 62561-(1+2)

Product 105185 was added to Notepad.

Product 105185 was added to the cart.


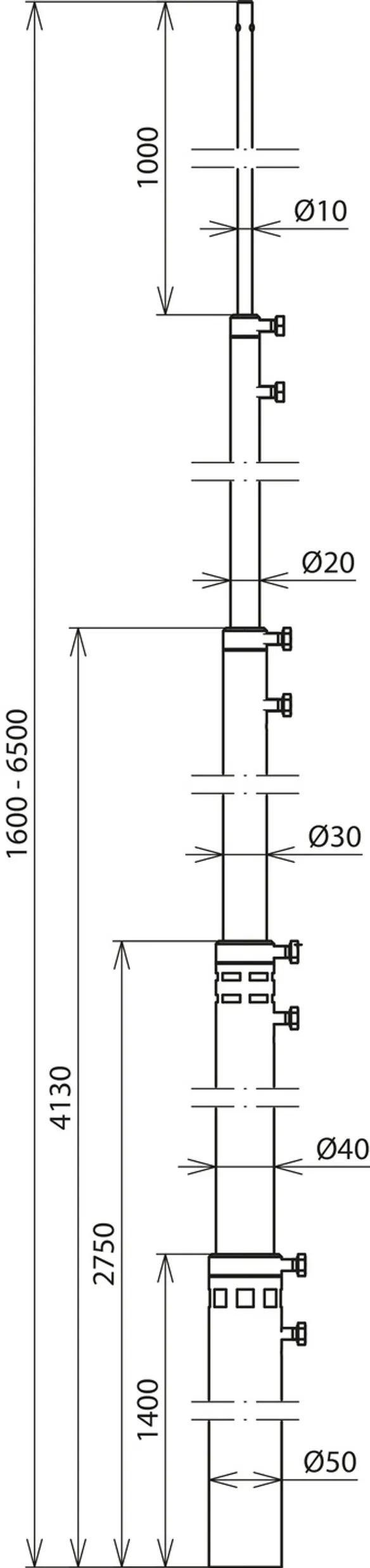
Höhe 1,6-6,5 m

1 Product

Part No. 105186 FS T D50 1600 6500 AL

GTIN 4013364481435, Customs tariff No. (EU): 85389099, Gross weight: 6.39 kg, PU: 1.00 Stk.


Images

Additional information

Teleskopierbare Fangstange aus Aluminium
Durchmesser von 10 mm bis 50 mm
Ausziehbar von 1,6 m bis 6,5 m
Bestehend aus 5 Segmenten
Max. freie Längen der Fangstange 4,5m bis 5,2m
bei der Befestigung z.B. an Mauern oder
sonstigen Konstruktionen. Die Fangstangen sind nach
Eurocode 1 (DIN EN 1991-1-4 + DIN EN 1991-1-4/NA)
für eine max. Böenwindgeschwindigkeit von
149 km/h bis 189 km/h dimensioniert
je nach ausgezogener Fangspitze
Für die Befestigung z.B. an einer Wand mit der
Art.-Nr. 105 342 und an Rohren mit der Art.-Nr. 105 354
Gesamtlänge: 6500 mm
Max. freie Länge mit Fangstange: 5200 mm
Einspannlänge: 1000 mm und 1300 mm
Max. Böenwindgeschwindigkeit (Fangspitze Ø10 mm L 0 mm): 189 km/h
Max. Böenwindgeschwindigkeit (Fangspitze Ø10 mm L 500 mm): 172 km/h
Max. Böenwindgeschwindigkeit (Fangspitze Ø10 mm L 1000 mm): 149 km/h
Anzahl der Befestigungen: 2-3
Werkstoff Fangstange: Al

Fabrikat: DEHN
Typ: FS T D50 1600 6500 AL
Art.-Nr.: 105186
oder gleichwertig.

 

Technical data

Gesamtlänge 6500 mm
Fangspitze (Ø Länge) 10-1000 mm
Fangmast (Ø Länge) 50/40/30/20-5500 mm
Transportlänge 1650 mm
Mastteile 5
Mastfuß Ø 50 mm
Max. freie Länge mit Fangstange 5200 mm
Einspannlänge 1000 mm und 1300 mm
Max. Böenwindgeschwindigkeit (Fangspitze Ø10 mm L 0 mm) 189 km/h
Max. Böenwindgeschwindigkeit (Fangspitze Ø10 mm L 500 mm) 172 km/h
Max. Böenwindgeschwindigkeit (Fangspitze Ø10 mm L 1000 mm) 149 km/h
Anzahl der Befestigungen 2-3
Werkstoff Fangstange Al
Normenbezug DIN EN 62561-(1+2)

Product 105186 was added to Notepad.

Product 105186 was added to the cart.


Höhe 1,8-8 m

1 Product

Part No. 105188 FS T D60 1800 8000 AL

GTIN 4013364481442, Customs tariff No. (EU): 85389099, Gross weight: 9.35 kg, PU: 1.00 Stk.


Images

Additional information

Teleskopierbare Fangstange aus Aluminium
Durchmesser von 10 mm bis 60 mm
Ausziehbar von 1,8 m bis 8,0 m
Bestehend aus 6 Segmenten
mit Reduzierung auf D 50 mm
Max. freie Längen der Fangstange 5,3m bis 6,3m
bei der Befestigung z.B. an Mauern oder
sonstigen Konstruktionen. Die Fangstangen sind nach
Eurocode 1 (DIN EN 1991-1-4 + DIN EN 1991-1-4/NA)
für eine max. Böenwindgeschwindigkeit von
153 km/h bis 176 km/h dimensioniert
je nach ausgezogener Fangspitze
Für die Befestigung z.B. an einer Wand mit der
Art.-Nr. 105 342 und an Rohren mit der Art.-Nr. 105 354
Gesamtlänge: 8000 mm
Max. freie Länge mit Fangstange: 6300 mm
Einspannlänge: 1700 mm
Max. Böenwindgeschwindigkeit (Fangspitze Ø10 mm L 0 mm): 176 km/h
Max. Böenwindgeschwindigkeit (Fangspitze Ø10 mm L 500 mm): 166 km/h
Max. Böenwindgeschwindigkeit (Fangspitze Ø10 mm L 1000 mm): 153 km/h
Anzahl der Befestigungen: 3
Werkstoff Fangstange: Al

Fabrikat: DEHN
Typ: FS T D60 1800 8000 AL
Art.-Nr.: 105188
oder gleichwertig.

 

Technical data

Gesamtlänge 8000 mm
Fangspitze (Ø Länge) 10-1000 mm
Fangmast (Ø Länge) 50/60/50/40/30/20-7000 mm
Transportlänge 1850 mm
Mastteile 6
Mastfuß Ø 60 mm
Max. freie Länge mit Fangstange 6300 mm
Einspannlänge 1700 mm
Max. Böenwindgeschwindigkeit (Fangspitze Ø10 mm L 0 mm) 176 km/h
Max. Böenwindgeschwindigkeit (Fangspitze Ø10 mm L 500 mm) 166 km/h
Max. Böenwindgeschwindigkeit (Fangspitze Ø10 mm L 1000 mm) 153 km/h
Anzahl der Befestigungen 3
Werkstoff Fangstange Al
Normenbezug DIN EN 62561-(1+2)

Product 105188 was added to Notepad.

Product 105188 was added to the cart.


back to top