Erdungsfestpunkte mit flexibler Anschlussklemme

Für den Betoneinbau als flexibler korrosionsfreier Anschluss an die Erdungsanlage für den Schutzpotentialausgleich und / oder den Funktionspotentialausgleich der Ableitung z. B. an die Bewehrung von Gebäuden.
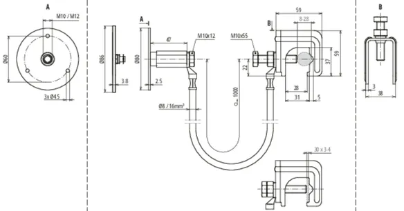
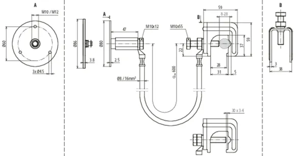
Flexible Anschlussleitungen bis 1000 mm Länge ermöglichen eine maximale Flexibilität zwischen dem äußeren Anschlusspunkt und der inneren Verbindung.
Die universelle Verbindungsklemme ermöglicht den Anschluss von Bewehrungseisen und Rundmaterial von 8-28 mm sowie von Flachmaterial 30x3,5 mm oder höherer Dicke.
Bei dem Doppelgewinde M10 und M12 folgende Mindestlängen der Schrauben beachten:
35 mm bei M10 (Gewindelänge 40 mm)
15 mm bei M12 (Gewindelänge 20 mm)

2 Products

Part No. 416940 UES 16 L600 VK RD8 28 FL30 EFP

GTIN 4013364360280, Customs tariff No. (EU): 85359000, Gross weight: 530.00 g, PU: 25.00 Stk.


Images

Additional information

Anschlussgarnitur bestehend aus
Verbindungsleitung mit angeschlossener
Verbindungsklemme und Erdungsfestpunkt
zur sicheren elektrischen Verbindung
des Erdungsfestpunktes mit
der Bewehrung/Bewehrungseisen
Über die Anschlussgarnitur erfolgt
eine sichere elektrische Verbindung
von einem definierten Bewehrungseisen
(Längseisen) welches als Ableitung
genutzt wird an Fangeinrichtungen,
Fassadenelementen, Kranschienen,
Kabeltragsystemen, die Erdungsanlage,
Funktionspotentialausgleich, etc.
Werkstoff Verbindungsklemme: St/blank
Klemmbereich Rd Verbindungsklemme: 8-28 mm
Klemmbereich Fl Verbindungsklemme: 30 x 3-4 mm
Werkstoff Erdungsfestpunkt: NIRO (V4A)
Anschlussgewinde Erdungsfestpunkt: M10 / M12
Werkstoff Überbrückungsseil: Flexible Kupferleitung, frostbeständig
Leitungslänge Überbrückungsseil: 600 mm
Leitungsquerschnitt Überbrückungsseil: 16 mm2
Normenbezug: DIN EN 62561-1

Fabrikat: DEHN
Typ: UES 16 L600 VK RD8 28 FL30 EFP
Art.-Nr.: 416940
oder gleichwertig.

Certificates

 

Technical data

Werkstoff Verbindungsklemme St/blank
Klemmbereich Rd Verbindungsklemme 8-28 mm
Klemmbereich Fl Verbindungsklemme 30 x 3-4 mm
Werkstoff Erdungsfestpunkt NIRO (V4A)
Anschlussgewinde Erdungsfestpunkt M10 / M12
Werkstoff Überbrückungsseil Flexible Kupferleitung, frostbeständig
Leitungslänge Überbrückungsseil 600 mm
Leitungsquerschnitt Überbrückungsseil 16 mm2
Normenbezug DIN EN 62561-1

Product 416940 was added to Notepad.

Product 416940 was added to the cart.

Part No. 416950 UES 16 L1000 VK RD8 28 FL30 EFP

GTIN 4013364508620, Customs tariff No. (EU): 85359000, Gross weight: 650.00 g, PU: 25.00 Stk.


Images

Additional information

Anschlussgarnitur bestehend aus
Verbindungsleitung mit angeschlossener
Verbindungsklemme und Erdungsfestpunkt
zur sicheren elektrischen Verbindung
des Erdungsfestpunktes mit
der Bewehrung/Bewehrungseisen
Über die Anschlussgarnitur erfolgt
eine sichere elektrische Verbindung
von einem definierten Bewehrungseisen
(Längseisen) welches als Ableitung
genutzt wird an Fangeinrichtungen,
Fassadenelementen, Kranschienen,
Kabeltragsystemen, die Erdungsanlage,
Funktionspotentialausgleich, etc.
Werkstoff Verbindungsklemme: St/blank
Klemmbereich Rd Verbindungsklemme: 8-28 mm
Klemmbereich Fl Verbindungsklemme: 30 x 3-4 mm
Werkstoff Erdungsfestpunkt: NIRO (V4A)
Anschlussgewinde Erdungsfestpunkt: M10 / M12
Werkstoff Überbrückungsseil: Flexible Kupferleitung, frostbeständig
Leitungslänge Überbrückungsseil: 1000 mm
Leitungsquerschnitt Überbrückungsseil: 16 mm2
Normenbezug: DIN EN 62561-1

Fabrikat: DEHN
Typ: UES 16 L1000 VK RD8 28 FL30 EFP
Art.-Nr.: 416950
oder gleichwertig.

Certificates

 

Technical data

Werkstoff Verbindungsklemme St/blank
Klemmbereich Rd Verbindungsklemme 8-28 mm
Klemmbereich Fl Verbindungsklemme 30 x 3-4 mm
Werkstoff Erdungsfestpunkt NIRO (V4A)
Anschlussgewinde Erdungsfestpunkt M10 / M12
Werkstoff Überbrückungsseil Flexible Kupferleitung, frostbeständig
Leitungslänge Überbrückungsseil 1000 mm
Leitungsquerschnitt Überbrückungsseil 16 mm2
Normenbezug DIN EN 62561-1

Product 416950 was added to Notepad.

Product 416950 was added to the cart.


back to top