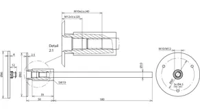
Fixed Earthing Terminals

For installation in concrete as a corrosion-free connection to the earth-termination system for protective equipotential bonding and / or functional equipotential bonding of the down conductor, e.g. to the reinforcement of buildings.
Please observe the following minimum screw lengths for the M10 and M12 double threads:
35 mm of M10 (thread length 40 mm)
15 mm of M12 (thread length 20 mm)

– Connection possibility to the connecting shaft by means of cross unit (e.g. Part No. 319 201), or connecting clamp (e.g. Part No. 308 025) for the reinforcement
– Connection possibility for the equipotential busbar, e.g. end pieces (Part No. 390 499)
– Connection possibility for flat conductors at the connection plate (front) by connection clamp (Part No. 478 141), or at the back of the fixed earthing terminal without connecting shaft, by means of connection clamp (Part No. 478 129)
– Connecting shaft, screwed-in or press-fitted
– Snap-on plastic cover (yellow), sealed with pressure-tested O-ring (test pressure 0.5 bar)

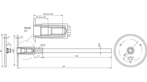
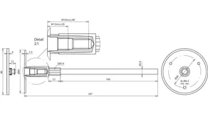
Type M

With connecting shaft (l = 180 mm, Ø10 mm).

2 Products

Part No. 478011 EFPM M10 12 V4A L230 STTZN

GTIN 4013364033054, Customs tariff No. (EU): 85359000, Gross weight: 312.50 g, PU: 25.00 pc(s)


Images

Additional information

Fixed earthing terminal of type M, StSt (V4A), M10/M12
Fixed earthing terminal as a corrosion-free connection
of the down conductor, e.g. to the building reinforcement or the earth-termination system
for protective equipotential bonding and / or functional equipotential bonding
Type M with connecting shaft (l= 180 mm, Ø10 mm)

Connection thread: M10 / M12
Material of plate: StSt (V4A)
Material No.: 1.4571 / 1.4404 / 1.4401
ASTM / AISI:: 316Ti / 316L / 316
Material of shaft: St/tZn
Short-circuit current (AC 50 Hz / DC): 6.5 kA
Standard: EN 62561-1

Brand: DEHN
Type: EFPM M10 12 V4A L230 STTZN
Part No.: 478011
or equivalent.

Certificates

 

Technical data

Connection thread M10 / M12
Material of plate StSt (V4A)
Material No. 1.4571 / 1.4404 / 1.4401
ASTM / AISI: 316Ti / 316L / 316
Material of shaft St/tZn
Connection plate Ø 80 mm
Short-circuit current (AC 50 Hz / DC) (1 s; ≤ 300 °C) 6.5 kA
Standard EN 62561-1

Product 478011 was added to Notepad.

Product 478011 was added to the cart.

Part No. 478019 EFPM M10 12 V4A L230 V2A

GTIN 4013364072107, Customs tariff No. (EU): 85359000, Gross weight: 310.10 g, PU: 25.00 pc(s)


Images

Additional information

Fixed earthing terminal of type M, StSt (V4A), M10/M12
Fixed earthing terminal as a corrosion-free connection
of the down conductor, e.g. to the building reinforcement or the earth-termination system
for protective equipotential bonding and / or functional equipotential bonding
Type M with connecting shaft (l= 180 mm, Ø10 mm)
Connection thread: M10 / M12
Material of plate: StSt (V4A)
Material No.: 1.4571 / 1.4404 / 1.4401
ASTM / AISI:: 316Ti / 316L / 316
Material of shaft: StSt
Short-circuit current (AC 50 Hz / DC): 3.9 kA
Standard: EN 62561-1

Brand: DEHN
Type: EFPM M10 12 V4A L230 V2A
Part No.: 478019
or equivalent.

Certificates

 

Technical data

Connection thread M10 / M12
Material of plate StSt (V4A)
Material No. 1.4571 / 1.4404 / 1.4401
ASTM / AISI: 316Ti / 316L / 316
Material of shaft StSt
Connection plate Ø 80 mm
Short-circuit current (AC 50 Hz / DC) (1 s; ≤ 300 °C) 3.9 kA
Standard EN 62561-1

Product 478019 was added to Notepad.

Product 478019 was added to the cart.


Type M without connecting shaft

1 Product

Part No. 478012 EFPM M10 12 V4A

GTIN 4013364069183, Customs tariff No. (EU): 85359000, Gross weight: 192.00 g, PU: 20.00 pc(s)


Images

Additional information

Fixed earthing terminal of type M, without connecting shaft, StSt (V4A), M10/M12
Fixed earthing terminal as a corrosion-free connection
of the down conductor, e.g. to the building reinforcement or the earth-termination system
for protective equipotential bonding and / or functional equipotential bonding
Without connecting shaft

Connection thread: M10 / M12
Material of plate: StSt (V4A)
Material No.: 1.4571 / 1.4404 / 1.4401
ASTM / AISI:: 316Ti / 316L / 316
Short-circuit current (AC 50 Hz / DC): 9.3 kA (with copper cable lug)
Standard: EN 62561-1

Brand: DEHN
Type: EFPM M10 12 V4A
Part No.: 478012
or equivalent.

 

Technical data

Connection thread M10 / M12
Material of plate StSt (V4A)
Material No. 1.4571 / 1.4404 / 1.4401
ASTM / AISI: 316Ti / 316L / 316
Connection plate Ø 80 mm
Short-circuit current (AC 50 Hz / DC) (1 s; ≤ 300 °C) 9.3 kA (with copper cable lug)
Standard EN 62561-1

Product 478012 was added to Notepad.

Product 478012 was added to the cart.


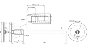
Type M, press-fitted

Connecting shaft (l = 180 mm, Ø10 mm).

2 Products

Part No. 478041 EFPM M10 12 V4A L245 VP STTZN

GTIN 4013364105157, Customs tariff No. (EU): 85359000, Gross weight: 318.90 g, PU: 25.00 pc(s)

Predecessor

Images

Additional information

Fixed earthing terminal of type M, press-fitted, StSt (V4A), M10/M12
Fixed earthing terminal as a corrosion-free connection
of the down conductor, e.g. to the building reinforcement or the earth-termination system
for protective equipotential bonding and / or functional equipotential bonding
Type M with press-fitted connecting shaft (l= 180 mm, Ø10 mm)
Connection thread: M10 / M12
Material of plate: StSt (V4A)
Material No.: 1.4571 / 1.4404 / 1.4401
ASTM / AISI:: 316Ti / 316L / 316
Material of shaft: St/tZn
Short-circuit current (AC 50 Hz / DC): 3.7 kA
Standard: EN 62561-1

Brand: DEHN
Type: EFPM M10 12 V4A L245 VP STTZN
Part No.: 478041
or equivalent.

Certificates

 

Technical data

Connection thread M10 / M12
Material of plate StSt (V4A)
Material No. 1.4571 / 1.4404 / 1.4401
ASTM / AISI: 316Ti / 316L / 316
Material of shaft St/tZn
Connection plate Ø 80 mm
Short-circuit current (AC 50 Hz / DC) (1 s; ≤ 300 °C) 3.7 kA
Standard EN 62561-1
Part No. 478 049 with UL approval.

Product 478041 was added to Notepad.

Product 478041 was added to the cart.

Part No. 478049 EFPM M10 12 V4A L245 VP V2A

GTIN 4013364105164, Customs tariff No. (EU): 85359000, Gross weight: 318.10 g, PU: 25.00 pc(s)

Predecessor

Images

Additional information

Fixed earthing terminal of type M, press-fitted, StSt (V4A), M10/M12
Fixed earthing terminal as a corrosion-free connection
of the down conductor, e.g. to the building reinforcement or the earth-termination system
for protective equipotential bonding and / or functional equipotential bonding
Type M with press-fitted connecting shaft (l= 180 mm, Ø10 mm)
Connection thread: M10 / M12
Material of plate: StSt (V4A)
Material No.: 1.4571 / 1.4404 / 1.4401
ASTM / AISI:: 316Ti / 316L / 316
Material of shaft: StSt
Short-circuit current (AC 50 Hz / DC): 3.3 kA
Standard: EN 62561-1

Brand: DEHN
Type: EFPM M10 12 V4A L245 VP V2A
Part No.: 478049
or equivalent.

Certificates

 

Technical data

Connection thread M10 / M12
Material of plate StSt (V4A)
Material No. 1.4571 / 1.4404 / 1.4401
ASTM / AISI: 316Ti / 316L / 316
Material of shaft StSt
Connection plate Ø 80 mm
Short-circuit current (AC 50 Hz / DC) (1 s; ≤ 300 °C) 3.3 kA
Standard EN 62561-1
Part No. 478 049 with UL approval.

Product 478049 was added to Notepad.

Product 478049 was added to the cart.


Type M, press-fitted, with additional water barrier

Protection against water ingress along the shaft into the wall (tested according to EN 62561-5 with 5 bar compressed air and 1 bar pressure water). Suitable for waterproof concrete.

1 Product

Part No. 478051 EFPM M10 12 V4A WS L245 VP STTZN

GTIN 4013364124448, Customs tariff No. (EU): 85359000, Gross weight: 370.00 g, PU: 10.00 pc(s)


Images

Additional information

Fixed earthing terminal of type M, press-fitted, with water barrier, StSt (V4A), M10/M12
Fixed earthing terminal as a corrosion-free connection
of the down conductor, e.g. to the building reinforcement or the earth-termination system
for protective equipotential bonding and / or functional equipotential bonding
Type M with press-fitted connecting shaft and additional water barrier for protection
against water ingress along the shaft into the wall
(tested according to FprEN 62561-5 (06.2008 edition) with 5 bar compressed air)
Connection thread: M10 / M12
Material of plate: StSt (V4A)
Material No.: 1.4571 / 1.4404 / 1.4401
ASTM / AISI:: 316Ti / 316L / 316
Material of shaft: St/tZn
Short-circuit current (AC 50 Hz / DC): 3.7 kA
Material of water barrier : PVC
Standard: EN 62561-1

Brand: DEHN
Type: EFPM M10 12 V4A WS L245 VP STTZN
Part No.: 478051
or equivalent.

Certificates

 

Technical data

Connection thread M10 / M12
Material of plate StSt (V4A)
Material No. 1.4571 / 1.4404 / 1.4401
ASTM / AISI: 316Ti / 316L / 316
Material of shaft St/tZn
Connection plate Ø 80 mm
Short-circuit current (AC 50 Hz / DC) (1 s; ≤ 300 °C) 3.7 kA
Material of water barrier PVC
Standard EN 62561-1

Product 478051 was added to Notepad.

Product 478051 was added to the cart.


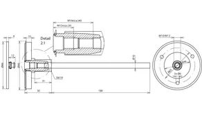
Type M with MV clamp

For round conductors 8-10 mm, space-saving installation in the formwork.

1 Product

Part No. 478112 EFPM M10 12 V4A MVK8.10 STTZN

GTIN 4013364118140, Customs tariff No. (EU): 85359000, Gross weight: 286.40 g, PU: 25.00 pc(s)


Images

Additional information

Fixed earthing terminal of type M, with MV clamp, StSt (V4A), M10/M12
Fixed earthing terminal as a corrosion-free connection of the down conductor,
e.g. to the building reinforcement or the earth-termination system,
for protective equipotential bonding and / or functional equipotential bonding
Type M with MV clamp for round conductors (8-10 mm), design requires only little space in the formwork

Connection thread: M10 / M12
Material of plate: StSt (V4A)
Material No.: 1.4571 / 1.4404 / 1.4401
ASTM / AISI:: 316Ti / 316L / 316
Material of MV clamp: St/tZn
Clamp Rd / Rd clamping range: 8-10 mm
Short-circuit current (AC 50 Hz / DC): 9.3 kA
Type: with O-ring and MV clamp
Standard: EN 62561-1

Brand: DEHN
Type: EFPM M10 12 V4A MVK8.10 STTZN
Part No.: 478112
or equivalent.

Certificates

 

Technical data

Connection thread M10 / M12
Material of plate StSt (V4A)
Material No. 1.4571 / 1.4404 / 1.4401
ASTM / AISI: 316Ti / 316L / 316
Material of MV clamp St/tZn
Clamp Rd / Rd clamping range 8-10 mm
Connection plate Ø 80 mm
Short-circuit current (AC 50 Hz / DC) (1 s; ≤ 300 °C) 9.3 kA
Type with O-ring and MV clamp
Standard EN 62561-1

Product 478112 was added to Notepad.

Product 478112 was added to the cart.


Type K

With plastic ring and connecting shaft (l = 180 mm, Ø10 mm).

1 Product

Part No. 478200 EFPK M10 12 V4A L230 STTZN

GTIN 4013364035652, Customs tariff No. (EU): 85359000, Gross weight: 278.20 g, PU: 25.00 pc(s)

Predecessor

Images

Additional information

Fixed earthing terminal of type K, StSt (V4A), M10/M12
Fixed earthing terminal as a corrosion-free connection of the down conductor,
e.g. to the building reinforcement or the earth-termination system,
for protective equipotential bonding and / or functional equipotential bonding
Type K with plastic ring and connecting shaft (l= 180 mm, Ø10 mm)
Connection thread: M10 / M12
Material of plate: StSt (V4A)
Material No.: 1.4571 / 1.4404 / 1.4401
ASTM / AISI:: 316Ti / 316L / 316
Material of shaft: St/tZn
Short-circuit current (AC 50 Hz / DC): 6.5 kA
Standard: EN 62561-1

Brand: DEHN
Type: EFPK M10 12 V4A L230 STTZN
Part No.: 478200
or equivalent.

Certificates

 

Technical data

Connection thread M10 / M12
Material of plate StSt (V4A)
Material No. 1.4571 / 1.4404 / 1.4401
ASTM / AISI: 316Ti / 316L / 316
Material of shaft St/tZn
Connection plate Ø 46 mm
Short-circuit current (AC 50 Hz / DC) (1 s; ≤ 300 °C) 6.5 kA
Standard EN 62561-1

Product 478200 was added to Notepad.

Product 478200 was added to the cart.


back to top