Connecting Clamps for Foundation Earth Electrodes and Reinforcements

For connecting round and flat conductors in the concrete foundation or reinforcing steel meshes and reinforcements with round and flat conductors.

Arrangement:
(II) = parallel
(+) = cross

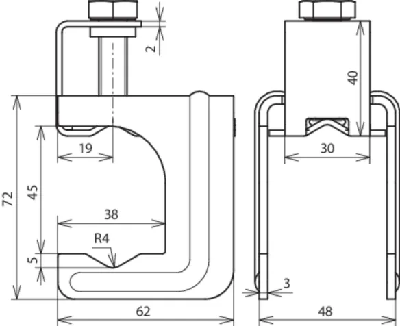
Connecting clamp with thrust bracket

For T, cross and parallel connections.

2 Products

Part No. 308031 VK DB 6.20 8.10 FL30 BSB STBL

GTIN 4013364136571, Customs tariff No. (EU): 85359000, Gross weight: 239.60 g, PU: 25.00 pc(s)


Images

Additional information

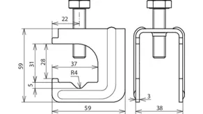
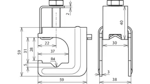
Connecting clamp with thrust bracket, St/bare
Connecting clamp with thrust bracket for connecting round and flat conductors in the concrete
foundation or reinforcing steel meshes and reinforcements with
round and flat conductors
For T, cross and parallel connections
Material: St/bare
Clamping range Rd / Rd: (+/II) 6-20 / 8-10 mm
Clamping range Rd / Fl: (+/II) 6-20 / 30 x 3-4 mm
Clamping range Fl / Fl: (+/II) 30 x 3-4 / 30 x 3-4 mm
Version: Without clamping ring
Standard: EN 62561-1

Brand: DEHN
Type: VK DB 6.20 8.10 FL30 BSB STBL
Part No.: 308031
or equivalent.

Certificates

 

Technical data

Material St/bare
Clamping range Rd / Rd (+/II) 6-20 / 8-10 mm
Clamping range Rd / Fl (+/II) 6-20 / 30 x 3-4 mm
Clamping range Fl / Fl (+/II) 30 x 3-4 / 30 x 3-4 mm
Version Without clamping ring
Short-circuit current (a.c. 50 Hz / d.c.) (1 s; ≤ 300 °C) 8.4 kA
Standard EN 62561-1
*) For exact assignment see test certificate.

Product 308031 was added to Notepad.

Product 308031 was added to the cart.

Part No. 308033 VK DB KR 6.20 8.10 FL30 BSB STBL

GTIN 4013364519978, Customs tariff No. (EU): 85359000, Gross weight: 240.40 g, PU: 25.00 pc(s)


Images

Additional information

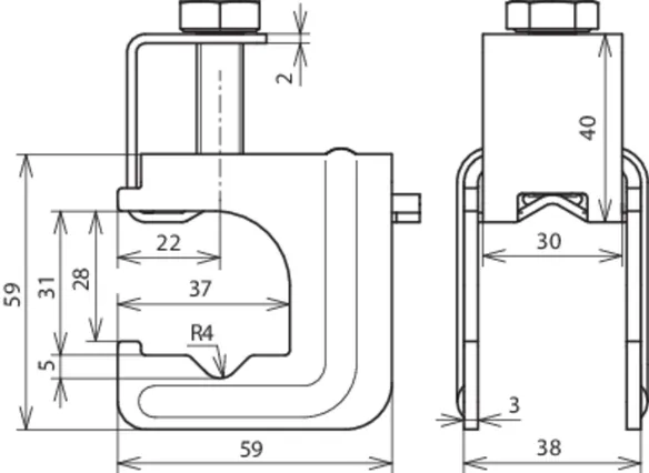
Connection clamp with thrust bracket, St/bare
Connection clamp with thrust bracket with clamping ring,
for connecting round and
flat conductors in the concrete foundation
or reinforcing steel mats and
reinforcements with round and flat conductors
for T, cross and parallel connections
Material: St/bare
Clamping range Rd / Rd: (+/II) 6-20 / 8-10 mm
Clamping range Rd / Fl: (+/II) 6-20 / 30 x 3-4 mm
Clamping range Fl / Fl: (+/II) 30 x 3-4 / 30 x 3-4 mm
Version: With clamping ring
Standard: EN 62561-1

Brand: DEHN
Type: VK DB KR 6.20 8.10 FL30 BSB STBL
Part No.: 308033
or equivalent.

Certificates

 

Technical data

Material St/bare
Clamping range Rd / Rd (+/II) 6-20 / 8-10 mm
Clamping range Rd / Fl (+/II) 6-20 / 30 x 3-4 mm
Clamping range Fl / Fl (+/II) 30 x 3-4 / 30 x 3-4 mm
Version With clamping ring
Short-circuit current (a.c. 50 Hz / d.c.) (1 s; ≤ 300 °C) 8.4 kA
Standard EN 62561-1
*) For exact assignment see test certificate.

Product 308033 was added to Notepad.

Product 308033 was added to the cart.


Connecting clamp MAXI with thrust bracket

For T, cross and parallel connections.

1 Product

Part No. 308036 VK DB 20.32 8.10 FL40 BSB STBL

GTIN 4013364136588, Customs tariff No. (EU): 85359000, Gross weight: 275.60 g, PU: 25.00 pc(s)


Images

Additional information

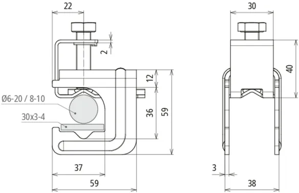
MAXI connecting clamp with thrust bracket, St/bare
Connecting clamp with thrust bracket for connecting round and flat conductors
in the concrete foundation or reinforcing steel meshes
and reinforcements with round and flat conductors
For T, cross and parallel connections
Material: St/bare
Clamping range Rd / Rd: (+/II) 20-32 / 8-10 mm
Clamping range Rd / Fl: (+/II) 20-32 / 40 x 4-5 mm
Version: With clamping ring
Standard: EN 62561-1

Brand: DEHN
Type: VK DB 20.32 8.10 FL40 BSB STBL
Part No.: 308036
or equivalent.

Certificates

 

Technical data

Material St/bare
Clamping range Rd / Rd (+/II) 20-32 / 8-10 mm
Clamping range Rd / Fl (+/II) 20-32 / 40 x 4-5 mm
Version With clamping ring
Short-circuit current (a.c. 50 Hz / d.c.) (1 s; ≤ 300 °C) 14.0 kA
Standard EN 62561-1
*) For exact assignment see test certificate.

Product 308036 was added to Notepad.

Product 308036 was added to the cart.


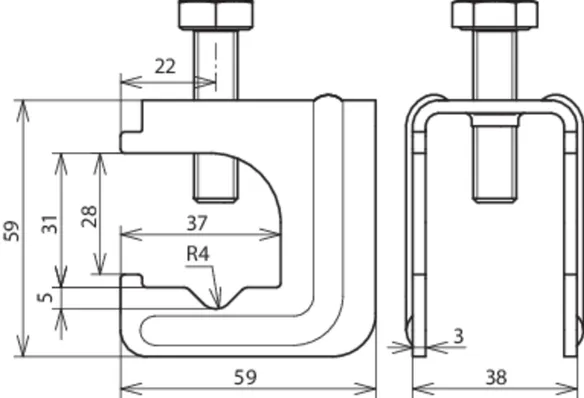
Connecting clamp without thrust bracket

For cross connections.

1 Product

Part No. 308032 VK 6.20 FL30 BSB STBL

GTIN 4013364152823, Customs tariff No. (EU): 85359000, Gross weight: 178.50 g, PU: 25.00 pc(s)


Images

Additional information

Connecting clamp without thrust bracket, St/bare
Connecting clamp for foundation earth electrodes
For connecting round and flat conductors in the concrete foundation
For cross connections, without having to insert the conductor

Material: St/bare
Clamping range Rd / Fl: (+) 6-20 / 30 x 3-4 mm
Clamping range Fl / Fl: (+/II) 30 x 3-4 / 30 x 3-4 mm
Standard: EN 62561-1

Brand: DEHN
Type: VK 6.20 FL30 BSB STBL
Part No.: 308032
or equivalent.

Certificates

 

Technical data

Material St/bare
Clamping range Rd / Fl (+) 6-20 / 30 x 3-4 mm
Clamping range Fl / Fl (+/II) 30 x 3-4 / 30 x 3-4 mm
Short-circuit current (a.c. 50 Hz / d.c.) (1 s; ≤ 300 °C) 7.0 kA
Standard EN 62561-1
*) For exact assignment see test certificate.

Product 308032 was added to Notepad.

Product 308032 was added to the cart.


Connecting clamp MAXI without thrust bracket

For cross connections.

1 Product

Part No. 308037 VK 20.32 FL40 BSB STBL

GTIN 4013364154704, Customs tariff No. (EU): 85359000, Gross weight: 218.00 g, PU: 25.00 pc(s)


Images

Additional information

Connecting clamp MAXI without thrust bracket, St/bare
Connecting clamp for foundation earth electrodes
For connecting round and flat conductors in the concrete foundation
For cross connections, without having to insert the conductor

Material: St/bare
Clamping range Rd / Fl: (+) 20-32 / 30 x 3-40 x 5 mm
Standard: EN 62561-1

Brand: DEHN
Type: VK 20.32 FL40 BSB STBL
Part No.: 308037
or equivalent.

Certificates

 

Technical data

Material St/bare
Clamping range Rd / Fl (+) 20-32 / 30 x 3-40 x 5 mm
Standard EN 62561-1
*) For exact assignment see test certificate.

Product 308037 was added to Notepad.

Product 308037 was added to the cart.


back to top