Connection Clamps

For cross and parallel connection of round conductors, flat strips or cables to earth rods.

For earth rods Ø20-30 mm

1 Product

Part No. 610010 AK TE 20.30 8.12 FL40 STTZN

GTIN 4013364022010, Customs tariff No. (EU): 85359000, Gross weight: 786.00 g, PU: 1.00 pc(s)

Predecessor

Images

Additional information

Connecting clamp for earth rods D 20-30 mm, St/tZn
Connection clamp for cross and parallel
connection of round conductors, flat strips, or
cables to earth rods
Material: St/tZn
Clamping range Rd / Fl: 8-12.5 / -40 mm
Clamping range (stranded / cable): 50-95 mm2
Short-circuit current (AC 50 Hz / DC): 18 kA
Standard: EN 62561-1

Brand: DEHN
Type: AK TE 20.30 8.12 FL40 STTZN
Part No.: 610010
or equivalent.

Certificates

 

Technical data

Material St/tZn
Clamping range Rd / Fl 8-12.5 / -40 mm
Clamping range (stranded / cable) 50-95 mm2
Short-circuit current (AC 50 Hz / DC) (1 s; ≤ 300 °C) 18 kA
Standard EN 62561-1
*) For exact assignment see test certificate.

Product 610010 was added to Notepad.

Product 610010 was added to the cart.


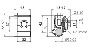
For earth rods Ø20-25 mm

Connection clamp for equipotential bonding connection of pipes (e.g. antenna poles) to earth rods via a solid /stranded conductor.

1 Product

Part No. 540121 AK 8.10 AQ4 50 TE20 25 V4A

GTIN 4013364380660, Customs tariff No. (EU): 85359000, Gross weight: 147.00 g, PU: 25.00 pc(s)


Images

Additional information

Connection clamp for earth rods D 20-25mm StSt (V4A)
Connection clamps for cross and parallel connection
of round conductors or cables to earth rods
Material: StSt (V4A)
Material No.: 1.4571 / 1.4404 / 1.4401
ASTM / AISI:: 316Ti / 316L / 316
Clamping range Rd: 8-10 mm
Connection (solid /stranded): 4-50 mm2
Standard: EN 62561-1

Brand: DEHN
Type: AK 8.10 AQ4 50 TE20 25 V4A
Part No.: 540121
or equivalent.

Certificates

 

Technical data

Material StSt (V4A)
Material No. 1.4571 / 1.4404 / 1.4401
ASTM / AISI: 316Ti / 316L / 316
Clamping range Rd 8-10 mm
Connection (solid /stranded) 4-50 mm2
Standard EN 62561-1
*) For exact assignment see test certificate.

Product 540121 was added to Notepad.

Product 540121 was added to the cart.


For earth rods Ø20 mm

1 Product

Part No. 610020 AK TE 20 7.10 FL40 V4A

GTIN 4013364054110, Customs tariff No. (EU): 85359000, Gross weight: 446.00 g, PU: 25.00 pc(s)


Images

Additional information

Connection clamp for earth rods D 20 mm, StSt (V4A)
Connection clamp for cross and parallel connection
of round conductors, flat strips or cables to earth rods
Material: StSt (V4A)
Material No.: 1.4571 / 1.4404 / 1.4401
ASTM / AISI:: 316Ti / 316L / 316
Clamping range Rd / Fl: 7-10 / -40 mm
Clamping range (stranded / cable): 25-120 mm2
Short-circuit current (AC 50 Hz / DC): 8 kA
Standard: EN 62561-1

Brand: DEHN
Type: AK TE 20 7.10 FL40 V4A
Part No.: 610020
or equivalent.

Certificates

 

Technical data

Material StSt (V4A)
Material No. 1.4571 / 1.4404 / 1.4401
ASTM / AISI: 316Ti / 316L / 316
Clamping range Rd / Fl 7-10 / -40 mm
Clamping range (stranded / cable) 25-120 mm2
Short-circuit current (AC 50 Hz / DC) (1 s; ≤ 300 °C) 8 kA
Standard EN 62561-1
*) For exact assignment see test certificate.

Product 610020 was added to Notepad.

Product 610020 was added to the cart.


back to top