DEHNrapid LSA – Lightning Current / Surge Arrester

  • Variable protection for 1 to 10 pairs in LSA systems of the 2/10 series
  • LSA disconnection block function integrated in the lightning current arrester allows protected testing, disconnecting and patching
  • Modular system of lightning current and surge arresters can be combined to a single combined arrester

Details

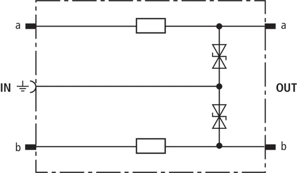
Combined lightning current and surge arrester for LSA terminal blocks.
lorem ipsum
Lightning current carrying SPD block with gas discharge tubes optionally available with visual fault indication and fail-safe function.
lorem ipsum
Application-specific surge protection modules for protecting terminal equipment.
lorem ipsum
Modular design consisting of a plug-in SPD block with gas discharge tubes, earthing frame and application-specific protection modules.
lorem ipsum
Pluggable surge arresters in the form of protection magazines can be plugged into terminal or disconnection blocks.
lorem ipsum


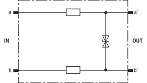
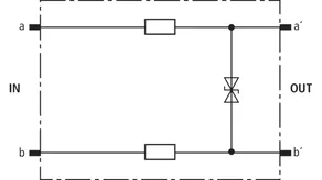
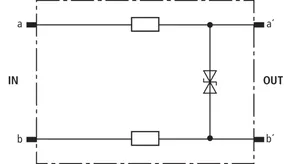
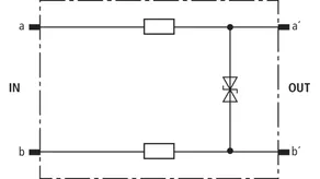
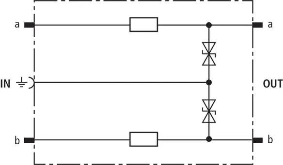
DRL 10 B

Lightning current carrying DRL plug-in SPD block (10 pairs) with three-pole gas discharge tubes for almost all applications. Expandable to a combined lightning current and surge arrester by means of a DRL protective plug. The integrated disconnection block contacts allow testing, measuring and patching with plugged-in protection.

1 Product

Part No. 907400 DRL 10 B 180

GTIN 4013364107557, Customs tariff No. (EU): 85363010, Gross weight: 69.90 g, PU: 1.00 pc(s)

Predecessor

Images

Additional information

DRL 10 B 180 lightning current carrying DRL plug-in SPD block
Lightning current arrester plug-in block
DEHNrapid LSA, SPD class TYPE 1,
for 10/2 LSA disconnection block,
complete supplied with 10 GDT 230 B3,
tested acc. to EN 61643-21, extendible
to a combined lightning current and surge
arrester with DRL protective plug,
integrated disconnection block contacts
allow testing, measuring and patching
at plugged-in protection

Max. continuous operating voltage (d.c.): 180 V
Nominal current: 0.4 A

Brand: DEHN
Type: DRL 10 B 180
Part No.: 907400
or equivalent.

Certificates

 

Technical data

SPD class G
Max. continuous operating voltage (d.c.) (UC ) 180 V
Nominal current (IL ) 0.4 A
D1 Total lightning impulse current (10/350 µs) (Iimp ) 5 kA
C2 Total nominal discharge current (8/20 µs) (In ) 10 kA
Series resistance per line ≤ 0.005 ohms
Plugs into LSA disconnection block 2/10

Product 907400 was added to Notepad.

Product 907400 was added to the cart.


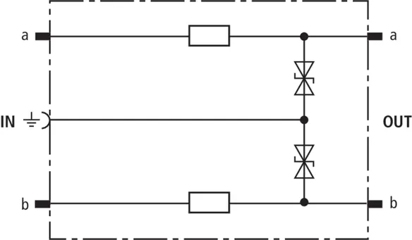
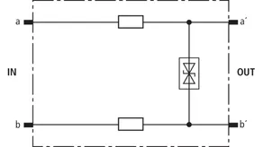
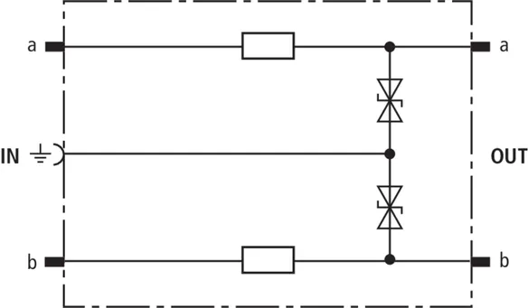
DRL 10 B FSD

Lightning current carrying DRL plug-in SPD block (10 pairs) for almost all applications. Expandable to a combined lightning current and surge arrester by means of a DRL protective plug. The integrated disconnection block contacts allow testing, measuring and patching with plugged-in protection. The three-pole gas discharge tubes have a fail-safe function with visual fault indication.

1 Product

Part No. 907401 DRL 10 B 180 FSD

GTIN 4013364107564, Customs tariff No. (EU): 85363010, Gross weight: 74.30 g, PU: 1.00 pc(s)


Images

Additional information

DRL 10 B 180 FSD lightning current carrying DRL plug-in SPD block
Lightning current arrester plug-in block
DEHNrapid LSA, SPD class TYPE 1,
for 10/2 LSA disconnection block,
complete supplied with 10 GDT 230 B3 FSD,
tested acc. to EN 61643-21, extendible
to a combined lightning current and surge
arrester with DRL protective plug,
integrated disconnection block contacts
allow testing, measuring and patching
at plugged-in protection, GDT‘s with
fail-safe function and visual fault indicator

Max. continuous operating voltage (d.c.): 180 V
Nominal current: 0.4 A

Brand: DEHN
Type: DRL 10 B 180 FSD
Part No.: 907401
or equivalent.

Certificates

 

Technical data

SPD class G
Fault indication visual, colour change
Max. continuous operating voltage (d.c.) (UC ) 180 V
Nominal current (IL ) 0.4 A
D1 Total lightning impulse current (10/350 µs) (Iimp ) 5 kA
C2 Total nominal discharge current (8/20 µs) (In ) 10 kA
Series resistance per line ≤ 0.005 ohms
Plugs into LSA disconnection block 2/10

Product 907401 was added to Notepad.

Product 907401 was added to the cart.


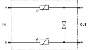
DRL RE

Protective plug (one pair), energy-coordinated with DRL plug-in SPD block, for use as single-stage protective device for terminal equipment with decoupling impedances. Ideally suited for signal circuits sharing a common reference potential. Earthing via EF 10 DRL. For disconnection blocks or DRL plug-in SPD blocks only.

5 Products

Part No. 907421 DRL RE 12

GTIN 4013364107618, Customs tariff No. (EU): 85363010, Gross weight: 5.40 g, PU: 10.00 pc(s)

Predecessor

Images

Additional information

DRL RE 12 protective plug (1 pair)
DEHNrapid LSA surge protective plug
SPD class: type 3/P1
Tested to EN 61643-21 and energy-
coordinated acc. to IEC 61643-22
with type 1 DRL plug-in SPD block
For protecting two single cores
In conjunction with the earthing
frame, it can be plugged into LSA disconnection
blocks of the 2/10 series or directly into the DRL
plug-in SPD block as an extension to the combined
arrester
Max. continuous operating voltage (d.c.): 14 V
Nominal current: 0.4 A

Brand: DEHN
Type: DRL RE 12
Part No.: 907421
or equivalent.

Certificates

 

Technical data

SPD class O
Max. continuous operating voltage (d.c.) (UC ) 14 V
Nominal current (IL ) 0.4 A
D1 Total lightning impulse current (10/350 µs) in combination with DRL 10 B... (Iimp ) 5 kA
C2 Total nominal discharge current (8/20 µs) in combination with DRL 10 B... (In ) 10 kA
Series resistance per line 4.7 ohms
Cut-off frequency line-PG (fG ) 2.7 MHz
Plugs into LSA disconnection block 2/10 or DRL 10 B ... plug-in SPD block

Product 907421 was added to Notepad.

Product 907421 was added to the cart.

Part No. 907422 DRL RE 24

GTIN 4013364107625, Customs tariff No. (EU): 85363010, Gross weight: 5.40 g, PU: 10.00 pc(s)

Predecessor

Images

Additional information

DRL RE 24 surge protective plug (1 pair)
DEHNrapid LSA surge protective plug
SPD class: type 3/P1
Tested to EN 61643-21 and energy-
coordinated acc. to IEC 61643-22
with type 1 DRL plug-in SPD block
For protecting two single cores
In conjunction with the earthing
frame, it can be plugged into LSA disconnection
blocks of the 2/10 series or directly into the DRL
plug-in SPD block as an extension to the combined
arrester
Max. continuous operating voltage (d.c.): 28 V
Nominal current: 0.4 A

Brand: DEHN
Type: DRL RE 24
Part No.: 907422
or equivalent.

Certificates

 

Technical data

SPD class O
Max. continuous operating voltage (d.c.) (UC ) 28 V
Nominal current (IL ) 0.4 A
D1 Total lightning impulse current (10/350 µs) in combination with DRL 10 B... (Iimp ) 5 kA
C2 Total nominal discharge current (8/20 µs) in combination with DRL 10 B... (In ) 10 kA
Series resistance per line 4.7 ohms
Cut-off frequency line-PG (fG ) 4.5 MHz
Plugs into LSA disconnection block 2/10 or DRL 10 B ... plug-in SPD block

Product 907422 was added to Notepad.

Product 907422 was added to the cart.

Part No. 907423 DRL RE 48

GTIN 4013364107632, Customs tariff No. (EU): 85363010, Gross weight: 5.40 g, PU: 10.00 pc(s)

Predecessor

Images

Additional information

DRL RE 48 surge protective plug (1 pair)
DEHNrapid LSA surge protective plug
SPD class: type 3/P1
Tested to EN 61643-21 and energy-
coordinated acc. to IEC 61643-22
with type 1 DRL plug-in SPD block
For protecting two single cores
In conjunction with the earthing
frame, it can be plugged into LSA disconnection
blocks of the 2/10 series or directly into the DRL
plug-in SPD block as an extension to the combined
arrester
Max. continuous operating voltage (d.c.): 54 V
Nominal current: 0.4 A

Brand: DEHN
Type: DRL RE 48
Part No.: 907423
or equivalent.

Certificates

 

Technical data

SPD class O
Max. continuous operating voltage (d.c.) (UC ) 54 V
Nominal current (IL ) 0.4 A
D1 Total lightning impulse current (10/350 µs) in combination with DRL 10 B... (Iimp ) 5 kA
C2 Total nominal discharge current (8/20 µs) in combination with DRL 10 B... (In ) 10 kA
Series resistance per line 6.8 ohms
Cut-off frequency line-PG (fG ) 7.35 MHz
Plugs into LSA disconnection block 2/10 or DRL 10 B ... plug-in SPD block

Product 907423 was added to Notepad.

Product 907423 was added to the cart.

Part No. 907424 DRL RE 60

GTIN 4013364107649, Customs tariff No. (EU): 85363010, Gross weight: 5.40 g, PU: 10.00 pc(s)

Predecessor

Images

Additional information

DRL RE 60 surge protective plug (1 pair)
DEHNrapid LSA surge protective plug
SPD class: type 3/P1
Tested to EN 61643-21 and energy-
coordinated acc. to IEC 61643-22
with type 1 DRL plug-in SPD block
For protecting two single cores
In conjunction with the earthing
frame, it can be plugged into LSA disconnection
blocks of the 2/10 series or directly into the DRL
plug-in SPD block as an extension to the combined
arrester
Max. continuous operating voltage (d.c.): 70 V
Nominal current: 0.4 A

Brand: DEHN
Type: DRL RE 60
Part No.: 907424
or equivalent.

Certificates

 

Technical data

SPD class O
Max. continuous operating voltage (d.c.) (UC ) 70 V
Nominal current (IL ) 0.4 A
D1 Total lightning impulse current (10/350 µs) in combination with DRL 10 B... (Iimp ) 5 kA
C2 Total nominal discharge current (8/20 µs) in combination with DRL 10 B... (In ) 10 kA
Series resistance per line 6.8 ohms
Cut-off frequency line-PG (fG ) 10.5 MHz
Plugs into LSA disconnection block 2/10 or DRL 10 B ... plug-in SPD block

Product 907424 was added to Notepad.

Product 907424 was added to the cart.

Part No. 907425 DRL RE 180

GTIN 4013364107656, Customs tariff No. (EU): 85363010, Gross weight: 5.40 g, PU: 10.00 pc(s)

Predecessor

Images

Additional information

DRL RE 180 surge protective plug (1 pair)
DEHNrapid LSA surge protective plug
SPD class: type 3/P1
Tested to EN 61643-21 and energy-
coordinated acc. to IEC 61643-22
with type 1 DRL plug-in SPD block
For protecting two single cores
In conjunction with the earthing
frame, it can be plugged into LSA disconnection
blocks of the 2/10 series or directly into the DRL
plug-in SPD block as an extension to the combined
arrester
Max. continuous operating voltage (d.c.): 180 V
Nominal current: 0.1 A

Brand: DEHN
Type: DRL RE 180
Part No.: 907425
or equivalent.

Certificates

 

Technical data

SPD class O
Max. continuous operating voltage (d.c.) (UC ) 180 V
Nominal current (IL ) 0.1 A
D1 Total lightning impulse current (10/350 µs) in combination with DRL 10 B... (Iimp ) 5 kA
C2 Total nominal discharge current (8/20 µs) in combination with DRL 10 B... (In ) 10 kA
Series resistance per line 4.7 ohms
Cut-off frequency line-PG (fG ) 42 MHz
Plugs into LSA disconnection block 2/10 or DRL 10 B ... plug-in SPD block

Product 907425 was added to Notepad.

Product 907425 was added to the cart.


DRL RD

Protective plug (one pair), energy-coordinated with DRL plug-in SPD block, for use as single-stage protective device for terminal equipment. Low voltage protection level line-line for unearthed interfaces. To be mounted into EF 10 DRL. Installation recommended only in combination with DRL plug-in SPD block.

5 Products

Part No. 907441 DRL RD 12

GTIN 4013364107694, Customs tariff No. (EU): 85363010, Gross weight: 5.40 g, PU: 10.00 pc(s)

Predecessor

Images

Additional information

DRL RD 12 surge protective plug (1 pair)
DEHNrapid LSA surge protective plug
SPD class: type 3/P1
Tested to EN 61643-21 and energy-
coordinated acc. to IEC 61643-22
with type 1 DRL plug-in SPD block
For protecting one pair
In conjunction with the earthing
frame, it can be plugged into LSA disconnection
blocks of the 2/10 series or directly into the DRL
plug-in SPD block as an extension to the combined
arrester
Max. continuous operating voltage (d.c.): 14 V
Nominal current: 0.4 A

Brand: DEHN
Type: DRL RD 12
Part No.: 907441
or equivalent.

Certificates

 

Technical data

SPD class O
Max. continuous operating voltage (d.c.) (UC ) 14 V
Nominal current (IL ) 0.4 A
D1 Total lightning impulse current (10/350 µs) in combination with DRL 10 B... (Iimp ) 5 kA
C2 Total nominal discharge current (8/20 µs) in combination with DRL 10 B... (In ) 10 kA
Series resistance per line 2.2 ohms
Cut-off frequency line-line (fG ) 2.7 MHz
Plugs into LSA disconnection block 2/10 or DRL 10 B ... plug-in SPD block

Product 907441 was added to Notepad.

Product 907441 was added to the cart.

Part No. 907442 DRL RD 24

GTIN 4013364107700, Customs tariff No. (EU): 85363010, Gross weight: 5.40 g, PU: 10.00 pc(s)


Images

Additional information

DRL RD 24 surge protective plug (1 pair)
DEHNrapid LSA surge protective plug
SPD class: type 3/P1
Tested to EN 61643-21 and energy-
coordinated acc. to IEC 61643-22
with type 1 DRL plug-in SPD block
For protecting one pair
In conjunction with the earthing
frame, it can be plugged into LSA disconnection
blocks of the 2/10 series or directly into the DRL
plug-in SPD block as an extension to the combined
arrester
Max. continuous operating voltage (d.c.): 28 V
Nominal current: 0.4 A

Brand: DEHN
Type: DRL RD 24
Part No.: 907442
or equivalent.

Certificates

 

Technical data

SPD class O
Max. continuous operating voltage (d.c.) (UC ) 28 V
Nominal current (IL ) 0.4 A
D1 Total lightning impulse current (10/350 µs) in combination with DRL 10 B... (Iimp ) 5 kA
C2 Total nominal discharge current (8/20 µs) in combination with DRL 10 B... (In ) 10 kA
Series resistance per line 2.2 ohms
Cut-off frequency line-line (fG ) 5.4 MHz
Plugs into LSA disconnection block 2/10 or DRL 10 B ... plug-in SPD block

Product 907442 was added to Notepad.

Product 907442 was added to the cart.

Part No. 907443 DRL RD 48

GTIN 4013364107717, Customs tariff No. (EU): 85363010, Gross weight: 5.40 g, PU: 10.00 pc(s)


Images

Additional information

DRL RD 48 surge protective plug (1 pair)
DEHNrapid LSA surge protective plug
SPD class: type 3/P1
Tested to EN 61643-21 and energy-
coordinated acc. to IEC 61643-22
with type 1 DRL plug-in SPD block
For protecting one pair
In conjunction with the earthing
frame, it can be plugged into LSA disconnection
blocks of the 2/10 series or directly into the DRL
plug-in SPD block as an extension to the combined
arrester
Max. continuous operating voltage (d.c.): 54 V
Nominal current: 0.4 A

Brand: DEHN
Type: DRL RD 48
Part No.: 907443
or equivalent.

Certificates

 

Technical data

SPD class O
Max. continuous operating voltage (d.c.) (UC ) 54 V
Nominal current (IL ) 0.4 A
D1 Total lightning impulse current (10/350 µs) in combination with DRL 10 B... (Iimp ) 5 kA
C2 Total nominal discharge current (8/20 µs) in combination with DRL 10 B... (In ) 10 kA
Series resistance per line 4.7 ohms
Cut-off frequency line-line (fG ) 7.8 MHz
Plugs into LSA disconnection block 2/10 or DRL 10 B ... plug-in SPD block

Product 907443 was added to Notepad.

Product 907443 was added to the cart.

Part No. 907444 DRL RD 60

GTIN 4013364107724, Customs tariff No. (EU): 85363010, Gross weight: 5.40 g, PU: 10.00 pc(s)


Images

Additional information

DRL RD 60 surge protective plug (1 pair)
DEHNrapid LSA surge protective plug
SPD class: type 3/P1
Tested to EN 61643-21 and energy-
coordinated acc. to IEC 61643-22
with type 1 DRL plug-in SPD block
For protecting one pair
In conjunction with the earthing
frame, it can be plugged into LSA disconnection
blocks of the 2/10 series or directly into the DRL
plug-in SPD block as an extension to the combined
arrester
Max. continuous operating voltage (d.c.): 70 V
Nominal current: 0.4 A

Brand: DEHN
Type: DRL RD 60
Part No.: 907444
or equivalent.

Certificates

 

Technical data

SPD class O
Max. continuous operating voltage (d.c.) (UC ) 70 V
Nominal current (IL ) 0.4 A
D1 Total lightning impulse current (10/350 µs) in combination with DRL 10 B... (Iimp ) 5 kA
C2 Total nominal discharge current (8/20 µs) in combination with DRL 10 B... (In ) 10 kA
Series resistance per line 4.7 ohms
Cut-off frequency line-line (fG ) 11 MHz
Plugs into LSA disconnection block 2/10 or DRL 10 B ... plug-in SPD block

Product 907444 was added to Notepad.

Product 907444 was added to the cart.

Part No. 907445 DRL RD 110

GTIN 4013364118461, Customs tariff No. (EU): 85363010, Gross weight: 3.30 g, PU: 10.00 pc(s)


Images

Additional information

DRL RD 110 surge protective plug (1 pair)
DEHNrapid LSA surge protective plug
SPD class: type 3/P1
Tested to EN 61643-21 and energy-
coordinated acc. to IEC 61643-22
with type 1 DRL plug-in SPD block
For protecting one pair
In conjunction with the earthing
frame, it can be plugged into LSA disconnection
blocks of the 2/10 series or directly into the DRL
plug-in SPD block as an extension to the combined
arrester
Max. continuous operating voltage (d.c.): 180 V
Nominal current: 0.4 A

Brand: DEHN
Type: DRL RD 110
Part No.: 907445
or equivalent.

Certificates

 

Technical data

SPD class O
Max. continuous operating voltage (d.c.) (UC ) 180 V
Nominal current (IL ) 0.4 A
D1 Total lightning impulse current (10/350 µs) in combination with DRL 10 B... (Iimp ) 5 kA
C2 Total nominal discharge current (8/20 µs) in combination with DRL 10 B... (In ) 10 kA
Series resistance per line 4.7 ohms
Cut-off frequency line-line (fG ) 20 MHz
Plugs into LSA disconnection block 2/10 or DRL 10 B ... plug-in SPD block

Product 907445 was added to Notepad.

Product 907445 was added to the cart.


DRL PD

Protective plug (one pair), energy-coordinated with DRL plug-in SPD block, for use as single-stage protective device for terminal equipment. Low voltage protection level line-line and integrated overcurrent protection for ADSL, ISDN Uk0 or a/b lines. To be mounted into EF 10 DRL. Installation recommended only in combination with DRL plug-in SPD block.

1 Product

Part No. 907430 DRL PD 180

GTIN 4013364107670, Customs tariff No. (EU): 85363010, Gross weight: 3.90 g, PU: 10.00 pc(s)

Predecessor

Images

Additional information

DRL PD 180 surge protective plug (1 pair)
DEHNrapid LSA surge protective plug
SPD class: type 3/P1
With overcurrent protection against power crossing
Tested to EN 61643-21 and energy-
coordinated acc. to IEC 61643-22
with type 1 DRL plug-in SPD blocks
For protecting one pair
In conjunction with the earthing
frame, it can be plugged into LSA disconnection
blocks of the 2/10 series or directly into the DRL
plug-in SPD block as an extension to the combined
arrester
Max. continuous operating voltage (d.c.): 180 V
Nominal current: 0.1 A

Brand: DEHN
Type: DRL PD 180
Part No.: 907430
or equivalent.

Certificates

 

Technical data

SPD class O
Max. continuous operating voltage (d.c.) (UC ) 180 V
Nominal current (IL ) 0.1 A
D1 Total lightning impulse current (10/350 µs) in combination with DRL 10 B... (Iimp ) 5 kA
C2 Total nominal discharge current (8/20 µs) in combination with DRL 10 B... (In ) 10 kA
Series resistance per line 10 ohms +/- 15%
Cut-off frequency line-line (fG ) 61 MHz
Plugs into LSA disconnection block 2/10 or DRL 10 B... plug-in SPD block

Product 907430 was added to Notepad.

Product 907430 was added to the cart.


DRL HD

Protective plug (one pair), energy-coordinated with DRL plug-in SPD block, for use as single-stage protective device for terminal equipment for high-frequency transmissions such as G.703 or ISDN U2m, S2m and S0. To be mounted into EF 10 DRL. Installation recommended only in combination with DRL plug-in SPD block.

1 Product

Part No. 907470 DRL HD 24

GTIN 4013364107663, Customs tariff No. (EU): 85363010, Gross weight: 5.40 g, PU: 10.00 pc(s)

Predecessor

Images

Additional information

DRL HD 24 protective plug (1 pair)
Surge protective plug DEHNrapid LSA,
SPD class TYPE 3/P1, tested acc. to
EN 61643-21 and energy coordinated
acc. to IEC 61643-22 for DRL plug-in SPD
block TYPE 1, for the protection of 1 pair
of systems of maximum transmission rates.
Together with earthing frame pluggable into
LSA disconnection blocks 10/2 or directly
into the DRL plug-in block as extension to
the combined lightning current and surge
arrester

Max. continuous operating voltage (d.c.): 28 V
Nominal current: 0.4 A

Brand: DEHN
Type: DRL HD 24
Part No.: 907470
or equivalent.

Certificates

 

Technical data

SPD class O
Max. continuous operating voltage (d.c.) (UC ) 28 V
Nominal current (IL ) 0.4 A
D1 Total lightning impulse current (10/350 µs) in combination with DRL 10 B... (Iimp ) 5 kA
C2 Total nominal discharge current (8/20 µs) in combination with DRL 10 B... (In ) 10 kA
Series resistance per line 4.7 ohms
Plugs into LSA disconnection block 2/10 or DRL 10 B... plug-in SPD block

Product 907470 was added to Notepad.

Product 907470 was added to the cart.


back to top