Equipotential Bonding on Cable Tray Systems for Ex Zone 2/22

The equipotential bonding system is mounted on cable tray systems. All conductive system parts and electrical equipment are integrated in the Ex equipotential bonding by means of equipotential bonding plates and clamps as well as a closed ring equipotential bonding conductor.

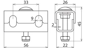
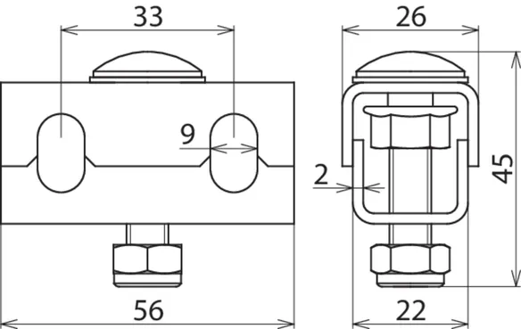
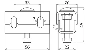
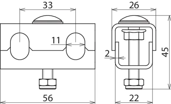
EB clamp for cable trays and EB plate

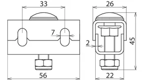
Equipotential bonding clamp for cable trays

  • Connection only with ring equipotential bonding conductor (tinned copper cable)
  • For mounting on the perforated cable tray or on the equipotential bonding plate (PAP 1 / PAP 2)
  • EB clamp to be mounted approx. every 0.5 m

6 Products

Part No. 306200 PAK 35 M8 EX KB ER

GTIN 4013364327368, Customs tariff No. (EU): 85359000, Gross weight: 113.40 g, PU: 50.00 pc(s)


Images

Additional information

Equipotential bonding clamp for cable tray systems
Equipotential bonding clamp for the installation
of a ring equipotential bonding conductor
for being mounted as single clamp on the laterally
perforated cable tray, cable rack
or wide span cable tray with perforations
as well as for the fixing on the EB plate PAP1-EX-KB-ER
or PAP2-EX-KB-ER
for use in Ex zone 2/22
Material: StSt
Clamping range EB ring conductor: 35 mm², Cu/gal Sn
Material No.: 1.4301
ASTM / AISI:: AISI 304
EX zone: 2/22

Brand: DEHN
Type: PAK 35 M8 EX KB ER
Part No.: 306200
or equivalent.

Certificates

 

Technical data

Material StSt
Connection to PAP 1 EX KB ER or PAP 2 EX KB ER or cable tray or wide span cable tray
Clamping range EB ring conductor 35 mm², Cu /gal Sn
Screw M8 x 40 mm
Material of screw / nut StSt
Material No. 1.4301
ASTM / AISI: AISI 304
EX zone 2/22
Short-circuit current AC (50 Hz / 5 s) 1.5 kA
Short-circuit current DC (5 s) 250 A

Product 306200 was added to Notepad.

Product 306200 was added to the cart.

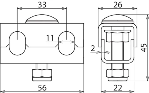
Part No. 306201 PAK 50 M8 EX KB ER

GTIN 4013364327375, Customs tariff No. (EU): 85359000, Gross weight: 128.80 g, PU: 50.00 pc(s)


Images

Additional information

Equipotential bonding clamp for cable tray systems
Equipotential bonding clamp for the installation
of a ring equipotential bonding conductor
for being mounted as single clamp on the laterally
perforated cable tray, cable rack
or wide span cable tray with perforations
as well as for the fixing on the EB plate PAP1-EX-KB-ER
or PAP2-EX-KB-ER
for use in Ex zone 2/22
Material: StSt
Clamping range EB ring conductor: 50 mm², Cu/gal Sn
Material No.: 1.4301
ASTM / AISI:: AISI 304
EX zone: 2/22

Brand: DEHN
Type: PAK 50 M8 EX KB ER
Part No.: 306201
or equivalent.

Certificates

 

Technical data

Material StSt
Connection to PAP 1 EX KB ER or PAP 2 EX KB ER or cable tray or wide span cable tray
Clamping range EB ring conductor 50 mm², Cu /gal Sn
Screw M8 x 40 mm
Material of screw / nut StSt
Material No. 1.4301
ASTM / AISI: AISI 304
EX zone 2/22

Product 306201 was added to Notepad.

Product 306201 was added to the cart.

Part No. 306202 PAK 70 M8 EX KB ER

GTIN 4013364327351, Customs tariff No. (EU): 85359000, Gross weight: 110.00 g, PU: 50.00 pc(s)


Images

Additional information

Equipotential bonding clamp for cable tray systems
Equipotential bonding clamp for the installation
of a ring equipotential bonding conductor
for being mounted as single clamp on the laterally
perforated cable tray, cable rack
or wide span cable tray with perforations
as well as for the fixing on the EB plate PAP1-EX-KB-ER
or PAP2-EX-KB-ER
for use in Ex zone 2/22
Material: StSt
Clamping range EB ring conductor: 70 mm², Cu/gal Sn
Material No.: 1.4301
ASTM / AISI:: AISI 304
EX zone: 2/22

Brand: DEHN
Type: PAK 70 M8 EX KB ER
Part No.: 306202
or equivalent.

Certificates

 

Technical data

Material StSt
Connection to PAP 1 EX KB ER or PAP 2 EX KB ER or cable tray or wide span cable tray
Clamping range EB ring conductor 70 mm², Cu /gal Sn
Screw M8 x 40 mm
Material of screw / nut StSt
Material No. 1.4301
ASTM / AISI: AISI 304
EX zone 2/22
Short-circuit current AC (50 Hz / 5 s) 1.5 kA
Short-circuit current DC (5 s) 250 A

Product 306202 was added to Notepad.

Product 306202 was added to the cart.

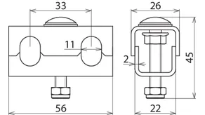
Part No. 306204 PAK 35 M6 EX KB ER

GTIN 4013364336766, Customs tariff No. (EU): 85359000, Gross weight: 98.20 g, PU: 50.00 pc(s)


Images

Additional information

Equipotential bonding clamp for cable tray systems
Equipotential bonding clamp for the installation
of a ring equipotential bonding conductor
for being mounted as single clamp on the laterally
perforated cable tray, cable rack
or wide span cable tray with perforations
as well as for the fixing on the EB plate PAP1-EX-KB-ER
or PAP2-EX-KB-ER
for use in Ex zone 2/22
Material: StSt
Clamping range EB ring conductor: 35 mm², Cu/gal Sn
Material No.: 1.4301
ASTM / AISI:: AISI 304
EX zone: 2/22

Brand: DEHN
Type: PAK 35 M6 EX KB ER
Part No.: 306204
or equivalent.

Certificates

 

Technical data

Material StSt
Connection to PAP 1 EX KB ER or PAP 2 EX KB ER or cable tray or wide span cable tray
Clamping range EB ring conductor 35 mm², Cu /gal Sn
Screw M6 x 35 mm
Material of screw / nut StSt
Material No. 1.4301
ASTM / AISI: AISI 304
EX zone 2/22

Product 306204 was added to Notepad.

Product 306204 was added to the cart.

Part No. 306205 PAK 50 M6 EX KB ER

GTIN 4013364336773, Customs tariff No. (EU): 85359000, Gross weight: 95.60 g, PU: 50.00 pc(s)


Images

Additional information

Equipotential bonding clamp for cable tray systems
Equipotential bonding clamp for the installation
of a ring equipotential bonding conductor
for being mounted as single clamp on the laterally
perforated cable tray, cable rack
or wide span cable tray with perforations
as well as for the fixing on the EB plate PAP1-EX-KB-ER
or PAP2-EX-KB-ER
for use in Ex zone 2/22
Material: StSt
Clamping range EB ring conductor: 50 mm², Cu/gal Sn
Material No.: 1.4301
ASTM / AISI:: AISI 304
EX zone: 2/22

Brand: DEHN
Type: PAK 50 M6 EX KB ER
Part No.: 306205
or equivalent.

Certificates

 

Technical data

Material StSt
Connection to PAP 1 EX KB ER or PAP 2 EX KB ER or cable tray or wide span cable tray
Clamping range EB ring conductor 50 mm², Cu /gal Sn
Screw M6 x 35 mm
Material of screw / nut StSt
Material No. 1.4301
ASTM / AISI: AISI 304
EX zone 2/22

Product 306205 was added to Notepad.

Product 306205 was added to the cart.

Part No. 306206 PAK 70 M6 EX KB ER

GTIN 4013364336780, Customs tariff No. (EU): 85359000, Gross weight: 94.20 g, PU: 50.00 pc(s)


Images

Additional information

Equipotential bonding clamp for cable tray systems
Equipotential bonding clamp for the installation
of a ring equipotential bonding conductor
for being mounted as single clamp on the laterally
perforated cable tray, cable rack
or wide span cable tray with perforations
as well as for the fixing on the EB plate PAP1-EX-KB-ER
or PAP2-EX-KB-ER
for use in Ex zone 2/22
Material: StSt
Clamping range EB ring conductor: 70 mm², Cu/gal Sn
Material No.: 1.4301
ASTM / AISI:: AISI 304
EX zone: 2/22

Brand: DEHN
Type: PAK 70 M6 EX KB ER
Part No.: 306206
or equivalent.

Certificates

 

Technical data

Material StSt
Connection to PAP 1 EX KB ER or PAP 2 EX KB ER or cable tray or wide span cable tray
Clamping range EB ring conductor 70 mm², Cu /gal Sn
Screw M6 x 35 mm
Material of screw / nut StSt
Material No. 1.4301
ASTM / AISI: AISI 304
EX zone 2/22

Product 306206 was added to Notepad.

Product 306206 was added to the cart.


EB clamp for wire cable trays

Equipotential bonding clamp PAK for wire cable trays

  • Connection only with ring equipotential bonding conductor 35 mm², Part No. 832 838 (tinned copper cable)
  • For mounting on the wire cable tray or on the EB plate (PAP 1 / PAP 2)
  • EB clamp to be mounted approx. every 0.5 m

1 Product

Part No. 306203 PAK 35 M8 EX GI ER

GTIN 4013364327382, Customs tariff No. (EU): 85359000, Gross weight: 128.80 g, PU: 50.00 pc(s)


Images

Additional information

Equipotential bonding clamp for cable tray systems
Equipotential bonding clamp for the installation
of a ring equipotential bonding conductor
for being mounted as single clamp laterally on the
wire cable tray, as well as for the fixing on the EB plate
PAP1-EX-GI-ER or PAP2-EX-GI-ER
for use in Ex zone 2/22
Material: StSt
Clamping range EB ring conductor: 35 mm², Cu/gal Sn
Material No.: 1.4301
ASTM / AISI:: AISI 304
EX zone: 2/22

Brand: DEHN
Type: PAK 35 M8 EX GI ER
Part No.: 306203
or equivalent.

Certificates

 

Technical data

Material StSt
Connection to PAP 1 EX GI ER / PAP 2 EX GI ER or wire cable tray
Clamping range EB ring conductor 35 mm², Cu/gal Sn
Screw M8 x 40 mm
Material of screw / nut StSt
Material No. 1.4301
ASTM / AISI: AISI 304
EX zone 2/22
Short-circuit current AC (50 Hz / 5 s) 1.5 kA
Short-circuit current DC (5 s) 250 A

Product 306203 was added to Notepad.

Product 306203 was added to the cart.


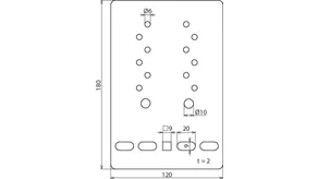
EB plate for cable trays

Equipotential bonding plate for cable trays

  • For attaching the equipotential bonding clamp for the ring equipotential bonding conductor (tin-plated copper cable)
  • For mounting on the cable tray with side perforations

2 Products

Part No. 306210 PAP 1 EX KB ER

GTIN 4013364327399, Customs tariff No. (EU): 85359000, Gross weight: 374.00 g, PU: 15.00 pc(s)


Images

Additional information

Equipotential bonding plate for cable tray systems
Equipotential bonding plate for mounting on
laterally perforated cable trays, cable ducts
or perforated wide span cable trays
as support of the EB clamp for cable trays (KB)
for use in Ex zone 2/22
Material: StSt
Connection holes for EB conductor with cable lug: 3x Ø11 mm, 3x Ø9 mm, strain relief 3x cable clamp M6
EX zone: 2/22

Brand: DEHN
Type: PAP 1 EX KB ER
Part No.: 306210
or equivalent.

Certificates

 

Technical data

Material StSt
Dimensions 120 x 180 mm
Connection holes for EB conductor with cable lug 3x Ø11 mm, 3x Ø9 mm, strain relief 3x cable clamp M6
Connection possibilities for EB clamps PAK ... EX KB ER
Fixing holes for cable tray [4x] 9 x 20 / [1x] 9 x 9 mm
EX zone 2/22
Short-circuit current AC (50 Hz / 5 s) 1.5 kA
Short-circuit current DC (5 s) 250 A

Product 306210 was added to Notepad.

Product 306210 was added to the cart.

Part No. 306211 PAP 2 EX KB ER

GTIN 4013364327405, Customs tariff No. (EU): 85359000, Gross weight: 401.00 g, PU: 15.00 pc(s)


Images

Additional information

Equipotential bonding plate for cable tray systems
Equipotential bonding plate for being mounted
on laterally perforated cable trays, cable ducts
or perforated wide span cable trays
as support of the EB clamp for cable trays (KB)
for use in Ex zone 2/22
Material: StSt
Connection holes for EB conductor with cable lug: 2x Ø11 mm, 12x Ø7 mm
EX zone: 2/22

Brand: DEHN
Type: PAP 2 EX KB ER
Part No.: 306211
or equivalent.

Certificates

 

Technical data

Material StSt
Dimensions 120 x 195 mm
Connection holes for EB conductor with cable lug 2x Ø11 mm, 12x Ø7 mm
Connection possibilities for EB clamps PAK ... EX KB ER
Fixing holes for cable tray [4x] 9 x 20 / [1x] 9 x 9 mm
EX zone 2/22
Short-circuit current AC (50 Hz / 5 s) 1.5 kA
Short-circuit current DC (5 s) 250 A

Product 306211 was added to Notepad.

Product 306211 was added to the cart.


EB plate for wire cable trays

Equipotential bonding plate for wire cable trays

  • For attaching the equipotential bonding clamp for the ring equipotential bonding conductor (tin-plated copper cable)
  • For mounting on the wire cable tray

2 Products

Part No. 306212 PAP 1 EX GI ER

GTIN 4013364327412, Customs tariff No. (EU): 85359000, Gross weight: 384.00 g, PU: 15.00 pc(s)


Images

Additional information

Equipotential bonding plate for cable tray systems
Equipotential bonding plate for being mounted
on wire cable trays and
as support of the EB clamp for wire cable trays (GI)
for use in Ex zone 2/22
Material: StSt
Connection holes for EB conductor with cable lug: 3x Ø11 mm, 3x Ø9 mm, strain relief 3x cable clamp M6
EX zone: 2/22

Brand: DEHN
Type: PAP 1 EX GI ER
Part No.: 306212
or equivalent.

Certificates

 

Technical data

Material StSt
Dimensions 120 x 180 mm
Connection holes for EB conductor with cable lug 3x Ø11 mm, 3x Ø9 mm, strain relief 3x cable clamp M6
Connection possibilities for EB clamps PAK ... EX KB ER
Fixing holes for wire cable tray wire cable tray [4x] 9 x 20 / [1x] 9 x 9 mm
EX zone 2/22
Short-circuit current AC (50 Hz / 5 s) 1.5 kA
Short-circuit current DC (5 s) 250 A

Product 306212 was added to Notepad.

Product 306212 was added to the cart.

Part No. 306213 PAP 2 EX GI ER

GTIN 4013364327429, Customs tariff No. (EU): 85359000, Gross weight: 391.50 g, PU: 15.00 pc(s)


Images

Additional information

Equipotential bonding plate for cable tray systems
Equipotential bonding plate for being mounted
on wire cable trays and
as support of the EB clamp for wire cable trays (GI)
for use in Ex zone 2/22
Material: StSt
Connection holes for EB conductor with cable lug: 2x Ø11 mm, 12x Ø7 mm
EX zone: 2/22

Brand: DEHN
Type: PAP 2 EX GI ER
Part No.: 306213
or equivalent.

Certificates

 

Technical data

Material StSt
Dimensions 120 x 195 mm
Connection holes for EB conductor with cable lug 2x Ø11 mm, 12x Ø7 mm
Connection possibilities for EB clamps PAK ... EX KB ER
Fixing holes for wire cable tray [4x] 9 x 20 / [1x] 9 x 9 mm
EX zone 2/22
Short-circuit current AC (50 Hz / 5 s) 1.5 kA
Short-circuit current DC (5 s) 250 A

Product 306213 was added to Notepad.

Product 306213 was added to the cart.


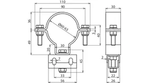
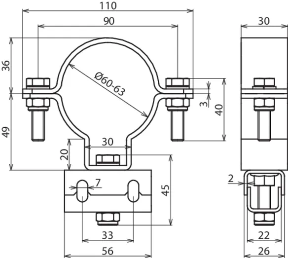
EB pipe clamps

Equipotential bonding pipe clamp (SBD 60 PAK 35)

  • For connection only with ring equipotential bonding conductors (35 mm)2, Part no. 832 838 (tin-plated copper cable)
  • For mounting on round pipe DN50 (60 mm)
  • EB clamp to be mounted approx. every 0.5 m

1 Product

Part No. 306220 SBD 60 PAK 35 EX ER

GTIN 4013364327436, Customs tariff No. (EU): 85359000, Gross weight: 408.00 g, PU: 50.00 pc(s)


Images

Additional information

Equipotential bonding pipe clamp for cable tray systems
Equipotential bonding pipe clamp
with clamp for the installation
of a ring equipotential bonding conductor
on a round pipe N50
for use in Ex zone 2/22
Material: StSt
Clamping range EB ring conductor: 35 mm², Cu/gal Sn
EX zone: 2/22

Brand: DEHN
Type: SBD 60 PAK 35 EX ER
Part No.: 306220
or equivalent.

Certificates

 

Technical data

Material StSt
Dimensions Ø60 mm
Clamping range EB ring conductor 35 mm², Cu /gal Sn
EX zone 2/22

Product 306220 was added to Notepad.

Product 306220 was added to the cart.


Cable clamp

Cable clamp as strain relief for installing copper cables on the equipotential bonding plate PAP1 EX KB ER or PAP1 EX GI ER.

2 Products

Part No. 306230 MPE S 35 ER

GTIN 4013364327443, Customs tariff No. (EU): 85359000, Gross weight: 10.60 g, PU: 10.00 pc(s)


Images

Additional information

Cable clamp for cable tray systems
Cable clamp as strain relief for the
installation of copper cables on the
equipotential bonding plate
PAP1-EX-KB-ER bzw. PAP1-EX-GI-ER

Material: StSt
Clamping range copper cable: 35 mm²
EX zone: 2/22

Brand: DEHN
Type: MPE S 35 ER
Part No.: 306230
or equivalent.

Certificates

 

Technical data

Material StSt
Connection to PAP1 EX KB ER or PAP1 EX GI ER
Clamping range copper cable 35 mm²
EX zone 2/22

Product 306230 was added to Notepad.

Product 306230 was added to the cart.

Part No. 306231 MPE S 50/70 ER

GTIN 4013364327450, Customs tariff No. (EU): 85359000, Gross weight: 12.40 g, PU: 10.00 pc(s)


Images

Additional information

Cable clamp for cable tray systems
Cable clamp as strain relief for the
installation of copper cables on the
equipotential bonding plate
PAP1-EX-KB-ER bzw. PAP1-EX-GI-ER
Material: StSt
Clamping range copper cable: 50 or 70 mm²
EX zone: 2/22

Brand: DEHN
Type: MPE S 50/70 ER
Part No.: 306231
or equivalent.

Certificates

 

Technical data

Material StSt
Connection to PAP1 EX KB ER or PAP1 EX GI ER
Clamping range copper cable 50 or 70 mm²
EX zone 2/22

Product 306231 was added to Notepad.

Product 306231 was added to the cart.


Locknut

for cable clamps (MPE S 35 ER and MPE S 50/70 ER).

1 Product

Part No. 306240 SM SS M6 ER

GTIN 4013364327467, Customs tariff No. (EU): 85359000, Gross weight: 2.25 g, PU: 20.00 pc(s)


Images

Additional information

M6 screw, StSt
M6 screw lock against unintentional
loosening by vibration (self-locking)
for cable clamp MPE S 35 ER or MPE S 50/70 ER
Material: StSt
EX zone: 2/22

Brand: DEHN
Type: SM SS M6 ER
Part No.: 306240
or equivalent.

Certificates

 

Technical data

Material StSt
Type M6
EX zone 2/22

Product 306240 was added to Notepad.

Product 306240 was added to the cart.


Hexagon nut

for cable clamps (MPE S 35 ER and MPE S 50/70 ER).

1 Product

Part No. 505901 SKM M6 DIN 934 V2A

GTIN 4013364019355, Customs tariff No. (EU): 73181639, Gross weight: 2.10 g, PU: 20.00 pc(s)


Images

Additional information

M6 screw, StSt
M6 screw lock against unintentional
loosening by vibration (self-locking)
for cable clamp MPE S 35 ER or MPE S 50/70 ER
Material: StSt

Brand: DEHN
Type: SKM M6 DIN 934 V2A
Part No.: 505901
or equivalent.

Certificates

 

Technical data

Material StSt
Type M6

Product 505901 was added to Notepad.

Product 505901 was added to the cart.


Spring washer

for cable clamps (MPE S 35 ER and MPE S 50/70 ER).

1 Product

Part No. 524906 FR A6 V2A

GTIN 4013364004009, Customs tariff No. (EU): 73182100, Gross weight: 1.00 g, PU: 20.00 pc(s)


Images

Additional information

M6 screw, StSt
M6 screw lock against unintentional
loosening by vibration (self-locking)
for cable clamp MPE S 35 ER or MPE S 50/70 ER
Material: StSt

Brand: DEHN
Type: FR A6 V2A
Part No.: 524906
or equivalent.

Certificates

 

Technical data

Material StSt
Type A6

Product 524906 was added to Notepad.

Product 524906 was added to the cart.


back to top