Conductor Holders for HVI power Conductor in Ex Areas

Operators of facilities with potentially explosive atmospheres are obliged to divide these plants/structures into the different explosion-hazardous areas. For these facilities lightning has to be considered as a potential source of ignition. National regulations on health and safety at work require documentation of the protection against explosion which specifies the different hazardous areas.

The HVI power Conductoris suitable for use in hazardous areas of Ex zone 1 (gases, vapours, mist) and Ex zone 21 (dust). The special installation conditions safely prevent electric sparks to neighbouring metal parts when lightning current flows through the HVI power Conductor.

Details

lorem ipsum
lorem ipsum

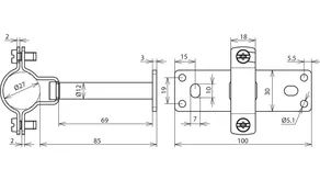
HVI power Ex W85 holder

For fixing on metal structural parts (facades) in Ex zones 1 and 21.

1 Product

Part No. 275450 LH ZS 27 EX W85 BP V2A

GTIN 4013364244436, Customs tariff No. (EU): 85389099, Gross weight: 179.40 g, PU: 10.00 pc(s)


Images

Additional information

Conductor holder for HVI power Conductors in hazardous areas, StSt
Conductor holder for HVI power Conductors in hazardous areas with spacer (85 mm), to be fixed to metal construction parts (facades) in Ex zones 1 and 21
Conductor support Rd: 27 mm
Fixing: [4x] Ø5.1 / [2x] 7 x 10 mm
Standard: DIN IEC/TS 62561-8 (VDE V 0185-561-8)

Brand: DEHN
Type: LH ZS 27 EX W85 BP V2A
Part No.: 275450
or equivalent.

Certificates

 

Technical data

Material StSt
Conductor support Rd 27 mm
Distance from wall 85 mm
Fixing [4x] Ø5.1 / [2x] 7 x 10 mm
Standard DIN IEC/TS 62561-8 (VDE V 0185-561-8)

Product 275450 was added to Notepad.

Product 275450 was added to the cart.


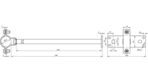
HVI power Ex W240 holder

For fixing on metal structural parts (facades) in Ex zones 1 and 21.

1 Product

Part No. 275451 LH ZS 27 EX W240 BP V2A

GTIN 4013364244498, Customs tariff No. (EU): 85389099, Gross weight: 291.40 g, PU: 10.00 pc(s)


Images

Additional information

Conductor holder for HVI power Conductors in hazardous areas, StSt
Conductor holder for HVI power Conductors in hazardous areas with spacer (240 mm), to be fixed at metal construction parts (facades) in Ex zones 1 and 21
Conductor support Rd: 27 mm
Fixing: [4x] Ø5.1 / [2x] 7 x 10 mm
Standard: DIN IEC/TS 62561-8 (VDE V 0185-561-8)

Brand: DEHN
Type: LH ZS 27 EX W240 BP V2A
Part No.: 275451
or equivalent.

Certificates

 

Technical data

Material StSt
Conductor support Rd 27 mm
Distance from wall 240 mm
Fixing [4x] Ø5.1 / [2x] 7 x 10 mm
Standard DIN IEC/TS 62561-8 (VDE V 0185-561-8)

Product 275451 was added to Notepad.

Product 275451 was added to the cart.


HVI power Ex busbar 500

For installing the HVI power Conductor with conductor holders HVI Ex W85 holder (Part No. 275 450) on a non-conductive structure, e.g. stone, wood.

1 Product

Part No. 275498 VS EX 500 V2A

GTIN 4013364146945, Customs tariff No. (EU): 85389099, Gross weight: 320.00 g, PU: 10.00 pc(s)

Predecessor

Images

Additional information

Connecting brace Ex busbar 500 for conductor holder StSt
Connecting brace for installing the HVI Conductor
in hazardous areas using a HVI Ex conductor holder (Part No. 275 440, 275 441)
on a non-conductive structure, e.g. stone or wood
Fixing: [4x] Ø5.5 / [2x] 7 x 10 mm

Brand: DEHN
Type: VS EX 500 V2A
Part No.: 275498
or equivalent.

Certificates

 

Technical data

Fixing [4x] Ø5.5 / [2x] 7 x 10 mm

Product 275498 was added to Notepad.

Product 275498 was added to the cart.


HVI power Ex P85 holder

For fixing to pipes, e.g. with pipe clamp (Part No. 106 323) in Ex zones 1 und 21.

1 Product

Part No. 275454 LH ZS 27 EX P85 SBB V2A

GTIN 4013364244504, Customs tariff No. (EU): 85389099, Gross weight: 188.50 g, PU: 10.00 pc(s)


Images

Additional information

Conductor holder for HVI power Conductors in hazardous areas, StSt
Conductor holder for HVI power Conductors in hazardous areas with spacer (85 mm), to be fixed to pipes, e.g. using pipe clamp (Part No. 106 323, to be ordered separately) in Ex zones 1 and 21
Conductor support Rd: 27 mm
Clamping range of tube: 50-300 mm
Standard: DIN IEC/TS 62561-8 (VDE V 0185-561-8)

Brand: DEHN
Type: LH ZS 27 EX P85 SBB V2A
Part No.: 275454
or equivalent.

Certificates

 

Technical data

Material StSt
Conductor support Rd 27 mm
Distance from wall 85 mm
Clamping range of tube 50-300 mm
Standard DIN IEC/TS 62561-8 (VDE V 0185-561-8)

Product 275454 was added to Notepad.

Product 275454 was added to the cart.


HVI power Ex P240 holder

For fixing to pipes, e.g. with pipe clamp (Part No. 106 323) in Ex zones 1 and 21.

1 Product

Part No. 275455 LH ZS 27 EX P240 SBB V2A

GTIN 4013364244535, Customs tariff No. (EU): 85389099, Gross weight: 296.30 g, PU: 10.00 pc(s)


Images

Additional information

Conductor holder for HVI power Conductors in hazardous areas, StSt
Conductor holder for HVI power Conductors in hazardous areas with spacer (240 mm), for fixing to pipes, e.g. using pipe clamp (Part No. 106 323, to be ordered separately) in Ex zones 1 and 21
Conductor support Rd: 27 mm
Clamping range of tube: 50-300 mm
Standard: DIN IEC/TS 62561-8 (VDE V 0185-561-8)

Brand: DEHN
Type: LH ZS 27 EX P240 SBB V2A
Part No.: 275455
or equivalent.

Certificates

 

Technical data

Material StSt
Conductor support Rd 27 mm
Distance from wall 240 mm
Clamping range of tube 50-300 mm
Standard DIN IEC/TS 62561-8 (VDE V 0185-561-8)

Product 275455 was added to Notepad.

Product 275455 was added to the cart.


back to top