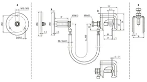
Fixed Earthing Terminals with flexible Connection Clamp

For installation in concrete as a flexible corrosion-free connection to the earth-termination system for protective equipotential bonding and/or functional equipotential bonding of the down conductor, e.g. to the reinforcement of buildings.
Flexible connecting cables up to 1,000 mm in length allow for maximum flexibility between the external connecting point and the internal connection.
The universal connecting clamp allows for the connection of reinforcing bars and round material of 8-28 mm, as well as flat material with a gauge of 30x3.5 mm or more.
Please observe the following minimum screw lengths for the M10 and M12 double threads:
35 mm for M10 (thread length 40 mm)
15 mm for M12 (thread length 20 mm)

2 Products

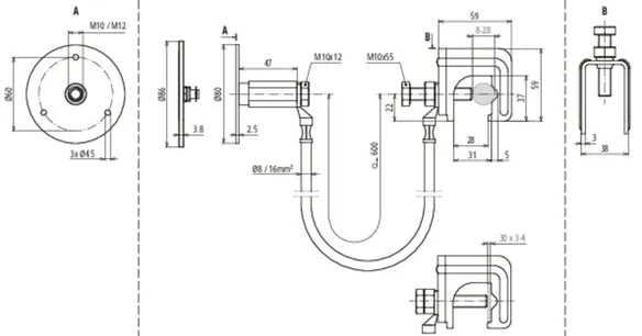
Part No. 416940 UES 16 L600 VK RD8 28 FL30 EFP

GTIN 4013364360280, Customs tariff No. (EU): 85359000, Gross weight: 530.00 g, PU: 25.00 pc(s)


Images

Additional information

Connection device consisting of
connecting cable with connected
connecting clamp and fixed earthing point
for the secure electric connection
of the fixed earthing point with
the reinforcement/reinforcing bar
The connection device provides
a secure electric connection
of a defined reinforcing bar
(longitudinal bar), which is used as
a down conductor, to air-termination systems,
façade elements, crane rails,
cable tray systems, the earthing system,
functional equipotential bonding, etc.
Connecting clamp material: St/bare
Clamping range Rd connecting clamp: 8-28 mm
Clamping range Fl connecting clamp: 30 x 3-4 mm
Fixed earthing terminal material: StSt (V4A)
Fixed earthing point terminal thread: M10 / M12
Bridging cable material: Flexible copper conductor, frost-resistant
Bridging cable cable length: 600 mm
Bridging cable cable cross section: 16 mm2
Standard: EN 62561-1

Brand: DEHN
Type: UES 16 L600 VK RD8 28 FL30 EFP
Part No.: 416940
or equivalent.

Certificates

 

Technical data

Connecting clamp material St/bare
Clamping range Rd connecting clamp 8-28 mm
Clamping range Fl connecting clamp 30 x 3-4 mm
Fixed earthing terminal material StSt (V4A)
Fixed earthing point terminal thread M10 / M12
Bridging cable material Flexible copper conductor, frost-resistant
Bridging cable cable length 600 mm
Bridging cable cable cross section 16 mm2
Standard EN 62561-1

Product 416940 was added to Notepad.

Product 416940 was added to the cart.

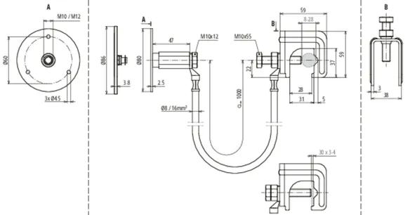
Part No. 416950 UES 16 L1000 VK RD8 28 FL30 EFP

GTIN 4013364508620, Customs tariff No. (EU): 85359000, Gross weight: 650.00 g, PU: 25.00 pc(s)


Images

Additional information

Connection device consisting of
connecting cable with connected
connecting clamp and fixed earthing point
for the secure electric connection
of the fixed earthing point with
the reinforcement/reinforcing bar
The connection device provides
a secure electric connection
of a defined reinforcing bar
(longitudinal bar), which is used as
a down conductor, to air-termination systems,
façade elements, crane rails,
cable tray systems, the earthing system,
functional equipotential bonding, etc.
Connecting clamp material: St/bare
Clamping range Rd connecting clamp: 8-28 mm
Clamping range Fl connecting clamp: 30 x 3-4 mm
Fixed earthing terminal material: StSt (V4A)
Fixed earthing point terminal thread: M10 / M12
Bridging cable material: Flexible copper conductor, frost-resistant
Bridging cable cable length: 1000 mm
Bridging cable cable cross section: 16 mm2
Standard: EN 62561-1

Brand: DEHN
Type: UES 16 L1000 VK RD8 28 FL30 EFP
Part No.: 416950
or equivalent.

Certificates

 

Technical data

Connecting clamp material St/bare
Clamping range Rd connecting clamp 8-28 mm
Clamping range Fl connecting clamp 30 x 3-4 mm
Fixed earthing terminal material StSt (V4A)
Fixed earthing point terminal thread M10 / M12
Bridging cable material Flexible copper conductor, frost-resistant
Bridging cable cable length 1000 mm
Bridging cable cable cross section 16 mm2
Standard EN 62561-1

Product 416950 was added to Notepad.

Product 416950 was added to the cart.


back to top