Supporting Tubes for HVI long Conductor

Supporting tube with internal sealing end and EB spring element.

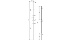
With air-termination tip

Supporting tube with internal sealing end and EB spring element.
Air-termination tip, StSt, Ø10 mm, length 1000 mm.

4 Products

Part No. 105330 SR D50 3200 FSP1000 IP HVI GFK AL

GTIN 4013364152496, Customs tariff No. (EU): 85389099, Gross weight: 5.60 kg, PU: 1.00 pc(s)


Images

Additional information

Supporting tube for HVI long Conductor with air-termination tip, 3200 mm long, GRP/Al
GRP/Al supporting tubes with internal sealing end and EB spring element for
HVI long Conductors for keeping the separation distance from conductive parts according to IEC/EN 62305-3
The supporting tubes are dimensioned according to Eurocode 1 (DIN EN 1991-1-4 + DIN EN 1991-1-4/NA)
for a max. gust wind speed of 237 km/h
Insulating clearance made of glass-fibre reinforced plastic (GRP)
Material factor km = 0.7
Light grey colour, UV-stabilised, one element
Combined with air-termination tip, Ø10 mm, length 1000 mm, StSt
Material of air-termination tip: StSt
Length of air-termination tip: 1000 mm
Material of supporting tube: GRP / Al
Length of supporting tube: 3200 mm
Transport length: 3200 mm
Outside diameter Ø : 50 mm
Length of insulating clearance: 1535 mm
Max. free length with air-termination tip (wall mounting): 3500 mm
Max. gust wind speed: (Max. free length 3,500 mm, 1x HVI inside) 237 km/h
Max. gust wind speed : (Max. free length 3,500 mm, 1x HVI outside) 222 km/h
Max. gust wind speed : (Max. free length 3,500 mm, 4x HVI outside) 194 km/h
Standard: DIN IEC/TS 62561-8 (VDE V 0185-561-8)

Brand: DEHN
Type: SR D50 3200 FSP1000 IP HVI GFK AL
Part No.: 105330
or equivalent.

Certificates

 

Technical data

Material of air-termination tip StSt
Length of air-termination tip 1000 mm
Material of supporting tube GRP / Al
Length of supporting tube 3200 mm
Transport length 3200 mm
Outside diameter Ø 50 mm
Length of insulating clearance 1535 mm
Max. free length with air-termination tip (wall mounting) 3500 mm
Standard DIN IEC/TS 62561-8 (VDE V 0185-561-8)

Product 105330 was added to Notepad.

Product 105330 was added to the cart.

Part No. 105332 SR D50 4700 FSP1000 IP HVI GFK AL

GTIN 4013364152519, Customs tariff No. (EU): 85389099, Gross weight: 8.25 kg, PU: 1.00 pc(s)


Images

Additional information

Supporting tube for HVI long Conductor with air-termination tip, 4700 mm long, GRP/Al
GRP/Al supporting tubes with internal sealing end and EB spring element for HVI long Conductors
for keeping the separation distance from conductive parts according to IEC/EN 62305-3
The supporting tubes are dimensioned according to Eurocode 1 (DIN EN 1991-1-4 + DIN EN 1991-1-4/NA)
for a max. gust wind speed of 237 km/h
Insulating clearance made of glass-fibre reinforced plastic (GRP)
Material factor km = 0.7
Light grey colour, UV-stabilised, one element
Combined with air-termination tip, Ø10 mm, length 1000 mm, StSt
Material of air-termination tip: StSt
Length of air-termination tip: 1000 mm
Material of supporting tube: GRP / Al
Length of supporting tube: 4700 mm
Transport length: 4700 mm
Outside diameter Ø : 50 mm
Length of insulating clearance: 1535 mm
Max. free length with air-termination tip (wall mounting): 4000 mm
Max. gust wind speed: (Max. free length 4,000 mm, 1x HVI inside) 237 km/h
Max. gust wind speed : (Max. free length 4,000 mm, 1x HVI outside) 184 km/h
Max. gust wind speed : (Max. free length 4,000 mm, 4x HVI outside) 149 km/h
Standard: DIN IEC/TS 62561-8 (VDE V 0185-561-8)

Brand: DEHN
Type: SR D50 4700 FSP1000 IP HVI GFK AL
Part No.: 105332
or equivalent.

Certificates

 

Technical data

Material of air-termination tip StSt
Length of air-termination tip 1000 mm
Material of supporting tube GRP / Al
Length of supporting tube 4700 mm
Transport length 4700 mm
Outside diameter Ø 50 mm
Length of insulating clearance 1535 mm
Max. free length with air-termination tip (wall mounting) 4000 mm
Standard DIN IEC/TS 62561-8 (VDE V 0185-561-8)

Product 105332 was added to Notepad.

Product 105332 was added to the cart.

Part No. 105314 SR D50 3200 FSP1000 IP HVI GFK V2A

GTIN 4013364157781, Customs tariff No. (EU): 85389099, Gross weight: 10.10 kg, PU: 1.00 pc(s)


Images

Additional information

Supporting tube for HVI long Conductor with air-termination tip; length: 3200 mm, GRP/StSt
GRP/StSt supporting tubes with internal sealing end
and EB spring element for the HVI long Conductor
for maintaining the separation distance to electrically conductive parts
as per DIN EN 62305 (VDE 0185-305-3).
The supporting tubes are dimensioned to
Eurocode 1 (DIN EN 1991-1-4 + DIN EN 1991-1-4/NA) for a
max. gust wind speed of 231 km/h.
Insulating clearance made of glass-fibre reinforced plastic (GRP)
Material factor km = 0.7
Light grey colour, UV-stabilised, one-piece
Combined with air-termination tip, Ø10 mm, length 1000 mm, StSt
Material of air-termination tip: StSt
Length of air-termination tip: 1000 mm
Material of supporting tube: GRP / StSt
Length of supporting tube: 3200 mm
Transport length: 3200 mm
Outside diameter Ø : 50 mm
Length of insulating clearance: 1535 mm
Max. free length with air-termination tip (wall mounting): 3500 mm
Max. gust wind speed: (Max. free length 3,500 mm, 1x HVI inside) 231 km/h
Max. gust wind speed : (Max. free length 3,500 mm, 1x HVI outside) 226 km/h
Max. gust wind speed : (Max. free length 3,500 mm, 4x HVI outside) 197 km/h
Standard: DIN IEC/TS 62561-8 (VDE V 0185-561-8)

Brand: DEHN
Type: SR D50 3200 FSP1000 IP HVI GFK V2A
Part No.: 105314
or equivalent.

Certificates

 

Technical data

Material of air-termination tip StSt
Length of air-termination tip 1000 mm
Material of supporting tube GRP / StSt
Length of supporting tube 3200 mm
Transport length 3200 mm
Outside diameter Ø 50 mm
Length of insulating clearance 1535 mm
Max. free length with air-termination tip (wall mounting) 3500 mm
Standard DIN IEC/TS 62561-8 (VDE V 0185-561-8)

Product 105314 was added to Notepad.

Product 105314 was added to the cart.

Part No. 105316 SR D50 4700 FSP1000 IP HVI GFK V2A

GTIN 4013364157798, Customs tariff No. (EU): 85389099, Gross weight: 15.60 kg, PU: 1.00 pc(s)


Images

Additional information

Supporting tube for HVI long Conductor with air-termination tip; length: 4700 mm, GRP/StSt
GRP/StSt supporting tubes with internal sealing end
and EB spring element for the HVI long Conductor
for maintaining the separation distance to electrically
conductive parts as per DIN EN 62305 (VDE 0185-305-3).
The supporting tubes are dimensioned to
Eurocode 1 (DIN EN 1991-1-4 + DIN EN 1991-1-4/NA) for a
max. gust wind speed of 231 km/h.
Insulating clearance made of glass-fibre reinforced plastic (GRP)
Material factor km = 0.7
Light grey colour, UV-stabilised, one-piece
Combined with air-termination tip, Ø10 mm, length 1000 mm, StSt
Material of air-termination tip: StSt
Length of air-termination tip: 1000 mm
Material of supporting tube: GRP / StSt
Length of supporting tube: 4700 mm
Transport length: 4700 mm
Outside diameter Ø : 50 mm
Length of insulating clearance: 1535 mm
Max. free length with air-termination tip (wall mounting): 4000 mm
Max. gust wind speed: (Max. free length 4,000 mm, 1x HVI inside) 231 km/h
Max. gust wind speed : (Max. free length 4,000 mm, 1x HVI outside) 186 km/h
Max. gust wind speed : (Max. free length 4,000 mm, 4x HVI outside) 151 km/h
Standard: DIN IEC/TS 62561-8 (VDE V 0185-561-8)

Brand: DEHN
Type: SR D50 4700 FSP1000 IP HVI GFK V2A
Part No.: 105316
or equivalent.

Certificates

 

Technical data

Material of air-termination tip StSt
Length of air-termination tip 1000 mm
Material of supporting tube GRP / StSt
Length of supporting tube 4700 mm
Transport length 4700 mm
Outside diameter Ø 50 mm
Length of insulating clearance 1535 mm
Max. free length with air-termination tip (wall mounting) 4000 mm
Standard DIN IEC/TS 62561-8 (VDE V 0185-561-8)

Product 105316 was added to Notepad.

Product 105316 was added to the cart.


With air-termination rod

Supporting tube with internal sealing end and EB spring element.
Air-termination rod, Ø22/16/10 mm, length 2500 mm.

4 Products

Part No. 105331 SR D50 3200 FS22 2500 IP HVI GFK AL

GTIN 4013364152502, Customs tariff No. (EU): 85389099, Gross weight: 6.12 kg, PU: 1.00 pc(s)


Images

Additional information

Supporting tube for HVI long Conductor with air-termination rod; length: 3200 mm, GRP/StSt
GRP/Al supporting tubes with internal sealing end
and EB spring element for the HVI long Conductor
for maintaining the separation distance to electrically
conductive parts as per DIN EN 62305 (VDE 0185-305-3).
The supporting tubes are dimensioned to
Eurocode 1 (DIN EN 1991-1-4 + DIN EN 1991-1-4/NA) for a
max. gust wind speed of 189 km/h.
Insulating clearance made of glass-fibre reinforced plastic (GRP)
Material factor km = 0.7
Light grey colour, UV-stabilised, one-piece
Combined with air-termination rod, Ø22/16/10 mm, length 2500 mm, Al
Material of air-termination rod: Al
Length of air-termination rod: 2500 mm
Material of supporting tube: GRP / Al
Length of supporting tube: 3200 mm
Transport length: 3200 mm
Outside diameter Ø : 50 mm
Length of insulating clearance: 1535 mm
Max. free length with air-termination rod (wall mounting): 5000 mm
Max. gust wind speed: (Max. free length 5,000 mm, 1x HVI inside) 189 km/h
Max. gust wind speed : (Max. free length 5,000 mm, 1x HVI outside) 173 km/h
Max. gust wind speed : (Max. free length 5,000 mm, 4x HVI outside) 151 km/h
Standard: DIN IEC/TS 62561-8 (VDE V 0185-561-8)

Brand: DEHN
Type: SR D50 3200 FS22 2500 IP HVI GFK AL
Part No.: 105331
or equivalent.

Certificates

 

Technical data

Material of air-termination rod Al
Length of air-termination rod 2500 mm
Material of supporting tube GRP / Al
Length of supporting tube 3200 mm
Transport length 3200 mm
Outside diameter Ø 50 mm
Length of insulating clearance 1535 mm
Max. free length with air-termination rod (wall mounting) 5000 mm
Standard DIN IEC/TS 62561-8 (VDE V 0185-561-8)

Product 105331 was added to Notepad.

Product 105331 was added to the cart.

Part No. 105333 SR D50 4700 FS22 2500 IP HVI GFK AL

GTIN 4013364152526, Customs tariff No. (EU): 85389099, Gross weight: 8.51 kg, PU: 1.00 pc(s)


Images

Additional information

Supporting tube for HVI long Conductor with air-termination rod; length: 4700 mm, GRP/StSt
GRP/Al supporting tubes with internal sealing end
and EB spring element for the HVI long Conductor for maintaining
the separation distance to electrically
conductive parts as per DIN EN 62305 (VDE 0185-305-3).
The supporting tubes are dimensioned to
Eurocode 1 (DIN EN 1991-1-4 + DIN EN 1991-1-4/NA) for a
max. gust wind speed of 184 km/h.
Insulating clearance made of glass-fibre reinforced plastic (GRP)
Material factor km = 0.7
Light grey colour, UV-stabilised, one-piece
Combined with air-termination rod, Ø22/16/10 mm, length 2500 mm, Al
Material of air-termination rod: Al
Length of air-termination rod: 2500 mm
Material of supporting tube: GRP / Al
Length of supporting tube: 4700 mm
Transport length: 4700 mm
Outside diameter Ø : 50 mm
Length of insulating clearance: 1535 mm
Max. free length with air-termination rod (wall mounting): 5500 mm
Max. gust wind speed: (Max. free length 5,500 mm, 1x HVI inside) 184 km/h
Max. gust wind speed : (Max. free length 5,500 mm, 1x HVI outside) 149 km/h
Max. gust wind speed : (Max. free length 5,500 mm, 4x HVI outside) 137 km/h
Standard: DIN IEC/TS 62561-8 (VDE V 0185-561-8)

Brand: DEHN
Type: SR D50 4700 FS22 2500 IP HVI GFK AL
Part No.: 105333
or equivalent.

Certificates

 

Technical data

Material of air-termination rod Al
Length of air-termination rod 2500 mm
Material of supporting tube GRP / Al
Length of supporting tube 4700 mm
Transport length 4700 mm
Outside diameter Ø 50 mm
Length of insulating clearance 1535 mm
Max. free length with air-termination rod (wall mounting) 5500 mm
Standard DIN IEC/TS 62561-8 (VDE V 0185-561-8)

Product 105333 was added to Notepad.

Product 105333 was added to the cart.

Part No. 105315 SR D50 3200 FS22 2500 IP HVI GFK V2A

GTIN 4013364157804, Customs tariff No. (EU): 85389099, Gross weight: 12.00 kg, PU: 1.00 pc(s)


Images

Additional information

Supporting tube for HVI long Conductor with air-termination rod; length: 3200 mm, GRP/StSt
GRP/StSt supporting tubes with internal sealing end
and EB spring element for the HVI long Conductor
for maintaining the separation distance to electrically
conductive parts as per DIN EN 62305 (VDE 0185-305-3).
The supporting tubes are dimensioned to
Eurocode 1 (DIN EN 1991-1-4 + DIN EN 1991-1-4/NA) for a
max. gust wind speed of 186 km/h.
Insulating clearance made of glass-fibre reinforced plastic (GRP)
Material factor km = 0.7
Light grey colour, UV-stabilised, one-piece
Combined with air-termination rod, Ø22/16/10 mm, length 2500 mm, StSt
Material of air-termination rod: StSt
Length of air-termination rod: 2500 mm
Material of supporting tube: GRP / StSt
Length of supporting tube: 3200 mm
Transport length: 3200 mm
Outside diameter Ø : 50 mm
Length of insulating clearance: 1535 mm
Max. free length with air-termination rod (wall mounting): 5000 mm
Max. gust wind speed: (Max. free length 5,000 mm, 1x HVI inside) 186 km/h
Max. gust wind speed : (Max. free length 5,000 mm, 1x HVI outside) 169 km/h
Max. gust wind speed : (Max. free length 5,000 mm, 4x HVI outside) 149 km/h
Standard: DIN IEC/TS 62561-8 (VDE V 0185-561-8)

Brand: DEHN
Type: SR D50 3200 FS22 2500 IP HVI GFK V2A
Part No.: 105315
or equivalent.

 

Technical data

Material of air-termination rod StSt
Length of air-termination rod 2500 mm
Material of supporting tube GRP / StSt
Length of supporting tube 3200 mm
Transport length 3200 mm
Outside diameter Ø 50 mm
Length of insulating clearance 1535 mm
Max. free length with air-termination rod (wall mounting) 5000 mm
Standard DIN IEC/TS 62561-8 (VDE V 0185-561-8)

Product 105315 was added to Notepad.

Product 105315 was added to the cart.

Part No. 105317 SR D50 4700 FS22 2500 IP HVI GFK V2A

GTIN 4013364157811, Customs tariff No. (EU): 85389099, Gross weight: 17.12 kg, PU: 1.00 pc(s)


Images

Additional information

Supporting tube for HVI long Conductor with air-termination rod; length: 4700 mm, GRP/StSt
GRP/StSt supporting tubes with internal sealing end
and EB spring element for the HVI long Conductor
for maintaining the separation distance to electrically
conductive parts as per DIN EN 62305 (VDE 0185-305-3).
The supporting tubes are dimensioned to
Eurocode 1 (DIN EN 1991-1-4 + DIN EN 1991-1-4/NA) for a
max. gust wind speed of 185 km/h.
Insulating clearance made of glass-fibre reinforced plastic (GRP)
Material factor km = 0.7
Light grey colour, UV-stabilised, one-piece
Combined with air-termination rod, Ø22/16/10 mm, length 2500 mm, StSt
Material of air-termination rod: StSt
Length of air-termination rod: 2500 mm
Material of supporting tube: GRP / StSt
Length of supporting tube: 4700 mm
Transport length: 4700 mm
Outside diameter Ø : 50 mm
Length of insulating clearance: 1535 mm
Max. free length with air-termination rod (wall mounting): 5500 mm
Max. gust wind speed: (Max. free length 5,500 mm, 1x HVI inside) 185 km/h
Max. gust wind speed : (Max. free length 5,500 mm, 1x HVI outside) 149 km/h
Max. gust wind speed : (Max. free length 5,500 mm, 4x HVI outside) 137 km/h
Standard: DIN IEC/TS 62561-8 (VDE V 0185-561-8)

Brand: DEHN
Type: SR D50 4700 FS22 2500 IP HVI GFK V2A
Part No.: 105317
or equivalent.

 

Technical data

Material of air-termination rod StSt
Length of air-termination rod 2500 mm
Material of supporting tube GRP / StSt
Length of supporting tube 4700 mm
Transport length 4700 mm
Outside diameter Ø 50 mm
Length of insulating clearance 1535 mm
Max. free length with air-termination rod (wall mounting) 5500 mm
Standard DIN IEC/TS 62561-8 (VDE V 0185-561-8)

Product 105317 was added to Notepad.

Product 105317 was added to the cart.


With air-termination tip and side outlet

Supporting tube with internal sealing end and EB spring element.
Air-termination tip, StSt, Ø10 mm, length 1000 mm.

4 Products

Part No. 105325 SR D50 3200 FS1000 IP SA HVI GFK AL

GTIN 4013364157828, Customs tariff No. (EU): 85389099, Gross weight: 5.42 kg, PU: 1.00 pc(s)


Images

Additional information

Supporting tube for HVI long Conductor with air-termination tip and lateral outlet
GRP/Al supporting tubes with side outlet, internal sealing end and EB spring element for HVI long Conductors
for keeping the separation distance from conductive parts according to IEC/EN 62305-3
The supporting tubes are dimensioned according to Eurocode 1 (DIN EN 1991-1-4 + DIN EN 1991-1-4/NA)
Insulating clearance made of glass-fibre reinforced plastic (GRP)
Material factor km = 0.7
Light grey colour, UV-stabilised, one element
Combined with air-termination tip, 10 mm, length 1000 mm, StSt
Material of air-termination tip: StSt
Length of air-termination tip: 1000 mm
Material of supporting tube: GRP / Al
Length of supporting tube: 3200 mm
Transport length: 3200 mm
Outside diameter Ø : 50 mm
Length of insulating clearance: 1535 mm
Standard: DIN IEC/TS 62561-8 (VDE V 0185-561-8)

Brand: DEHN
Type: SR D50 3200 FS1000 IP SA HVI GFK AL
Part No.: 105325
or equivalent.

Certificates

 

Technical data

Material of air-termination tip StSt
Length of air-termination tip 1000 mm
Material of supporting tube GRP / Al
Length of supporting tube 3200 mm
Transport length 3200 mm
Outside diameter Ø 50 mm
Length of insulating clearance 1535 mm
Standard DIN IEC/TS 62561-8 (VDE V 0185-561-8)

Product 105325 was added to Notepad.

Product 105325 was added to the cart.

Part No. 105327 SR D50 4700 FS1000 IP SA HVI GFK AL

GTIN 4013364157835, Customs tariff No. (EU): 85389099, Gross weight: 8.15 kg, PU: 1.00 pc(s)


Images

Additional information

Supporting tube for HVI long Conductor with air-termination tip and side outlet
GRP/Al supporting tubes with side outlet, internal sealing end and EB spring element for HVI long Conductors
for keeping the separation distance from conductive parts according to IEC/EN 62305-3
The supporting tubes are dimensioned according to Eurocode 1 (DIN EN 1991-1-4 + DIN EN 1991-1-4/NA)
Insulating clearance made of glass-fibre reinforced plastic (GRP)
Material factor km = 0.7
Light grey colour, UV-stabilised, one element
Combined with air-termination tip, 10 mm, length 1000 mm, StSt
Material of air-termination tip: StSt
Length of air-termination tip: 1000 mm
Material of supporting tube: GRP / Al
Length of supporting tube: 4700 mm
Transport length: 4700 mm
Outside diameter Ø : 50 mm
Length of insulating clearance: 1535 mm
Standard: DIN IEC/TS 62561-8 (VDE V 0185-561-8)

Brand: DEHN
Type: SR D50 4700 FS1000 IP SA HVI GFK AL
Part No.: 105327
or equivalent.

 

Technical data

Material of air-termination tip StSt
Length of air-termination tip 1000 mm
Material of supporting tube GRP / Al
Length of supporting tube 4700 mm
Transport length 4700 mm
Outside diameter Ø 50 mm
Length of insulating clearance 1535 mm
Standard DIN IEC/TS 62561-8 (VDE V 0185-561-8)

Product 105327 was added to Notepad.

Product 105327 was added to the cart.

Part No. 105336 SR D50 3200 FS1000 IP SA HVI GFK V2A

GTIN 4013364157866, Customs tariff No. (EU): 85389099, Gross weight: 9.90 kg, PU: 1.00 pc(s)


Images

Additional information

Supporting tube for HVI long Conductor with air-termination tip and side outlet
GRP/StSt supporting tubes with side outlet, internal sealing end and EB spring element for HVI long Conductors
for keeping the separation distance from conductive parts according to IEC/EN 62305-3
The supporting tubes are dimensioned according to Eurocode 1 (DIN EN 1991-1-4 + DIN EN 1991-1-4/NA)
Insulating clearance made of glass-fibre reinforced plastic (GRP)
Material factor km = 0.7
Light grey colour, UV-stabilised, one element
Combined with air-termination tip, 10 mm, length 1000 mm, StSt
Material of air-termination tip: StSt
Length of air-termination tip: 1000 mm
Material of supporting tube: GRP / StSt
Length of supporting tube: 3200 mm
Transport length: 3200 mm
Outside diameter Ø : 50 mm
Length of insulating clearance: 1535 mm
Standard: DIN IEC/TS 62561-8 (VDE V 0185-561-8)

Brand: DEHN
Type: SR D50 3200 FS1000 IP SA HVI GFK V2A
Part No.: 105336
or equivalent.

 

Technical data

Material of air-termination tip StSt
Length of air-termination tip 1000 mm
Material of supporting tube GRP / StSt
Length of supporting tube 3200 mm
Transport length 3200 mm
Outside diameter Ø 50 mm
Length of insulating clearance 1535 mm
Standard DIN IEC/TS 62561-8 (VDE V 0185-561-8)

Product 105336 was added to Notepad.

Product 105336 was added to the cart.

Part No. 105338 SR D50 4700 FS1000 IP SA HVI GFK V2A

GTIN 4013364157873, Customs tariff No. (EU): 85389099, Gross weight: 15.13 kg, PU: 1.00 pc(s)


Images

Additional information

Supporting tube for HVI long Conductor with air-termination tip and side outlet
GRP/StSt supporting tubes with side outlet, internal sealing end and EB spring element for HVI long Conductors
for keeping the separation distance from conductive parts according to IEC/EN 62305-3
The supporting tubes are dimensioned according to Eurocode 1 (DIN EN 1991-1-4 + DIN EN 1991-1-4/NA)
Insulating clearance made of glass-fibre reinforced plastic (GRP)
Material factor km = 0.7
Light grey colour, UV-stabilised, one element
Combined with air-termination tip, 10 mm, length 1000 mm, StSt
Material of air-termination tip: StSt
Length of air-termination tip: 1000 mm
Material of supporting tube: GRP / StSt
Length of supporting tube: 4700 mm
Transport length: 4700 mm
Outside diameter Ø : 50 mm
Length of insulating clearance: 1535 mm
Standard: DIN IEC/TS 62561-8 (VDE V 0185-561-8)

Brand: DEHN
Type: SR D50 4700 FS1000 IP SA HVI GFK V2A
Part No.: 105338
or equivalent.

 

Technical data

Material of air-termination tip StSt
Length of air-termination tip 1000 mm
Material of supporting tube GRP / StSt
Length of supporting tube 4700 mm
Transport length 4700 mm
Outside diameter Ø 50 mm
Length of insulating clearance 1535 mm
Standard DIN IEC/TS 62561-8 (VDE V 0185-561-8)

Product 105338 was added to Notepad.

Product 105338 was added to the cart.


With air-termination rod and side outlet

Supporting tube with internal sealing end and EB spring element.
Air-termination rod, Ø22/16/10 mm, length 2500 mm.

4 Products

Part No. 105326 SR D50 3200 FS2500 IP SA HVI GFK AL

GTIN 4013364157842, Customs tariff No. (EU): 85389099, Gross weight: 5.82 kg, PU: 1.00 pc(s)


Images

Additional information

Supporting tube for HVI long Conductor with air-termination rod and side outlet
GRP/Al supporting tubes with side outlet, internal sealing end and EB spring element for HVI long Conductors
for keeping the separation distance from conductive parts according to IEC/EN 62305-3
The supporting tubes are dimensioned according to Eurocode 1 (DIN EN 1991-1-4 + DIN EN 1991-1-4/NA)
Insulating clearance made of glass-fibre reinforced plastic (GRP)
Material factor km = 0.7
Light grey colour, UV-stabilised, one element
Combined with air-termination rod, 22/16/10 mm, length 2500 mm, Al
Material of air-termination rod: Al
Length of air-termination rod: 2500 mm
Material of supporting tube: GRP / Al
Length of supporting tube: 3200 mm
Transport length: 3200 mm
Outside diameter Ø : 50 mm
Length of insulating clearance: 1535 mm
Standard: DIN IEC/TS 62561-8 (VDE V 0185-561-8)

Brand: DEHN
Type: SR D50 3200 FS2500 IP SA HVI GFK AL
Part No.: 105326
or equivalent.

 

Technical data

Material of air-termination rod Al
Length of air-termination rod 2500 mm
Material of supporting tube GRP / Al
Length of supporting tube 3200 mm
Transport length 3200 mm
Outside diameter Ø 50 mm
Length of insulating clearance 1535 mm
Standard DIN IEC/TS 62561-8 (VDE V 0185-561-8)

Product 105326 was added to Notepad.

Product 105326 was added to the cart.

Part No. 105328 SR D50 4700 FS2500 IP SA HVI GFK AL

GTIN 4013364157859, Customs tariff No. (EU): 85389099, Gross weight: 8.34 kg, PU: 1.00 pc(s)


Images

Additional information

Supporting tube for HVI long Conductor with air-termination rod and side outlet
GRP/Al supporting tubes with side outlet, internal sealing end and EB spring element for HVI long Conductors
for keeping the separation distance from conductive parts according to IEC/EN 62305-3
The supporting tubes are dimensioned according to Eurocode 1 (DIN EN 1991-1-4 + DIN EN 1991-1-4/NA)
Insulating clearance made of glass-fibre reinforced plastic (GRP)
Material factor km = 0.7
Light grey colour, UV-stabilised, one element
Combined with air-termination rod, 22/16/10 mm, length 2500 mm, Al
Material of air-termination rod: Al
Length of air-termination rod: 2500 mm
Material of supporting tube: GRP / Al
Length of supporting tube: 4700 mm
Transport length: 4700 mm
Outside diameter Ø : 50 mm
Length of insulating clearance: 1535 mm
Standard: DIN IEC/TS 62561-8 (VDE V 0185-561-8)

Brand: DEHN
Type: SR D50 4700 FS2500 IP SA HVI GFK AL
Part No.: 105328
or equivalent.

 

Technical data

Material of air-termination rod Al
Length of air-termination rod 2500 mm
Material of supporting tube GRP / Al
Length of supporting tube 4700 mm
Transport length 4700 mm
Outside diameter Ø 50 mm
Length of insulating clearance 1535 mm
Standard DIN IEC/TS 62561-8 (VDE V 0185-561-8)

Product 105328 was added to Notepad.

Product 105328 was added to the cart.

Part No. 105337 SR D50 3200 FS2500 IP SA HVI GFK V2A

GTIN 4013364157880, Customs tariff No. (EU): 85389099, Gross weight: 11.64 kg, PU: 1.00 pc(s)


Images

Additional information

Supporting tube for HVI long Conductor with air-termation rod and side outlet
GRP/StSt supporting tubes with side outlet, internal sealing end and EB spring element for HVI long Conductors
for keeping the separation distance from conductive parts according to IEC/EN 62305-3
The supporting tubes are dimensioned according to Eurocode 1 (DIN EN 1991-1-4 + DIN EN 1991-1-4/NA)
Insulating clearance made of glass-fibre reinforced plastic (GRP)
Material factor km = 0.7
Light grey colour, UV-stabilised, one element
Combined with air-termination rod, 22/16/10 mm, length 2500 mm, StSt
Material of air-termination rod: StSt
Length of air-termination rod: 2500 mm
Material of supporting tube: GRP / StSt
Length of supporting tube: 3200 mm
Transport length: 3200 mm
Outside diameter Ø : 50 mm
Length of insulating clearance: 1535 mm
Standard: DIN IEC/TS 62561-8 (VDE V 0185-561-8)

Brand: DEHN
Type: SR D50 3200 FS2500 IP SA HVI GFK V2A
Part No.: 105337
or equivalent.

 

Technical data

Material of air-termination rod StSt
Length of air-termination rod 2500 mm
Material of supporting tube GRP / StSt
Length of supporting tube 3200 mm
Transport length 3200 mm
Outside diameter Ø 50 mm
Length of insulating clearance 1535 mm
Standard DIN IEC/TS 62561-8 (VDE V 0185-561-8)

Product 105337 was added to Notepad.

Product 105337 was added to the cart.

Part No. 105339 SR D50 4700 FS2500 IP SA HVI GFK V2A

GTIN 4013364157897, Customs tariff No. (EU): 85389099, Gross weight: 16.90 kg, PU: 1.00 pc(s)


Images

Additional information

Supporting tube for HVI long Conductor with air-termination rod and side outlet
GRP/StSt supporting tubes with side outlet, internal sealing end and EB spring element for HVI long Conductors
for keeping the separation distance from conductive parts according to IEC/EN 62305-3
The supporting tubes are dimensioned according to Eurocode 1 (DIN EN 1991-1-4 + DIN EN 1991-1-4/NA)
Insulating clearance made of glass-fibre reinforced plastic (GRP)
Material factor km = 0.7
Light grey colour, UV-stabilised, one element
Combined with air-termination rod, 22/16/10 mm, length 2500 mm, StSt
Material of air-termination rod: StSt
Length of air-termination rod: 2500 mm
Material of supporting tube: GRP / StSt
Length of supporting tube: 4700 mm
Transport length: 4700 mm
Outside diameter Ø : 50 mm
Length of insulating clearance: 1535 mm
Standard: DIN IEC/TS 62561-8 (VDE V 0185-561-8)

Brand: DEHN
Type: SR D50 4700 FS2500 IP SA HVI GFK V2A
Part No.: 105339
or equivalent.

 

Technical data

Material of air-termination rod StSt
Length of air-termination rod 2500 mm
Material of supporting tube GRP / StSt
Length of supporting tube 4700 mm
Transport length 4700 mm
Outside diameter Ø 50 mm
Length of insulating clearance 1535 mm
Standard DIN IEC/TS 62561-8 (VDE V 0185-561-8)

Product 105339 was added to Notepad.

Product 105339 was added to the cart.


back to top