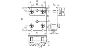
Seam Clamps

For connecting conductors with seams of the same or of different materials.

With clamping piece

Longitudinal or cross conductor routing.

4 Products

Part No. 365030 FK KB 6.10 KBF0.7 8 STTZN

GTIN 4013364046894, Customs tariff No. (EU): 85359000, Gross weight: 102.00 g, PU: 50.00 pc(s)


Images

Additional information

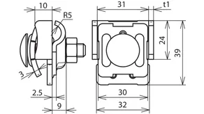
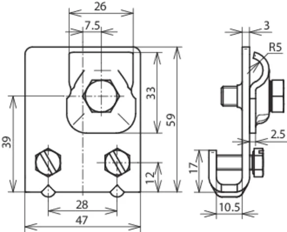
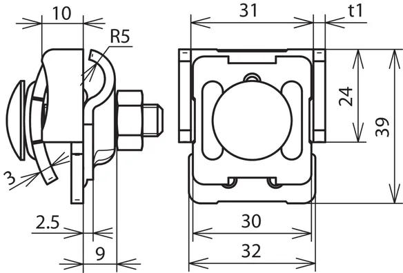
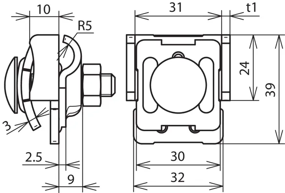
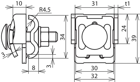
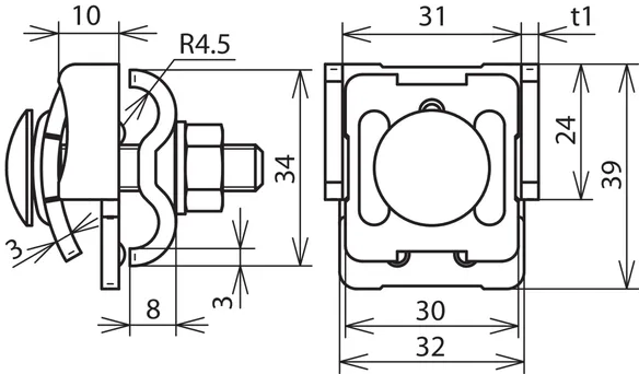
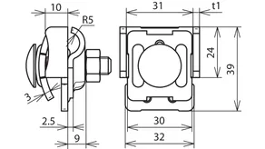
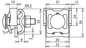
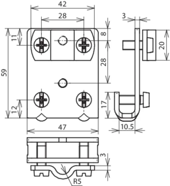
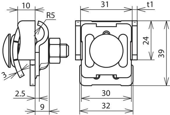
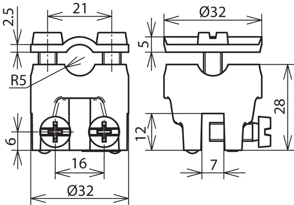
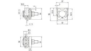
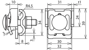
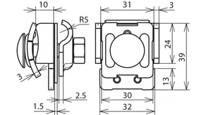
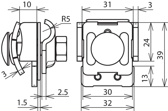
Seam clamp with clamping piece, St/tZn
Seam clamp for connecting conductors to seams
Clamping range of seam: 0.7-8 mm
Material of clamp: St/tZn
Material thickness : 3 mm
Standard: EN 62561-1

Brand: DEHN
Type: FK KB 6.10 KBF0.7 8 STTZN
Part No.: 365030
or equivalent.

Certificates

 

Technical data

Clamping range of seam 0.7-8 mm
Material of clamp St/tZn
Clamping range Rd 6-10 mm
Standard EN 62561-1
*) For exact assignment see test certificate.

Product 365030 was added to Notepad.

Product 365030 was added to the cart.

Part No. 365031 FK KB 6.10 KBF0.7 8 AL

GTIN 4013364055438, Customs tariff No. (EU): 85359000, Gross weight: 50.60 g, PU: 50.00 pc(s)


Images

Additional information

Seam clamp with clamping piece, Al
Seam clamp for connecting conductors to seams
Clamping range of seam: 0.7-8 mm
Material of clamp: Al
Material thickness : 3 mm
Standard: EN 62561-1

Brand: DEHN
Type: FK KB 6.10 KBF0.7 8 AL
Part No.: 365031
or equivalent.

Certificates

 

Technical data

Clamping range of seam 0.7-8 mm
Material of clamp Al
Clamping range Rd 6-10 mm
Standard EN 62561-1
*) For exact assignment see test certificate.

Product 365031 was added to Notepad.

Product 365031 was added to the cart.

Part No. 365037 FK KB 6.10 KBF0.7 8 CU

GTIN 4013364046900, Customs tariff No. (EU): 85359000, Gross weight: 105.00 g, PU: 50.00 pc(s)


Images

Additional information

Seam clamp with clamping piece, Cu
Seam clamp for connecting conductors to seams
Clamping range of seam: 0.7-8 mm
Material of clamp: Cu
Material thickness : 3 mm
Standard: EN 62561-1

Brand: DEHN
Type: FK KB 6.10 KBF0.7 8 CU
Part No.: 365037
or equivalent.

Certificates

 

Technical data

Clamping range of seam 0.7-8 mm
Material of clamp Cu
Clamping range Rd 6-10 mm
Standard EN 62561-1
*) For exact assignment see test certificate.

Product 365037 was added to Notepad.

Product 365037 was added to the cart.

Part No. 365039 FK KB 6.10 KBF0.7 8 V2A

GTIN 4013364057777, Customs tariff No. (EU): 85359000, Gross weight: 90.90 g, PU: 50.00 pc(s)


Images

Additional information

Seam clamp with clamping piece, StSt
Seam clamp for connecting conductors to seams
Clamping range of seam: 0.7-8 mm
Material of clamp: StSt
Material thickness : 2.5 mm
Standard: EN 62561-1

Brand: DEHN
Type: FK KB 6.10 KBF0.7 8 V2A
Part No.: 365039
or equivalent.

Certificates

 

Technical data

Clamping range of seam 0.7-8 mm
Material of clamp StSt
Clamping range Rd 6-10 mm
Standard EN 62561-1
*) For exact assignment see test certificate.

Product 365039 was added to Notepad.

Product 365039 was added to the cart.


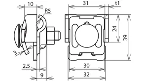
With double clamp

Longitudinal or cross conductor routing.

4 Products

Part No. 365010 FK DUL 8.10 KBF0.7 8 STTZN

GTIN 4013364096318, Customs tariff No. (EU): 85359000, Gross weight: 109.00 g, PU: 50.00 pc(s)


Images

Additional information

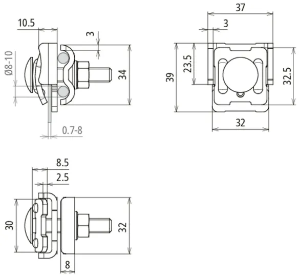
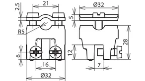
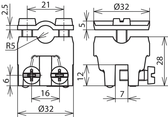
Seam clamp with double clamp, St/tZn
Seam clamp for connecting conductors to seams
Clamping range of seam: 0.7-8 mm
Material of clamp: St/tZn
Material thickness : 3 mm
Standard: EN 62561-1

Brand: DEHN
Type: FK DUL 8.10 KBF0.7 8 STTZN
Part No.: 365010
or equivalent.

Certificates

 

Technical data

Clamping range of seam 0.7-8 mm
Material of clamp St/tZn
Clamping range Rd 8-10 mm
Standard EN 62561-1
*) For exact assignment see test certificate.

Product 365010 was added to Notepad.

Product 365010 was added to the cart.

Part No. 365011 FK DUL 6.10 KBF0.7 8 AL

GTIN 4013364528826, Customs tariff No. (EU): 85359000, Gross weight: 54.32 g, PU: 50.00 pc(s)


Images

Additional information

Seam clamp with double clamp, aluminium
Seam clamps for connecting conductors with seams
Clamping range of seam: 0.7-8 mm
Material of clamp: Al
Material thickness : 3 mm
Standard: EN 62561-1

Brand: DEHN
Type: FK DUL 6.10 KBF0.7 8 AL
Part No.: 365011
or equivalent.

Certificates

 

Technical data

Clamping range of seam 0.7-8 mm
Material of clamp Al
Clamping range Rd 8-10 mm
Standard EN 62561-1
*) For exact assignment see test certificate.

Product 365011 was added to Notepad.

Product 365011 was added to the cart.

Part No. 365017 FK DUL 8.10 KBF0.7 8 CU

GTIN 4013364096349, Customs tariff No. (EU): 85359000, Gross weight: 107.20 g, PU: 50.00 pc(s)


Images

Additional information

Seam clamp with double clamp, Cu
Seam clamp for connecting conductors to seams
Clamping range of seam: 0.7-8 mm
Material of clamp: Cu
Material thickness : 3 mm
Standard: EN 62561-1

Brand: DEHN
Type: FK DUL 8.10 KBF0.7 8 CU
Part No.: 365017
or equivalent.

Certificates

 

Technical data

Clamping range of seam 0.7-8 mm
Material of clamp Cu
Clamping range Rd 8-10 mm
Standard EN 62561-1
*) For exact assignment see test certificate.

Product 365017 was added to Notepad.

Product 365017 was added to the cart.

Part No. 365019 FK DUL 6.10 KBF0.7 8 V2A

GTIN 4013364096295, Customs tariff No. (EU): 85359000, Gross weight: 85.00 g, PU: 50.00 pc(s)


Images

Additional information

Seam clamp with double clamp, StSt
Seam clamp for connecting conductors to seams
Clamping range of seam: 0.7-8 mm
Material of clamp: StSt
Material thickness : 2.5 mm
Standard: EN 62561-1

Brand: DEHN
Type: FK DUL 6.10 KBF0.7 8 V2A
Part No.: 365019
or equivalent.

Certificates

 

Technical data

Clamping range of seam 0.7-8 mm
Material of clamp StSt
Clamping range Rd 8-10 mm
Standard EN 62561-1
*) For exact assignment see test certificate.

Product 365019 was added to Notepad.

Product 365019 was added to the cart.


With clamping piece and double clamp

1 Product

Part No. 365018 FK KB DUL 6.10 KBF0.7 4 V2A

GTIN 4013364535428, Customs tariff No. (EU): 85359000, Gross weight: 108.00 g, PU: 50.00 pc(s)


Images

Additional information

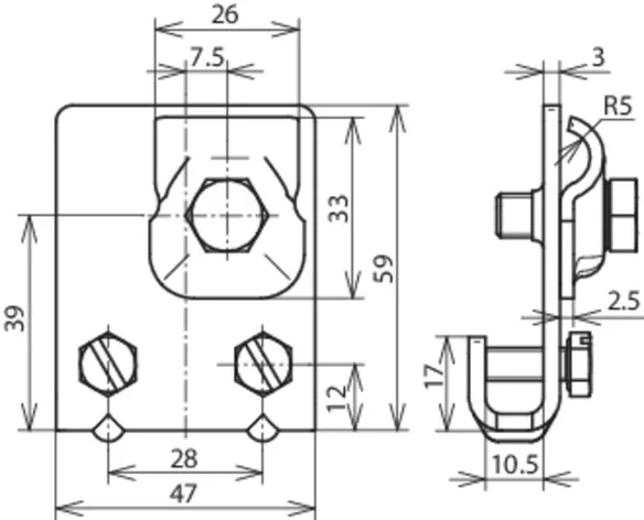
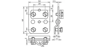
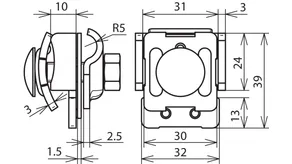
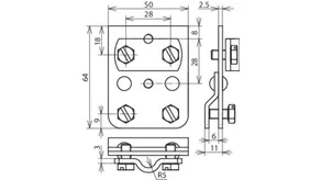
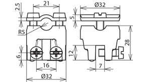
Seam clamp with clamping piece and double clamp, stainless steel
Seam clamps for connecting conductors with seams
Clamping range of seam: 0.7-4 mm
Material of clamp: StSt
Material thickness : 2.5 mm
Standard: EN 62561-1

Brand: DEHN
Type: FK KB DUL 6.10 KBF0.7 4 V2A
Part No.: 365018
or equivalent.

Certificates

 

Technical data

Clamping range of seam 0.7-4 mm
Material of clamp StSt
Clamping range Rd 8-10 mm
Standard EN 62561-1

Product 365018 was added to Notepad.

Product 365018 was added to the cart.


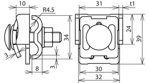
With two-screw clamp

Longitudinal or cross conductor routing.

2 Products

Part No. 251002 FK ZS 7.10 KF0.7 8 STTZN

GTIN 4013364095779, Customs tariff No. (EU): 85359000, Gross weight: 137.40 g, PU: 50.00 pc(s)


Images

Additional information

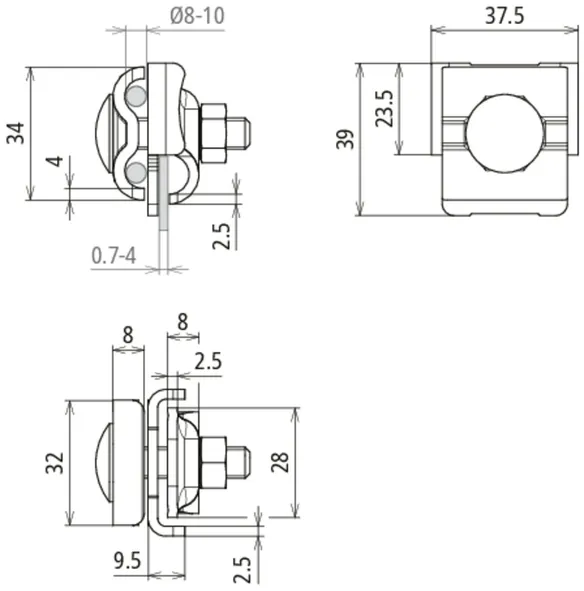
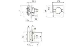
Seam clamp with two-screw clamp, St/tZn
Seam clamp for connecting conductors to seams
Clamping range of seam: 0.7-5 mm
Material of clamp: St/tZn
Material thickness : 2.5 mm
Standard: EN 62561-1

Brand: DEHN
Type: FK ZS 7.10 KF0.7 8 STTZN
Part No.: 251002
or equivalent.

Certificates

 

Technical data

Clamping range of seam 0.7-5 mm
Material of clamp St/tZn
Clamping range Rd 7-10 mm
Standard EN 62561-1
*) For exact assignment see test certificate.

Product 251002 was added to Notepad.

Product 251002 was added to the cart.

Part No. 251027 FK ZS 7.10 KF0.7 8 CU

GTIN 4013364096394, Customs tariff No. (EU): 85359000, Gross weight: 150.40 g, PU: 50.00 pc(s)


Images

Additional information

Seam clamp with two-screw clamp, Cu
Seam clamp for connecting conductors to seams
Clamping range of seam: 0.7-5 mm
Material of clamp: Cu
Material thickness : 2.5 mm
Standard: EN 62561-1

Brand: DEHN
Type: FK ZS 7.10 KF0.7 8 CU
Part No.: 251027
or equivalent.

Certificates

 

Technical data

Clamping range of seam 0.7-5 mm
Material of clamp Cu
Clamping range Rd 7-10 mm
Standard EN 62561-1
*) For exact assignment see test certificate.

Product 251027 was added to Notepad.

Product 251027 was added to the cart.


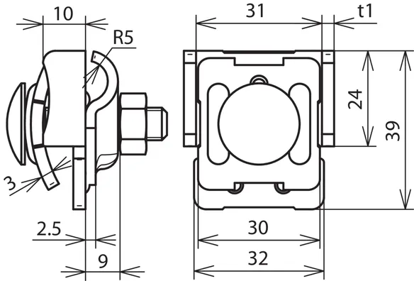
With two-screw clamp, e.g. for standing seams

Longitudinal or cross conductor routing.

2 Products

Part No. 365000 FK ZS 7.10 KBF0.7 6 ZG

GTIN 4013364024731, Customs tariff No. (EU): 85359000, Gross weight: 111.00 g, PU: 50.00 pc(s)


Images

Additional information

Seam clamp with two-screw clamp, ZDC
Seam clamp for connecting conductors to seams
Clamping range of seam: 0.7-6 mm
Material of clamp: ZDC
Standard: EN 62561-1

Brand: DEHN
Type: FK ZS 7.10 KBF0.7 6 ZG
Part No.: 365000
or equivalent.

Certificates

 

Technical data

Clamping range of seam 0.7-6 mm
Material of clamp ZDC
Clamping range Rd 7-10 mm
Standard EN 62561-1
*) For exact assignment see test certificate.

Product 365000 was added to Notepad.

Product 365000 was added to the cart.

Part No. 365007 FK ZS 7.10 KBF0.7 6 RG

GTIN 4013364024748, Customs tariff No. (EU): 85359000, Gross weight: 133.40 g, PU: 50.00 pc(s)


Images

Additional information

Seam clamp with two-screw clamp, RCB
Seam clamp for connecting conductors to seams
Clamping range of seam: 0.7-6 mm
Material of clamp: high copper alloy
Standard: EN 62561-1

Brand: DEHN
Type: FK ZS 7.10 KBF0.7 6 RG
Part No.: 365007
or equivalent.

Certificates

 

Technical data

Clamping range of seam 0.7-6 mm
Material of clamp high copper alloy
Clamping range Rd 7-10 mm
Standard EN 62561-1
*) For exact assignment see test certificate.

Product 365007 was added to Notepad.

Product 365007 was added to the cart.


With clamping piece, for hooking under seams

Which are close to a roof or wall surface.
Longitudinal or cross conductor routing.

2 Products

Part No. 365020 FK KB 6.10 KBF0.7 10 STTZN

GTIN 4013364035126, Customs tariff No. (EU): 85359000, Gross weight: 122.40 g, PU: 50.00 pc(s)


Images

Additional information

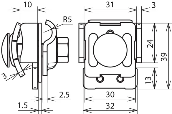
Seam clamp with clamping piece for hooking under seams, St/tZn
Seam clamp for connecting conductors to seams
Clamping range of seam: 0.7-10 mm
Material of clamp: St/tZn
Material thickness : 3 mm
Standard: EN 62561-1

Brand: DEHN
Type: FK KB 6.10 KBF0.7 10 STTZN
Part No.: 365020
or equivalent.

Certificates

 

Technical data

Clamping range of seam 0.7-10 mm
Material of clamp St/tZn
Clamping range Rd 6-10 mm
Standard EN 62561-1
*) For exact assignment see test certificate.

Product 365020 was added to Notepad.

Product 365020 was added to the cart.

Part No. 365027 FK KB 6.10 KBF0.7 10 CU

GTIN 4013364035133, Customs tariff No. (EU): 85359000, Gross weight: 147.90 g, PU: 50.00 pc(s)


Images

Additional information

Seam clamp with clamping piece for hooking under seams, Cu
Seam clamp for connecting conductors to seams
Clamping range of seam: 0.7-10 mm
Material of clamp: Cu
Material thickness : 3 mm
Standard: EN 62561-1

Brand: DEHN
Type: FK KB 6.10 KBF0.7 10 CU
Part No.: 365027
or equivalent.

Certificates

 

Technical data

Clamping range of seam 0.7-10 mm
Material of clamp Cu
Clamping range Rd 6-10 mm
Standard EN 62561-1
*) For exact assignment see test certificate.

Product 365027 was added to Notepad.

Product 365027 was added to the cart.


With two-screw clamp, for hooking under seams

Which are close to a roof or wall surface.
Longitudinal or cross conductor routing.

2 Products

Part No. 365040 FK ZS 7.10 KBF0.7 10 STTZN

GTIN 4013364069053, Customs tariff No. (EU): 85359000, Gross weight: 126.40 g, PU: 50.00 pc(s)


Images

Additional information

Seam clamp with two-screw clamp under hooking at seams, St/tZn
Seam clamp for connecting conductors to seams
Clamping range of seam: 0.7-10 mm
Material of clamp: St/tZn
Material thickness : 3 mm
Standard: EN 62561-1

Brand: DEHN
Type: FK ZS 7.10 KBF0.7 10 STTZN
Part No.: 365040
or equivalent.

Certificates

 

Technical data

Clamping range of seam 0.7-10 mm
Material of clamp St/tZn
Clamping range Rd 7-10 mm
Standard EN 62561-1
*) For exact assignment see test certificate.

Product 365040 was added to Notepad.

Product 365040 was added to the cart.

Part No. 365047 FK ZS 7.10 KBF0.7 10 CU

GTIN 4013364069046, Customs tariff No. (EU): 85359000, Gross weight: 141.40 g, PU: 50.00 pc(s)


Images

Additional information

Seam clamp with two-screw clamp under hooking at seams, Cu
Seam clamp for connecting conductors to seams
Clamping range of seam: 0.7-10 mm
Material of clamp: Cu
Material thickness : 3 mm
Standard: EN 62561-1

Brand: DEHN
Type: FK ZS 7.10 KBF0.7 10 CU
Part No.: 365047
or equivalent.

Certificates

 

Technical data

Clamping range of seam 0.7-10 mm
Material of clamp Cu
Clamping range Rd 7-10 mm
Standard EN 62561-1
*) For exact assignment see test certificate.

Product 365047 was added to Notepad.

Product 365047 was added to the cart.


Bimetallic, for Cu seams, with intermediate plate (Cupal)

1 Product

Part No. 365117 ZMFK KB 6.10 KBF0.7 8 STTZN CU

GTIN 4013364035331, Customs tariff No. (EU): 85359000, Gross weight: 116.60 g, PU: 50.00 pc(s)


Images

Additional information

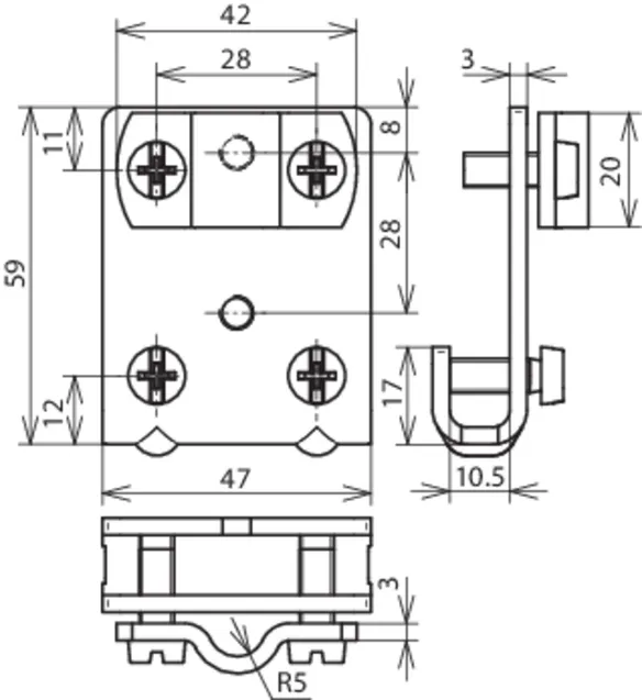
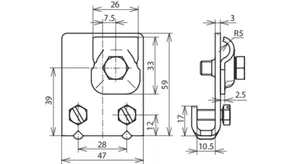
Bimetallic seam clamps with intermediate plate (St/tZn/Cu)
Bimetallic seam clamp
For connecting conductors to seams made
of different materials
Clamping range of seam: 0.7-8 mm
Material of clamp: St/tZn / Cu
Standard: EN 62561-1

Brand: DEHN
Type: ZMFK KB 6.10 KBF0.7 8 STTZN CU
Part No.: 365117
or equivalent.

Certificates

 

Technical data

Clamping range of seam 0.7-8 mm
Material of clamp St/tZn / Cu
Clamping range Rd 6-10 mm
Standard EN 62561-1
*) For exact assignment see test certificate.

Product 365117 was added to Notepad.

Product 365117 was added to the cart.


Bimetallic, for St/tZn seams, with intermediate plate (Cupal)

1 Product

Part No. 365127 ZMFK KB 6.10 KBF0.7 8 CU STTZN

GTIN 4013364080317, Customs tariff No. (EU): 85359000, Gross weight: 106.00 g, PU: 1.00 pc(s)


Images

Additional information

Bimetallic seam clamps with intermediate plate (Cu/St/tZn)
Bimetallic seam clamp
For connecting conductors to seams made
of different materials
Clamping range of seam: 0.7-8 mm
Material of clamp: Cu / St/tZn

Brand: DEHN
Type: ZMFK KB 6.10 KBF0.7 8 CU STTZN
Part No.: 365127
or equivalent.

 

Technical data

Clamping range of seam 0.7-8 mm
Material of clamp Cu / St/tZn
Clamping range Rd 6-10 mm
*) For exact assignment see test certificate.

Product 365127 was added to Notepad.

Product 365127 was added to the cart.


back to top