Mâts de capture pour conducteur HVI light des toits plats

Mât de capture complet avec 4 plaques de raccordement pour le conducteur HVI light et set de fixation pour le montage du conducteur au mât de capture.
Avec adaptation à la pente du toit jusqu’à 10° max
Les plots béton (poids 17 kg) et les plaques de protection sont à commander séparément.

Mât de capture 30 pour conducteur HVI light SET I hauteur totale 2300 mm

1 Product

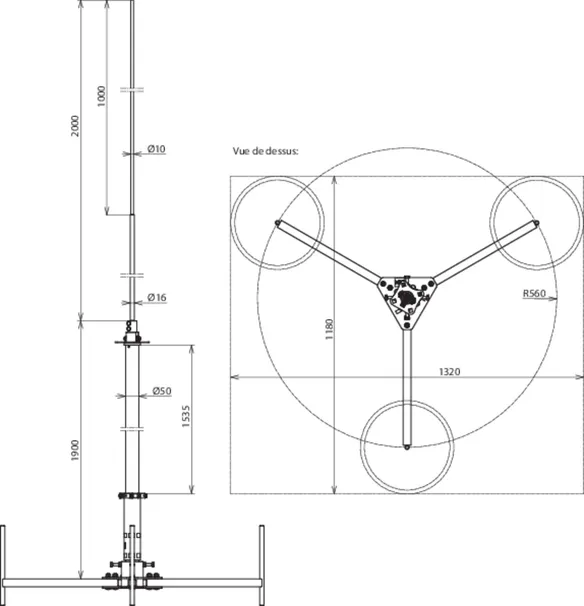
Part No. 819282 FM D30 L2300 DBS R320 GFK AL STTZN

GTIN 4013364252073, Customs tariff No. (EU): 85389099, Gross weight: 4.73 kg, PU: 1.00 pièce(s)

Predecessor

Images

Additional information

Mâts de capture pour conducteur HVI light sur toits plats
complets avec 4 plaques de raccordement pour le
conducteur HVI light et set de fixation pour le montage
du conducteur sur le mât de capture.
Pour respecter la distance de séparation par rapport aux pièces conductrices
selon DIN EN 62305-3 (VDE 0185-305-3)
Tige isolante en matière plastique à renfort de verre (PRV)
Tube Ø30 mm
Facteur de matériel km = 0,7
couleur gris clair, résistante aux UV
Mâts de capture dimensionnés selon
Eurocode 1 (DIN EN 1991-1-4 + DIN EN 1991-1-4/NA)
Adaptation à l’inclinaison du toit de jusqu’à 10° max.
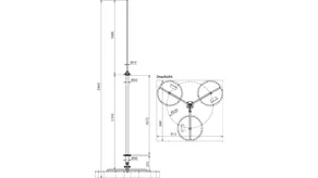
Mât de capture 30 pour conducteur HVI light SET I
Hauteur totale 2300 mm
Les plots béton empilables (référence 102 010) et les
plaques de protection (référence 102 050) doivent être commandés séparément.

Hauteur: 2300 mm
Matériau - trépied: St/tZn
Rayon - trépied: 320 mm
Matériau - tube support: PRV / Al
Longueur - tube support: 1300 mm
Longueur - isolant: 1095 mm
Longueur - pointe captrice: 1000 mm
Matériau - pointe captrice: INOX
Vitesse du vent en rafales max., 3 plots de 17 kg, 2x HVI light extérieur: 149 km/h
Norme: DIN IEC/TS 62561-8 (VDE V 0185-561-8)

produit : DEHN
Type: FM D30 L2300 DBS R320 GFK AL STTZN
Référence: 819282
ou équivalent

Certificates

 

Technical data

Matériau - trépied St/tZn
Rayon - trépied 320 mm
Matériau - tube support PRV / Al
Longueur - tube support 1300 mm
Longueur - isolant 1095 mm
Longueur - pointe captrice 1000 mm
Matériau - pointe captrice INOX
Vitesse du vent en rafales max., 3 plots de 17 kg, 2x HVI light extérieur 149 km/h
Norme DIN IEC/TS 62561-8 (VDE V 0185-561-8)

Product 819282 was added to Notepad.

Product 819282 was added to the cart.


Mât de capture 30 pour conducteur HVI light SET II hauteur totale 2800 mm

1 Product

Part No. 819287 FM D30 L2800 DBS R320 GFK AL STTZN

GTIN 4013364252097, Customs tariff No. (EU): 85389099, Gross weight: 4.59 kg, PU: 1.00 pièce(s)

Predecessor

Images

Additional information

Mâts de capture pour conducteur HVI light sur toits plats
complets avec 4 plaques de raccordement pour le
conducteur HVI light et set de fixation pour le montage
du conducteur sur le mât de capture.
Pour respecter la distance de séparation par rapport aux pièces conductrices
selon DIN EN 62305-3 (VDE 0185-305-3)
Tige isolante en matière plastique à renfort de verre (PRV)
Tube Ø30 mm
Facteur de matériel km = 0,7
couleur gris clair, résistante aux UV
Mâts de capture dimensionnés selon
Eurocode 1 (DIN EN 1991-1-4 + DIN EN 1991-1-4/NA).
Adaptation à l’inclinaison du toit de jusqu’à 10° max.
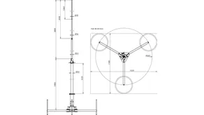
Mât de capture D 30 pour conducteur HVI light SET II
Hauteur totale 2800 mm
Les plots béton empilables (référence 102 010) et les
plaques de protection (référence 102 050) doivent être commandés séparément.

Hauteur: 2800 mm
Matériau - trépied: St/tZn
Rayon - trépied: 320 mm
Matériau - tube support: PRV / Al
Longueur - tube support: 1300 mm
Longueur - isolant: 1095 mm
Longueur - pointe captrice: 1500 mm
Matériau - pointe captrice: Al
Vitesse du vent en rafales max., 3 plots de 17 kg, 2x HVI light extérieur: 132 km/h
Norme: DIN IEC/TS 62561-8 (VDE V 0185-561-8)

produit : DEHN
Type: FM D30 L2800 DBS R320 GFK AL STTZN
Référence: 819287
ou équivalent

Certificates

 

Technical data

Matériau - trépied St/tZn
Rayon - trépied 320 mm
Matériau - tube support PRV / Al
Longueur - tube support 1300 mm
Longueur - isolant 1095 mm
Longueur - pointe captrice 1500 mm
Matériau - pointe captrice Al
Vitesse du vent en rafales max., 3 plots de 17 kg, 2x HVI light extérieur 132 km/h
Norme DIN IEC/TS 62561-8 (VDE V 0185-561-8)

Product 819287 was added to Notepad.

Product 819287 was added to the cart.


Mât de capture 50 pour conducteur HVI light SET I hauteur totale 2900 mm

1 Product

Part No. 819380 FM D50 10 2900 GFK AL DBS KB STTZN

GTIN 4013364241916, Customs tariff No. (EU): 85389099, Gross weight: 13.88 kg, PU: 1.00 pièce(s)

Predecessor

Images

Additional information

Mâts de capture pour conducteur HVI light sur toits plats
complets avec 4 plaques de raccordement pour le
conducteur HVI light et set de fixation pour le montage
du conducteur sur le mât de capture.
Pour respecter la distance de séparation par rapport aux pièces conductrices
selon DIN EN 62305-3 (VDE 0185-305-3)
Tige isolante en matière plastique à renfort de verre (PRV)
Tube Ø50 mm
Facteur de matériel km = 0,7
couleur gris clair, résistante aux UV
Les mâts de capture sont dimensionnés selon
Eurocode 1 (DIN EN 1991-1-4 + DIN EN 1991-1-4/NA) pour une vitesse de vent en rafales max. de 203 km/h.

Adaptation à l’inclinaison du toit de jusqu’à 10° max.
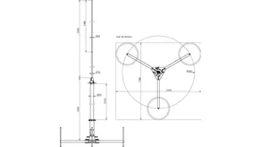
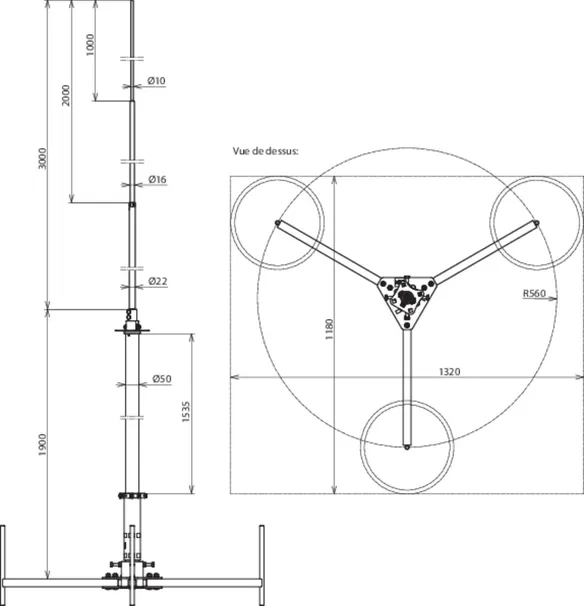
Mât de capture 50 pour conducteur HVI light SET I
Hauteur totale 2900 mm
Les plots béton empilables (référence 102 010) et les
Plaques de protection (référence 102 050) doivent être commandés séparément.
Hauteur: 2900 mm
Matériau - trépied: St/tZn
Rayon - trépied: 560 mm
Matériau - tube support: PRV / Al
Longueur - tube support: 1900 mm
Longueur - isolant: 1535 mm
Longueur - pointe captrice: 1000 mm
Matériau - pointe captrice: INOX
Vitesse du vent en rafales max., 3 plots de 17 kg, 2x HVI light extérieur: 121 km/h
Vitesse du vent en rafales max., 6 plots de 17 kg, 2x HVI light extérieur: 166 km/h
Vitesse du vent en rafales max., 9 plots de 17 kg, 2x HVI light extérieur: 203 km/h
Norme: DIN IEC/TS 62561-8 (VDE V 0185-561-8)

produit : DEHN
Type: FM D50 10 2900 GFK AL DBS KB STTZN
Référence: 819380
ou équivalent

Certificates

 

Technical data

Matériau - trépied St/tZn
Rayon - trépied 560 mm
Matériau - tube support PRV / Al
Longueur - tube support 1900 mm
Longueur - isolant 1535 mm
Longueur - pointe captrice 1000 mm
Matériau - pointe captrice INOX
Vitesse du vent en rafales max., 3 plots de 17 kg, 2x HVI light extérieur 121 km/h
Vitesse du vent en rafales max., 6 plots de 17 kg, 2x HVI light extérieur 166 km/h
Vitesse du vent en rafales max., 9 plots de 17 kg, 2x HVI light extérieur 203 km/h
Norme DIN IEC/TS 62561-8 (VDE V 0185-561-8)

Product 819380 was added to Notepad.

Product 819380 was added to the cart.


Mât de capture 50 pour conducteur HVI light SET I hauteur totale 3900 mm

1 Product

Part No. 819385 FM D50 16 10 3900 GFK AL DBS KB STTZN

GTIN 4013364241923, Customs tariff No. (EU): 85389099, Gross weight: 13.99 kg, PU: 1.00 pièce(s)

Predecessor

Images

Additional information

Mâts de capture pour conducteur HVI light sur toits plats
complets avec 4 plaques de raccordement pour le
conducteur HVI light et set de fixation pour le montage
du conducteur sur le mât de capture.
Pour respecter la distance de séparation par rapport aux pièces conductrices
selon DIN EN 62305-3 (VDE 0185-305-3)
Tige isolante en matière plastique à renfort de verre (PRV)
Tube Ø50 mm
Facteur de matériel km = 0,7
couleur gris clair, résistante aux UV
Les mâts de capture sont dimensionnés selon
Eurocode 1 (DIN EN 1991-1-4 + DIN EN 1991-1-4/NA) pour une vitesse de vent en rafales max. de 179 km/h.

Adaptation à l’inclinaison du toit de jusqu’à 10° max.
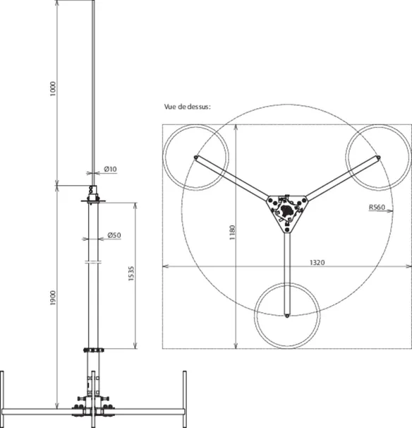
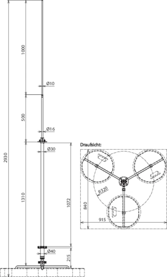
Mât de capture 50 pour conducteur HVI light SET II
Hauteur totale 3900 mm
Les plots béton empilables (référence 102 010) et les
Plaques de protection (référence 102 050) doivent être commandés séparément.
Hauteur: 3900 mm
Matériau - trépied: St/tZn
Rayon - trépied: 560 mm
Matériau - tube support: PRV / Al
Longueur - tube support: 1900 mm
Longueur - isolant: 1535 mm
Longueur - pointe de capture: 2000 mm
Matériau - pointe de capture: Al
Vitesse du vent en rafales max., 3 plots de 17 kg, 2x HVI light extérieur: 110 km/h
Vitesse du vent en rafales max., 6 plots de 17 kg, 2x HVI light extérieur: 147 km/h
Vitesse du vent en rafales max., 9 plots de 17 kg, 2x HVI light extérieur: 179 km/h
Norme: DIN IEC/TS 62561-8 (VDE V 0185-561-8)

produit : DEHN
Type: FM D50 16 10 3900 GFK AL DBS KB STTZN
Référence: 819385
ou équivalent

Certificates

 

Technical data

Matériau - trépied St/tZn
Rayon - trépied 560 mm
Matériau - tube support PRV / Al
Longueur - tube support 1900 mm
Longueur - isolant 1535 mm
Longueur - pointe de capture 2000 mm
Matériau - pointe de capture Al
Vitesse du vent en rafales max., 3 plots de 17 kg, 2x HVI light extérieur 110 km/h
Vitesse du vent en rafales max., 6 plots de 17 kg, 2x HVI light extérieur 147 km/h
Vitesse du vent en rafales max., 9 plots de 17 kg, 2x HVI light extérieur 179 km/h
Norme DIN IEC/TS 62561-8 (VDE V 0185-561-8)

Product 819385 was added to Notepad.

Product 819385 was added to the cart.


Mât de capture 50 pour conducteur HVI light SET III hauteur totale 4900 mm

1 Product

Part No. 819390 FM D50 22 16 10 4900 GFK AL DBS KB STTZN

GTIN 4013364241930, Customs tariff No. (EU): 85389099, Gross weight: 13.27 kg, PU: 1.00 pièce(s)


Images

Additional information

Mâts de capture pour conducteur HVI light sur toits plats
complets avec 4 plaques de raccordement pour le
conducteur HVI light et set de fixation pour le montage
du conducteur sur le mât de capture.
Pour respecter la distance de séparation par rapport aux pièces conductrices
selon DIN EN 62305-3 (VDE 0185-305-3)
Tige isolante en matière plastique à renfort de verre (PRV)
Tube Ø50 mm
Facteur de matériel km = 0,7
couleur gris clair, résistante aux UV
Les mâts de capture sont dimensionnés selon
Eurocode 1 (DIN EN 1991-1-4 + DIN EN 1991-1-4/NA) pour une vitesse de vent en rafales max. de 147 km/h.

Adaptation à l’inclinaison du toit de jusqu’à 10° max.
Mât de capture 50 pour conducteur HVI light SET III
Hauteur totale 4900 mm
Les plots béton empilables (référence 102 010) et les
Plaques de protection (référence 102 050) doivent être commandés séparément.
Hauteur: 4900 mm
Matériau - trépied: St/tZn
Rayon - trépied: 560 mm
Matériau - tube support: PRV / Al
Longueur - tube support: 1900 mm
Longueur - isolant: 1535 mm
Longueur - pointe de capture: 3000 mm
Matériau - pointe de capture: Al
Vitesse du vent en rafales max., 3 plots de 17 kg, 2x HVI light extérieur: 97 km/h
Vitesse du vent en rafales max., 6 plots de 17 kg, 2x HVI light extérieur: 124 km/h
Vitesse du vent en rafales max., 9 plots de 17 kg, 2x HVI light extérieur: 147 km/h
Norme: DIN IEC/TS 62561-8 (VDE V 0185-561-8)

produit : DEHN
Type: FM D50 22 16 10 4900 GFK AL DBS KB STTZN
Référence: 819390
ou équivalent

Certificates

 

Technical data

Matériau - trépied St/tZn
Rayon - trépied 560 mm
Matériau - tube support PRV / Al
Longueur - tube support 1900 mm
Longueur - isolant 1535 mm
Longueur - pointe de capture 3000 mm
Matériau - pointe de capture Al
Vitesse du vent en rafales max., 3 plots de 17 kg, 2x HVI light extérieur 97 km/h
Vitesse du vent en rafales max., 6 plots de 17 kg, 2x HVI light extérieur 124 km/h
Vitesse du vent en rafales max., 9 plots de 17 kg, 2x HVI light extérieur 147 km/h
Norme DIN IEC/TS 62561-8 (VDE V 0185-561-8)

Product 819390 was added to Notepad.

Product 819390 was added to the cart.


back to top