Barres de liaison équipotentielle – Technique de communication

Barres de mise à la terre en INOX (V4A) – Des solutions robustes et résistantes pour le raccordement à la terre dans les installations de communication. Disponibles avec 6 ou 3 points de raccordement, elles offrent une flexibilité maximale et une facilité d’installation via un connecteur KS et une fixation avec vis et écrou.

Certification : selon VG 96953-7

3 raccordements

1 Product

Part No. 472246 PAS 3AP M10 KSM10 V4A

GTIN 4013364459885, Customs tariff No. (EU): 85359000, Gross weight: 768.00 g, PU: 1.00 pièce(s)


Images

Additional information

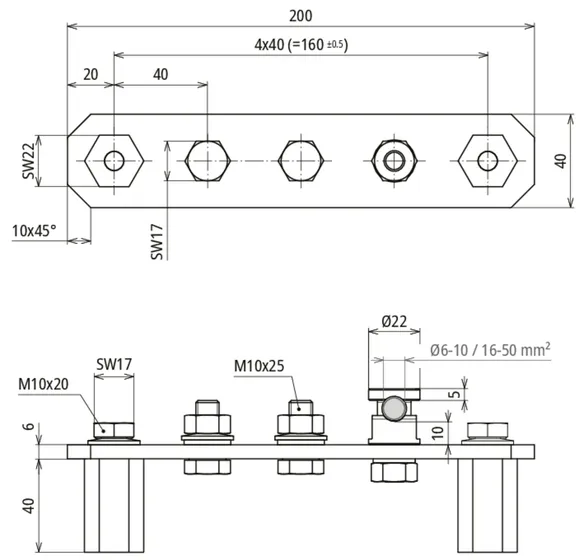
Barre de liaison équipotentielle en inox (V4A)
à visser sur un isolateur 6 pans
1x connecteur KS, 2x vis et écrous
Nombre de raccordements: 3
Raccordements: 1x connecteur KS, 2x raccord à visser M10
Matériau :: INOX (V4A)
Matériau n° : 1.4571 / 1.4404 / 1.4401
Dimensions: 200 x 40 x 6 mm
Section transversale: 240 mm2
Courant de court-circuit (AC 50 Hz/DC): 8,9 kA
Vis: M10 x 25 mm
Zone de serrage, connecteur KS Rd: 6-10 mm
Certification: selon VG96953
Référence militaire: VG96953T07E

produit : DEHN
Type: PAS 3AP M10 KSM10 V4A
Référence: 472246
ou équivalent

Certificates

 

Technical data

Nombre de raccordements 3
Raccordements 1x connecteur KS, 2x raccord à visser M10
Matériau : INOX (V4A)
Dimensions (l x l x p1) 200 x 40 x 6 mm
Section transversale 240 mm2
Courant de court-circuit (AC 50 Hz/DC) (1 s ; ≤ 300 °C) 8,9 kA
Vis di M10 x 25 mm
Zone de serrage, connecteur KS Rd 6-10 mm
Certification selon VG96953

Product 472246 was added to Notepad.

Product 472246 was added to the cart.


6 raccordements

1 Product

Part No. 472245 PAS 6AP M8 M10 KSM10 V4A

GTIN 4013364449268, Customs tariff No. (EU): 85359000, Gross weight: 1.12 kg, PU: 1.00 pièce(s)


Images

Additional information

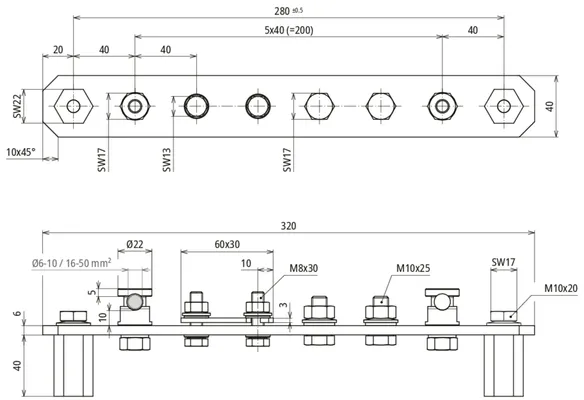
Barre de liaison équipotentielle en inox (V4A)
à visser sur un isolateur 6 pans
2x connecteur KS, 1x pl 30 mm,
2x vis et écrous
Nombre de raccordements: 6
Raccordements: 2x connecteur KS, 1x attache pl 30 mm, 2x raccord à visser M10
Matériau :: INOX (V4A)
Matériau n° : 1.4571 / 1.4404 / 1.4401
Dimensions: 320 x 40 x 6 mm
Section transversale: 240 mm2
Courant de court-circuit (AC 50 Hz/DC): 8,9 kA
Vis: M10 x 25 mm
Zone de serrage, connecteur KS Rd: 6-10 mm
Certification: selon VG96953
Référence militaire: VG96953T07D

produit : DEHN
Type: PAS 6AP M8 M10 KSM10 V4A
Référence: 472245
ou équivalent

Certificates

 

Technical data

Nombre de raccordements 6
Raccordements 2x connecteur KS, 1x attache pl 30 mm, 2x raccord à visser M10
Matériau : INOX (V4A)
Dimensions (l x l x p1) 320 x 40 x 6 mm
Section transversale 240 mm2
Courant de court-circuit (AC 50 Hz/DC) (1 s ; ≤ 300 °C) 8,9 kA
Vis di M10 x 25 mm
Zone de serrage, connecteur KS Rd 6-10 mm
Certification selon VG96953

Product 472245 was added to Notepad.

Product 472245 was added to the cart.


back to top