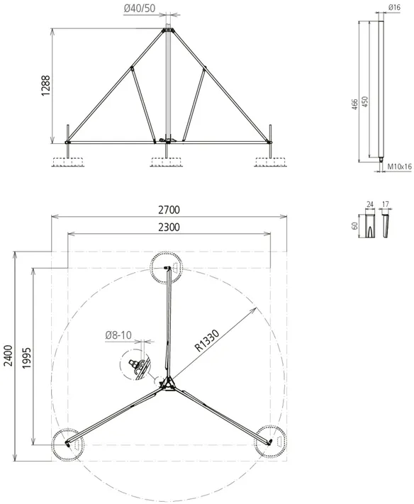
Trépieds pour tubes support sans sortie latérale

Supports pour le logement de tubes supports HVI pour conducteur HVI posé à l’intérieur / à l’extérieur dans / sur le tube support, avec attache double pour le raccordement 2x Rd 8-10 mm. Adaptation à la pente de toit jusqu’à 10° max. à l’aide de fixations variables sur le support du socle.

Les plots béton empilables, les plaques de protection et le kit de supports socles pour recevoir d’autres plots béton sont disponibles séparément dans les accessoires.

Remarque : Vous pouvez demander à DEHN d’autres informations sur la compatibilité des matériaux des supports de toiture ainsi que des plaques de protection en liaison avec des éléments de toiture.

Trépied (petit)

1 Product

Part No. 107390 DBS KB D50 RA680 V2A

GTIN 4013364478466, Customs tariff No. (EU): 85389099, Gross weight: 7.75 kg, PU: 1.00 pièce(s)

Predecessor

Images

Additional information

Trépied petit INOX (version rabattable)
Trépied (version rabattable) pour tubes supports
D 50 mm avec sortie latérale ou pointe de capture
D 40 mm avec accessoire de réduction
Avec attache double pour le raccordement de 2x Rd 8-10 mm
Pour installation avec plot béton (Poids 17 kg)
Compensation de l’angle de pente de toit jusqu’à 10° max.
Plots béton empilables (référence 102 010)
Plaques de protection (référence 102 050)
Set de plots béton (référence 107 396)
Accessoire de réduction (référence 107 399)
doivent être commandés séparément.
Les trépieds sont dimensionnés selon
Eurocode 1 (DIN EN 1991-1-4 + DIN EN 1991-1-4/NA).

Matériau - trépied: INOX
Logement: 50 et 40*) mm
Rayon: 680 mm
Encombrement - trépied: 1 175 x 1 020 mm

produit : DEHN
Type: DBS KB D50 RA680 V2A
Référence: 107390
ou équivalent

Certificates

 

Technical data

Matériau - trépied INOX
Logement 50 et 40*) mm
Rayon 680 mm
Encombrement - trépied 1 175 x 1 020 mm
*) Uniquement avec kit d’adaptateurs Réf. 107 399.

Product 107390 was added to Notepad.

Product 107390 was added to the cart.


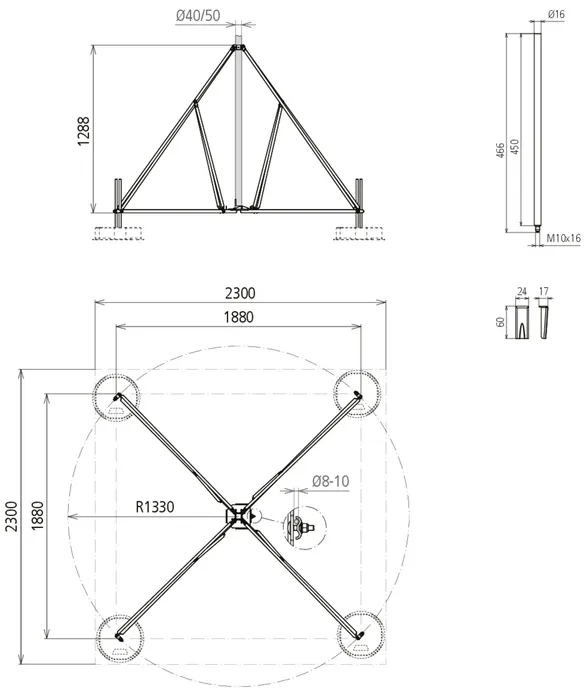
Trépied (grand)

1 Product

Part No. 107391 DBS KB D50 RA1330 V2A

GTIN 4013364478473, Customs tariff No. (EU): 85389099, Gross weight: 15.60 kg, PU: 1.00 pièce(s)

Predecessor

Images

Additional information

Trépied grand INOX (version rabattable)
Trépied (version rabattable) pour tubes supports
D 50 mm avec sortie latérale et attache double pour
le raccordement de 2x Rd 8-10 mm, pour installation sur
plot béton (poids 17 kg) avec adaptation à la pente de toit jusqu’à 10° max.
au moyen de socles en béton supplémentaires.
Plots béton empilables (référence 102 010)
Plaques de protection (référence 102 050)
Set de plots béton (référence 107 396)
Accessoire de réduction (référence 107 399)
doivent être commandés séparément.
Les trépieds sont dimensionnés selon
Eurocode 1 (DIN EN 1991-1-4 + DIN EN 1991-1-4/NA).

Matériau - trépied: INOX
Logement: 50 et 40*) mm
Rayon: 1 330 mm
Encombrement - trépied: 2300 x 1995 mm

produit : DEHN
Type: DBS KB D50 RA1330 V2A
Référence: 107391
ou équivalent

Certificates

 

Technical data

Matériau - trépied INOX
Logement 50 et 40*) mm
Rayon 1 330 mm
Encombrement - trépied 2300 x 1995 mm
*) Uniquement avec kit d’adaptateurs Réf. 107 399.

Product 107391 was added to Notepad.

Product 107391 was added to the cart.


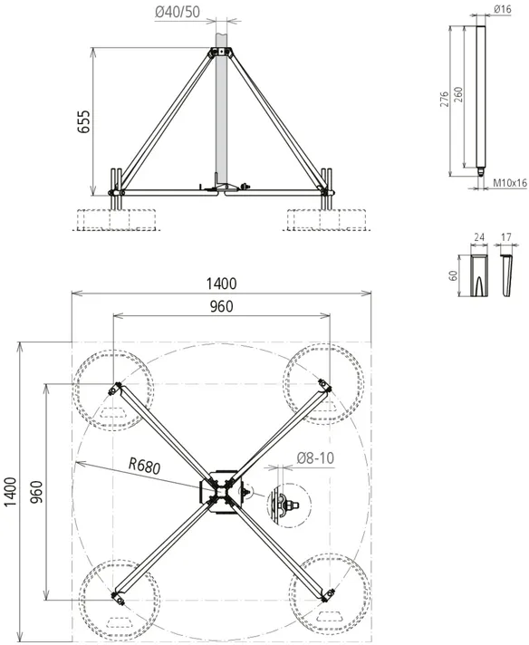
Support à quatre pieds petit

1 Product

Part No. 107490 VBS KB D50 RA680 V2A

GTIN 4013364478480, Customs tariff No. (EU): 85389099, Gross weight: 10.38 kg, PU: 1.00 pièce(s)


Images

Additional information

Support à quatre pieds petit INOX (version rabattable)
Support à quatre pieds (version rabattable) pour tubes supports
D 50 mm avec sortie latérale ou pointe de capture
D 40 mm avec accessoire de réduction
Avec attache double pour le raccordement de 2x Rd 8-10 mm
Pour installation avec plot béton (Poids 17 kg)
Compensation de l’angle de pente de toit jusqu’à 10° max.
Plots béton empilables (référence 102 010)
Plaques de protection (référence 102 050)
Set de plots béton (référence 107 396)
Les accessoires de réduction (référence 107 399)
doivent doit être commandés séparément.
Les supports à quatre pieds sont dimensionnés selon
Eurocode 1 (DIN EN 1991-1-4 + DIN EN 1991-1-4/NA).

Matériau - trépied: INOX
Logement: 50 et 40*) mm
Rayon: 680 mm
Encombrement - trépied: 960 x 960 mm

produit : DEHN
Type: VBS KB D50 RA680 V2A
Référence: 107490
ou équivalent

Certificates

 

Technical data

Matériau - trépied INOX
Logement 50 et 40*) mm
Rayon 680 mm
Encombrement - trépied 960 x 960 mm
*) Uniquement avec kit d’adaptateurs Réf. 107 399.

Product 107490 was added to Notepad.

Product 107490 was added to the cart.


Support à quatre pieds grand

1 Product

Part No. 107491 VBS KB D50 RA1330 V2A

GTIN 4013364478497, Customs tariff No. (EU): 85389099, Gross weight: 17.63 kg, PU: 1.00 pièce(s)


Images

Additional information

Support à quatre pieds grand INOX (version rabattable)
Support à quatre pieds (version rabattable) pour tubes supports
D 50 mm avec sortie latérale ou pointe de capture
D 40 mm avec accessoire de réduction
Avec attache double pour le raccordement de 2x Rd 8-10 mm
Pour installation avec plot béton (Poids 17 kg)
Compensation de l’angle de pente de toit jusqu’à 10° max.
Plots béton empilables (référence 102 010)
Plaques de protection (référence 102 050)
Set de plots béton (référence 107 396)
Les accessoires de réduction (référence 107 399)
doivent doit être commandés séparément.
Les supports à quatre pieds sont dimensionnés selon
Eurocode 1 (DIN EN 1991-1-4 + DIN EN 1991-1-4/NA).

Matériau - trépied: INOX
Logement: 50 et 40*) mm
Rayon: 1 330 mm
Encombrement - trépied: 1880 x 1880 mm

produit : DEHN
Type: VBS KB D50 RA1330 V2A
Référence: 107491
ou équivalent

Certificates

 

Technical data

Matériau - trépied INOX
Logement 50 et 40*) mm
Rayon 1 330 mm
Encombrement - trépied 1880 x 1880 mm
*) Uniquement avec kit d’adaptateurs Réf. 107 399.

Product 107491 was added to Notepad.

Product 107491 was added to the cart.


Trépied petit St/tZn

Adapté à la pose en intérieur de conducteur HVI.

2 Products

Part No. 105351 DBS KB D40.50 RA620 STTZN

GTIN 4013364238916, Customs tariff No. (EU): 85389099, Gross weight: 11.50 kg, PU: 1.00 pièce(s)


Images

Additional information

Trépied pour conducteurs HVI, petit format, St/tZn
pour conducteurs HVI installé à l'intérieur du tube de support
Type spécial pour les tubes de support (longueur de 3200 mm).
Afin de rester dans le rayon de courbure du conducteur HVI au bas du trépied,
mettre 2 bases en béton sous et une au-dessus de l'entretoise.
Réglable aux inclinaisons du toit jusqu'à max. 10° sans fixation supplémentaire sur éléments structurels.
La base en béton empilable (Réf. 102 010) et la plaque de protection (Réf. 102 050) doivent être commandées séparément.
Les trépieds sont dimensionnés selon l'Eurocode 1 (DIN EN 1991-1-4 + DIN EN 1991-1-4/NA).
Matériau - trépied: St/tZn
Logement: 40 / 50 mm
Rayon: 620 mm
Nombre - plots béton: 3-12 plots à 17 kg
Encombrement - trépied: 1300 x 1450 mm

produit : DEHN
Type: DBS KB D40.50 RA620 STTZN
Référence: 105351
ou équivalent

 

Technical data

Matériau - trépied St/tZn
Logement 40 / 50 mm
Rayon 620 mm
Nombre - plots béton 3-12 plots à 17 kg
Encombrement - trépied 1300 x 1450 mm

Product 105351 was added to Notepad.

Product 105351 was added to the cart.

Part No. 105357 DBS KB D40.50 RA220 STTZN

GTIN 4013364527829, Customs tariff No. (EU): 85389099, Gross weight: 8.04 kg, PU: 1.00 pièce(s)


Images

Additional information

Trépied compact, réglable en hauteur et rabattable,
pour insérer des tiges de capture et des tubes supports
Ø40mm et Ø50 mm
Compensation possible des pentes de toit jusqu’à 10°
Insertion jusqu’à quatre plots béton
par pied
Matériau - trépied: St/tZn
Logement: 40 / 50 mm
Rayon: 220 mm
Nombre - plots béton: 3-12 plots à 17 kg
Encombrement - trépied: 668 x 718 mm

produit : DEHN
Type: DBS KB D40.50 RA220 STTZN
Référence: 105357
ou équivalent

 

Technical data

Matériau - trépied St/tZn
Logement 40 / 50 mm
Rayon 220 mm
Nombre - plots béton 3-12 plots à 17 kg
Encombrement - trépied 668 x 718 mm

Product 105357 was added to Notepad.

Product 105357 was added to the cart.


Trépied grand St/tZn

Adapté à la pose en extérieur de conducteur HVI.

1 Product

Part No. 105201 DBS KB D40.50 RA1435 STTZN

GTIN 4013364095915, Customs tariff No. (EU): 85389099, Gross weight: 17.23 kg, PU: 1.00 pièce(s)


Images

Additional information

Trépied pour conducteurs HVI, grand format, St/tZn
pour conducteurs HVI installé à l'intérieur du tube de support
Type spécial pour les tubes de support (longueur de 4700 mm).
Afin de rester dans le rayon de courbure du conducteur HVI au bas du trépied,
mettre 2 bases en béton sous et une au-dessus de l'entretoise.
Réglable aux inclinaisons du toit jusqu'à max. 10° sans fixation supplémentaire sur éléments structurels.
La base en béton empilable (Réf. 102 010) et la plaque de protection (Réf. 102 050) doivent être commandées séparément.
Les trépieds sont dimensionnés selon l'Eurocode 1 (DIN EN 1991-1-4 + DIN EN 1991-1-4/NA).
Matériau - trépied: St/tZn
Logement: 40 / 50 mm
Rayon: 1435 mm
Nombre - plots béton: 3-12 plots à 17 kg
Encombrement - trépied: 2520 x 2860 mm

produit : DEHN
Type: DBS KB D40.50 RA1435 STTZN
Référence: 105201
ou équivalent

 

Technical data

Matériau - trépied St/tZn
Logement 40 / 50 mm
Rayon 1435 mm
Nombre - plots béton 3-12 plots à 17 kg
Encombrement - trépied 2520 x 2860 mm

Product 105201 was added to Notepad.

Product 105201 was added to the cart.


back to top