Morsetto di collegamento per dispersori nelle fondamenta e ferri di armatura

Per il collegamento di conduttori tondi e piatti nelle fondamenta oppure di reti elettrosaldate e ferri di armatura con conduttori tondi e piatti.

Posa del conduttore:
(II) = parallelo
(+) = a croce

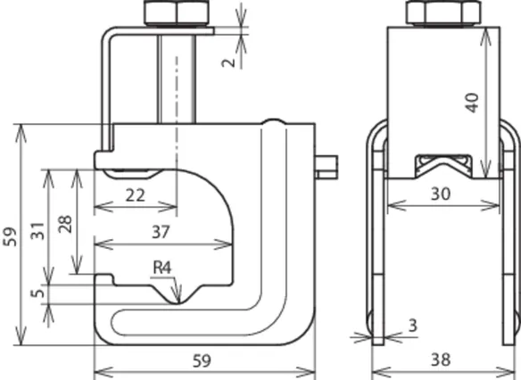
Morsetto a cavallotto a compressione

Per collegamenti a "T", a croce e paralleli.

2 Products

Part No. 308031 VK DB 6.20 8.10 FL30 BSB STBL

GTIN 4013364136571, Customs tariff No. (EU): 85359000, Gross weight: 239.60 g, PU: 25.00 pz.


Images

Additional information

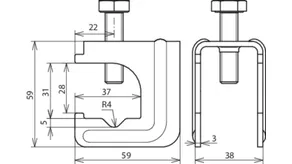
Morsetto di collegamento a cavallotto a compressione Fe/non zincato
Morsetto di collegamento pr il collegamento di conduttori tondi e piatti nelle fondamenta oppure di reti elettrosaldate e ferri di armatura con conduttori tondi e piatti
Materiale: Fe/non zincato
Campo di serraggio Td/Td: (+/II) 6-20 / 8-10 mm
Campo di serraggio Td/Pt: (+/II) 6-20 / 30 x 3-4 mm
Campo di serraggio Pt/Pt: (+/II) 30 x 3-4 / 30 x 3-4 mm
Esecuzione: senza ghiera di serraggio
Riferimento norma: CEI EN 62561-1

Fabbricato: DEHN
Tipo: VK DB 6.20 8.10 FL30 BSB STBL
Art.: 308031
o similare.

Certificates

 

Technical data

Materiale Fe/non zincato
Campo di serraggio Td/Td (+/II) 6-20 / 8-10 mm
Campo di serraggio Td/Pt (+/II) 6-20 / 30 x 3-4 mm
Campo di serraggio Pt/Pt (+/II) 30 x 3-4 / 30 x 3-4 mm
Esecuzione senza ghiera di serraggio
Corrente di corto circuito (AC 50 Hz / DC) (1 s; ≤ 300 °C) 8,4 kA
Riferimento norma CEI EN 62561-1
*) Per l’attribuzione precisa vedere il certificato di prova.

Product 308031 was added to Notepad.

Product 308031 was added to the cart.

Part No. 308033 VK DB KR 6.20 8.10 FL30 BSB STBL

GTIN 4013364519978, Customs tariff No. (EU): 85359000, Gross weight: 240.40 g, PU: 25.00 pz.


Images

Additional information

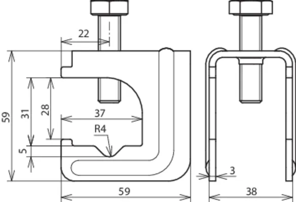
Morsetto a cavallotto a compressione Fe/non zincato
Morsetto a cavallotto a compressione con ghiera di serraggio
per il collegamento di conduttori tondi e
piatti nelle fondamenta in cemento
o di reti elettrosaldate e
armature con conduttori tondi e piatti.
per collegamenti a T, a croce e paralleli
Materiale: Fe/non zincato
Campo di serraggio Td/Td: (+/II) 6-20 / 8-10 mm
Campo di serraggio Td/Pt: (+/II) 6-20 / 30 x 3-4 mm
Campo di serraggio Pt/Pt: (+/II) 30 x 3-4 / 30 x 3-4 mm
Esecuzione: con ghiera di serraggio
Riferimento norma: CEI EN 62561-1

Fabbricato: DEHN
Tipo: VK DB KR 6.20 8.10 FL30 BSB STBL
Art.: 308033
o similare.

Certificates

 

Technical data

Materiale Fe/non zincato
Campo di serraggio Td/Td (+/II) 6-20 / 8-10 mm
Campo di serraggio Td/Pt (+/II) 6-20 / 30 x 3-4 mm
Campo di serraggio Pt/Pt (+/II) 30 x 3-4 / 30 x 3-4 mm
Esecuzione con ghiera di serraggio
Corrente di corto circuito (AC 50 Hz / DC) (1 s; ≤ 300 °C) 8,4 kA
Riferimento norma CEI EN 62561-1
*) Per l’attribuzione precisa vedere il certificato di prova.

Product 308033 was added to Notepad.

Product 308033 was added to the cart.


Morsetto a cavallotto a compressione MAXI

Per collegamenti a "T", a croce e paralleli.

1 Product

Part No. 308036 VK DB 20.32 8.10 FL40 BSB STBL

GTIN 4013364136588, Customs tariff No. (EU): 85359000, Gross weight: 275.60 g, PU: 25.00 pz.


Images

Additional information

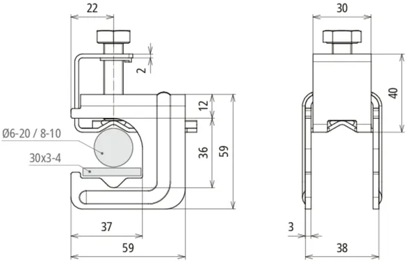
Morsetto a cavallotto a compressione MAXI Fe/non zincato
Morsetto di collegamento per il collegamento di conduttori tondi e piatti nelle fondamenta oppure di reti elettrosaldate e ferri di armatura con conduttori tondi e piatti
Materiale: Fe/non zincato
Campo di serraggio Td/Td: (+/II) 20-32 / 8-10 mm
Campo di serraggio Td/Pt: (+/II) 20-32 / 40 x 4-5 mm
Esecuzione: con ghiera di serraggio
Riferimento norma: CEI EN 62561-1

Fabbricato: DEHN
Tipo: VK DB 20.32 8.10 FL40 BSB STBL
Art.: 308036
o similare.

Certificates

 

Technical data

Materiale Fe/non zincato
Campo di serraggio Td/Td (+/II) 20-32 / 8-10 mm
Campo di serraggio Td/Pt (+/II) 20-32 / 40 x 4-5 mm
Esecuzione con ghiera di serraggio
Corrente di corto circuito (AC 50 Hz / DC) (1 s; ≤ 300 °C) 14,0 kA
Riferimento norma CEI EN 62561-1
*) Per l’attribuzione precisa vedere il certificato di prova.

Product 308036 was added to Notepad.

Product 308036 was added to the cart.


Morsetto di collegamento senza piastra curva di pressione

Per collegamenti a croce.

1 Product

Part No. 308032 VK 6.20 FL30 BSB STBL

GTIN 4013364152823, Customs tariff No. (EU): 85359000, Gross weight: 178.50 g, PU: 25.00 pz.


Images

Additional information

Morsetto di collegamento senza piastra curva di pressione Fe/non zincato
Morsetto per il collegamento delle reti elettrosaldate oppure ferri di armatura con conduttori tondi oppure piatti
Materiale: Fe/non zincato
Campo di serraggio Td/Pt: (+) 6-20 / 30 x 3-4 mm
Campo di serraggio Pt/Pt: (+/II) 30 x 3-4 / 30 x 3-4 mm
Riferimento norma: CEI EN 62561-1

Fabbricato: DEHN
Tipo: VK 6.20 FL30 BSB STBL
Art.: 308032
o similare.

Certificates

 

Technical data

Materiale Fe/non zincato
Campo di serraggio Td/Pt (+) 6-20 / 30 x 3-4 mm
Campo di serraggio Pt/Pt (+/II) 30 x 3-4 / 30 x 3-4 mm
Corrente di corto circuito (AC 50 Hz / DC) (1 s; ≤ 300 °C) 7,0 kA
Riferimento norma CEI EN 62561-1
*) Per l’attribuzione precisa vedere il certificato di prova.

Product 308032 was added to Notepad.

Product 308032 was added to the cart.


Morsetto di collegamento MAXI senza piastra curva di pressione

Per collegamenti a croce.

1 Product

Part No. 308037 VK 20.32 FL40 BSB STBL

GTIN 4013364154704, Customs tariff No. (EU): 85359000, Gross weight: 218.00 g, PU: 25.00 pz.


Images

Additional information

Morsetto di collegamento MAXI senza piastra curva di pressione Fe/non zincato
Morsetto di collegamento per il collegamento di conduttori tondi e piatti nelle fondamenta oppure di reti elettrosaldate e ferri di armatura con conduttori tondi e piatti
Materiale: Fe/non zincato
Campo di serraggio Td/Pt: (+) 20-32 / 30 x 3-40 x 5 mm
Riferimento norma: CEI EN 62561-1

Fabbricato: DEHN
Tipo: VK 20.32 FL40 BSB STBL
Art.: 308037
o similare.

Certificates

 

Technical data

Materiale Fe/non zincato
Campo di serraggio Td/Pt (+) 20-32 / 30 x 3-40 x 5 mm
Riferimento norma CEI EN 62561-1
*) Per l’attribuzione precisa vedere il certificato di prova.

Product 308037 was added to Notepad.

Product 308037 was added to the cart.


back to top