Barra equipotenziale Ex senza scintille di innesco per ambienti Ex, zone 1/21, 2/22

Barra equipotenziale Ex senza scintille di innesco per l’integrazione di conduttori e cavi metallici nell’equipotenzialità di protezione dai fulmini secondo la norma VDE 0185-305-3 (IEC 62305-3) e per l’equipotenzialità di sicurezza e funzione secondo la norma DIN VDE 0100 parte 410/540.
  • Impiego in ambienti a rischio di esplosione zone Ex 1/21 e 2/22
  • Utilizzabile fino al gruppo di esplosione IIC e classe di temperatura T4
  • Collaudato come privo di scintille di innesco secondo CLC 50703-2 fino a 100 kA
  • Classe di portata di corrente di fulmine H
  • Bloccaggio delle viti contro l’auto-allentamento secondo VDE 0185-305-3 integrazione 2
  • Configurabile in modo flessibile per la realizzazione di diverse possibilità di collegamento

PAS EX 7(11)AP SET

  • Utilizzo nelle zone con pericolo di esplosione Zona Ex 1 e 2 (gas, vapori, nebbia) fino al gruppo di esplosione IIC nonché Zona Ex 21 e 22 (polveri)
  • Bloccaggio delle viti contro l’auto-allentamento
  • Se si utilizza l’adattatore Push-in, l’impiego è consentito solo in ambienti interni

2 Products

Part No. 472415 PAS EX 7AP SET

GTIN 4013364470590, Customs tariff No. (EU): 85359000, Gross weight: 3.23 kg, PU: 1.00 pz.


Images

Additional information

SET barra equipotenziale Ex senza scintille di innesco EX 7AP
Integrazione di conduttori e cavi metallici
nell’equipotenzialità di protezione dai fulmini secondo la norma
VDE 0185-305-3 (IEC 62305-3) e
per l’equipotenzialità di sicurezza e funzione
secondo la norma DIN VDE 0100 parte 410/540.
Utilizzo nelle zone Ex 1 e 2 (gas, vapori, nebbia)
e nelle zone Ex 21 e 22 (polveri)
gruppo di esplosione IIC (fattore di sicurezza 1)
secondo CLC 62561-1;
classe di temperatura T4 e CEI EN 62561-1
(CEI 81-24)
classe di portata di corrente di fulmine H (100 kA).
Bloccaggio delle viti contro l’auto-allentamento
secondo VDE 0185-305-3 integrazione 2.
L’impiego è ammesso in ambienti sia interni
che esterni.
Corrente impulsiva di fulmine (10/350 µs) acciaio inox (V4A) 30x3,5mm/40x5mm:
2HExIIC 75 kA (senza scintille di innesco) T4
Corrente impulsiva di fulmine (10/350 µs) acciaio inox (V4A) 30x3,5mm/40x5mm:
H 100 kA
Corrente impulsiva di fulmine (10/350 µs) Fe/tZn 30x3,5mm/40x5mm:
1HExIIC 100 kA (senza scintille di innesco) T4
Max corrente di cortocircuito (AC 50 Hz / DC / 5 s) acciaio inox (V4A) 30x3,5 mm / 40x5 mm:
750 A / T4
Max corrente di cortocircuito (AC 50 Hz / DC / 5 s) Fe/tZn 30x3,5 mm / 40x5 mm:
1500 A / T4
Corrente impulsiva di fulmine (10/350 µs) acciaio inox (V4A) Ø 10 mm:
NExIIC 50 kA (senza scintille di innesco) T4
Corrente impulsiva di fulmine (10/350 µs) acciaio inox (V4A) Ø 10 mm:
75 kA
Corrente impulsiva di fulmine (10/350 µs) Fe/tZn Ø10 mm:
2HExIIC 75 kA (senza scintille di innesco) T4
Corrente impulsiva di fulmine (10/350 µs) Fe/tZn Ø10 mm:
H 100kA
Max. corrente di cortocircuito (AC 50 Hz / DC / 5 s) acciaio inox (V4A) Ø10 mm:
650 A / T4
Max corrente di corto circuito (AC 50 Hz / DC / 5 s) Fe/tZn Ø 10 mm:
1000 A / T4
Corrente impulsiva di fulmine (10/350 µs) rame 16 - 95 mm²:
1HExIIC 100 kA (senza scintille di innesco) T4
Max. corrente di cortocircuito (AC 50 Hz / DC / 5 s) rame 16 mm²:
750 A / T4
Max. corrente di cortocircuito (AC 50 Hz / DC / 5 s) rame 95 mm²:
3,1 kA / T4
Corrente impulsiva nominale di scarica (8/20 µs) per ciascun conduttore (In) 4-10 mm² rame:
10 kA (senza scintille di innesco)
Corrente impulsiva nominale di scarica (8/20 µs) per ciascun conduttore (In) 16 mm² rame:
15 kA (senza scintille di innesco)
Corrente impulsiva di fulmine (10/350 µs) rame 4-16 mm² (per ciascun conduttore):
3 kA (senza scintille di innesco)
Corrente impulsiva di fulmine (10/350 µs) rame 16 mm² (per ciascun conduttore):
25 kA (per ciascun conduttore)
Max temperatura superficiale T4: 135 °C
Per evitare la formazione di whisker nella zona a rischio di esplosione,
si consiglia l’impiego di capicorda a crimpare stagnati
con uno strato barriera in nichel.
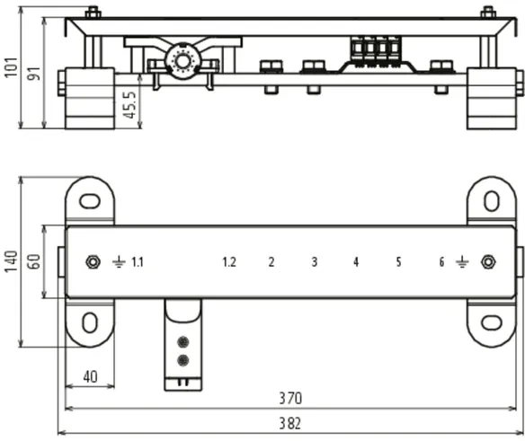
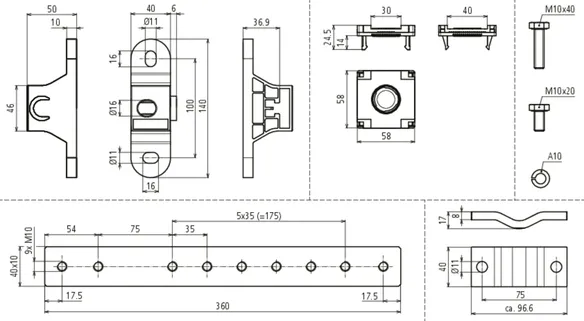
Rotaia: 360 x 40 x 10 mm
Dimensioni: 382 x 140 x 101 mm
Collegamenti: 1 conduttore piatto 30/40 mm o
adattatore per Td 10 mm,
1 conduttore flessibile / rigido 16-95 mm²
mediante capocorda
1 adattatore Push-in 4 x 4-16 mm²
Materiale: Acciaio inox, n. di materiale: 1.4301 / 1.4303
Isolatore/alloggiamento adattatore Pt: Poliamide / senza alogeni
blu, stabilizzato ai raggi UV
Adattatore Push-in: poliamide
Riferimento norma: DIN EN 62561-1 / CLC 50703-2

Fabbricato: DEHN
Tipo: PAS EX 7AP SET
Art.: 472415
o similare.

Certificates

 

Technical data

Collegamento Td/Pt 1 conduttore piatto 30/40 mm o 1 conduttore a sezione tonda 10 mm
Collegamento morsetto di collegamento 4 x 4-16 mm²
Collegamento capocorda 1 conduttore flessibile / rigido 16-95 mm²
Dimensioni 382 x 140 x 101 mm
Corrente impulsiva di fulmine (10/350 µs) acciaio inox (V4A) 30x3,5 mm / 40x5 mm 2HExIIC 75 kA (senza scintille di innesco) T4
Corrente impulsiva di fulmine (10/350 µs) Fe/tZn 30x3,5 mm / 40x5 mm 1HExIIC 100 kA (senza scintille di innesco) T4
Corrente impulsiva di fulmine (10/350 µs) acciaio inox (V4A) Ø 10 mm NExIIC 50 kA (senza scintille di innesco) T4
Corrente impulsiva di fulmine (10/350 µs) Fe/tZn Ø10 mm 2HExIIC 75 kA (senza scintille di innesco) T4
Corrente impulsiva di fulmine (10/350 µs) rame 16-95 mm2 1HExIIC 100 kA (senza scintille di innesco) T4
Corrente impulsiva di fulmine (10/350 µs) rame 4-16 mm² (per ciascun conduttore) 3 kA (senza scintille di innesco)
Corrente impulsiva nominale di scarica (8/20 µs) per ciascun conduttore (In) rame 4-10 mm² 10 kA (senza scintille di innesco)
Corrente impulsiva nominale di scarica (8/20 µs) per ciascun conduttore (In) rame 16 mm² 15 kA (senza scintille di innesco)
Max corrente di corto circuito (AC 50 Hz / DC / 5 s) acciaio inox (V4A) 30x3,5 mm / 40x5 mm 750 A / T4
Max corrente di corto circuito (AC 50 Hz / DC / 5 s) Fe/tZn 30x3,5 mm / 40x5 mm 1500 A / T4
Max corrente di corto circuito (AC 50 Hz / DC / 5 s) acciaio inox (V4A) Ø 10 mm 650 A / T4
Max corrente di corto circuito (AC 50 Hz / DC / 5 s) Fe/tZn Ø10 mm 1000 A / T4
Riferimento normativo DIN EN 62561-1 / CLC 50703-2

Product 472415 was added to Notepad.

Product 472415 was added to the cart.

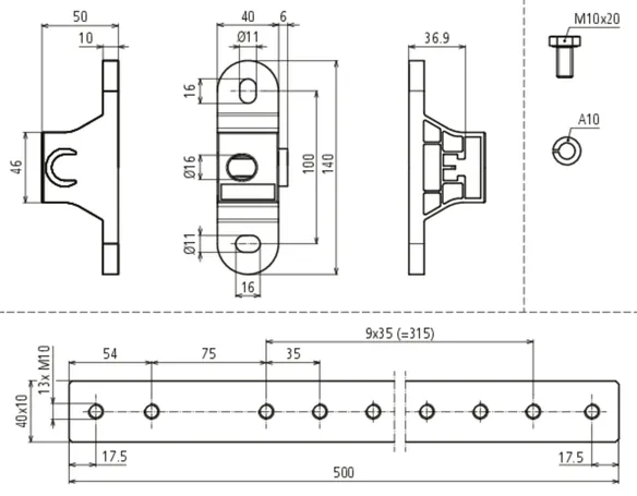
Part No. 472425 PAS EX 11AP SET

GTIN 4013364470606, Customs tariff No. (EU): 85359000, Gross weight: 3.82 kg, PU: 1.00 pz.


Images

Additional information

SET barra equipotenziale Ex senza scintille di innesco EX 11AP
Integrazione di conduttori e cavi metallici
nell’equipotenzialità di protezione dai fulmini secondo la norma
VDE 0185-305-3 (IEC 62305-3) e
per l’equipotenzialità di sicurezza e funzione
secondo la norma DIN VDE 0100 parte 410/540.
Utilizzo nelle zone Ex 1 e 2 (gas, vapori, nebbia)
e nelle zone Ex 21 e 22 (polveri)
gruppo di esplosione IIC (fattore di sicurezza 1)
secondo CLC 62561-1;
classe di temperatura T4 e CEI EN 62561-1
(CEI 81-24)
classe di portata di corrente di fulmine H (100 kA).
Bloccaggio delle viti contro l’auto-allentamento
secondo VDE 0185-305-3 integrazione 2.
L’impiego è ammesso in ambienti sia interni
che esterni.
Corrente impulsiva di fulmine (10/350 µs) acciaio inox (V4A) 30x3,5mm/40x5mm:
2HExIIC 75 kA (senza scintille di innesco) T4
Corrente impulsiva di fulmine (10/350 µs) acciaio inox (V4A) 30x3,5mm/40x5mm:
H 100 kA
Corrente impulsiva di fulmine (10/350 µs) Fe/tZn 30x3,5mm/40x5mm:
1HExIIC 100 kA (senza scintille di innesco) T4
Max corrente di cortocircuito (AC 50 Hz / DC / 5 s) acciaio inox (V4A) 30x3,5 mm / 40x5 mm:
750 A / T4
Max corrente di cortocircuito (AC 50 Hz / DC / 5 s) Fe/tZn 30x3,5 mm / 40x5 mm:
1500 A / T4
Corrente impulsiva di fulmine (10/350 µs) acciaio inox (V4A) Ø 10 mm:
NExIIC 50 kA (senza scintille di innesco) T4
Corrente impulsiva di fulmine (10/350 µs) acciaio inox (V4A) Ø 10 mm:
75 kA
Corrente impulsiva di fulmine (10/350 µs) Fe/tZn Ø10 mm:
2HExIIC 75 kA (senza scintille di innesco) T4
Corrente impulsiva di fulmine (10/350 µs) Fe/tZn Ø10 mm:
H 100kA
Max. corrente di cortocircuito (AC 50 Hz / DC / 5 s) acciaio inox (V4A) Ø10 mm:
650 A / T4
Max corrente di corto circuito (AC 50 Hz / DC / 5 s) Fe/tZn Ø 10 mm:
1000 A / T4
Corrente impulsiva di fulmine (10/350 µs) rame 16 - 95 mm²:
1HExIIC 100 kA (senza scintille di innesco) T4
Max. corrente di cortocircuito (AC 50 Hz / DC / 5 s) rame 16 mm²:
750 A / T4
Max. corrente di cortocircuito (AC 50 Hz / DC / 5 s) rame 95 mm²:
3,1 kA / T4
Corrente impulsiva nominale di scarica (8/20 µs) per ciascun conduttore (In) 4-10 mm² rame:
10 kA (senza scintille di innesco)
Corrente impulsiva nominale di scarica (8/20 µs) per ciascun conduttore (In) 16 mm² rame:
15 kA (senza scintille di innesco)
Corrente impulsiva di fulmine (10/350 µs) rame 4-16 mm² (per ciascun conduttore):
3 kA (senza scintille di innesco)
Corrente impulsiva di fulmine (10/350 µs) rame 16 mm² (per ciascun conduttore):
25 kA (per ciascun conduttore)
Max temperatura superficiale T4: 135 °C
Per evitare la formazione di whisker nella zona a rischio di esplosione,
si consiglia l’impiego di capicorda a crimpare stagnati
con uno strato barriera in nichel.
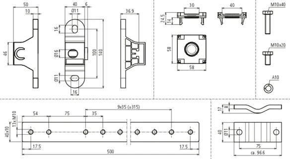
Rotaia: 500 x 40 x 10 mm
Dimensioni: 522 x 140 x 101 mm
Collegamenti: 1 conduttore piatto 30/40 mm
o adattatore per Td 10 mm,
5 conduttori flessibili / rigidi 16-95 mm²
mediante capocorda
1 adattatore Push-in 4 x 4-16 mm²
Materiale: INOX,
Materiale n. : 1.4301 / 1.4303
Isolatore/alloggiamento adattatore Pt: Poliamide / senza alogeni
blu, stabilizzato ai raggi UV
Adattatore Push-in: poliamide
Riferimento norma: DIN EN 62561-1 / CLC 50703-2

Fabbricato: DEHN
Tipo: PAS EX 11AP SET
Art.: 472425
o similare.

Certificates

 

Technical data

Collegamento Td/Pt 1 conduttore piatto 30/40 mm o 1 conduttore a sezione tonda 10 mm
Collegamento morsetto di collegamento 4 x 4-16 mm²
Collegamento capocorda 5 conduttori flessibili / rigidi 16-95 mm²
Dimensioni 522 x 140 x 101 mm
Corrente impulsiva di fulmine (10/350 µs) acciaio inox (V4A) 30x3,5 mm / 40x5 mm 2HExIIC 75 kA (senza scintille di innesco) T4
Corrente impulsiva di fulmine (10/350 µs) Fe/tZn 30x3,5 mm / 40x5 mm 1HExIIC 100 kA (senza scintille di innesco) T4
Corrente impulsiva di fulmine (10/350 µs) acciaio inox (V4A) Ø 10 mm NExIIC 50 kA (senza scintille di innesco) T4
Corrente impulsiva di fulmine (10/350 µs) Fe/tZn Ø10 mm 2HExIIC 75 kA (senza scintille di innesco) T4
Corrente impulsiva di fulmine (10/350 µs) rame 16-95 mm2 1HExIIC 100 kA (senza scintille di innesco) T4
Corrente impulsiva di fulmine (10/350 µs) rame 4-16 mm² (per ciascun conduttore) 3 kA (senza scintille di innesco)
Corrente impulsiva nominale di scarica (8/20 µs) per ciascun conduttore (In) rame 4-10 mm² 10 kA (senza scintille di innesco)
Corrente impulsiva nominale di scarica (8/20 µs) per ciascun conduttore (In) rame 16 mm² 15 kA (senza scintille di innesco)
Max corrente di corto circuito (AC 50 Hz / DC / 5 s) acciaio inox (V4A) 30x3,5 mm / 40x5 mm 750 A / T4
Max corrente di corto circuito (AC 50 Hz / DC / 5 s) Fe/tZn 30x3,5 mm / 40x5 mm 1500 A / T4
Max corrente di corto circuito (AC 50 Hz / DC / 5 s) acciaio inox (V4A) Ø 10 mm 650 A / T4
Max corrente di corto circuito (AC 50 Hz / DC / 5 s) Fe/tZn Ø10 mm 1000 A / T4
Riferimento normativo DIN EN 62561-1 / CLC 50703-2

Product 472425 was added to Notepad.

Product 472425 was added to the cart.


PAS EX 1+5(9)AP M10 V2A

  • Utilizzo nelle zone con pericolo di esplosione Zona Ex 1 e 2 (gas, vapori, nebbia) fino al gruppo di esplosione IIC nonché Zona Ex 21 e 22 (polveri)
  • Bloccaggio delle viti contro l’auto-allentamento
  • L’impiego è ammesso in ambienti sia interni che esterni

2 Products

Part No. 472410 PAS EX 1+5AP M10 V2A

GTIN 4013364470521, Customs tariff No. (EU): 85359000, Gross weight: 1.96 kg, PU: 1.00 pz.


Images

Additional information

Barra equipotenziale Ex senza scintille di innesco EX 1+5AP M10 V2A
Integrazione di conduttori e cavi metallici
nell’equipotenzialità di protezione dai fulmini secondo la norma
VDE 0185-305-3 (IEC 62305-3) e per
l’equipotenzialità di sicurezza e funzione
secondo la norma DIN VDE 0100 parte 410/540.
Utilizzo nelle zone Ex 1 e 2
(gas, vapori, nebbia) e
nelle zone Ex 21 e 22 (polveri)
gruppo di esplosione IIC (fattore di sicurezza 1)
secondo CLC 62561-1;
classe di temperatura T4 e CEI EN 62561-1
(CEI 81-24)
classe di portata di corrente di fulmine H (100 kA).
Bloccaggio delle viti contro l’auto-allentamento
secondo VDE 0185-305-3 integrazione 2.
L’impiego è ammesso in ambienti sia interni
che esterni.
Corrente impulsiva di fulmine (10/350 µs) acciaio inox (V4A) 30x3,5mm/40x5mm:
2HExIIC 75 kA (senza scintille di innesco) T4
Corrente impulsiva di fulmine (10/350 µs) acciaio inox (V4A) 30x3,5mm/40x5mm:
H 100 kA
Corrente impulsiva di fulmine (10/350 µs) Fe/tZn 30x3,5mm/40x5mm:
1HExIIC 100 kA (senza scintille di innesco) T4
Max corrente di cortocircuito (AC 50 Hz / DC / 5 s) acciaio inox (V4A) 30x3,5 mm / 40x5 mm:
750 A / T4
Max corrente di cortocircuito (AC 50 Hz / DC / 5 s) Fe/tZn 30x3,5 mm / 40x5 mm:
1500 A / T4
Corrente impulsiva di fulmine (10/350 µs) rame 16 - 95 mm²:
1HExIIC 100 kA (senza scintille di innesco) T4
Max. corrente di cortocircuito (AC 50 Hz / DC / 5 s) rame 16 mm²:
750 A / T4
Max. corrente di cortocircuito (AC 50 Hz / DC / 5 s) rame 95 mm²:
3,1 kA / T4
Max temperatura superficiale T4: 135 °C
Per evitare la formazione di whisker nella zona a rischio di esplosione,
si consiglia l’impiego di capicorda a crimpare stagnati
con uno strato barriera in nichel.
Rotaia: 360 x 40 x 10 mm
Dimensioni: 382 x 140 x 101 mm
Collegamenti: 1 piatto (M10 x 40 mm con grova)
5 capicorda (M10 x 20 mm con grova)
Barra equipotenziale / cavallotto / viti / grova:
Acciaio inox, n. di materiale: 1.4301 / 1.4303
Isolatore/alloggiamento adattatore Pt:
Poliamide, senza alogeni blu, stabilizzato ai raggi UV
Riferimento norma: DIN EN 62561-1 / CLC 50703-2

Fabbricato: DEHN
Tipo: PAS EX 1+5AP M10 V2A
Art.: 472410
o similare.

Certificates

 

Technical data

Collegamento Pt 1 conduttore piatto 30/40 mm
Collegamento capocorda 5 conduttori flessibili / rigidi 16-95 mm²
Dimensioni 382 x 140 x 65 mm
Corrente impulsiva di fulmine (10/350 µs) acciaio inox (V4A) 30x3,5 mm / 40x5 mm 2HExIIC 75 kA (senza scintille di innesco) T4
Corrente impulsiva di fulmine (10/350 µs) Fe/tZn 30x3,5 mm / 40x5 mm 1HExIIC 100 kA (senza scintille di innesco) T4
Corrente impulsiva di fulmine (10/350 µs) rame 16-95 mm2 1HExIIC 100 kA (senza scintille di innesco) T4
Max corrente di corto circuito (AC 50 Hz / DC / 5 s) acciaio inox (V4A) 30x3,5 mm / 40x5 mm 750 A / T4
Max corrente di corto circuito (AC 50 Hz / DC / 5 s) Fe/tZn 30x3,5 mm / 40x5 mm 1500 A / T4
Riferimento normativo DIN EN 62561-1 / CLC 50703-2
In riferimento alla resistenza alla corrosione, verificare l’applicabilità dei materiali usati per la EBB EX nelle condizioni ambientali esistenti (ad es. Cu/galSn, INOX, poliamide, poliuretano a base estere).

Product 472410 was added to Notepad.

Product 472410 was added to the cart.

Part No. 472420 PAS EX 1+9AP M10 V2A

GTIN 4013364476059, Customs tariff No. (EU): 85359000, Gross weight: 2.50 kg, PU: 1.00 pz.


Images

Additional information

Barra equipotenziale Ex senza scintille di innesco EX 1+9AP M10 V2A
Integrazione di conduttori e cavi metallici
nell’equipotenzialità di protezione dai fulmini secondo la norma
VDE 0185-305-3 (IEC 62305-3) e per
l’equipotenzialità di sicurezza e funzione
secondo la norma DIN VDE 0100 parte 410/540.
Utilizzo nelle zone Ex 1 e 2
(gas, vapori, nebbia) e
nelle zone Ex 21 e 22 (polveri)
gruppo di esplosione IIC (fattore di sicurezza 1)
secondo CLC 62561-1;
classe di temperatura T4 e CEI EN 62561-1
(CEI 81-24)
classe di portata di corrente di fulmine H (100 kA).
Bloccaggio delle viti contro l’auto-allentamento
secondo VDE 0185-305-3 integrazione 2.
L’impiego è ammesso in ambienti sia interni
che esterni.
Corrente impulsiva di fulmine (10/350 µs) acciaio inox (V4A) 30x3,5mm/40x5mm:
2HExIIC 75 kA (senza scintille di innesco) T4
Corrente impulsiva di fulmine (10/350 µs) acciaio inox (V4A) 30x3,5mm/40x5mm:
H 100 kA
Corrente impulsiva di fulmine (10/350 µs) Fe/tZn 30x3,5mm/40x5mm:
1HExIIC 100 kA (senza scintille di innesco) T4
Max corrente di cortocircuito (AC 50 Hz / DC / 5 s) acciaio inox (V4A) 30x3,5 mm / 40x5 mm:
750 A / T4
Max corrente di cortocircuito (AC 50 Hz / DC / 5 s) Fe/tZn 30x3,5 mm / 40x5 mm:
1500 A / T4
Corrente impulsiva di fulmine (10/350 µs) rame 16 - 95 mm²:
1HExIIC 100 kA (senza scintille di innesco) T4
Max. corrente di cortocircuito (AC 50 Hz / DC / 5 s) rame 16 mm²:
750 A / T4
Max. corrente di cortocircuito (AC 50 Hz / DC / 5 s) rame 95 mm²:
3,1 kA / T4
Max temperatura superficiale T4: 135 °C
Per evitare la formazione di whisker nella zona a rischio di esplosione,
si consiglia l’impiego di capicorda a crimpare stagnati
con uno strato barriera in nichel.
Rotaia: 500 x 40 x 10 mm
Dimensioni: 522 x 140 x 101 mm
Collegamenti: 1 piatto (M10 x 40 mm con grova)
+ 9 capicorda (M10 x 20 mm con grova)
Barra equipotenziale / cavallotto / viti / grova:
Acciaio inox, n. di materiale: 1.4301 / 1.4303
Isolatore/alloggiamento adattatore Pt: Poliamide,
senza alogeni blu, stabilizzato ai raggi UV
Riferimento norma: DIN EN 62561-1 / CLC 50703-2

Fabbricato: DEHN
Tipo: PAS EX 1+9AP M10 V2A
Art.: 472420
o similare.

Certificates

 

Technical data

Collegamento Pt 1 conduttore piatto 30/40 mm
Collegamento capocorda 9 conduttori flessibili / rigidi 16-95 mm²
Dimensioni 522 x 140 x 65 mm
Corrente impulsiva di fulmine (10/350 µs) acciaio inox (V4A) 30x3,5 mm / 40x5 mm 2HExIIC 75 kA (senza scintille di innesco) T4
Corrente impulsiva di fulmine (10/350 µs) Fe/tZn 30x3,5 mm / 40x5 mm 1HExIIC 100 kA (senza scintille di innesco) T4
Corrente impulsiva di fulmine (10/350 µs) rame 16-95 mm2 1HExIIC 100 kA (senza scintille di innesco) T4
Max corrente di corto circuito (AC 50 Hz / DC / 5 s) acciaio inox (V4A) 30x3,5 mm / 40x5 mm 750 A / T4
Max corrente di corto circuito (AC 50 Hz / DC / 5 s) Fe/tZn 30x3,5 mm / 40x5 mm 1500 A / T4
Riferimento normativo DIN EN 62561-1 / CLC 50703-2
In riferimento alla resistenza alla corrosione, verificare l’applicabilità dei materiali usati per la EBB EX nelle condizioni ambientali esistenti (ad es. Cu/galSn, INOX, poliamide, poliuretano a base estere).

Product 472420 was added to Notepad.

Product 472420 was added to the cart.


PAS EX 7(11)AP M10 V2A

  • Utilizzo nelle zone con pericolo di esplosione Zona Ex 1 e 2 (gas, vapori, nebbia) fino al gruppo di esplosione IIC nonché Zona Ex 21 e 22 (polveri)
  • Bloccaggio delle viti contro l’auto-allentamento
  • L’impiego è ammesso in ambienti sia interni che esterni

2 Products

Part No. 472411 PAS EX 7AP M10 V2A

GTIN 4013364470460, Customs tariff No. (EU): 85359000, Gross weight: 1.65 kg, PU: 1.00 pz.


Images

Additional information

Barra equipotenziale Ex senza scintille di innesco EX 7AP M10 V2A
Integrazione di conduttori e cavi metallici
nell’equipotenzialità di protezione dai fulmini secondo la norma
VDE 0185-305-3 (IEC 62305-3) e
per l’equipotenzialità di sicurezza e funzione
secondo la norma DIN VDE 0100 parte 410/540.
Utilizzo nelle zone Ex 1 e 2 (gas, vapori, nebbia)
e nelle zone Ex 21 e 22 (polveri)
gruppo di esplosione IIC (fattore di sicurezza 1)
secondo CLC 62561-1;
classe di temperatura T4 e CEI EN 62561-1
(CEI 81-24)
classe di portata di corrente di fulmine H (100 kA).
Bloccaggio delle viti contro l’auto-allentamento
secondo VDE 0185-305-3 integrazione 2.
L’impiego è ammesso in ambienti sia interni
che esterni.
Corrente impulsiva di fulmine (10/350 µs) rame 16 - 95 mm²:
1HExIIC 100 kA (senza scintille di innesco) T4
Max. corrente di cortocircuito (AC 50 Hz / DC / 5 s) rame 16 mm²:
750 A / T4
Max. corrente di cortocircuito (AC 50 Hz / DC / 5 s) rame 95 mm²:
3,1 kA / T4
Max temperatura superficiale T4: 135 °C
Per evitare la formazione di whisker nella zona a rischio di esplosione,
si consiglia l’impiego di capicorda a crimpare stagnati
con uno strato barriera in nichel.
Rotaia: 300 x 40 x 10 mm
Dimensioni: 382 x 140 x 101 mm
Collegamenti: 7 capicorda (M10 x 20 mm con grova)
Barra equipotenziale / viti / grova: INOX,
Materiale n. : 1.4301 / 1.4303
Isolatore: Poliamide, senza alogeni blu, stabilizzato ai raggi UV
Riferimento norma: DIN EN 62561-1 / CLC 50703-2

Fabbricato: DEHN
Tipo: PAS EX 7AP M10 V2A
Art.: 472411
o similare.

Certificates

 

Technical data

Collegamento capocorda 7 conduttori flessibili / rigidi 16-95 mm²
Dimensioni 382 x 140 x 50 mm
Corrente impulsiva di fulmine (10/350 µs) rame 16-95 mm2 1HExIIC 100 kA (senza scintille di innesco) T4
Riferimento normativo DIN EN 62561-1 / CLC 50703-2
In riferimento alla resistenza alla corrosione, verificare l’applicabilità dei materiali usati per la EBB EX nelle condizioni ambientali esistenti (ad es. Cu/galSn, INOX, poliamide, poliuretano a base estere).

Product 472411 was added to Notepad.

Product 472411 was added to the cart.

Part No. 472421 PAS EX 11AP M10 V2A

GTIN 4013364470477, Customs tariff No. (EU): 85359000, Gross weight: 2.16 kg, PU: 1.00 pz.


Images

Additional information

M10 V2A barra equipotenziale Ex senza scintille di innesco EX 11AP M10 V2A
Integrazione di conduttori e cavi metallici
nell’equipotenzialità di protezione dai fulmini secondo la norma
VDE 0185-305-3 (IEC 62305-3) e
per l’equipotenzialità di sicurezza e funzione
secondo la norma DIN VDE 0100 parte 410/540.
Utilizzo nelle zone Ex 1 e 2 (gas, vapori, nebbia)
e nelle zone Ex 21 e 22 (polveri)
gruppo di esplosione IIC (fattore di sicurezza 1)
secondo CLC 62561-1;
classe di temperatura T4 e CEI EN 62561-1
(CEI 81-24)
classe di portata di corrente di fulmine H (100 kA).
Bloccaggio delle viti contro l’auto-allentamento
secondo VDE 0185-305-3 integrazione 2.
L’impiego è ammesso in ambienti sia interni
che esterni.
Corrente impulsiva di fulmine (10/350 µs) rame 16 - 95 mm²:
1HExIIC 100 kA (senza scintille di innesco) T4
Max. corrente di cortocircuito (AC 50 Hz / DC / 5 s) rame 16 mm²:
750 A / T4
Max. corrente di cortocircuito (AC 50 Hz / DC / 5 s) rame 95 mm²:
3,1 kA / T4
Max temperatura superficiale T4: 135 °C
Per evitare la formazione di whisker nella zona a rischio di esplosione,
si consiglia l’impiego di capicorda a crimpare stagnati
con uno strato barriera in nichel.
Rotaia: 500 x 40 x 10 mm
Dimensioni: 522 x 140 x 101 mm
Collegamenti: 11 capicorda (M10 x 20 mm con grova)
Barra equipotenziale / viti / grova:
Acciaio inox, n. di materiale: 1.4301 / 1.4303
Isolatore: Poliamide, senza alogeni blu, stabilizzato ai raggi UV
Riferimento norma: DIN EN 62561-1 / CLC 50703-2

Fabbricato: DEHN
Tipo: PAS EX 11AP M10 V2A
Art.: 472421
o similare.

Certificates

 

Technical data

Collegamento capocorda 11 conduttori flessibili / rigidi 16-95 mm²
Dimensioni 522 x 140 x 50 mm
Corrente impulsiva di fulmine (10/350 µs) rame 16-95 mm2 1HExIIC 100 kA (senza scintille di innesco) T4
Riferimento normativo DIN EN 62561-1 / CLC 50703-2
In riferimento alla resistenza alla corrosione, verificare l’applicabilità dei materiali usati per la EBB EX nelle condizioni ambientali esistenti (ad es. Cu/galSn, INOX, poliamide, poliuretano a base estere).

Product 472421 was added to Notepad.

Product 472421 was added to the cart.


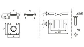
PAS EX AD 7(11) AP

Copertura con perni distanziatori per barra equipotenziale Ex senza scintille di innesco PAS EX. Con numerazione dei connettori e targhetta identificativa.

2 Products

Part No. 472412 PAS EX AD 7 AP

GTIN 4013364470491, Customs tariff No. (EU): 85389099, Gross weight: 576.00 g, PU: 1.00 pz.


Images

Additional information

Copertura con perni distanziatori
e targhetta identificativa per
barra equipotenziale EX 1+5AP M10 V2A e
barra equipotenziale EX 7AP M10 V2A
Materiale: INOX,
Materiale n. : 1.4301 / 1.4303

Fabbricato: DEHN
Tipo: PAS EX AD 7 AP
Art.: 472412
o similare.

 

Technical data

Materiale INOX

Product 472412 was added to Notepad.

Product 472412 was added to the cart.

Part No. 472422 PAS EX AD 11 AP

GTIN 4013364470507, Customs tariff No. (EU): 85389099, Gross weight: 658.00 g, PU: 1.00 pz.


Images

Additional information

Copertura con perni distanziatori
e targhetta identificativa per
barra equipotenziale EX 1+9AP M10 V2A e
barra equipotenziale EX 11AP M10 V2A
Materiale: INOX,
Materiale n. : 1.4301 / 1.4303

Fabbricato: DEHN
Tipo: PAS EX AD 11 AP
Art.: 472422
o similare.

 

Technical data

Materiale INOX

Product 472422 was added to Notepad.

Product 472422 was added to the cart.


PAS EX CC

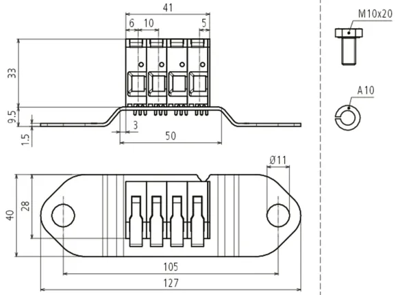
Adattatore Push-in per barra equipotenziale Ex senza scintille di innesco per il facile collegamento di conduttori flessibili. Utilizzo nelle zone con pericolo di esplosione Zona Ex 1 e 2 (gas, vapori, nebbia) fino al gruppo di esplosione IIC nonché Zona Ex 21 e 22 (polveri). Impiego consentito solo in ambienti interni.

1 Product

Part No. 472497 PAS EX CC

GTIN 4013364470484, Customs tariff No. (EU): 85359000, Gross weight: 196.00 g, PU: 1.00 pz.


Images

Additional information

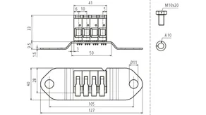
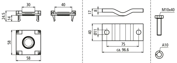
Adattatore Push-in per la messa in contatto
di conduttori flessibili 4 x 4-16mm² su barra equipotenziale Ex...
Utilizzo in ambienti a rischio di esplosione
Zone Ex 1 e 2 (gas, vapori, nebbia)
nonché Zone Ex 21 e 22 (polveri)
Utilizzabile fino al gruppo di esplosione IIC
(fattore di sicurezza 1)
Utilizzabile fino alla classe di temperatura T4
Bloccaggio delle viti contro l’auto-allentamento
secondo VDE 0185-305-3 integrazione 2
Impiego consentito in ambienti interni
Corrente impulsiva nominale di scarica (8/20 µs) per ciascun conduttore (In) rame 4-10 mm²:
10 kA (senza scintille di innesco)
Corrente impulsiva nominale di scarica (8/20 µs) per ciascun conduttore (In) rame 16mm²:
15 kA (senza scintille di innesco)
Corrente impulsiva di fulmine (10/350 µs) rame 4-16 mm² (per ciascun conduttore):
3 kA (senza scintille di innesco)
Corrente impulsiva di fulmine (10/350 µs) rame 16 mm² (per ciascun conduttore):
25 kA
Materiale: poliamide

Fabbricato: DEHN
Tipo: PAS EX CC
Art.: 472497
o similare.

Certificates

 

Technical data

Corrente impulsiva di fulmine (10/350 µs) rame 4-16 mm² (per ciascun conduttore) 3 kA (senza scintille di innesco)
Corrente impulsiva nominale di scarica (8/20 µs) per ciascun conduttore (In) rame 4-10 mm² 10 kA (senza scintille di innesco)
Corrente impulsiva nominale di scarica (8/20 µs) per ciascun conduttore (In) rame 16 mm² 15 kA (senza scintille di innesco)
Avvertenza: Assenza di scintille di innesco garantita solo in combinazione con barra equipotenziale Ex ...!

Product 472497 was added to Notepad.

Product 472497 was added to the cart.


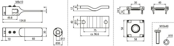
PAS EX R

Adattatore per barra equipotenziale Ex senza scintille di innesco per il collegamento di un conduttore a sezione tonda. Utilizzo nelle zone con pericolo di esplosione Zona Ex 1 e 2 (gas, vapori, nebbia) fino al gruppo di esplosione IIC nonché Zona Ex 21 e 22 (polveri). L’impiego è ammesso in ambienti sia interni che esterni.

1 Product

Part No. 472498 PAS EX R

GTIN 4013364476042, Customs tariff No. (EU): 85359000, Gross weight: 790.00 g, PU: 1.00 pz.


Images

Additional information

Set di connessione Td 10 mm per
barra equipotenziale EX 11AP M10 V2A e
barra equipotenziale EX 7AP M10 V2A
Integrazione di conduttori e cavi metallici
nell’equipotenzialità di protezione dai fulmini secondo la norma
VDE 0185-305-3 (IEC 62305-3)
e per l’equipotenzialità di sicurezza e funzione
secondo la norma DIN VDE 0100 parte 410/540.
Utilizzo nelle zone Ex 1 e 2 (gas, vapori, nebbia)
e nelle zone Ex 21 e 22 (polveri)
gruppo di esplosione IIC (fattore di sicurezza 1)
secondo CLC 62561-1;
classe di temperatura T4 e CEI EN 62561-1
(CEI 81-24)
classe di portata di corrente di fulmine H (100 kA).
Bloccaggio delle viti contro l’auto-allentamento
secondo VDE 0185-305-3 integrazione 2.
L’impiego è ammesso in ambienti sia interni
che esterni.
Corrente impulsiva di fulmine (10/350 µs) acciaio inox (V4A) Ø 10 mm:
NExIIC 50 kA (senza scintille di innesco) T4
Corrente impulsiva di fulmine (10/350 µs) acciaio inox (V4A) Ø 10 mm:
75 kA
Corrente impulsiva di fulmine (10/350 µs) Fe/tZn Ø10 mm:
2HExIIC 75 kA (senza scintille di innesco) T4
Corrente impulsiva di fulmine (10/350 µs) Fe/tZn Ø10 mm:
H 100kA
Max. corrente di cortocircuito (AC 50 Hz / DC / 5 s) acciaio inox (V4A) Ø10 mm:
650 A / T4
Max corrente di corto circuito (AC 50 Hz / DC / 5 s) Fe/tZn Ø 10 mm:
1000 A / T4
Max temperatura superficiale T4: 135 °C
Adattatore Td/cavallotto: INOX,
Materiale n. : 1.4301 / 1.4303
Alloggiamento adattatore Pt: Poliamide,
senza alogeni blu, stabilizzato ai raggi UV

Fabbricato: DEHN
Tipo: PAS EX R
Art.: 472498
o similare.

Certificates

 

Technical data

Corrente impulsiva di fulmine (10/350 µs) acciaio inox (V4A) Ø 10 mm NExIIC 50 kA (senza scintille di innesco) T4
Corrente impulsiva di fulmine (10/350 µs) Fe/tZn Ø10 mm 2HExIIC 75 kA (senza scintille di innesco) T4
Max corrente di corto circuito (AC 50 Hz / DC / 5 s) acciaio inox (V4A) Ø 10 mm 650 A / T4
Max corrente di corto circuito (AC 50 Hz / DC / 5 s) Fe/tZn Ø10 mm 1000 A / T4
Avvertenza: Assenza di scintille di innesco garantita solo in combinazione con barra equipotenziale Ex ...!

Product 472498 was added to Notepad.

Product 472498 was added to the cart.


PAS EX FL

Adattatore per barra equipotenziale Ex senza scintille di innesco per il collegamento di un conduttore piatto. Utilizzo nelle zone con pericolo di esplosione Zona Ex 1 e 2 (gas, vapori, nebbia) fino al gruppo di esplosione IIC nonché Zona Ex 21 e 22 (polveri). L’impiego è ammesso in ambienti sia interni che esterni.

1 Product

Part No. 472499 PAS EX FL

GTIN 4013364470514, Customs tariff No. (EU): 85359000, Gross weight: 408.00 g, PU: 1.00 pz.


Images

Additional information

Set di connessione Pt 30/40 mm per
barra equipotenziale EX 11AP M10 V2A
e barra equipotenziale EX 7AP M10 V2A
Integrazione di conduttori e cavi metallici
nell’equipotenzialità di protezione dai fulmini secondo la norma
VDE 0185-305-3 (IEC 62305-3) e
per l’equipotenzialità di sicurezza e funzione
secondo la norma DIN VDE 0100 parte 410/540.
Utilizzo nelle zone Ex 1 e 2 (gas, vapori, nebbia)
e nelle zone Ex 21 e 22 (polveri)
gruppo di esplosione IIC (fattore di sicurezza 1)
secondo CLC 62561-1;
classe di temperatura T4 e CEI EN 62561-1
(CEI 81-24)
classe di portata di corrente di fulmine H (100 kA).
Bloccaggio delle viti contro l’auto-allentamento
secondo VDE 0185-305-3 integrazione 2.
L’impiego è ammesso in ambienti sia interni
che esterni.
Corrente impulsiva di fulmine (10/350 µs) acciaio inox (V4A) 30x3,5mm/40x5mm:
2HExIIC 75kA (senza scintille di innesco) T4
Corrente impulsiva di fulmine (10/350 µs) acciaio inox (V4A) 30x3,5mm/40x5mm:
H 100 kA
Corrente impulsiva di fulmine (10/350 µs) Fe/tZn 30x3,5mm/40x5mm:
1HExIIC 100 kA (senza scintille di innesco) T4
Max corrente di cortocircuito (AC 50 Hz / DC / 5 s) acciaio inox (V4A) 30x3,5 mm / 40x5 mm:
750 A / T4
Max corrente di cortocircuito (AC 50 Hz / DC / 5 s) Fe/tZn 30x3,5 mm / 40x5 mm:
1500 A / T4
Max temperatura superficiale T4: 135 °C
Materiale cavallotto: INOX,
Materiale n. : 1.4301 / 1.4303
Alloggiamento adattatore Pt: Poliamide / senza alogeni
blu, stabilizzato ai raggi UV

Fabbricato: DEHN
Tipo: PAS EX FL
Art.: 472499
o similare.

Certificates

 

Technical data

Corrente impulsiva di fulmine (10/350 µs) acciaio inox (V4A) 30x3,5 mm / 40x5 mm 2HExIIC 75kA (senza scintille di innesco) T4
Corrente impulsiva di fulmine (10/350 µs) Fe/tZn 30x3,5 mm / 40x5 mm 1HExIIC 100 kA (senza scintille di innesco) T4
Max corrente di corto circuito (AC 50 Hz / DC / 5 s) acciaio inox (V4A) 30x3,5 mm / 40x5 mm 750 A / T4
Max corrente di corto circuito (AC 50 Hz / DC / 5 s) Fe/tZn 30x3,5 mm / 40x5 mm 1500 A / T4
Avvertenza: Assenza di scintille di innesco garantita solo in combinazione con barra equipotenziale Ex ...!

Product 472499 was added to Notepad.

Product 472499 was added to the cart.


PAS ... CUGALSSN

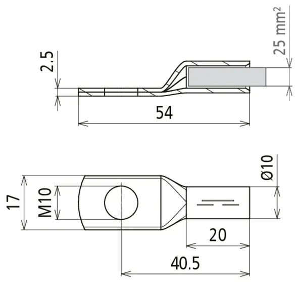
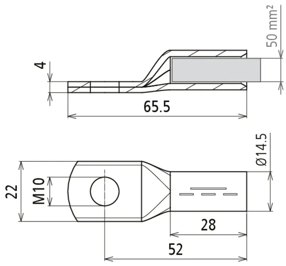
Capocorda a crimpare DIN 46235 con strato barriera in nichel per evitare la formazione di whisker.

6 Products

Part No. 472432 PKS 16 10 CUGALNISN

GTIN 4013364470538, Customs tariff No. (EU): 85369010, Gross weight: 16.33 g, PU: 3.00 pz.


Images

Additional information

Capocorda a crimpare DIN 46235 16 mm² M10
rame/gal Sn con strato barriera in nichel
Per evitare la formazione di whisker nella
zona a rischio di esplosione, consigliamo l’impiego
di capicorda a crimpare stagnati
con uno strato barriera in nichel
Materiale: Rame/gal (Ni)Sn
Corrente impulsiva di fulmine (10/350 µs) rame/gal (Ni)Sn 16 mm² (Re/Rm/Rf) /
acciaio inox 40x10 mm: 1HExIIC 100 kA (senza scintille di innesco) T4
Max corrente di corto circuito (AC 50 Hz / DC / 5 s) rame/gal (Ni)Sn 16
mm² (Re) / acciaio inox 40x10 mm 1100 A / T4
Max corrente di corto circuito (AC 50 Hz / DC / 5 s) rame/gal (Ni)Sn 16
mm² (Rm/Rf) / acciaio inox 40x10 mm: 750 A / T4
Max temperatura superficiale T4: 135 °C
Foro capocorda: M10
Sezione del conduttore: 16 mm²

Fabbricato: DEHN
Tipo: PKS 16 10 CUGALNISN
Art.: 472432
o similare.

Certificates

 

Technical data

Materiale Cu /gal (Ni)Sn
Foro capocorda M10
Sezione del conduttore 16 mm2
Avvertenza: Assenza di scintille di innesco garantita solo in combinazione con barra equipotenziale Ex ...!

Product 472432 was added to Notepad.

Product 472432 was added to the cart.

Part No. 472433 PKS 25 10 CUGALNISN

GTIN 4013364470545, Customs tariff No. (EU): 85369010, Gross weight: 19.67 g, PU: 3.00 pz.


Images

Additional information

Capocorda a crimpare DIN 46235 25 mm² M10
rame/gal Sn con strato barriera in nichel
Per evitare la formazione di whisker nella
zona a rischio di esplosione, consigliamo l’impiego
di capicorda a crimpare stagnati
con uno strato barriera in nichel
Materiale: Rame/gal (Ni)Sn
Corrente impulsiva di fulmine (10/350 µs) rame/gal (Ni)Sn 25 mm² (Rm/Rf) /
acciaio inox 40x10 mm: 1HExIIC 100 kA (senza scintille di innesco) T4
Max corrente di corto circuito (AC 50 Hz / DC / 5 s) rame/gal (Ni)Sn
25 mm² (Rm/Rf) / acciaio inox 40x10 mm: 1100 A / T4
Max temperatura superficiale T4: 135 °C
Foro capocorda: M10
Sezione del conduttore: 25 mm²

Fabbricato: DEHN
Tipo: PKS 25 10 CUGALNISN
Art.: 472433
o similare.

Certificates

 

Technical data

Materiale Cu /gal (Ni)Sn
Foro capocorda M10
Sezione del conduttore 25 mm2
Avvertenza: Assenza di scintille di innesco garantita solo in combinazione con barra equipotenziale Ex ...!

Product 472433 was added to Notepad.

Product 472433 was added to the cart.

Part No. 472434 PKS 35 10 CUGALNISN

GTIN 4013364470552, Customs tariff No. (EU): 85369010, Gross weight: 34.33 g, PU: 3.00 pz.


Images

Additional information

Capocorda a crimpare DIN 46235 35 mm² M10
rame/gal Sn con strato barriera in nichel
Per evitare la formazione di whisker nella
zona a rischio di esplosione, consigliamo l’impiego
di capicorda a crimpare stagnati
con uno strato barriera in nichel
Materiale: Rame/gal (Ni)Sn
Corrente impulsiva di fulmine (10/350 µs) rame/gal (Ni)Sn 35 mm² (Rm/Rf) /
acciaio inox 40x10 mm: 1HExIIC 100 kA (senza scintille di innesco) T4
Max corrente di corto circuito (AC 50 Hz / DC / 5 s) rame/gal (Ni)Sn
35 mm² (Rm/Rf) / acciaio inox 40x10 mm: 1100 A / T4
Max temperatura superficiale T4: 135 °C
Foro capocorda: M10
Sezione del conduttore: 35 mm²

Fabbricato: DEHN
Tipo: PKS 35 10 CUGALNISN
Art.: 472434
o similare.

Certificates

 

Technical data

Materiale Cu /gal (Ni)Sn
Foro capocorda M10
Sezione del conduttore 35 mm2
Avvertenza: Assenza di scintille di innesco garantita solo in combinazione con barra equipotenziale Ex ...!

Product 472434 was added to Notepad.

Product 472434 was added to the cart.

Part No. 472435 PKS 50 10 CUGALNISN

GTIN 4013364470569, Customs tariff No. (EU): 85369010, Gross weight: 51.67 g, PU: 3.00 pz.


Images

Additional information

Capocorda a crimpare DIN 46235 50 mm² M10
rame/gal Sn con strato barriera in nichel
Per evitare la formazione di whisker nella
zona a rischio di esplosione, consigliamo l’impiego
di capicorda a crimpare stagnati
con uno strato barriera in nichel
Materiale: Rame/gal (Ni)Sn
Corrente impulsiva di fulmine (10/350 µs) rame/gal (Ni)Sn 50 mm² (Rm/Rf) /
acciaio inox 40x10 mm: 1HExIIC 100 kA (senza scintille di innesco) T4
Max corrente di corto circuito (AC 50 Hz / DC / 5 s) rame/gal (Ni)Sn
50 mm² (Rm/Rf) / acciaio inox 40x10 mm: 1100 A / T4
Max temperatura superficiale T4: 135 °C
Foro capocorda: M10
Sezione del conduttore: 50 mm²

Fabbricato: DEHN
Tipo: PKS 50 10 CUGALNISN
Art.: 472435
o similare.

Certificates

 

Technical data

Materiale Cu /gal (Ni)Sn
Foro capocorda M10
Sezione del conduttore 50 mm2
Avvertenza: Assenza di scintille di innesco garantita solo in combinazione con barra equipotenziale Ex ...!

Product 472435 was added to Notepad.

Product 472435 was added to the cart.

Part No. 472436 PKS 70 10 CUGALNISN

GTIN 4013364470576, Customs tariff No. (EU): 85369010, Gross weight: 68.00 g, PU: 3.00 pz.


Images

Additional information

Capocorda a crimpare DIN 46235 70 mm² M10
rame/gal Sn con strato barriera in nichel
Per evitare la formazione di whisker nella
zona a rischio di esplosione, consigliamo l’impiego
di capicorda a crimpare stagnati
con uno strato barriera in nichel
Materiale: Rame/gal (Ni)Sn
Corrente impulsiva di fulmine (10/350 µs) rame/gal (Ni)Sn 70 mm² (Rm/Rf) /
acciaio inox 40x10 mm: 1HExIIC 100 kA (senza scintille di innesco) T4
Max corrente di corto circuito (AC 50 Hz / DC / 5 s) rame/gal (Ni)Sn
70 mm² (Rm/Rf) / acciaio inox 40x10 mm: 1100 A / T4
Max temperatura superficiale T4: 135 °C
Foro capocorda: M10
Sezione del conduttore: 70 mm²

Fabbricato: DEHN
Tipo: PKS 70 10 CUGALNISN
Art.: 472436
o similare.

Certificates

 

Technical data

Materiale Cu /gal (Ni)Sn
Foro capocorda M10
Sezione del conduttore 70 mm2
Avvertenza: Assenza di scintille di innesco garantita solo in combinazione con barra equipotenziale Ex ...!

Product 472436 was added to Notepad.

Product 472436 was added to the cart.

Part No. 472437 PKS 95 10 CUGALNISN

GTIN 4013364470583, Customs tariff No. (EU): 85369010, Gross weight: 98.00 g, PU: 3.00 pz.


Images

Additional information

Capocorda a crimpare DIN 46235 95 mm² M10
rame/gal Sn con strato barriera in nichel
Per evitare la formazione di whisker nella
zona a rischio di esplosione, consigliamo l’impiego
di capicorda a crimpare stagnati
con uno strato barriera in nichel
Materiale: Rame/gal (Ni)Sn
Corrente impulsiva di fulmine (10/350 µs) rame/gal (Ni)Sn 95 mm² (Rm/Rf) /
acciaio inox 40x10 mm: 1HExIIC 100 kA (senza scintille di innesco) T4
Max corrente di corto circuito (AC 50 Hz / DC / 5 s) rame/gal (Ni)Sn
95 mm² (Rm/Rf) / acciaio inox 40x10 mm: 1100 A / T4
Max temperatura superficiale T4: 135 °C
Foro capocorda: M10
Sezione del conduttore: 95 mm²

Fabbricato: DEHN
Tipo: PKS 95 10 CUGALNISN
Art.: 472437
o similare.

Certificates

 

Technical data

Materiale Cu /gal (Ni)Sn
Foro capocorda M10
Sezione del conduttore 95 mm2
Avvertenza: Assenza di scintille di innesco garantita solo in combinazione con barra equipotenziale Ex ...!

Product 472437 was added to Notepad.

Product 472437 was added to the cart.


back to top