UF-Trennstellenkästen

Für Unterflurmontage, zum Trennen der Ableitung von der Erdungsanlage beim Messen.

Ausführung GG – mit eingebauter, gut zugänglicher Trennstelle

Mit einem Schlüssel lösbar, inklusive Anschluss für die Ableitung und die Erdleitung, unten offen (ohne Boden).

1 Product

Part No. 549001 UFTSK 7.10 FL40 300X220X120 GG

GTIN 4013364025554, Customs tariff No. (EU): 85359000, Gross weight: 6.10 kg, PU: 1.00 Stk.


Images

Additional information

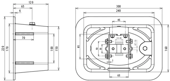
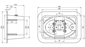
UF-Trennstellenkästen Ausführung GG
UF-Trennstellenkästen
für Unterflurmontage
mit eingebauter, gut zugänglicher Trennstelle
(mit einem Schlüssel lösbar),
inklusive Anschluss für die Ableitung
und die Erdleitung,
unten offen (ohne Boden)
Werkstoff: GG
Abmessung: 300 x 220 x 120 mm
Werkstoff Trennstelle: NIRO

Fabrikat: DEHN
Typ: UFTSK 7.10 FL40 300X220X120 GG
Art.-Nr.: 549001
oder gleichwertig.

Certificates

 

Technical data

Werkstoff GG
Farbe schwarz (lackiert) ●
Abmessung 300 x 220 x 120 mm
Klemmbereich Rd / Fl 7-10 / 30-40 mm
Max. zulässige Belastung 40 kN

Product 549001 was added to Notepad.

Product 549001 was added to the cart.


Ausführung GG – ohne Trennstelle

Unten offen (ohne Boden).

1 Product

Part No. 549000 UFTSK 300X220X120 GG

GTIN 4013364025547, Customs tariff No. (EU): 85389099, Gross weight: 6.20 kg, PU: 1.00 Stk.


Images

Additional information

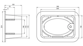
UF-Trennstellenkästen Ausführung GG ohne Trennstelle
UF-Trennstellenkästen
für Unterflurmontage
ohne Trennstelle,
unten offen (ohne Boden)
Werkstoff: GG
Abmessung: 300 x 220 x 120 mm

Fabrikat: DEHN
Typ: UFTSK 300X220X120 GG
Art.-Nr.: 549000
oder gleichwertig.

Certificates

 

Technical data

Werkstoff GG
Farbe schwarz (lackiert) ●
Abmessung 300 x 220 x 120 mm
Max. zulässige Belastung 40 kN

Product 549000 was added to Notepad.

Product 549000 was added to the cart.


Ausführung Kunststoff – mit eingebauter, gut zugänglicher Trennstelle

Mit einem Schlüssel lösbar, inklusive Anschluss für die Ableitung und die Erdleitung, unten offen (ohne Boden).

1 Product

Part No. 549050 UFTSK 7.10 FL40 197X197X204 K

GTIN 4013364128217, Customs tariff No. (EU): 85359000, Gross weight: 2.18 kg, PU: 1.00 Stk.


Images

Additional information

UF-Trennstellenkästen Ausführung Kunststoff
UF-Trennstellenkästen
für Unterflurmontage
Mit eingebauter, gut zugänglicher Trennstelle
(mit einem Schlüssel lösbar), inklusive Anschluss
für die Ableitung und die Erdleitung,
unten offen (ohne Boden).
Werkstoff: Kunststoff
Abmessung: 197 x 197 x 204 mm
Werkstoff Trennstelle: NIRO

Fabrikat: DEHN
Typ: UFTSK 7.10 FL40 197X197X204 K
Art.-Nr.: 549050
oder gleichwertig.

Certificates

 

Technical data

Werkstoff Kunststoff
Farbe grau
Abmessung 197 x 197 x 204 mm
Klemmbereich Rd / Fl 7-10 / 30-40 mm
Max. zulässige Belastung 15 kN

Product 549050 was added to Notepad.

Product 549050 was added to the cart.


Ausführung Kunststoff – ohne Trennstelle

Unten offen (ohne Boden).

1 Product

Part No. 549051 UFTSK 197X197X204 K

GTIN 4013364128224, Customs tariff No. (EU): 85389099, Gross weight: 1.66 kg, PU: 1.00 Stk.


Images

Additional information

UF-Trennstellenkästen Ausführung Kunststoff ohne Trennstelle
UF-Trennstellenkästen
für Unterflurmontage
ohne Trennstelle,
unten offen (ohne Boden)
Werkstoff: Kunststoff
Abmessung: 197 x 197 x 204 mm

Fabrikat: DEHN
Typ: UFTSK 197X197X204 K
Art.-Nr.: 549051
oder gleichwertig.

Certificates

 

Technical data

Werkstoff Kunststoff
Farbe grau
Abmessung 197 x 197 x 204 mm
Max. zulässige Belastung 15 kN

Product 549051 was added to Notepad.

Product 549051 was added to the cart.


Ausführung NIRO – mit eingebauter, gut zugänglicher Trennstelle

Mit einem Schlüssel lösbar, inklusive Anschluss für die Ableitung und die Erdleitung, unten offen (ohne Boden).

1 Product

Part No. 549090 UFTSK 7.10 FL40 200X200X105 V2A

GTIN 4013364128231, Customs tariff No. (EU): 85359000, Gross weight: 3.73 kg, PU: 1.00 Stk.


Images

Additional information

UF-Trennstellenkästen Ausführung NIRO
UF-Trennstellenkästen
für Unterflurmontage
Mit eingebauter, gut zugänglicher Trennstelle
(mit einem Schlüssel lösbar), inklusive
Anschluss für die Ableitung und die Erdleitung,
unten offen (ohne Boden).
Werkstoff: NIRO
Abmessung: 200 x 200 x 105 mm
Werkstoff Trennstelle: NIRO

Fabrikat: DEHN
Typ: UFTSK 7.10 FL40 200X200X105 V2A
Art.-Nr.: 549090
oder gleichwertig.

Certificates

 

Technical data

Werkstoff NIRO
Abmessung 200 x 200 x 105 mm
Klemmbereich Rd / Fl 7-10 / 30-40 mm
Max. zulässige Belastung 40 kN

Product 549090 was added to Notepad.

Product 549090 was added to the cart.


Ausführung NIRO – ohne Trennstelle

Unten offen (ohne Boden).

1 Product

Part No. 549091 UFTSK 200X200X105 V2A

GTIN 4013364128248, Customs tariff No. (EU): 85389099, Gross weight: 3.15 kg, PU: 1.00 Stk.


Images

Additional information

UF-Trennstellenkästen Ausführung NIRO - ohne Trennstelle
UF-Trennstellenkästen
für Unterflurmontage
ohne Trennstelle,
unten offen (ohne Boden)
Werkstoff: NIRO
Abmessung: 200 x 200 x 105 mm

Fabrikat: DEHN
Typ: UFTSK 200X200X105 V2A
Art.-Nr.: 549091
oder gleichwertig.

Certificates

 

Technical data

Werkstoff NIRO
Abmessung 200 x 200 x 105 mm
Max. zulässige Belastung 40 kN

Product 549091 was added to Notepad.

Product 549091 was added to the cart.


back to top